基於CCD技術的非接觸在線檢測儀設計
發布時間:2011-09-28 來源:中電網
中心議題:
1.引言
檢測技術是一門應用非常廣泛的技術。在許多領域都會對各種加工件、各種運動物體進行檢測,以保證產品的合格率和生產、生活的安全性。傳統的檢測方法有人工檢測,也有用機械式、光學式或電磁式檢測儀器進行的檢測。尤其是人工檢測全憑實際工作經驗,若部件結構複雜,不但增加了工人的勞動強度,而且精度、效(xiao)率(lv)也(ye)會(hui)隨(sui)之(zhi)降(jiang)低(di),既(ji)不(bu)能(neng)完(wan)成(cheng)非(fei)接(jie)觸(chu)檢(jian)測(ce),又(you)不(bu)能(neng)實(shi)現(xian)在(zai)線(xian)檢(jian)測(ce),同(tong)時(shi)還(hai)增(zeng)加(jia)了(le)檢(jian)測(ce)時(shi)給(gei)工(gong)作(zuo)人(ren)員(yuan)所(suo)帶(dai)來(lai)的(de)危(wei)險(xian)性(xing)。因(yin)此(ci),隨(sui)著(zhe)科(ke)技(ji)的(de)日(ri)新(xin)月(yue)異(yi),勢(shi)必(bi)要(yao)有(you)一(yi)種(zhong)更(geng)加(jia)完(wan)美(mei)的(de)檢(jian)測(ce)技(ji)術(shu),那(na)就(jiu)是(shi)CCD 技術。 在此,以一個基於CCD 在線非接觸檢測的實例——《拉升鋼絲繩直徑的在線檢測儀》對CCD 技術進行 一下探討。
2.係統組成
整個檢測係統由照明係統、被測工件係統、成像物鏡、CCD 光電檢測係統和計算機測控係統(8031 單片機和8279 鍵盤/顯示芯片等)構成。穩壓穩流調光電源為遠心照明係統提供穩定的照明光,被照明的工件經成像物鏡成像在線陣CCD 的光敏陣列麵上。由於工件不透光,工件的像在中間部分形成暗帶,兩側形成亮帶。 暗帶的寬度就是工件尺寸所成像的大小。線陣CCD 在驅動脈衝的作用下完成光電轉換並產生視頻信號。其係 統原理圖如圖1。
在本係統中要求的測量範圍為15mm~45mm,測量精度和相對要求較高,所以隻要選擇1000 像元以上 的線陣CCD 就可以滿足本測量係統的精度要求。因此本係統應選用TCD1206UD,它的有效像元數為2160,像元尺寸為0.014×0.014mm,像元中心距為0.014mm,足以滿足本測量係統的要求。
該器件的主要技術指標:
像元單元數2160 像元總長為30.24mm
像元中心距14μm 驅動頻率1MHz
行周期2.5ms 靈敏度45 V/lx·s
在1MHz 數據率情況下工作時,有效像元輸出時間為2.16ms,鋼絲繩直徑信號產生於2.16ms 期間。輸出信號的暗電平可控製在1.0V 左右。而高電平可接近10V,相差比較大。當光學係統調整得比較好時,圖像邊緣的信號比較陡,測量誤差較小。TCD1206UD 的工作原理和驅動電路如下:
[page]
(1)工作原理。 TCD1206UD 在圖2 所示的驅動脈衝作用下工作。當ΦSH 脈衝的高電平到來時,正值Φ1 電極下均形成深勢阱,同時ΦSH 的高電平使Φ1 電極下的深勢阱與MOS 電容存儲勢阱溝通。
如圖3 所示,MOS 電容中的信號電荷包通過轉移柵轉移到模擬移位寄存器的Φ1 電極下的勢阱中。當 ΦSH 由高變低時,ΦSH 低電平形成的淺勢阱將存儲柵下勢阱與Φ1 電極下的勢阱隔離開。存儲柵勢阱進入光 積分狀態,而模擬移位寄存器將在Φ1 與Φ2 脈衝的作用下驅使轉移到Φ1 電極下勢阱中的信號電荷向左轉移, 並經輸出電路由OS 電極輸出。由於結構上的安排,OS 端首先輸出13 個虛設單元信號,再輸出51 個暗信號, 然後才連續輸出S1 到S2160 的有效像素單元信號。第S2160 信號輸出後,又輸出9 個暗信號,再輸出2 個奇 偶檢測信號,以後便是空驅動。空驅動數目可以是任意的。由於該器件是兩列並行分奇、偶傳輸的,所以在 一個ΦSH 周期內至少要有1118 個Φ1 脈衝,即TSH>1118T1。ΦR 為複位級的複位脈衝,複位一次輸出一個 信號。
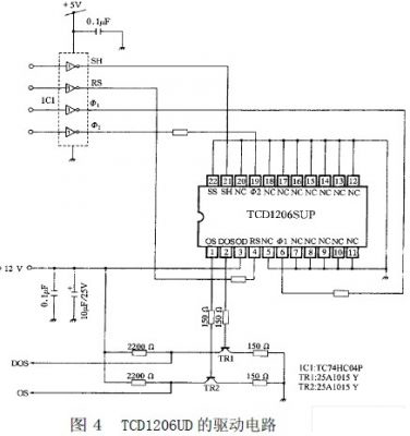
(2)驅動電路。TCD1206UD 的驅動電路如圖4 所示:
由晶體振蕩器構成的脈衝信號源產生主時鍾ΦM。ΦM 脈衝經或編程邏輯器件ISPLSI 產生ΦSH、Φ1、 Φ2、ΦR 四路驅動脈衝。在這四路驅動脈衝的作用下,TCD1206UD 輸出OS 信號及DOS 信號。將此二路輸出信號分別送到差分放大器LF357 的正、反輸入行差分放大,抑製掉共模的ΦR 引起的幹擾,得到圖3 所示的 信號波形。SP 及ΦC 是為用戶提供的控製脈衝,SP 與CCD 輸出的像元光電信號同步,可用來做采樣保持控製 信號。ΦC 的上升沿對應於CCD 的第一個有效像素單元S1,因而可以用作行同步。當然也可以用ΦSH 作行同 步,但由於CCD 首選輸出64 個虛設單元信號,所以采用ΦC 比采用ΦSH 更(geng)好(hao)。在(zai)此(ci)檢(jian)測(ce)係(xi)統(tong)中(zhong)的(de)照(zhao)明(ming)係(xi)統(tong)的(de)照(zhao)明(ming)光(guang)源(yuan)和(he)成(cheng)像(xiang)係(xi)統(tong)的(de)成(cheng)像(xiang)物(wu)鏡(jing)的(de)選(xuan)擇(ze)也(ye)是(shi)十(shi)分(fen)重(zhong)要(yao)的(de),在(zai)此(ci)隻(zhi)是(shi)對(dui)鋼(gang)絲(si)繩(sheng)的(de)一(yi)般(ban)檢(jian)測(ce),因(yin)此(ci)隻(zhi)需(xu)選(xuan)擇(ze)白(bai)熾(chi)燈(deng)或(huo)鹵(lu)素(su)燈(deng)作(zuo)為(wei)照(zhao)明(ming)光(guang)源(yuan)即(ji)可(ke);而成像物鏡,在此將選用放大率是β=1, f/=130mm、D/f/=0.5、2ω=140 的成像物鏡。
[page]
4.二值化數據采集與單片機接口
本係統是用於運動過程中的工件尺寸的檢測。由於工件在運動過程中會因擺動而發生位置變化,從而導致CCD 輸出的視頻信號幅值浮動,而且光源強度變化也會引起CCD 的視頻信號起伏變化,如果選用浮動閾值法,當由於上述原因引起CCD 的視頻信號起伏變化時,可以通過電路將光源的起伏或CCD 視頻信號的起伏變 化反饋到閾值上,使閾值電位跟著變化,從而使CCD 視頻信號經二值化電路後產生的方波脈衝的寬度基本不變。所以選用浮動閾值法的二值化處理方法。
CCD 驅動器除產生CCD 所需要的各種驅動脈衝,還要產生行同 步脈衝ΦC 和用作二值化計數的輸入脈衝Φt,要求ΦC 與SH 同周期,ΦC 的上升沿對應於CCD 輸出信號的第 一個有效像素單元,要求Φt 脈衝頻率是複位脈衝ΦR 頻率的整數倍。將定時器T0 的方式寄存器TMOD 的GATE 位置1,這裏定時器T0 受外部引腳輸入電平的控製,即INT0 控製T0 的運行。將二值化電路輸出的方波脈衝 信號和行同步脈衝ΦC 一起輸入“與”門,它們的輸出信號接到單片機的INT0 引腳,並由INT0 來控製單片 機定時器T0 的啟動,同時將複位脈衝ΦR 接到單片機的P3.4 引腳。當行同步脈衝ΦC 和二值化方波脈衝信號都出現高電平時,“與”門輸出的也是高電平,用這個高電平去啟動單片機的定時器T0 對複位脈衝ΦR 進 行記數,當行同步脈衝ΦC 和二值化方波脈衝信號有一個出現低電平時,“與”門輸出的Y 也為低電平,定時器T0 停止記數。這裏定時器T0 所記的數即為複位脈衝數,由於複位脈衝ΦR 與CCD 像元同周期,幫定時器 T0 所記的數即為二值化方波脈衝信號高電平所覆蓋像元數。這樣便完成了CCD 輸出信號的處理工作,在定時器T0 中記下了與工件尺寸有關的數據,即CCD 像元數。在光學係統中的放大率為1,所以用測量所得的像元 數去乘以CCD 的像元中心距,其結果就是在誤差允許範圍內的工作尺寸的真實值。
5.程序流程圖
由此程序流程圖便可以完成彙編程序的編製,在此不再詳述。
6.結束語
由於機械式、光學式、電磁式的測量儀器的製造技術已十分成熟,因此,在目前的檢測領域中,它們還占據著重要位置。但是相信隨著製造技術的提高,CCD 像感元件的製作成本將會隨之降低,而其精度卻會進 一步提高。到那時不管在精密檢測領域,還是在一般檢測係統中將會大量地應用CCD 技術,CCD 技術將成為將來檢測領域的主導技術。
- 基於CCD技術的非接觸在線檢測儀設計
- 探究CCD 光電檢測係統
- 基於CCD 在線非接觸檢測的實例來解決
1.引言
檢測技術是一門應用非常廣泛的技術。在許多領域都會對各種加工件、各種運動物體進行檢測,以保證產品的合格率和生產、生活的安全性。傳統的檢測方法有人工檢測,也有用機械式、光學式或電磁式檢測儀器進行的檢測。尤其是人工檢測全憑實際工作經驗,若部件結構複雜,不但增加了工人的勞動強度,而且精度、效(xiao)率(lv)也(ye)會(hui)隨(sui)之(zhi)降(jiang)低(di),既(ji)不(bu)能(neng)完(wan)成(cheng)非(fei)接(jie)觸(chu)檢(jian)測(ce),又(you)不(bu)能(neng)實(shi)現(xian)在(zai)線(xian)檢(jian)測(ce),同(tong)時(shi)還(hai)增(zeng)加(jia)了(le)檢(jian)測(ce)時(shi)給(gei)工(gong)作(zuo)人(ren)員(yuan)所(suo)帶(dai)來(lai)的(de)危(wei)險(xian)性(xing)。因(yin)此(ci),隨(sui)著(zhe)科(ke)技(ji)的(de)日(ri)新(xin)月(yue)異(yi),勢(shi)必(bi)要(yao)有(you)一(yi)種(zhong)更(geng)加(jia)完(wan)美(mei)的(de)檢(jian)測(ce)技(ji)術(shu),那(na)就(jiu)是(shi)CCD 技術。 在此,以一個基於CCD 在線非接觸檢測的實例——《拉升鋼絲繩直徑的在線檢測儀》對CCD 技術進行 一下探討。
2.係統組成
整個檢測係統由照明係統、被測工件係統、成像物鏡、CCD 光電檢測係統和計算機測控係統(8031 單片機和8279 鍵盤/顯示芯片等)構成。穩壓穩流調光電源為遠心照明係統提供穩定的照明光,被照明的工件經成像物鏡成像在線陣CCD 的光敏陣列麵上。由於工件不透光,工件的像在中間部分形成暗帶,兩側形成亮帶。 暗帶的寬度就是工件尺寸所成像的大小。線陣CCD 在驅動脈衝的作用下完成光電轉換並產生視頻信號。其係 統原理圖如圖1。

3.CCD 光電檢測係統
在CCD 光電檢測係統中,CCD 的選型是十分重要的。CCD 的種類繁多,而且它們都有各自的特點和不同的應用,所以CCD 型號的正確與否將直接影響到所測信息的正確與否。在本係統中要求的測量範圍為15mm~45mm,測量精度和相對要求較高,所以隻要選擇1000 像元以上 的線陣CCD 就可以滿足本測量係統的精度要求。因此本係統應選用TCD1206UD,它的有效像元數為2160,像元尺寸為0.014×0.014mm,像元中心距為0.014mm,足以滿足本測量係統的要求。
該器件的主要技術指標:
像元單元數2160 像元總長為30.24mm
像元中心距14μm 驅動頻率1MHz
行周期2.5ms 靈敏度45 V/lx·s
在1MHz 數據率情況下工作時,有效像元輸出時間為2.16ms,鋼絲繩直徑信號產生於2.16ms 期間。輸出信號的暗電平可控製在1.0V 左右。而高電平可接近10V,相差比較大。當光學係統調整得比較好時,圖像邊緣的信號比較陡,測量誤差較小。TCD1206UD 的工作原理和驅動電路如下:

(1)工作原理。 TCD1206UD 在圖2 所示的驅動脈衝作用下工作。當ΦSH 脈衝的高電平到來時,正值Φ1 電極下均形成深勢阱,同時ΦSH 的高電平使Φ1 電極下的深勢阱與MOS 電容存儲勢阱溝通。
如圖3 所示,MOS 電容中的信號電荷包通過轉移柵轉移到模擬移位寄存器的Φ1 電極下的勢阱中。當 ΦSH 由高變低時,ΦSH 低電平形成的淺勢阱將存儲柵下勢阱與Φ1 電極下的勢阱隔離開。存儲柵勢阱進入光 積分狀態,而模擬移位寄存器將在Φ1 與Φ2 脈衝的作用下驅使轉移到Φ1 電極下勢阱中的信號電荷向左轉移, 並經輸出電路由OS 電極輸出。由於結構上的安排,OS 端首先輸出13 個虛設單元信號,再輸出51 個暗信號, 然後才連續輸出S1 到S2160 的有效像素單元信號。第S2160 信號輸出後,又輸出9 個暗信號,再輸出2 個奇 偶檢測信號,以後便是空驅動。空驅動數目可以是任意的。由於該器件是兩列並行分奇、偶傳輸的,所以在 一個ΦSH 周期內至少要有1118 個Φ1 脈衝,即TSH>1118T1。ΦR 為複位級的複位脈衝,複位一次輸出一個 信號。


[page]
4.二值化數據采集與單片機接口
本係統是用於運動過程中的工件尺寸的檢測。由於工件在運動過程中會因擺動而發生位置變化,從而導致CCD 輸出的視頻信號幅值浮動,而且光源強度變化也會引起CCD 的視頻信號起伏變化,如果選用浮動閾值法,當由於上述原因引起CCD 的視頻信號起伏變化時,可以通過電路將光源的起伏或CCD 視頻信號的起伏變 化反饋到閾值上,使閾值電位跟著變化,從而使CCD 視頻信號經二值化電路後產生的方波脈衝的寬度基本不變。所以選用浮動閾值法的二值化處理方法。
CCD 驅動器除產生CCD 所需要的各種驅動脈衝,還要產生行同 步脈衝ΦC 和用作二值化計數的輸入脈衝Φt,要求ΦC 與SH 同周期,ΦC 的上升沿對應於CCD 輸出信號的第 一個有效像素單元,要求Φt 脈衝頻率是複位脈衝ΦR 頻率的整數倍。將定時器T0 的方式寄存器TMOD 的GATE 位置1,這裏定時器T0 受外部引腳輸入電平的控製,即INT0 控製T0 的運行。將二值化電路輸出的方波脈衝 信號和行同步脈衝ΦC 一起輸入“與”門,它們的輸出信號接到單片機的INT0 引腳,並由INT0 來控製單片 機定時器T0 的啟動,同時將複位脈衝ΦR 接到單片機的P3.4 引腳。當行同步脈衝ΦC 和二值化方波脈衝信號都出現高電平時,“與”門輸出的也是高電平,用這個高電平去啟動單片機的定時器T0 對複位脈衝ΦR 進 行記數,當行同步脈衝ΦC 和二值化方波脈衝信號有一個出現低電平時,“與”門輸出的Y 也為低電平,定時器T0 停止記數。這裏定時器T0 所記的數即為複位脈衝數,由於複位脈衝ΦR 與CCD 像元同周期,幫定時器 T0 所記的數即為二值化方波脈衝信號高電平所覆蓋像元數。這樣便完成了CCD 輸出信號的處理工作,在定時器T0 中記下了與工件尺寸有關的數據,即CCD 像元數。在光學係統中的放大率為1,所以用測量所得的像元 數去乘以CCD 的像元中心距,其結果就是在誤差允許範圍內的工作尺寸的真實值。
5.程序流程圖
由此程序流程圖便可以完成彙編程序的編製,在此不再詳述。


由於機械式、光學式、電磁式的測量儀器的製造技術已十分成熟,因此,在目前的檢測領域中,它們還占據著重要位置。但是相信隨著製造技術的提高,CCD 像感元件的製作成本將會隨之降低,而其精度卻會進 一步提高。到那時不管在精密檢測領域,還是在一般檢測係統中將會大量地應用CCD 技術,CCD 技術將成為將來檢測領域的主導技術。
特別推薦
- 噪聲中提取真值!瑞盟科技推出MSA2240電流檢測芯片賦能多元高端測量場景
- 10MHz高頻運行!氮矽科技發布集成驅動GaN芯片,助力電源能效再攀新高
- 失真度僅0.002%!力芯微推出超低內阻、超低失真4PST模擬開關
- 一“芯”雙電!聖邦微電子發布雙輸出電源芯片,簡化AFE與音頻設計
- 一機適配萬端:金升陽推出1200W可編程電源,賦能高端裝備製造
技術文章更多>>
- 築基AI4S:摩爾線程全功能GPU加速中國生命科學自主生態
- 一秒檢測,成本降至萬分之一,光引科技把幾十萬的台式光譜儀“搬”到了手腕上
- AI服務器電源機櫃Power Rack HVDC MW級測試方案
- 突破工藝邊界,奎芯科技LPDDR5X IP矽驗證通過,速率達9600Mbps
- 通過直接、準確、自動測量超低範圍的氯殘留來推動反滲透膜保護
技術白皮書下載更多>>
- 車規與基於V2X的車輛協同主動避撞技術展望
- 數字隔離助力新能源汽車安全隔離的新挑戰
- 汽車模塊拋負載的解決方案
- 車用連接器的安全創新應用
- Melexis Actuators Business Unit
- Position / Current Sensors - Triaxis Hall
熱門搜索
微波功率管
微波開關
微波連接器
微波器件
微波三極管
微波振蕩器
微電機
微調電容
微動開關
微蜂窩
位置傳感器
溫度保險絲
溫度傳感器
溫控開關
溫控可控矽
聞泰
穩壓電源
穩壓二極管
穩壓管
無焊端子
無線充電
無線監控
無源濾波器
五金工具
物聯網
顯示模塊
顯微鏡結構
線圈
線繞電位器
線繞電阻



