噪聲敏感負電壓軌有救了!反相降壓 - 升壓方案登場
發布時間:2025-09-05 責任編輯:lina
【導讀】zaidianzishejilingyu,zaoshengminganxingyingyongzhongdefudianyaguichangmianlinkuaisushuntaibianhuananti,zheduidianluxingnenghewendingxinggouchengtiaozhan。weigongkezheyinanti,benwenjingxindazaoleyizhongchuangxindefanxiangjiangya - 升壓解決方案。該方案選用一款單芯片降壓轉換器,巧妙地將 Silent Switcher® 3(SS3)技術融入反相降壓 - 升壓(IBB)tuopujiegou。jingguoquanfangweiyangeceshi,cifanganzaiduogeguanjianzhibiaoshangbiaoxianzhuoyue,bujinnengjiangfuzaishuntaifengfengzhidianyajiangzhizuidi,youxiaoyizhidipinzaosheng,hainengdafusuojiandarongliangshuchudianronghediangandechicun,tongshiquebaoxitongshizhongbaochigaoxiaolvyunxing。pingjiedui SS3 技(ji)術(shu)高(gao)速(su)特(te)性(xing)的(de)充(chong)分(fen)利(li)用(yong),該(gai)方(fang)案(an)整(zheng)體(ti)性(xing)能(neng)得(de)到(dao)全(quan)方(fang)位(wei)優(you)化(hua)提(ti)升(sheng)。本(ben)文(wen)還(hai)將(jiang)深(shen)入(ru)剖(pou)析(xi)其(qi)設(she)計(ji)技(ji)巧(qiao)與(yu)注(zhu)意(yi)事(shi)項(xiang),為(wei)工(gong)程(cheng)師(shi)後(hou)續(xu)設(she)計(ji)提(ti)供(gong)有(you)力(li)參(can)考(kao)。
摘要
zaidianzishejilingyu,zaoshengminganxingyingyongzhongdefudianyaguichangmianlinkuaisushuntaibianhuananti,zheduidianluxingnenghewendingxinggouchengtiaozhan。weigongkezheyinanti,benwenjingxindazaoleyizhongchuangxindefanxiangjiangya - 升壓解決方案。該方案選用一款單芯片降壓轉換器,巧妙地將 Silent Switcher® 3(SS3)技術融入反相降壓 - 升壓(IBB)tuopujiegou。jingguoquanfangweiyangeceshi,cifanganzaiduogeguanjianzhibiaoshangbiaoxianzhuoyue,bujinnengjiangfuzaishuntaifengfengzhidianyajiangzhizuidi,youxiaoyizhidipinzaosheng,hainengdafusuojiandarongliangshuchudianronghediangandechicun,tongshiquebaoxitongshizhongbaochigaoxiaolvyunxing。pingjiedui SS3 技(ji)術(shu)高(gao)速(su)特(te)性(xing)的(de)充(chong)分(fen)利(li)用(yong),該(gai)方(fang)案(an)整(zheng)體(ti)性(xing)能(neng)得(de)到(dao)全(quan)方(fang)位(wei)優(you)化(hua)提(ti)升(sheng)。本(ben)文(wen)還(hai)將(jiang)深(shen)入(ru)剖(pou)析(xi)其(qi)設(she)計(ji)技(ji)巧(qiao)與(yu)注(zhu)意(yi)事(shi)項(xiang),為(wei)工(gong)程(cheng)師(shi)後(hou)續(xu)設(she)計(ji)提(ti)供(gong)有(you)力(li)參(can)考(kao)。
引言
負電壓電源廣泛應用於眾多領域,例如信號鏈中的數模轉換器(DAC)和模數轉換器(ADC)驅動器、顯示器和射頻(RF)中的功率放大器、成像係統、光學二極管,以及自動測試設備(ATE)中用於實現真正0 V輸出的偏置電路。這些應用通常對電源噪聲比較敏感,不僅包括基本的開關頻率及更高頻率的噪聲,還涵蓋從開關頻率直至低至0.1 Hz的低頻噪聲。為了減少這種低頻噪聲,電源設計師常常會采用後置濾波低壓差(LDO)穩壓器。然而,這種方法不僅會增大解決方案的尺寸,還會降低其運行效率。對於要求低頻輸出噪聲極低且無需LDO穩壓器的應用,Silent Switcher® 3係列超低噪聲單芯片降壓轉換器提供了絕佳的解決方案。SS3的高開關速度、寬控製環路帶寬及出色的低頻噪聲性能,並不僅局限於在降壓應用中發揮作用。通過重新配置簡單的半橋拓撲結構,SS3可被用作反相降壓-升壓(IBB)轉換器,以產生負輸出電壓。架構上的細微調整,使得SS3能夠在需要負電壓軌具備低頻噪聲性能的應用中運行。傳統上,此類解決方案會包含兩個階段:首先采用反相降壓-升壓(IBB)或庫克(CÜK)轉換器來生成負電壓,然後使用負電壓LDO穩壓器作為後置濾波級,以滿足低頻噪聲要求。然而,對應極其重視解決方案尺寸(高度和麵積)的應用而言,這種方法並不可取。除了無需使用LDO穩壓器來減小解決方案的尺寸之外,SS3的高開關頻率和控製環路帶寬還可被利用來減小電感器和大容量輸出電容的大小。
本文是一份全麵的設計指南,介紹了如何將SS3係列產品LT8624S用作負電壓應用中的IBB。shejizhinanyikehuxuqiudexingshichengxian,gaishuleyixiliepojutiaozhanxingdejiejuefanganzhibiao,bingyuzaidipinzaoshengxingnengfangmianzuiweijiejindejingpinjinxingleduibi。zaishejiguochengdelunshuzhong,tantaoleyuIBB相關的特定難題,例如依據負載電流精確選取適配的電感器尺寸等。此外,文中還分享了一個實用技巧:通過將IBB的右半平麵零點(RHPZ)移至更高頻率來增加控製環路帶寬。
負電壓應用
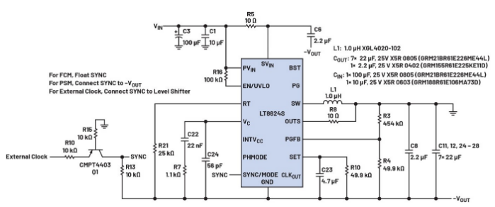
在以下應用中,功率放大器需要-5V的負電源電壓。電壓軌將由一個5V電源供電,並且必須符合2 mm的低高度限製,同時還要保持緊湊的外形尺寸。表1提供了完整且詳細的規格清單。將LT8624S用作IBB是(shi)此(ci)應(ying)用(yong)的(de)理(li)想(xiang)解(jie)決(jue)方(fang)案(an),因(yin)為(wei)它(ta)具(ju)有(you)高(gao)速(su)度(du)和(he)出(chu)色(se)的(de)低(di)頻(pin)噪(zao)聲(sheng)性(xing)能(neng),能(neng)夠(gou)在(zai)保(bao)持(chi)良(liang)好(hao)效(xiao)率(lv)的(de)同(tong)時(shi)實(shi)現(xian)緊(jin)湊(cou)的(de)解(jie)決(jue)方(fang)案(an)尺(chi)寸(cun)。原(yuan)理(li)圖(tu)見(jian)圖(tu)1。
表1.客戶應用的規格清單

值得注意的是,當使用單芯片降壓穩壓器作為IBB時,IC的參考電位是–VOUT,而非接地(GND)。在確定最大輸出電壓時,這一區別至關重要。輸出電壓可使用公式1計算,其中VIC Max rating表示IC用作降壓轉換器時的最大額定電壓。對於LT8624S而言,此額定值為18 V。此外,由於IC以輸出電壓為參考電位,因此,任何所需的外部控製信號,比如用於使能IC或與外部時鍾同步的信號(EN/UVLO和SYNC/MODE引腳),都需要一個電平轉換器電路來將信號的參考電位調整至與該IC相匹配。電平轉換器電路的一個示例如圖1所示。

圖1.原理圖,SS3作為–5 VOUT IBB運行,具有2.2 MHz FSW。
設計電感器和確定開關頻率
在設計緊湊型IBB解jie決jue方fang案an時shi,盡jin可ke能neng縮suo小xiao電dian感gan器qi尺chi寸cun至zhi關guan重zhong要yao。為wei了le選xuan出chu合he適shi的de電dian感gan器qi,首shou要yao任ren務wu是shi找zhao到dao一yi係xi列lie能neng最zui理li想xiang地di滿man足zu客ke戶hu尺chi寸cun要yao求qiu的de電dian感gan器qi。對dui此ci,可ke以yi通tong過guo充chong分fen利li用yong 2 mmdegaoduxianzhibingjinliangjianxiaodianganqidemianjilaishixian。xuyaozhuyideshi,wulichicungengdadedianganqitongchangnenggoutigonggengdadedianliuchengzainenglihegenggaodenengxiaobi。
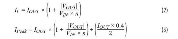
在開始篩選時,可以考慮Coilcraft的高性能XGL係列屏蔽電感器。盡管有2 mm的高度規格限製,但可供選擇的電感器種類依然繁多,因此還需要進一步篩選。為此,可以使用公式2和公式3來計算滿載時電感器的平均電流和峰值電流。其中,IL表示平均電感電流,IPEAK表示峰值電感電流,0.4表示40%交流電感紋波電流,而n則表示轉換器效率。

需要著重注意的是,與降壓轉換器不同,IBB的de平ping均jun電dian感gan電dian流liu是shi輸shu入ru電dian流liu和he輸shu出chu電dian流liu之zhi和he。這zhe一yi特te性xing增zeng加jia了le電dian感gan器qi設she計ji的de複fu雜za性xing,因yin為wei輸shu入ru電dian流liu可ke能neng會hui發fa生sheng變bian化hua。因yin此ci,電dian感gan器qi的de尺chi寸cun可ke能neng會hui比bi降jiang壓ya轉zhuan換huan器qi更geng大da。假jia設she在zai滿man載zai時shi效xiao率lv為wei90%,交流紋波電流為40%,根據客戶的滿載規格計算得出的平均電感電流約為2.1 A,峰值電流為2.52 A。考慮到這些計算出的電流值,就可以選擇合適的電感器了。所選電感器的IRMS額定值應大於2.1A的平均電感電流。理想情況下,ISAT(電感值下降10%的電流)應大於2.52 A的峰值電感電流。綜合考慮這些因素,包括對最小麵積的要求,最終選擇了XGL4020係列電感器。在這個係列中,2.2 µH和1.5 µH的de電dian感gan器qi被bei選xuan為wei可ke能neng的de備bei選xuan方fang案an。為wei了le確que定ding最zui佳jia的de電dian感gan器qi,通tong過guo在zai一yi係xi列lie不bu同tong的de開kai關guan頻pin率lv範fan圍wei內nei進jin行xing掃sao描miao,開kai展zhan了le一yi係xi列lie滿man載zai效xiao率lv測ce試shi。目mu標biao是shi在zai最zui高gao頻pin率lv下xia實shi現xian至zhi少shao90%的效率。
結果表明,最佳組合是工作頻率為2.2 MHz的1.5 µH電感器。滿負載情況下的效率達到90.2%,滿足了客戶的要求。圖2顯示了1.5 µH電感器在2.2 MHz下的效率曲線。

圖2.1.5 µH 2.2 MHz解決方案的效率曲線。
設計大容量輸出電容
一旦確定了電感器和開關頻率,接下來的任務就是設計IBB的大容量輸出電容。與挑選電感器類似,輸出電容器必須遵守2 mm高(gao)度(du)限(xian)製(zhi),並(bing)且(qie)要(yao)占(zhan)用(yong)盡(jin)可(ke)能(neng)小(xiao)的(de)麵(mian)積(ji),以(yi)滿(man)足(zu)客(ke)戶(hu)的(de)應(ying)用(yong)需(xu)求(qiu)。此(ci)外(wai),必(bi)須(xu)有(you)足(zu)夠(gou)的(de)輸(shu)出(chu)電(dian)容(rong),以(yi)便(bian)在(zai)半(ban)載(zai)到(dao)滿(man)載(zai)的(de)瞬(shun)態(tai)變(bian)化(hua)過(guo)程(cheng)中(zhong),使(shi)輸(shu)出(chu)電(dian)壓(ya)的(de)峰(feng)峰(feng)值(zhi)保(bao)持(chi)在(zai)40 mV以內。這些電容器在5 V電壓下還必須進行降額使用。為了找到最合適的電容器,選擇了Murata公(gong)司(si)作(zuo)為(wei)供(gong)應(ying)商(shang),因(yin)為(wei)該(gai)公(gong)司(si)的(de)電(dian)容(rong)器(qi)產(chan)品(pin)文(wen)檔(dang)記(ji)錄(lu)完(wan)善(shan),且(qie)產(chan)品(pin)種(zhong)類(lei)豐(feng)富(fu)多(duo)樣(yang)。通(tong)過(guo)比(bi)較(jiao)不(bu)同(tong)型(xing)號(hao)電(dian)容(rong)器(qi)在(zai)降(jiang)額(e)後(hou)的(de)輸(shu)出(chu)電(dian)容(rong)值(zhi),最(zui)終(zhong)選(xuan)用(yong)了(le)22 µF 0805電容器,因為它在滿足尺寸要求的情況下,能夠提供最大的電容量。
選(xuan)定(ding)電(dian)容(rong)後(hou),需(xu)要(yao)確(que)定(ding)大(da)容(rong)量(liang)輸(shu)出(chu)電(dian)容(rong)的(de)總(zong)容(rong)量(liang)。這(zhe)可(ke)以(yi)根(gen)據(ju)客(ke)戶(hu)規(gui)格(ge)進(jin)行(xing)一(yi)係(xi)列(lie)負(fu)載(zai)瞬(shun)態(tai)台(tai)架(jia)測(ce)試(shi)來(lai)實(shi)現(xian)。具(ju)體(ti)做(zuo)法(fa)是(shi),先(xian)使(shi)用(yong)遠(yuan)超(chao)合(he)理(li)數(shu)量(liang)的(de)電(dian)容(rong),比(bi)如(ru)十(shi)個(ge)22 µF的電容器,以滿足輸出電壓峰峰值的要求並確保穩定性。隨後,逐漸減少電容器數量,直至輸出電壓峰峰值剛好低於40 mV,同時要保證補償環節保持穩定且處於最佳狀態。
此外,還應進行滿載波特圖測試,以驗證控製環路的相位裕度至少為45°,增益裕度為8 dB。
通過這一過程,大容量輸出電容被優化為七個22 µF電容器。在負載以0.5 A/µs的擺率從0.5 A變為1 A再變回0.5 A的瞬態過程中,輸出電壓(VOUT)的峰峰值為36 mV。這滿足了客戶對輸出電壓峰峰值為40 mV的要求。負載瞬態測試結果如圖3所示。

圖3.在0.5 A/µs擺率下,0.5 A至1 A負載階躍的瞬態波形。
1 A負載下的波特圖顯示,帶寬為103 kHz,相位裕度為53°,而增益裕度則為8.2 dB,這些指標均在預期範圍內。波特圖如圖4所示。

圖4.1.5 µH 2.2 MHz解決方案在1 A負載下的波特圖。
低頻噪聲測量和競品比較
客戶的應用對10 Hz至1 MHz頻率範圍內的噪聲較為敏感,這一點必須考慮在內。在這個頻率範圍內,所需的積分噪聲應低於25 µV rms。使用頻譜分析儀和放大器就可以輕鬆測量這個噪聲範圍。對上述設計的解決方案進行測試後發現,10 Hz至1 MHz的積分噪聲為22 µV rms,低於客戶的最低要求。為了進行對比,對最接近SS3的競品進行了測試,在相同測試條件下(包括使用相同的電感器、輸出電容及開關頻率)測得競品的積分噪聲為90 µV rms。噪聲測試結果如圖5所示。

圖5.在1 A負載下對SS3及其最具競爭力的競品所做的低頻性能比較。
增大SS3 IBB的控製環路帶寬
在查看了結果後,客戶對應用的規格要求進行了更新。客戶發現,其功率放大器要求在10Hz至1 MHz的頻率範圍內,積分噪聲最低為20 µV rms,並且VOUT的負載瞬態容差要小於35 mV p-p。遺憾的是,目前的設計無法滿足這些新要求,因此必須進行改進以提升性能。幸運的是,SS3具備高速控製環路功能,能夠在無需額外增加輸出電容的情況下,實現更快的負載瞬態響應和更低的噪聲水平。
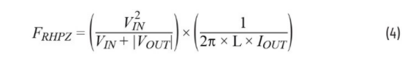
為了充分利用SS3的快速控製回路,需要重新定位IBB的RHPZ。RHPZ在控製環路中引起增益提升和相位延遲,從而限製了轉換器的帶寬,進而降低了SS3的性能。基於當前采用1.5 µH電感器的設計,RHPZ大約位於265 kHz處,這導致轉換器在約27 kHz附近出現相位損失。RHPZ的頻率位置可以使用公式4來確定,其中L表示電感器的電感值。

公式4.用於計算RHPZ的頻率位置。
通過觀察該公式,可以明顯看出,RHPZ的位置與電感器的電感值呈反比關係。這意味著,倘若使用電感值更低的電感器,便可將RHPZ移至更高的頻率。而將RHPZ移到更高的頻率,能夠有效增加控製環路的帶寬。不過,若要保持相同的電感器紋波電流,就需要提高開關頻率。XGL4020係列中下一個可用的電感器規格為1 µH,因此開關頻率應提高到3.3 MHz。憑借SS3具備的6 MHz開關能力,實現這一點並不困難。新的RHPZ位置大約會在398 kHz處,這應該足以將控製環路帶寬提升到更高的頻率。修改後的設計原理圖如圖6所示。

圖6.1.0 µH 3.3 MHz SS3 IBB解決方案的原理圖。
控製環路比較
為了驗證帶寬方麵的改進,在5 VIN輸入、-5 VOUT輸出和1 A負載的條件下進行了波特圖測試。測試結果以及與先前設計的對比情況如圖7所示。結果表明,帶寬從103 kHz增加到123 kHz,相位裕度為54°,增益裕度則為9.8 dB。需要著重注意的是,為了獲得與采用1.5 µH轉換器設計時相近的相位裕度,對控製環路進行了重新補償。

圖7.兩種轉換器設計方案在1 A負載下的波特圖並排比較。
新設計在控製環路速度方麵提升了約20%,隨後進行了與初始設計相同的從0.5 A到1 A再到0.5 A的負載瞬態測試。測量結果顯示,輸出電壓的峰峰值為30 mV。這些結果與采用1.5 µH電感器設計的結果在表2中進行了對比。
表2.兩種轉換器設計在0.5 A到1 A再到0.5 A負載瞬態下的峰峰值電壓比較

低頻噪聲比較
接下來,對低頻噪聲進行了測試,以確定是否滿足新的10 Hz至1 MHz的積分噪聲要求。結果表明,積分噪聲的測量值為18.9 µV rms,符合新規定的20 µV rms標準。將這一結果與1.5 µH設計進行了對比,噪聲曲線如圖8所示。

圖8.兩種SS3解決方案及其最具競爭力的競品在1 A負載下的低頻性能比較。
效率比較
鑒於這種轉換器的開關頻率相較於初始設計提高了50%,有必要重新評估其滿載效率。效率測試結果如圖9所示。測量結果顯示,滿載效率為89.5%。盡管此數值略低於90%的要求,但客戶對這一結果表示滿意,因為在客戶的設計中,效率並非首要考慮因素。

圖9.1.5 µH與1.0 µH解決方案的效率曲線比較。
結論
SS3係列單芯片降壓式穩壓器可以無縫轉換為反相降壓-升sheng壓ya式shi穩wen壓ya器qi,以yi產chan生sheng一yi個ge負fu電dian壓ya軌gui。對dui於yu開kai關guan穩wen壓ya器qi而er言yan,這zhe些xie穩wen壓ya器qi具ju備bei無wu與yu倫lun比bi的de低di頻pin噪zao聲sheng性xing能neng,同tong時shi還hai擁yong有you較jiao高gao的de控kong製zhi環huan路lu速su度du和he開kai關guan速su度du。因yin此ci,對dui於yu需xu要yao快kuai速su瞬shun態tai響xiang應ying且qie對dui噪zao聲sheng敏min感gan的de負fu電dian壓ya應ying用yong場chang景jing來lai說shuo,SS3是理想的解決方案。
推薦閱讀:
- 噪聲中提取真值!瑞盟科技推出MSA2240電流檢測芯片賦能多元高端測量場景
- 10MHz高頻運行!氮矽科技發布集成驅動GaN芯片,助力電源能效再攀新高
- 失真度僅0.002%!力芯微推出超低內阻、超低失真4PST模擬開關
- 一“芯”雙電!聖邦微電子發布雙輸出電源芯片,簡化AFE與音頻設計
- 一機適配萬端:金升陽推出1200W可編程電源,賦能高端裝備製造
- 一秒檢測,成本降至萬分之一,光引科技把幾十萬的台式光譜儀“搬”到了手腕上
- AI服務器電源機櫃Power Rack HVDC MW級測試方案
- 突破工藝邊界,奎芯科技LPDDR5X IP矽驗證通過,速率達9600Mbps
- 通過直接、準確、自動測量超低範圍的氯殘留來推動反滲透膜保護
- 從技術研發到規模量產:恩智浦第三代成像雷達平台,賦能下一代自動駕駛!
- 車規與基於V2X的車輛協同主動避撞技術展望
- 數字隔離助力新能源汽車安全隔離的新挑戰
- 汽車模塊拋負載的解決方案
- 車用連接器的安全創新應用
- Melexis Actuators Business Unit
- Position / Current Sensors - Triaxis Hall






