人形機器人中的電機控製
發布時間:2025-03-03 責任編輯:lina
【導讀】製造業和服務行業對更高自動化水平的需求不斷增長,推動了人形機器人的開發。人形機器人變得更加複雜和精確,自由度 (DOF) 變得更高,並且對周圍環境的響應時間(按毫秒計)縮短,從而能更好地模仿人類的動作。圖 1 展示了人形機器人的典型電機和運動功能。
從科幻走入現實,人形機器人正經曆一場靜默而深刻的技術革命:更高效的能源控製、更精準的運動算法、更高速的通信架構、更智能的環境感知能力......這些變革正在重塑機器人的“骨骼”、“神經”與“感官”。 歡迎來到 《人形機器人專題》 我們將為大家帶來四篇係列文章, 從不同方麵對人形機器人進行知識解析,本文將聚焦人形機器人中的電機控製。
引言
製造業和服務行業對更高自動化水平的需求不斷增長,推動了人形機器人的開發。人形機器人變得更加複雜和精確,自由度 (DOF) 變得更高,並且對周圍環境的響應時間(按毫秒計)縮短,從而能更好地模仿人類的動作。圖 1 展示了人形機器人的典型電機和運動功能。
圖 1:顯示人形機器人 DOF 變得更高的位置
具有更高的 DOF 意味著人形機器人需要更多的電機驅動器。機器人設計中的驅動器位置決定了不同的驅動器要求。部分關鍵規格是:
· 通信接口架構
· 位置感測
· 電機類型
· 電機控製算法
· 功率級要求
· 電子電路尺寸
· 功能安全注意事項
目(mu)前(qian),雖(sui)然(ran)針(zhen)對(dui)協(xie)作(zuo)機(ji)器(qi)人(ren)和(he)工(gong)業(ye)機(ji)器(qi)人(ren)製(zhi)定(ding)了(le)相(xiang)關(guan)標(biao)準(zhun),但(dan)沒(mei)有(you)規(gui)定(ding)人(ren)形(xing)機(ji)器(qi)人(ren)功(gong)能(neng)安(an)全(quan)要(yao)求(qiu)的(de)標(biao)準(zhun)。隨(sui)著(zhe)需(xu)求(qiu)的(de)持(chi)續(xu)增(zeng)長(chang),預(yu)計(ji)標(biao)準(zhun)機(ji)構(gou)將(jiang)來(lai)會(hui)為(wei)人(ren)形(xing)機(ji)器(qi)人(ren)規(gui)定(ding)安(an)全(quan)要(yao)求(qiu)。在(zai)規(gui)定(ding)安(an)全(quan)要(yao)求(qiu)之(zhi)前(qian),人(ren)形(xing)機(ji)器(qi)人(ren)設(she)計(ji)人(ren)員(yuan)必(bi)須(xu)對(dui)當(dang)前(qian)係(xi)統(tong)設(she)計(ji)進(jin)行(xing)相(xiang)應(ying)調(tiao)查(zha),從(cong)而(er)在(zai)將(jiang)來(lai)盡(jin)可(ke)能(neng)減(jian)少(shao)因(yin)重(zhong)新(xin)設(she)計(ji)所(suo)帶(dai)來(lai)的(de)工(gong)作(zuo)。ISO 13482、ISO 10218 和 ISO 3691-4 可以闡明未來的預期。
通信接口架構
鑒於驅動器在機器人中的位置,因此優化與所有驅動器的通信,同時最大限度地減少布線數量非常重要。實現優化的備選方法有很多;最常用的方法是菊花鏈通信和線性總線拓撲,如圖 2 和圖 3 所示。
圖 2:菊花鏈通信
圖 3:線性總線拓撲
選擇拓撲後,為了實現足夠的驅動器響應時間,需要考慮帶寬、時(shi)序(xu)和(he)延(yan)遲(chi)要(yao)求(qiu)。響(xiang)應(ying)時(shi)間(jian)可(ke)以(yi)根(gen)據(ju)規(gui)定(ding)的(de)數(shu)據(ju)幀(zhen)大(da)小(xiao)確(que)定(ding)需(xu)要(yao)哪(na)種(zhong)支(zhi)持(chi)實(shi)時(shi)通(tong)信(xin)的(de)通(tong)信(xin)協(xie)議(yi)。通(tong)信(xin)接(jie)口(kou)的(de)帶(dai)寬(kuan)要(yao)求(qiu)也(ye)會(hui)受(shou)到(dao)以(yi)下(xia)方(fang)麵(mian)決(jue)定(ding)的(de)影(ying)響(xiang):如何在分散式電機驅動器、集中式和外部機器人運動控製器之間拆分電機控製算法,從而最大限度地減小節點之間所需的通信幀大小。
通常,通信係統的最低帶寬要求約為 8Mbit。但是,隨著設計趨勢的發展變化,這些趨勢表明對係統診斷和安全功能的要求在不斷提高。
根據係統要求,人形機器人係統中通常使用的通信接口基於 CAN-FD 或以太網(包括 EtherCAT)。TI 提供物理層 (PHY) 收發器和嵌入式處理器,旨在支持這些通信協議。
CAN 收發器和以太網 IC 是人形機器人係統開發中使用的器件。
位置檢測
人(ren)形(xing)機(ji)器(qi)人(ren)在(zai)運(yun)動(dong)時(shi),必(bi)須(xu)接(jie)收(shou)電(dian)機(ji)位(wei)置(zhi)數(shu)據(ju)以(yi)定(ding)義(yi)路(lu)徑(jing)規(gui)劃(hua)。位(wei)置(zhi)數(shu)據(ju)可(ke)實(shi)現(xian)人(ren)形(xing)機(ji)器(qi)人(ren)受(shou)控(kong)的(de)移(yi)動(dong)。為(wei)了(le)以(yi)高(gao)精(jing)度(du)實(shi)現(xian)受(shou)控(kong)移(yi)動(dong),機(ji)器(qi)人(ren)必(bi)須(xu)配(pei)備(bei)轉(zhuan)子(zi)位(wei)置(zhi)傳(chuan)感(gan)器(qi)以(yi)在(zai)電(dian)機(ji)上(shang)捕(bu)獲(huo)信(xin)息(xi),並(bing)能(neng)夠(gou)通(tong)過(guo)電(dian)機(ji)驅(qu)動(dong)器(qi)高(gao)效(xiao)地(di)將(jiang)信(xin)息(xi)傳(chuan)遞(di)到(dao)中(zhong)央(yang)處(chu)理(li)計(ji)算(suan)機(ji)。根(gen)據(ju)所(suo)需(xu)的(de)電(dian)機(ji)精(jing)度(du),使(shi)用(yong)多(duo)種(zhong)轉(zhuan)子(zi)位(wei)置(zhi)傳(chuan)感(gan)器(qi)。下(xia)麵(mian)是(shi)一(yi)些(xie)最(zui)常(chang)用(yong)的(de)編(bian)碼(ma)器(qi):
· 光學編碼器
· 磁性編碼器
· 增量編碼器
· SIN/COS 旋轉變壓器
這zhe些xie編bian碼ma器qi具ju有you不bu同tong的de接jie口kou來lai連lian接jie至zhi驅qu動dong器qi並bing提ti供gong轉zhuan子zi角jiao度du數shu據ju,在zai進jin行xing位wei置zhi控kong製zhi時shi需xu要yao使shi用yong這zhe些xie數shu據ju。這zhe些xie接jie口kou需xu要yao特te定ding的de硬ying件jian,因yin此ci電dian機ji控kong製zhi處chu理li器qi至zhi少shao需xu要yao支zhi持chi以yi下xia編bian碼ma器qi配pei置zhi之zhi一yi:
· 專用串行接口,如 BiSS、Endat、Hiperface 或其他數字絕對編碼器
· 具有采樣保持功能且適用於旋轉變壓器接口的 ADC 轉換器
· 增量編碼器的正交編碼器脈衝
· 用於接合磁性編碼器的串行接口
一個電機可能需要多個編碼器,具體取決於電機和電機傳動裝置的實現方式。TI 提供模擬和處理器 IC 來實現編碼器接口係統。在位置感測方法中使用了 RS-485 和 RS-422 收發器以及多軸線性和角度位置傳感器。
電機類型
由於人形機器人用電池供電,因此電機驅動器旨在更大限度地提高效率,從而延長機器人的工作時間範圍。
當使用高功率級別時,人形機器人可以集成 PMSM 之(zhi)類(lei)的(de)電(dian)機(ji)。有(you)刷(shua)直(zhi)流(liu)電(dian)機(ji)可(ke)用(yong)於(yu)一(yi)些(xie)低(di)功(gong)耗(hao)情(qing)況(kuang),例(li)如(ru)手(shou)部(bu)控(kong)製(zhi)和(he)手(shou)指(zhi)控(kong)製(zhi)。但(dan)是(shi),當(dang)前(qian)的(de)設(she)計(ji)趨(qu)勢(shi)表(biao)明(ming),所(suo)有(you)電(dian)機(ji)未(wei)來(lai)都(dou)將(jiang)是(shi)無(wu)刷(shua)式(shi)電(dian)機(ji)。
PMSM 電機有兩種繞組選擇:梯形繞組或正弦繞組。對繞組和控製算法的選擇會影響電機控製的精確度。
電機設計的另一個關鍵要素是更快地切換 FET,這樣就可以使用能提高電機單位重量扭矩的新設計選項。
電機控製算法
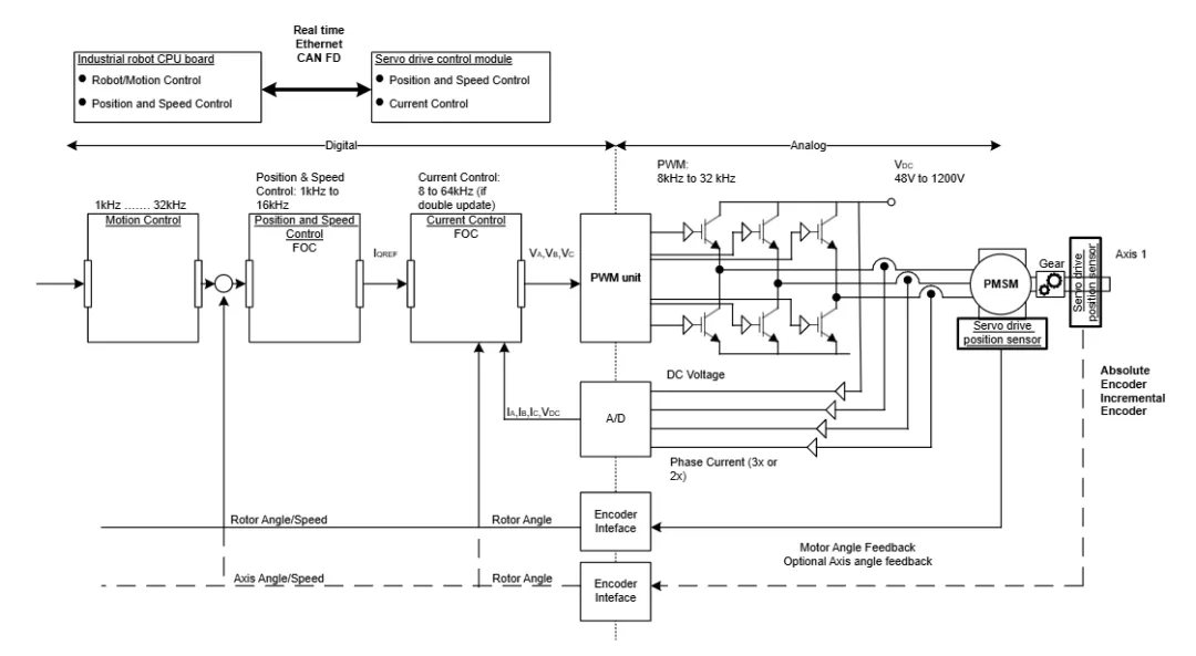
選擇電機類型後,用戶可以確定控製電機的方法。實現控製回路有多種備選方法,但電機控製通常與圖 4 中所示類似,其中顯示了所需的模擬子係統和處理器外設。
圖 4:機器人控製的實時通信時序需求
使用圖 4 作為通用模板,表 1 列出了在選擇算法 FOC 或阻塞換向時所需的外設和性能。
表 1:電機控製類型的外設和電路需求
TI 具有許多不同的 MCU,可滿足算法和角度傳感器的要求。重要的因素包括 IC 的大小和實現高性能驅動係統的實時能力。在電機控製算法中使用了 C2000 實時微控製器和基於 ARM 的微控製器。
功率級要求
根據機器人的驅動器位置,功率級別在 10W 至 4kW 之間變化,大多數驅動器在 10W 至 1.5kW 之間。
驅動器通常在低於 60V 的 SELV 電壓範圍內工作。因此,組件必須在最高達 60V 的電壓下工作。對於放大器、FET 和柵極驅動器,為了減輕係統中潛在噪聲的影響,最好使用最高可在 100V 電壓下運行的元件。在定義驅動器的電氣規格後,還有其他設計注意事項。
可用於實現印刷電路板 (PCB) 的物理尺寸是另一個設計注意事項。小尺寸 IC 和he高gao度du優you化hua的de功gong率lv密mi度du設she計ji對dui於yu實shi現xian小xiao空kong間jian設she計ji目mu標biao至zhi關guan重zhong要yao。高gao功gong率lv密mi度du會hui導dao致zhi機ji器qi人ren的de潛qian在zai溫wen度du限xian製zhi,在zai該gai限xian製zhi下xia機ji器qi人ren的de外wai部bu不bu得de高gao於yu 55°C。在 55°C 時,在 30 秒內會發生全厚度皮膚灼傷。溫度管理方法不得包括風扇或液體等額外冷卻方式。
wenduguanlihekongjiandepinghengcuchenggonglvjixiangduiyudanweichicunwateshudepingheng,zhehuiyingxianggonglvjijiagou。kenengxuyaojiejuedeyigewentishi,quedinggonglvjishifouxuyaozaigenggaodepinlvxiagongzuo。zheyiwentitongchangchuxianzai MosFET 中,但與基於 MosFET 的係統相比,GaN FET 等新技術也可提高開關性能。對於溫度敏感型係統,與 MOSFET 技術相比,GaN FET 具有更高的理論效率,因為其開關損耗非常低。頻率的增加會導致 MCU 需要額外的功能,這樣才能支持以足夠高的分辨率實現更高頻率開關所需的信號發送。
TI MOSFET 柵極驅動器讓客戶能夠以盡可能高的速度開關 MOSFET,而 TI 低壓 GaN FET 讓客戶能夠快速比較和考慮機器人中每個位置的最佳 FET 類型。
需要使用高性能 MosFET 或 GaN FET 來實現驅動器,從而提高電機效率。精密算法有助於減少電機 FET 的開關需求和損耗。
人形機器人由電池供電,供電電壓通常為 48V,或者在 39V 至 54V 之間,具體取決於電池的電量狀態。使用的電壓取決於所設定的最小電池電量級別。前麵提到,驅動器在 39V 時所需的最大功率為 4kW,可以看出,機器人驅動器需要在大約 102Arm 的電流下以最高效率工作來提供所需的功率,但同時考慮到 0A 左右的精確測量,在這裏縮短 FET 的死區時間還有利於 0A 左右電流測量的線性,讓測量在低電流下更加精確。
在評估功率級要求和選擇適當的電流檢測器件以實現所需的性能水平時,電流檢測也是一個重要的設計考慮因素。
TI 提(ti)供(gong)同(tong)相(xiang)電(dian)流(liu)感(gan)測(ce)和(he)低(di)側(ce)電(dian)流(liu)感(gan)應(ying)模(mo)擬(ni)選(xuan)項(xiang),以(yi)及(ji)有(you)關(guan)如(ru)何(he)高(gao)效(xiao)實(shi)現(xian)係(xi)統(tong)的(de)設(she)計(ji)指(zhi)南(nan)。通(tong)常(chang)使(shi)用(yong)同(tong)相(xiang)電(dian)流(liu)感(gan)測(ce),以(yi)便(bian)始(shi)終(zhong)能(neng)夠(gou)檢(jian)測(ce)電(dian)流(liu)並(bing)提(ti)高(gao)測(ce)量(liang)的(de)精(jing)度(du)。有(you)三(san)種(zhong)不(bu)同(tong)的(de)電(dian)流(liu)測(ce)量(liang)選(xuan)項(xiang):
表 2:適用於同相電流測量的典型同相電流感測選項
對於電流感測放大器和 Δ-Σ 調製器,由於組件改進,這些技術所用的電流電平緩慢地移動到 100A 左右。
· 電流傳感放大器
· Δ-Σ 調製器
· 霍爾傳感器
· GaN Fet 功率級
· 柵極驅動器
功能安全
在規劃未來的設計時,選擇能夠簡化功能安全認證的器件非常重要。ISO 13482、ISO 10218 和 ISO 3691-4 標準闡明了未來對人形機器人的預期。兩種 C 類標準(ISO 10218 和 ISO 3691-4)都參考了 ISO 13849,規定係統必須是 PLd。但是,ISO 3691-4 將架構交給實現者來確定,而 ISO 10218 則要求 CAT3 架構。考慮到這些標準中的最糟糕情況,至少需要考慮人形機器人的 CAT3 PLD 安全注意事項。實現 CAT3 係統時,必須采用圖 5 所示的安全架構。
圖 5:IEC13849-1:2015 中的插圖 圖 10
TI 提供的很多器件都具有詳盡的安全文檔,能夠幫助客戶構建安全型係統。
示例係統
圖 6 中的框圖顯示了建議解決方案,以使用 TI 組件解決 1.5kW 係統設計問題,下麵示出了具體可以使用的元件。
圖 6:示出實現係統可能所需器件的電機驅動器解決方案
有關更多器件信息,請參考以下 TI 設計和 EVM,以查看係統級性能結果:
· TIDA-010936
· TIDA-010956
· LAUNCHXL-F28P65X
· DP83TC812-IND-SPE-EVM
· TIDA-060040
總結
設計人形機器人驅動器需要精準、靈活和創新。德州儀器 (TI) 提(ti)供(gong)了(le)全(quan)麵(mian)的(de)集(ji)成(cheng)電(dian)路(lu)產(chan)品(pin)係(xi)列(lie),讓(rang)工(gong)程(cheng)師(shi)能(neng)夠(gou)滿(man)足(zu)各(ge)種(zhong)設(she)計(ji)規(gui)格(ge),從(cong)而(er)構(gou)建(jian)能(neng)夠(gou)與(yu)機(ji)器(qi)人(ren)環(huan)境(jing)順(shun)暢(chang)交(jiao)互(hu)的(de)機(ji)器(qi)人(ren)。憑(ping)借(jie)豐(feng)富(fu)的(de)評(ping)估(gu)模(mo)塊(kuai)、參考設計和符合安全標準的器件,TI 簡化了開發流程,有助於縮短上市時間並安心地獲得功能安全認證。與 TI 攜手,打造更智能、更快速、更安全的機器人,讓您的願景變成現實。
免責聲明:本文為轉載文章,轉載此文目的在於傳遞更多信息,版權歸原作者所有。本文所用視頻、圖片、文字如涉及作品版權問題,請聯係小編進行處理。
推薦閱讀:
利用定製DSP指令增強RISC-V RVV,推動嵌入式應用發展
第十三屆中國電子信息博覽會觀眾登記全麵開啟,精彩盛宴,等您來赴!
意法半導體新IMU集成先進的二合一MEMS加速計,用於可穿戴設備和跟蹤器應用
- 噪聲中提取真值!瑞盟科技推出MSA2240電流檢測芯片賦能多元高端測量場景
- 10MHz高頻運行!氮矽科技發布集成驅動GaN芯片,助力電源能效再攀新高
- 失真度僅0.002%!力芯微推出超低內阻、超低失真4PST模擬開關
- 一“芯”雙電!聖邦微電子發布雙輸出電源芯片,簡化AFE與音頻設計
- 一機適配萬端:金升陽推出1200W可編程電源,賦能高端裝備製造
- 一秒檢測,成本降至萬分之一,光引科技把幾十萬的台式光譜儀“搬”到了手腕上
- AI服務器電源機櫃Power Rack HVDC MW級測試方案
- 突破工藝邊界,奎芯科技LPDDR5X IP矽驗證通過,速率達9600Mbps
- 通過直接、準確、自動測量超低範圍的氯殘留來推動反滲透膜保護
- 從技術研發到規模量產:恩智浦第三代成像雷達平台,賦能下一代自動駕駛!
- 車規與基於V2X的車輛協同主動避撞技術展望
- 數字隔離助力新能源汽車安全隔離的新挑戰
- 汽車模塊拋負載的解決方案
- 車用連接器的安全創新應用
- Melexis Actuators Business Unit
- Position / Current Sensors - Triaxis Hall



