基本示波器操作
發布時間:2025-02-14 責任編輯:lina
【導讀】如果示波器具有前麵板,則它將具有如圖1所示的儀器所示的垂直,水平和觸發設置的基本控件。
如果示波器具有前麵板,則它將具有如圖1所示的儀器所示的垂直,水平和觸發設置的基本控件。

圖1一個典型的示波器前麵板,具有用於垂直,水平和觸發設置的控件。資料來源:Teledyne Lecroy
許多控件都通過推動或在某些情況下拉動旋鈕來引起其他動作。這些通常在麵板上標記。
許多示波器(如此)都使用Windows操作係統,可以使用指向設備或觸摸屏從顯示器控製。隨意使用任何適合您的接口。
在屏幕上獲得波形
至(zhi)關(guan)重(zhong)要(yao)的(de)是(shi)要(yao)注(zhu)意(yi),數(shu)字(zi)示(shi)波(bo)器(qi)保(bao)留(liu)了(le)的(de)設(she)置(zhi)。如(ru)果(guo)您(nin)是(shi)次(ci)使(shi)用(yong)示(shi)波(bo)器(qi),那(na)麼(me)回(hui)憶(yi)起(qi)默(mo)認(ren)設(she)置(zhi)是(shi)一(yi)種(zhong)明(ming)智(zhi)的(de)做(zuo)法(fa)。此(ci)步(bu)驟(zhou)可(ke)確(que)保(bao)您(nin)從(cong)已(yi)知(zhi)的(de)環(huan)境(jing)開(kai)始(shi)。一(yi)些(xie)示(shi)波(bo)器(qi)(例如這裏使用的示波器)在前麵板上有一個專用按鈕;還可以使用下拉菜單來召回默認設置(圖2)。

圖2回顧示波器的默認設置將儀器置於已知的操作狀態。資料來源:亞瑟·皮尼(Arthur Pini)
在所示的示例中,使用“召回設置”對話框從“召回”對話框中召回默認設置,以橙色突出顯示。
自動設置
使用示波器的“自動設置”功能從默認狀態中獲取屏幕上的波形很簡單。
作為基本實驗,使用示波器的一種高阻抗探針之一將示波器的通道1連接到示波器前麵板上的校準信號。該校準信號是一種低頻方波,用於調整探針衰減器的低頻補償。
按前麵板上的示波器的自動設置按鈕,或使用垂直下拉菜單選擇自動設置(圖3)。

圖3 “自動設置”是前麵板按鈕,或者是下拉菜單上的選擇,如下所示。資料來源:亞瑟·皮尼(Arthur Pini)
該儀器中的“自動設置”按順序掃描所有輸入通道,並根據其檢測到的個信號配置儀器。根據檢測到的信號,調整了垂直尺度(Volts/p)和垂直偏移。將扳機設置為邊緣觸發器,其觸發器水平為個信號的振幅的五十%。設置了水平時態(時間/p),以便在顯示屏上顯示至少十個信號周期。
不同的示波器以不同的方式處理此功能。在某些情況下,信號必須連接到通道1。其他模型(如顯示的模型)將瀏覽所有通道並設置個信號。所有示波器中的“自動設置”都應使您進入屏幕上有波形的點。
基本控件 - 廣告設置
基本的示波器控件包括垂直,水平或時間表和觸發器。在圖3中(zhong),這(zhe)些(xie)以(yi)從(cong)左(zuo)到(dao)右(you)的(de)順(shun)序(xu)顯(xian)示(shi)為(wei)菜(cai)單(dan)欄(lan)上(shang)的(de)下(xia)拉(la)菜(cai)單(dan)。這(zhe)些(xie)控(kong)件(jian)在(zai)前(qian)麵(mian)板(ban)上(shang)重(zhong)複(fu),並(bing)在(zai)相(xiang)同(tong)的(de)標(biao)題(ti)下(xia)進(jin)行(xing)分(fen)組(zu)。可(ke)以(yi)使(shi)用(yong)任(ren)何(he)一(yi)種(zhong)控(kong)製(zhi)類(lei)型(xing)。
前麵板或屏幕上的垂直控件用於設置單個輸入通道。選擇通道創建一個用於控製相應通道的對話框。垂直通道控件包括垂直靈敏度(Volts/p)和偏移。通道設置控件包括耦合,帶寬,重新縮放和處理(圖4)。

圖4垂直通道設置包括主要控件,包括垂直縮放,偏移和耦合。資料來源:亞瑟·皮尼(Arthur Pini)
應設置垂直縮放,以使波形盡可能接近全尺度,以地提高示波器的動態範圍。該示波器具有“查找規模”功(gong)能(neng)圖(tu)標(biao),該(gai)函(han)數(shu)設(she)置(zhi)將(jiang)擴(kuo)展(zhan)垂(chui)直(zhi)增(zeng)益(yi)和(he)偏(pian)移(yi),以(yi)使(shi)波(bo)形(xing)以(yi)合(he)理(li)的(de)振(zhen)幅(fu)為(wei)中(zhong)心(xin)。通(tong)過(guo)使(shi)波(bo)形(xing)超(chao)過(guo)選(xuan)定(ding)的(de)全(quan)尺(chi)度(du)電(dian)壓(ya)極(ji)限(xian),不(bu)要(yao)超(chao)過(guo)輸(shu)入(ru)放(fang)大(da)器(qi)是(shi)一(yi)個(ge)好(hao)習(xi)慣(guan)。使(shi)用(yong)縮(suo)放(fang)顯(xian)示(shi)器(qi)擴(kuo)展(zhan)痕(hen)跡(ji),以(yi)仔(zai)細(xi)查(zha)看(kan)微(wei)小(xiao)的(de)功(gong)能(neng)。偏(pian)移(yi)控(kong)製(zhi)將(jiang)波(bo)形(xing)在(zai)顯(xian)示(shi)屏(ping)上(shang)的(de)中(zhong)心(xin)。耦(ou)合(he)提(ti)供(gong)50ΩDC耦合或1MΩ輸入終止和AC或DC耦合的選擇。
其(qi)他(ta)控(kong)件(jian)包(bao)括(kuo)選(xuan)擇(ze)輸(shu)入(ru)帶(dai)寬(kuan)限(xian)製(zhi)過(guo)濾(lv)器(qi)的(de)選(xuan)擇(ze),根(gen)據(ju)探(tan)測(ce)衰(shuai)減(jian)因(yin)子(zi)重(zhong)塑(su)電(dian)壓(ya)讀(du)數(shu)的(de)能(neng)力(li),以(yi)及(ji)在(zai)傳(chuan)感(gan)器(qi)或(huo)探(tan)測(ce)器(qi)單(dan)位(wei)中(zhong)重(zhong)新(xin)降(jiang)低(di)振(zhen)幅(fu)讀(du)數(shu)的(de)能(neng)力(li)(例如探測)。可以應用平均或數字(噪聲)過濾形式的信號處理,以提高所獲得信號的信噪比。
通道注釋框就像圖4中標記的C1一樣,顯示了通道1的垂直刻度設置,偏移和耦合。當光標打開時,光標振幅讀數也可以顯示在此框中。
時數設置
從“時間庫”下拉菜單中選擇“水平設置”或使用前麵板水平控件可調節水平軸的水平縮放和延遲,采集采樣模式,采集記憶長度和采樣率(圖5) 。

圖5時間庫設置控製采樣模式,水平尺度,時間延遲和采集設置。資料來源:亞瑟·皮尼(Arthur Pini)
“水平”kongzhitongshiyingxiangsuoyoushurutongdao。tongchang,sanzhongbiaozhuncaiyangmoshishishishi,xuliehegundongmoshi。shishishizhengchangdemorenmoshi,zaizhenggeshuipingchidushezhidezhenggechixushijiannei,yicaiyanglvcaiyangleshuruxinhao。xuliemoshijiangcaijicunchuqifenjieweiyonghujideduanshuhechufaqi,bingzaixianshitamenzhiqianzaimeigeduanzhonghuoquxinhao。xuliemoshidecaijitigonglezaicaijizhijiandeduansishijian。gundongmoshiyongyuchangcaiyanglvdechangshijiancaijishijian。shujubeijiluzaixianshishijiangqixieruxianshiping,chanshengkanqilaixiangdaizhuangtubiaoluyinjidexianshi。
每個分區(T/DIV)設置的時間設置水平時間尺度。收購持續時間是T/DIV設置的十倍。采集延遲會移動顯示屏上的觸發點。默認延遲為零。負延遲將軌跡轉移到左側,積極的延遲將其轉移到右側。
“樣本點”字段設置了采集存儲器的長度。通過選擇“設置內存”,隨著T/DIV設置的更改,內存長度會變化,直到分配內存為止。除此之外,增加T/DIV將導致采樣率下降。基本上,采集的時間持續時間等於記憶中樣本的數量除以采樣率。如果選擇了固定采樣率模式,則隨著T/DIV設置的變化,示波器采樣率將保持在用戶輸入的采樣率。 T/DIV設置將僅限於與所選采樣率兼容的設置。
采樣率還會影響快速傅立葉變換(FFT)數學操作的跨度,而采集的時間持續時間會影響其頻率分辨率。
該示波器允許用戶選擇活動通道的數量。請注意,內存是在活動頻道之間共享的。
“導航參考”設置控製示波器調整T/DIV時的行為。中心(50%)的選擇可以使當前的中心時間點固定,而其他事件隨著T/DIV的變化而圍繞中心移動。在此設置中,觸發點可能會隨著刻度變化而移開網格。 “鎖定觸發器”設置使觸發點位置固定。隨著T/DIV的變化,觸發事件仍保持到位,而其他事件則圍繞觸發位置移動。
基本觸發設置
shiboqixuyaoyigechufaqi,gaichufaqitongchangyuhuodedeboxingyanshenghuotongbu。chufaqidegongnengshiyunxuwendingxianshihuodedeboxing。banjishezhi,wulunshizaiqianmianbanshanghaishishiyong“觸發”下衣,可訪問觸發設置對話框(圖6)。

圖6邊緣觸發器的基本設置將使獲得的波形穩定顯示。資料來源:亞瑟·皮尼(Arthur Pini)
邊bian緣yuan觸chu發fa器qi是shi傳chuan統tong的de默mo認ren觸chu發fa類lei型xing。在zai邊bian緣yuan觸chu發fa器qi中zhong,當dang源yuan跟gen蹤zong與yu用yong戶hu指zhi定ding的de正zheng斜xie率lv或huo負fu斜xie率lv交jiao叉cha觸chu發fa閾yu值zhi電dian壓ya級ji別bie時shi,將jiang觸chu發fa範fan圍wei。觸chu發fa源yuan可ke以yi是shi任ren何he輸shu入ru通tong道dao,也ye可ke以yi是shi應ying用yong於yuEXT的外部觸發器。輸入。邊緣觸發器是常用的觸發方法,在圖中選擇。顯示的當前範圍設置使用通道1作為觸發源。觸發器與名義上500毫伏(MV)和正斜率的觸發閾值水平結合在一起。注意“級別”字段中的“查找級別”按鈕將自動找到源信號的觸發級別。屏幕右側的觸發注釋框總結了所選的觸發設置。
可以從觸發下拉菜單中選擇可以停止,自動(自動),正常或單個的觸發模式。觸發模式確定儀器獲得信號的頻率。默認觸發模式為自動;在(zai)此(ci)模(mo)式(shi)下(xia),如(ru)果(guo)在(zai)預(yu)設(she)時(shi)間(jian)段(duan)內(nei)沒(mei)有(you)發(fa)生(sheng)觸(chu)發(fa)事(shi)件(jian),則(ze)將(jiang)被(bei)迫(po)。這(zhe)確(que)保(bao)將(jiang)顯(xian)示(shi)一(yi)些(xie)東(dong)西(xi)。正(zheng)常(chang)觸(chu)發(fa)模(mo)式(shi)臂(bi)示(shi)波(bo)器(qi)以(yi)觸(chu)發(fa)。發(fa)生(sheng)觸(chu)發(fa)事(shi)件(jian)時(shi),它(ta)將(jiang)獲(huo)取(qu)一(yi)個(ge)痕(hen)跡(ji),然(ran)後(hou)顯(xian)示(shi)。采(cai)集(ji)完(wan)成(cheng)後(hou),觸(chu)發(fa)器(qi)會(hui)自(zi)動(dong)重(zhong)新(xin)安(an)裝(zhuang)下(xia)一(yi)個(ge)觸(chu)發(fa)器(qi)的(de)儀(yi)器(qi)。觸(chu)發(fa)事(shi)件(jian)發(fa)生(sheng)時(shi),跡(ji)線(xian)連(lian)續(xu)顯(xian)示(shi)。如(ru)果(guo)沒(mei)有(you)觸(chu)發(fa)事(shi)件(jian),則(ze)收(shou)購(gou)停(ting)止(zhi)直(zhi)到(dao)發(fa)生(sheng)。
在zai單dan個ge模mo式shi下xia,用yong戶hu手shou動dong將jiang扳ban機ji武wu器qi武wu器qi。示shi波bo器qi等deng待dai直zhi到dao發fa生sheng觸chu發fa事shi件jian並bing進jin行xing采cai集ji。然ran後hou它ta停ting止zhi直zhi到dao再zai次ci被bei重zhong新xin裝zhuang甲jia為wei止zhi。如ru果guo沒mei有you發fa生sheng有you效xiao的de觸chu發fa器qi,則ze第di二er次ci調tiao用yong單dan身shen將jiang迫po使shi觸chu發fa器qi並bing顯xian示shi采cai集ji。停ting止zhi模mo式shi停ting止zhi采cai集ji,直zhi到dao喚huan起qi其qi他ta三san種zhong模mo式shi之zhi一yi。其qi他ta更geng複fu雜za的de觸chu發fa因yin素su可ke用yong於yu更geng複fu雜za的de觸chu發fa要yao求qiu;但是,它們超出了本文的範圍。
展示
示波器顯示由顯示下拉菜單控製。可以從下拉中選擇顯示的類型,也可以打開“顯示設置”(圖7)。

圖7 “顯示設置”允許選擇網格數量和其他與顯示相關的設置的數量。此示例顯示了具有四個跡線的四邊形網格的選擇。資料來源:亞瑟·皮尼(Arthur Pini)
該示波器允許用戶選擇顯示的網格數量。還有一個“自動網格”xuanze,dangmeigeguijijihuoshi,tahuidakaixindewangge。duogeguijikeyiweiyumeigewanggezhong,congerkeyibijiaoboxing。zaimeigewanggezhongjuyoudangejixiantigongleyigebushouzuaideshitu,tongshibaochilecaijidewanzhengdongtaifanwei。chulezhengchangdezhenfuyushijianxianshiwai,“顯示設置”還包括兩個產生XY繪圖的兩個跡線的橫圖。
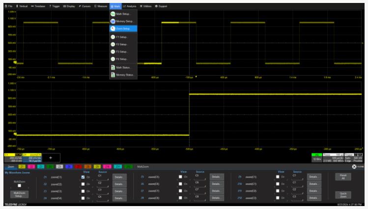
顯示擴展Zoom
放大痕量的視圖水平和垂直。利用縮放功能的傳統方法使用下拉的“數學”菜單打開“ Zoom設置”,如圖8所示。

圖8可以使用數學下拉菜單下的縮放設置打開縮放軌跡。資料來源:亞瑟·皮尼(Arthur Pini)
許多示波器在前麵板上有一個“縮放”按(an)鈕(niu),可(ke)以(yi)為(wei)每(mei)個(ge)顯(xian)示(shi)的(de)波(bo)形(xing)打(da)開(kai)一(yi)個(ge)縮(suo)放(fang)跟(gen)蹤(zong)。帶(dai)觸(chu)摸(mo)屏(ping)的(de)示(shi)波(bo)器(qi)支(zhi)撐(cheng)掉(diao)落(luo)和(he)拖(tuo)動(dong)變(bian)焦(jiao)。觸(chu)摸(mo)要(yao)擴(kuo)展(zhan)的(de)區(qu)域(yu)附(fu)近(jin)的(de)痕(hen)跡(ji),然(ran)後(hou)對(dui)角(jiao)線(xian)拖(tuo)動(dong)手(shou)指(zhi)。將(jiang)顯(xian)示(shi)一(yi)個(ge)盒(he)子(zi);繼續拖動手指,直到盒子包圍要擴展的區域。卸下手指,可以選擇縮放跟蹤以顯示擴展的波形。
免責聲明:本文為轉載文章,轉載此文目的在於傳遞更多信息,版權歸原作者所有。本文所用視頻、圖片、文字如涉及作品版權問題,請聯係小編進行處理。
推薦閱讀:
- 噪聲中提取真值!瑞盟科技推出MSA2240電流檢測芯片賦能多元高端測量場景
- 10MHz高頻運行!氮矽科技發布集成驅動GaN芯片,助力電源能效再攀新高
- 失真度僅0.002%!力芯微推出超低內阻、超低失真4PST模擬開關
- 一“芯”雙電!聖邦微電子發布雙輸出電源芯片,簡化AFE與音頻設計
- 一機適配萬端:金升陽推出1200W可編程電源,賦能高端裝備製造
- 算力爆發遇上電源革新,大聯大世平集團攜手晶豐明源線上研討會解鎖應用落地
- 築基AI4S:摩爾線程全功能GPU加速中國生命科學自主生態
- 一秒檢測,成本降至萬分之一,光引科技把幾十萬的台式光譜儀“搬”到了手腕上
- AI服務器電源機櫃Power Rack HVDC MW級測試方案
- 突破工藝邊界,奎芯科技LPDDR5X IP矽驗證通過,速率達9600Mbps
- 車規與基於V2X的車輛協同主動避撞技術展望
- 數字隔離助力新能源汽車安全隔離的新挑戰
- 汽車模塊拋負載的解決方案
- 車用連接器的安全創新應用
- Melexis Actuators Business Unit
- Position / Current Sensors - Triaxis Hall



