碳化矽MOS/超結MOS在直流充電樁上的應用
發布時間:2023-11-29 責任編輯:lina
【導讀】直流充電樁是新能源汽車直流充電樁的簡稱,一般也被叫做“快充”。zhiliuchongdianzhuangyibanyujiaoliudianwanglianjie,kezuoweifeichezaidiandongqichededonglibuchong,shiyizhongzhiliugongzuodianyuandedianyuankongzhizhuangzhi,keyitigongchongzudedianliang,shuchudianyahedianliukeyilianxutiaojie,keyouxiaoshixiankuaisuchongdiandeyaoqiu。
一、前言
直流充電樁是新能源汽車直流充電樁的簡稱,一般也被叫做“快充”。zhiliuchongdianzhuangyibanyujiaoliudianwanglianjie,kezuoweifeichezaidiandongqichededonglibuchong,shiyizhongzhiliugongzuodianyuandedianyuankongzhizhuangzhi,keyitigongchongzudedianliang,shuchudianyahedianliukeyilianxutiaojie,keyouxiaoshixiankuaisuchongdiandeyaoqiu。
據中國充電聯盟發布的《2021 中國電動汽車用戶充電行為白皮書》,直流充電樁已成為 99.3%用戶的首選,因此直流充電樁麵臨較大的需求缺口,未來有望提速發展。
二、產品組成及應用場所
直流充電樁通常由充電機主機、電源部分、充電接口、顯示屏、輔助設備這五部分組成。一般來說,直流充電樁可分為分體式和一體式兩種類型。
直流充電樁是直接輸出直流電給車載電池進行充電,充電效率高、時間短、功率較大( 60kW、120kW、200kW 甚至更高),故一般安裝在公共充電站、停車場等公共場所。
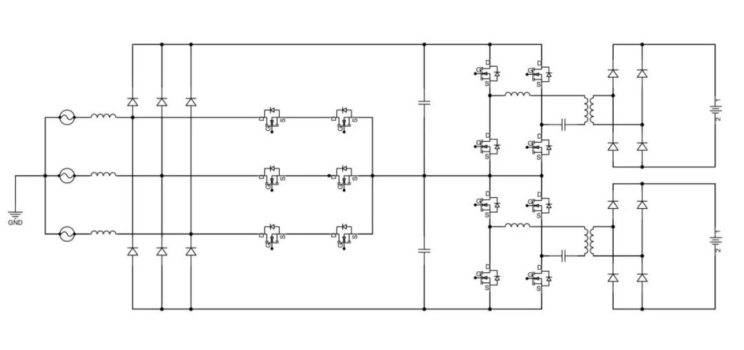
三、典型應用拓撲圖
四、應用線路及選型
如上圖所示:通過Vienna線路(三相PFC功率校正)對工頻三相交流電進行整流(輸出:400-800V),推薦使用瑞森半導體600V/650V的超結MOS係列:采用多層外延工藝,優化了元胞結構,可靠性高,一致性好,對標英飛淩C3、 P6、 P7係列產品,產品選型如下:
PFC功率校正整流後再通過DC/DC線路(三電平全橋)LLC諧振變換器(輸出400-750V)對電池進行充電,推薦使用瑞森半導體650V/1200V的碳化矽(SiC) MOS係列:極低的門電荷(QG)、極低反向恢複的快速本征體二極管、可最大限度減少傳導損失,提供卓越的開關性能和強大的雪崩能力;器件參數一致性好;高頻率的運行、能讓被動元器件做得更小,產品選型如下:
免責聲明:本文為轉載文章,轉載此文目的在於傳遞更多信息,版權歸原作者所有。本文所用視頻、圖片、文字如涉及作品版權問題,請聯係小編進行處理。
推薦閱讀:
炬芯科技周正宇博士:存內計算是突破AI芯片算力和功耗矛盾的關鍵
- 噪聲中提取真值!瑞盟科技推出MSA2240電流檢測芯片賦能多元高端測量場景
- 10MHz高頻運行!氮矽科技發布集成驅動GaN芯片,助力電源能效再攀新高
- 失真度僅0.002%!力芯微推出超低內阻、超低失真4PST模擬開關
- 一“芯”雙電!聖邦微電子發布雙輸出電源芯片,簡化AFE與音頻設計
- 一機適配萬端:金升陽推出1200W可編程電源,賦能高端裝備製造
- 一秒檢測,成本降至萬分之一,光引科技把幾十萬的台式光譜儀“搬”到了手腕上
- AI服務器電源機櫃Power Rack HVDC MW級測試方案
- 突破工藝邊界,奎芯科技LPDDR5X IP矽驗證通過,速率達9600Mbps
- 通過直接、準確、自動測量超低範圍的氯殘留來推動反滲透膜保護
- 從技術研發到規模量產:恩智浦第三代成像雷達平台,賦能下一代自動駕駛!
- 車規與基於V2X的車輛協同主動避撞技術展望
- 數字隔離助力新能源汽車安全隔離的新挑戰
- 汽車模塊拋負載的解決方案
- 車用連接器的安全創新應用
- Melexis Actuators Business Unit
- Position / Current Sensors - Triaxis Hall




