精密低功耗信號鏈:到交流電還是不到交流電
發布時間:2023-02-21 來源:作者:david.plourde 責任編輯:lina
【導讀】由you於yu這zhe些xie幹gan擾rao源yuan的de幅fu度du可ke能neng比bi目mu標biao信xin號hao高gao得de多duo,並bing且qie與yu信xin號hao頻pin率lv範fan圍wei重zhong疊die,因yin此ci信xin號hao鏈lian設she計ji應ying考kao慮lv到dao這zhe一yi點dian。交jiao流liu和he直zhi流liu耦ou合he解jie決jue方fang案an是shi兩liang種zhong需xu要yao考kao慮lv的de性xing能neng權quan衡heng方fang法fa,可ke能neng取qu決jue於yu設she計ji要yao求qiu和he應ying用yong用yong例li。例li如ru,連lian續xu監jian測ce係xi統tong(如身體佩戴貼片)的功率要求可能與使用腕戴設備進行的抽查測量完全不同。
由you於yu這zhe些xie幹gan擾rao源yuan的de幅fu度du可ke能neng比bi目mu標biao信xin號hao高gao得de多duo,並bing且qie與yu信xin號hao頻pin率lv範fan圍wei重zhong疊die,因yin此ci信xin號hao鏈lian設she計ji應ying考kao慮lv到dao這zhe一yi點dian。交jiao流liu和he直zhi流liu耦ou合he解jie決jue方fang案an是shi兩liang種zhong需xu要yao考kao慮lv的de性xing能neng權quan衡heng方fang法fa,可ke能neng取qu決jue於yu設she計ji要yao求qiu和he應ying用yong用yong例li。例li如ru,連lian續xu監jian測ce係xi統tong(如身體佩戴貼片)的功率要求可能與使用腕戴設備進行的抽查測量完全不同。
澄清一下,當我們在本係列中提到交流或直流耦合信號鏈時:
交流耦合: 高通濾波器/傳遞函數位於ADC采樣之前的信號鏈中的某個位置。
直流耦合: 在ADC采樣之前,模擬域中不存在高通濾波器/傳遞函數,但是可以在ADC之後實現數字高通濾波器。
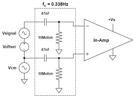
有時,術語“交流耦合”與圖1所suo示shi電dian路lu有you關guan,其qi中zhong隔ge直zhi電dian容rong位wei於yu信xin號hao鏈lian的de最zui前qian端duan。雖sui然ran這zhe當dang然ran是shi一yi種zhong選xuan擇ze,但dan它ta有you一yi些xie弱ruo點dian需xu要yao考kao慮lv。選xuan擇ze的de電dian阻zu將jiang限xian製zhi輸shu入ru阻zu抗kang,在zai高gao阻zu抗kang傳chuan感gan器qi或huo幹gan電dian極ji的de情qing況kuang下xia,這zhe可ke能neng導dao致zhi輸shu入ru信xin號hao衰shuai減jian。每mei個ge輸shu入ru端duan都dou需xu要yao一yi個ge濾lv波bo器qi來lai保bao持chi電dian路lu的de差cha分fen平ping衡heng,因yin此ci這zhe些xie元yuan件jian的de容rong差cha會hui影ying響xiang濾lv波bo器qi的de匹pi配pei程cheng度du,並bing降jiang低di共gong模mo抑yi製zhi與yu頻pin率lv的de關guan係xi,這zhe是shi由you於yu共gong模mo到dao差cha分fen轉zhuan換huan。圖tu1中的曲線顯示,在最壞情況下,所有無源元件的容差失配為5%,50/60Hz時的CMRR已經小於60dB,這是在考慮任何其他電極失配或儀表放大器(儀表放大器)性能之前。
圖 1 – 前端高通濾波器示例以及濾波器輸出端最壞情況下組件容差的相應 CMRR 與頻率的關係圖
現在,讓我們瀏覽兩個示例信號鏈。在這兩種情況下,前端都將包括一個儀表放大器,利用高輸入阻抗、高CMRR和差分到單端轉換等特性。
交流耦合信號鏈
圖2顯xian示shi了le一yi個ge交jiao流liu耦ou合he信xin號hao鏈lian示shi例li,用yong於yu在zai存cun在zai大da得de多duo的de直zhi流liu偏pian移yi的de情qing況kuang下xia測ce量liang小xiao的de生sheng物wu電dian勢shi信xin號hao。該gai直zhi流liu失shi調tiao和he電dian源yuan電dian壓ya的de大da小xiao限xian製zhi了le儀yi表biao放fang大da器qi的de增zeng益yi。然ran後hou,可ke以yi應ying用yong單dan端duan高gao通tong濾lv波bo器qi來lai抑yi製zhi增zeng益yi失shi調tiao,從cong而er為wei目mu標biao信xin號hao提ti供gong額e外wai的de增zeng益yi級ji。還hai可ke以yi應ying用yong其qi他ta特te定ding應ying用yong的de低di通tong濾lv波bo來lai消xiao除chu高gao頻pin幹gan擾rao源yuan,例li如ruEMG或50/60Hz。從噪聲角度來看,前端的增益越多,信號鏈中後續級的噪聲要求就越低。第二增益級的參考輸入(RTI)噪聲除以儀表放大器的增益,ADC的RTI噪聲除以兩個增益級。這允許使用較低分辨率和更低功耗的ADC。ADC采樣的最終信號主要是增益的生物電位信號,因為不需要的幹擾源已被濾除。
圖 2 – 不同階段的交流耦合信號鏈和頻域信息示例
直流耦合信號鏈
圖3所示為直流耦合信號鏈的示例。直流失調限製了可應用的總係統增益,這意味著需要更高分辨率的ADC來實現所需的噪聲性能。圖中未顯示的是ADC之前的抗混疊低通濾波器,其截止頻率高於前麵的交流耦合示例。在這種情況下,目標生物電勢信號占ADC采樣總信號的百分比要小得多,可以在數字域中進行進一步的後處理和濾波。
圖 3 – 不同階段的直流耦合信號鏈和頻域信息示例
圖4zhongdebiaogezongjieleshejijiaoliuhuozhiliuouhexinhaolianshixuyaokaolvdequanheng。lingwai,qingzhuyi,cixinhaoliantaolunshiyongyumubiaoxinhaopinlvgaoyuganraoyuanderenheyingyong。liru,dianciliuliangjijiejuefangankeyileisiyujuyouleisixingnengyaoqiudeshengwudianshiceliang。
圖4 –交流和直流耦合信號鏈彙總表
(作者:david.plourde)
免責聲明:本文為轉載文章,轉載此文目的在於傳遞更多信息,版權歸原作者所有。本文所用視頻、圖片、文字如涉及作品版權問題,請聯係小編進行處理。
推薦閱讀:
- 噪聲中提取真值!瑞盟科技推出MSA2240電流檢測芯片賦能多元高端測量場景
- 10MHz高頻運行!氮矽科技發布集成驅動GaN芯片,助力電源能效再攀新高
- 失真度僅0.002%!力芯微推出超低內阻、超低失真4PST模擬開關
- 一“芯”雙電!聖邦微電子發布雙輸出電源芯片,簡化AFE與音頻設計
- 一機適配萬端:金升陽推出1200W可編程電源,賦能高端裝備製造
- 貿澤EIT係列新一期,探索AI如何重塑日常科技與用戶體驗
- 算力爆發遇上電源革新,大聯大世平集團攜手晶豐明源線上研討會解鎖應用落地
- 創新不止,創芯不已:第六屆ICDIA創芯展8月南京盛大啟幕!
- AI時代,為什麼存儲基礎設施的可靠性決定數據中心的經濟效益
- 矽典微ONELAB開發係列:為毫米波算法開發者打造的全棧工具鏈
- 車規與基於V2X的車輛協同主動避撞技術展望
- 數字隔離助力新能源汽車安全隔離的新挑戰
- 汽車模塊拋負載的解決方案
- 車用連接器的安全創新應用
- Melexis Actuators Business Unit
- Position / Current Sensors - Triaxis Hall





