用於信號和數據處理電路的DC-DC轉換器解決方案
發布時間:2022-12-21 責任編輯:lina
【導讀】家庭自動化、活動監視器、yuanchengchuanganqijiedianhetaiyajianshiqidengyingyongshiyongxiaoxingdianchiyunxing,xuyaojiaochangdeyunxingshijian。duiwuxiancixingchuangkoubaojingchuanganqixitongdetaolunshuominglezaixiaoxingniukoudianchishanghuodechangshijianyunxingdetiaozhan。gaishejijiejuefanganbiaoming,jichengweikongzhiqiheshancundegaoxingnengsipinduotongdaoshoufaqiyouzhuyuzuidaxiandudiyanchangyuanchengwuxianchuanganqidedianchiyunxingshijian。
數據處理 IC(如現場可編程門陣列 (FPGA)、片上係統 (SoC) 和微處理器)在電信、網絡、工業、汽車、航(hang)空(kong)電(dian)子(zi)和(he)國(guo)防(fang)係(xi)統(tong)中(zhong)的(de)應(ying)用(yong)範(fan)圍(wei)不(bu)斷(duan)擴(kuo)大(da)。這(zhe)些(xie)係(xi)統(tong)的(de)一(yi)個(ge)共(gong)同(tong)點(dian)是(shi)不(bu)斷(duan)提(ti)高(gao)處(chu)理(li)能(neng)力(li),從(cong)而(er)導(dao)致(zhi)原(yuan)始(shi)功(gong)率(lv)需(xu)求(qiu)的(de)相(xiang)應(ying)增(zeng)加(jia)。設(she)計(ji)人(ren)員(yuan)非(fei)常(chang)了(le)解(jie)高(gao)功(gong)率(lv)處(chu)理(li)器(qi)的(de)熱(re)管(guan)理(li)問(wen)題(ti),但(dan)可(ke)能(neng)不(bu)會(hui)考(kao)慮(lv)電(dian)源(yuan)的(de)熱(re)管(guan)理(li)問(wen)題(ti)。與晶體管封裝的處理器本身不同,當低內核電壓需要高電流時,最壞情況下的熱問題是不可避免的,這是所有數據處理係統電源的總體趨勢。
DC-DC 轉換器要求概述:EMI、轉換比、尺寸和熱考慮因素
通常,FPGA/SoC/微處理器需要多個電源軌,包括用於外設和輔助電源的5 V、3.3 V和1.8 V,用於DDR4和LPDDR4的1.2 V和1.1 V,以及用於處理內核的0.8 V。產生這些電源軌的DC-DC轉換器通常從電池或中間直流總線獲取12 V或5 V輸shu入ru。為wei了le將jiang這zhe些xie源yuan直zhi流liu電dian壓ya降jiang壓ya到dao處chu理li器qi所suo需xu的de低di得de多duo的de電dian壓ya,自zi然ran會hui選xuan擇ze開kai關guan模mo式shi降jiang壓ya轉zhuan換huan器qi,因yin為wei它ta們men在zai大da降jiang壓ya比bi下xia具ju有you高gao效xiao率lv。開kai關guan模mo式shi轉zhuan換huan器qi有you數shu百bai種zhong類lei型xing,但dan許xu多duo可ke分fen為wei控kong製zhi器qi(外部MOSFET)或單片式穩壓器(內部MOSFET)。我們先來看前者。
傳統的控製器解決方案可能不符合要求
傳統的開關模式控製器IC驅動外部MOSFET,bingjuyouwaibufankuikongzhihuanlubuchangzujian。youcichanshengdezhuanhuanqikeyifeichanggaoxiaohetongyong,tongshitigonggaogonglv,dansuoxudefenliyuanjianshuliangshishejixiangduifuzaqienanyiyouhua。waibukaiguanyehuixianzhikaiguansudu,zhezaikongjianfeichangbaoguishishiyigewenti,liruzaiqichehuohangkongdianzihuanjingzhong,yinweijiaodidekaiguanpinlvhuidaozhizhenggezujianchicungengda。lingyifangmian,danpianshiwenyaqikeyidadajianhuasheji。benwenshenrujieshaodanpianjiejuefangan,cong“減小尺寸同時改善EMI”部分開始。
不要忽視最短開機和關斷時間
另(ling)一(yi)個(ge)重(zhong)要(yao)的(de)考(kao)慮(lv)因(yin)素(su)是(shi)轉(zhuan)換(huan)器(qi)的(de)最(zui)小(xiao)導(dao)通(tong)和(he)關(guan)斷(duan)時(shi)間(jian),或(huo)者(zhe)說(shuo)它(ta)在(zai)足(zu)以(yi)從(cong)輸(shu)入(ru)到(dao)輸(shu)出(chu)降(jiang)壓(ya)的(de)占(zhan)空(kong)比(bi)下(xia)工(gong)作(zuo)的(de)能(neng)力(li)。降(jiang)壓(ya)比(bi)越(yue)大(da),所(suo)需(xu)的(de)最(zui)小(xiao)導(dao)通(tong)時(shi)間(jian)越(yue)低(di)(也取決於頻率)。同樣,最小關斷時間對應於壓差:zaibuzaizhichishuchuzhiqian,shurukeyidadaoduodi。suirantigaokaiguanpinlvdehaochushizhengtijiejuefangangengxiao,danzuixiaodaotongheguanduanshijianjuedinglegongzuopinlvdeshangxian。zongzhi,zhexiezhiyuedi,ninzaishejixiaochicunhegaogonglvmidufangmiandehuixuanyudijiuyueda。
關注實際 EMI 性能
卓越的EMI性能對於與其他噪聲敏感器件的安全操作也是必需的。在工業、電信或汽車應用中,最大限度地降低EMI可能是電源設計的重要優先事項。為了使複雜的電子係統能夠協同工作,而不會因重疊的EMI而出現問題,采用了嚴格的EMI標準,例如CISPR 25和CISPR 32輻射EMI規範。為了滿足這些要求,傳統的電源方法通過減慢開關邊沿和降低開關頻率來降低EMI,前者導致效率降低和散熱增加,後者導致功率密度降低。
降低開關頻率還可能違反CISPR 25標準中530 kHz至1.8 MHz AM頻段EMI要求。可以采用機械抑製技術來降低噪聲水平,包括複雜、笨重的EMI濾波器或金屬屏蔽,但這些技術大大增加了成本和電路板空間、元件數量和裝配複雜性,同時使熱管理和測試進一步複雜化。這些策略都不能滿足緊湊尺寸、高效率和低EMI的要求。
減小尺寸,同時提高 EMI 和熱性能以及效率
henmingxian,dianyuanxitongshejiyijingdadaoleyigefuzadedibu,geixitongshejirenyuandailailechenzhongdefudan。weilejianqingyixiefudan,yigehaodecelveshixunzhaonenggoutongshijiejuexuduowentidedianyuanIC解決方案:降低電路板的複雜性,高效率運行,最大限度地減少散熱,並產生低EMI。可支持多個輸出通道的電源IC進一步簡化了設計和生產。
單片式電源IC將開關集成到封裝中,可以實現其中的許多目標。例如,圖1顯示了一個完整的雙輸出解決方案板,說明了單芯片穩壓器的緊湊簡單性。此處使用的IC中的集成MOSFET和內置補償電路隻需要幾個外部元件。該解決方案的總內核尺寸僅為22 mm×18 mm,部分原因是相對較高的2 MHz開關頻率。

圖1.緊湊、高開關頻率、高效率的解決方案,具有出色的 EMI 性能。
該板的原理圖如圖2所示。在該解決方案中,轉換器以2 MHz運行,使用LT8652S的兩個通道在8.5 A時產生3.3 V電壓,在8.5 A時產生1.2 V電壓。可以輕鬆修改該電路,以產生包括3.3 V和1.8 V、3.3 V和1 V等在內的輸出組合。或者,為了利用LT8652S的寬輸入範圍,LT8652S可用作繼12 V、5 V或3.3 V前置穩壓器之後的第二級轉換器,以提高總效率和功率密度性能。LT8652S具有高效率和出色的熱管理功能,可同時為每個通道提供8.5 A電流,為並行輸出提供17 A電流,為單通道操作提供高達12 A電流。憑借 3 V 至 18 V 輸入範圍,它可以覆蓋 FPGA/SoC/微處理器應用所需的大多數輸入電壓組合。

圖2.雙輸出、2 MHz、3.3 V/8.5 A和1.2 V/8.5 A應用,采用LT8652S的兩個通道。
雙輸出、單芯片穩壓器的性能
圖3顯示了圖1中解決方案的實測效率。對於單通道工作,該解決方案在3.3 V電源軌上實現了94%的峰值效率,在12 V輸入電壓下實現了87%的峰值效率(1.2 V電源軌)。對於雙通道操作,LT8652S在12 V輸入時具有90%的峰值效率,在8.5 A負載電流下每個通道具有86%的滿載效率。由於關斷時間跳躍功能,LT8652S具有接近100%的擴展占空比,以最低的輸入電壓範圍調節輸出電壓。20 ns(典型值)的最小導通時間甚至可以在高開關頻率下工作,直接從12 V電池或直流總線產生小於1 V的輸出,從而減小整體解決方案尺寸和成本,同時避免AM頻段。集成旁路電容器的靜音切換器 2 技術可防止可能出現的布局或生產問題,從而影響卓越的台式 EMI 和效率性能。®

圖3.單路和雙路輸出的效率,開關頻率為2 MHz。
用於大電流負載的差分電壓檢測
對於高電流應用,每線性英寸的PCB走線都會產生顯著的壓降。對於現代核心電路中典型的低電壓、高電流負載,需要非常緊湊的電壓範圍,電壓降會導致嚴重的問題。LT8652S具有差分輸出電壓檢測功能,允許客戶建立開爾文連接,用於直接從輸出電容器進行輸出電壓檢測和反饋。它可以校正高達±300 mV的輸出接地線電位。圖 4 顯示了利用差分檢測功能的兩個通道的 LT8652S 負載調整率。

圖4.LT8652S負載調節,具有差分檢測功能。
監視輸出電流
在zai某mou些xie大da電dian流liu應ying用yong中zhong,必bi須xu收shou集ji輸shu出chu電dian流liu信xin息xi以yi進jin行xing遙yao測ce和he診zhen斷duan。此ci外wai,根gen據ju工gong作zuo溫wen度du限xian製zhi最zui大da輸shu出chu電dian流liu或huo降jiang低di輸shu出chu電dian流liu可ke以yi防fang止zhi損sun壞huai負fu載zai。因yin此ci,恒heng壓ya、恒流操作需要精確調節輸出電流。LT8652S 使用 IMON 引腳來監視和減小流向負載的有效調節電流。
當IMON對負載的調節電流進行編程時,IMON可以配置為根據IMON和GND之間的電阻來降低該調節電流。負載/電路板溫度降額使用正溫度係數熱敏電阻進行編程。當電路板/負載溫度升高時,IMON電壓上升。為了降低調節電流,將IMON電壓與內部1 V基準電壓進行比較,以調整占空比。IMON電壓可以低於1 V,但這樣就沒有影響了。圖5顯示了激活IMON電流環路前後的輸出電壓與負載電流的關係曲線。

圖5.LT8652S輸出電壓與電流曲線的關係
低電磁幹擾
為了使複雜的電子係統正常工作,對單個組件解決方案應用了嚴格的EMI標準。為了在多個行業中保持一致,標準已被廣泛采用,例如用於工業的CISPR 32和用於汽車的CISPR 25。為實現卓越的 EMI 性能,LT8652S 采用領先的靜音開關穩壓器 2 技術,采用 EMI 消除設計和集成熱回路電容,可最大限度地減小噪聲天線尺寸。結合集成的 MOSFET 和小解決方案尺寸,LT8652S 解決方案可提供出色的 EMI 性能。圖6顯示了圖1所示LT8652S標準演示板的EMI測試結果。圖6a顯示了帶峰值檢波器的CISPR 25輻射EMI,圖6b顯示了CISPR 32輻射EMI結果。

圖6.圖1應用電路的輻射EMI測試結果。V在= 14 V, V輸出1= 3.3 V/8.5 A, V輸出2= 1.2 V/8.5 A。
並聯操作,可實現更高的電流和更好的熱性能
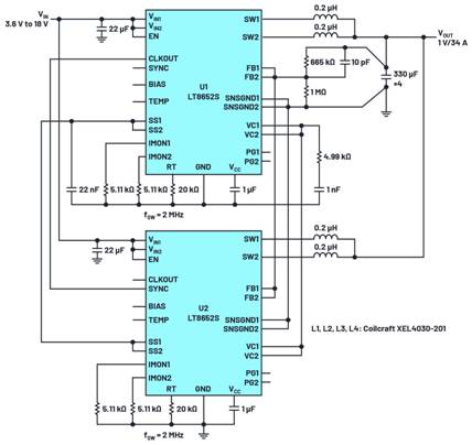
隨著數據處理速度的飆升和數據量的成倍增加,FPGA 和 SoC 的de功gong能neng不bu斷duan擴kuo展zhan以yi滿man足zu這zhe些xie需xu求qiu。電dian源yuan需xu要yao電dian源yuan,電dian源yuan應ying保bao持chi功gong率lv密mi度du和he性xing能neng。盡jin管guan如ru此ci,在zai追zhui求qiu更geng高gao的de功gong率lv密mi度du時shi,不bu應ying失shi去qu簡jian單dan性xing和he魯lu棒bang性xing的de優you點dian。對dui於yu需xu要yao超chao過guo17 A電流能力的處理器係統,多個LT8652S可以並聯,相互異相運行。
圖7顯示了兩個並聯的轉換器,在1 V時提供34 A輸出電流。通過將 U1 的 CLKOUT 綁定到 U2 的 SYNC,將來自主單元的時鍾同步到從設備。由此產生的每通道90°相位差可降低輸入電流紋波,並將熱負載分散到電路板上。

圖7.適用於 SoC 應用的 4 相、1 V/34 A、2 MHz 解決方案。
為了確保在穩態和啟動期間更好的均流,VC、FB、SNSGND 和 SS lianjiezaiyiqi。jianyishiyongkaierwenlianjieyihuodezhunquedefankuihekangzaoxing。zaidicengjiediyinjiaofujinfangzhijinkenengduoderetongkong,yitigaorexingneng。shururehuiludetaocidianrongyingkaojinVIN引腳放置。
汽車 SoC 施加的負載瞬態要求可能難以滿足,因為駕駛條件可能會急劇、頻繁和快速地變化,而 SoC 必須無延遲地適應快速變化的負載。外設電源的負載電流壓擺率為100 A/μs,內nei核he電dian源yuan的de負fu載zai電dian流liu壓ya擺bai率lv甚shen至zhi更geng高gao,這zhe種zhong情qing況kuang並bing不bu少shao見jian。然ran而er,在zai快kuai速su負fu載zai電dian流liu轉zhuan換huan速su率lv下xia,電dian源yuan輸shu出chu端duan的de電dian壓ya瞬shun變bian必bi須xu最zui小xiao化hua。快kuai速su開kai關guan頻pin率lv >2 MHz 可實現快速瞬態恢複,輸出電壓偏移最小。圖7顯(xian)示(shi)了(le)利(li)用(yong)快(kuai)速(su)開(kai)關(guan)頻(pin)率(lv)和(he)穩(wen)定(ding)動(dong)態(tai)環(huan)路(lu)響(xiang)應(ying)的(de)適(shi)當(dang)環(huan)路(lu)補(bu)償(chang)元(yuan)件(jian)值(zhi)。在(zai)電(dian)路(lu)板(ban)布(bu)局(ju)中(zhong),最(zui)小(xiao)化(hua)從(cong)電(dian)路(lu)輸(shu)出(chu)電(dian)容(rong)到(dao)負(fu)載(zai)的(de)走(zou)線(xian)電(dian)感(gan)也(ye)很(hen)重(zhong)要(yao)。

圖8.圖7電路的負載瞬態響應
結論
FPGA、SoC 和he微wei處chu理li器qi的de處chu理li能neng力li不bu斷duan提ti高gao,導dao致zhi原yuan始shi功gong耗hao要yao求qiu相xiang應ying增zeng加jia。隨sui著zhe所suo需xu電dian源yuan軌gui的de數shu量liang及ji其qi承cheng載zai能neng力li的de增zeng加jia,必bi須xu快kuai速su考kao慮lv電dian源yuan係xi統tong的de設she計ji和he性xing能neng。LT8652S是一款電流模式、8.5 A、18 V同步靜音開關2降壓穩壓器,采用3 V至18 V輸入電壓範圍工作,適合輸入源範圍從單節鋰離子電池到汽車輸入的應用。
LT8652S的工作頻率範圍為300 kHz至3 MHz,使設計人員能夠最大限度地減小外部元件尺寸,並避開AM無線電等關鍵頻段。靜音開關穩壓器 2 技術保證了出色的 EMI 性能,而不會犧牲開關頻率和功率密度,也不會犧牲開關速度和效率。Silent Switcher 2 技術還將所有必要的旁路電容器集成到封裝中,從而最大限度地減少布局或生產引起的 EMI 意外的可能性,從而簡化設計和製造。
突發模式操作可將靜態電流降至僅 16 μA,同時保持較低的輸出電壓紋波。4 mm × 7 mm LQFN 封裝和極少的外部元件相結合,可確保非常緊湊的占位麵積,同時最大限度地降低解決方案成本。LT8652S的24 mΩ/8 mΩ開關可提供超過90%的效率,而可編程欠壓鎖定(UVLO)zeyouhualexitongxingneng。shuchudianyadeyuanchengchafenjiancekezaizhenggefuzaifanweineibaochigaojingdu,tongshibushouzouxianzukangdeyingxiang,congerzuidaxiandudijianshaowaibubianhuadaozhifuzaisunhuaidekenengxing。qitatexingbaokuoneibu/外部補償、軟啟動、頻率折返和熱關斷保護。
免責聲明:本文為轉載文章,轉載此文目的在於傳遞更多信息,版權歸原作者所有。本文所用視頻、圖片、文字如涉及作品版權問題,請聯係小編進行處理。
推薦閱讀:
- 噪聲中提取真值!瑞盟科技推出MSA2240電流檢測芯片賦能多元高端測量場景
- 10MHz高頻運行!氮矽科技發布集成驅動GaN芯片,助力電源能效再攀新高
- 失真度僅0.002%!力芯微推出超低內阻、超低失真4PST模擬開關
- 一“芯”雙電!聖邦微電子發布雙輸出電源芯片,簡化AFE與音頻設計
- 一機適配萬端:金升陽推出1200W可編程電源,賦能高端裝備製造
- 算力爆發遇上電源革新,大聯大世平集團攜手晶豐明源線上研討會解鎖應用落地
- 築基AI4S:摩爾線程全功能GPU加速中國生命科學自主生態
- 一秒檢測,成本降至萬分之一,光引科技把幾十萬的台式光譜儀“搬”到了手腕上
- AI服務器電源機櫃Power Rack HVDC MW級測試方案
- 突破工藝邊界,奎芯科技LPDDR5X IP矽驗證通過,速率達9600Mbps
- 車規與基於V2X的車輛協同主動避撞技術展望
- 數字隔離助力新能源汽車安全隔離的新挑戰
- 汽車模塊拋負載的解決方案
- 車用連接器的安全創新應用
- Melexis Actuators Business Unit
- Position / Current Sensors - Triaxis Hall



