用PLC實現步進電機的直接控製
發布時間:2022-10-31 責任編輯:lina
【導讀】步進電機的可編程控製器直接控製,可使組合機床自動生產線控製係統的成本顯著下降。文章介紹了用PLC控製步進電機驅動的數控滑台方法,伺服控製、驅動及接口以及步進電機PLC控製的軟件邏輯。
步進電機的可編程控製器直接控製,可使組合機床自動生產線控製係統的成本顯著下降。文章介紹了用PLC控製步進電機驅動的數控滑台方法,伺服控製、驅動及接口以及步進電機PLC控製的軟件邏輯。
1 概述
在組合機床自動線中,一般根據不同的加工精度要求設置三種滑台(1)液壓滑台,用於切削量大,加工精度要求較低的粗加工工序中;(2)機械滑台,用於切削量中等,具有一定加工精度要求的半精加工工序中;(3)數控滑台,用於切削量小,加工精度要求很高的精加工工序中。可編程控製器(簡稱PLC)以其通用性強、可靠性高、指令係統簡單、編程簡便易學、易於掌握、體積小、維修工作少、現場接口安裝方便等一係列優點,被廣泛應用於工業自動控製中。特別是在組合機床自動生產線的控製及CNC機床的S、T、M功能控製更顯示出其卓越的性能。PLC控製的步進電機開環伺服機構應用於組合機床自動生產線上的數控滑台控製,可省去該單元的數控係統使該單元的控製係統成本降低70~90%,甚至隻占用自動線控製單元PLC的3~5個I/O接口及<1KB的內存。特別是大型自動線中可以使控製係統的成本顯著下降。
2 PLC控製的數控滑台結構
一般組合機床自動線中的數控滑台采用步進電機驅動的開環伺服機構。采用PLC控製的數控滑台由可編程控製器、環行脈衝分配器、步進電機驅動器、步進電機和伺服傳動機構等部分組成,見圖1。
圖1
伺服傳動機構中的齒輪Z1、Z2應該采取消隙措施,避免產生反向死區或使加工精度下降;而絲杠傳動副則應該根據該單元的加工精度要求,確定是否選用滾珠絲杠副。采用滾珠絲杠副,具有傳動效率高、係統剛度好、傳動精度高、使用壽命長的優點,但成本較高且不能自鎖。
3 數控滑台的PLC控製方法
數控滑台的控製因素主要有三個:
3.1 行程控製
一般液壓滑台和機械滑台的行程控製是利用位置或壓力傳感器(行程開關/死擋鐵)來實現;而er數shu控kong滑hua台tai的de行xing程cheng則ze采cai用yong數shu字zi控kong製zhi來lai實shi現xian。由you數shu控kong滑hua台tai的de結jie構gou可ke知zhi,滑hua台tai的de行xing程cheng正zheng比bi於yu步bu進jin電dian機ji的de總zong轉zhuan角jiao,因yin此ci隻zhi要yao控kong製zhi步bu進jin電dian機ji的de總zong轉zhuan角jiao即ji可ke。由you步bu進jin電dian機ji的de工gong作zuo原yuan理li和he特te性xing可ke知zhi步bu進jin電dian機ji的de總zong轉zhuan角jiao正zheng比bi於yu所suo輸shu入ru的de控kong製zhi脈mai衝chong個ge數shu;因此可以根據伺服機構的位移量確定PLC輸出的脈衝個數:
n= DL/d (1)
式中 DL——伺服機構的位移量(mm),d ——伺服機構的脈衝當量(mm/脈衝)
3.2 進給速度控製
伺服機構的進給速度取決於步進電機的轉速,而步進電機的轉速取決於輸入的脈衝頻率;因此可以根據該工序要求的進給速度,確定其PLC輸出的脈衝頻率:
f=Vf/60d (Hz) (2)
式中 Vf——伺服機構的進給速度(mm/min)
3.3 進給方向控製
進給方向控製即步進電機的轉向控製。步進電機的轉向可以通過改變步進電機各繞組的通電順序來改變其轉向;如三相步進電機通電順序為A-AB-B-BC-C-CA-A…時步進電機正轉;當繞組按A-AC-C-CB-B-BA-A…順序通電時步進電機反轉。因此可以通過PLC輸出的方向控製信號改變硬件環行分配器的輸出順序來實現,或經編程改變輸出脈衝的順序來改變步進電機繞組的通電順序實現。
4 PLC的軟件控製邏輯
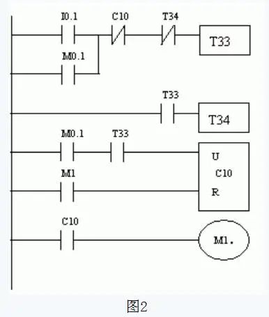
由滑台的PLC控(kong)製(zhi)方(fang)法(fa)可(ke)知(zhi),應(ying)使(shi)步(bu)進(jin)電(dian)機(ji)的(de)輸(shu)入(ru)脈(mai)衝(chong)總(zong)數(shu)和(he)脈(mai)衝(chong)頻(pin)率(lv)受(shou)到(dao)相(xiang)應(ying)的(de)控(kong)製(zhi)。因(yin)此(ci)在(zai)控(kong)製(zhi)軟(ruan)件(jian)上(shang)設(she)置(zhi)一(yi)個(ge)脈(mai)衝(chong)總(zong)數(shu)和(he)脈(mai)衝(chong)頻(pin)率(lv)可(ke)控(kong)的(de)脈(mai)衝(chong)信(xin)號(hao)發(fa)生(sheng)器(qi);對於頻率較低的控製脈衝,可以利用PLC中的定時器構成,如圖2所示。脈衝頻率可以通過定時器的定時常數控製脈衝周期,脈衝總數控製則可以設置一脈衝計數器C10。當脈衝數達到設定值時,計數器C10dongzuoqieduanmaichongfashengqihuilu,shiqitingzhigongzuo。sifujigoudebujindianjiwumaichongshurushibiantingzhiyunzhuan,sifuzhixingjigoudingwei。dangsifuzhixingjigoudeweiyisuduyaoqiujiaogaoshi,keyiyongPLC中的高速脈衝發生器。不同的PLC其高速脈衝的頻率可達4000~6000Hz。對於自動線上的一般伺服機構,其速度可以得到充分滿足。
5 伺服控製、驅動及接口
5.1 步進電機控製係統的組成
步進電機的控製係統由可編程控製器、環行脈衝分配器和步進電機功率驅動器組成,其結構見圖1。
控製係統中PLC用來產生控製脈衝;通過PLC編程輸出一定數量的方波脈衝,控製步進電機的轉角進而控製伺服機構的進給量;同時通過編程控製脈衝頻率——既伺服機構的進給速度;環行脈衝分配器將可編程控製器輸出的控製脈衝按步進電機的通電順序分配到相應的繞組。PLC控製的步進電機可以采用軟件環行分配器,也可以采用如圖1所示的硬件環行分配器。采用軟環占用的PLC資源較多,特別是步進電機繞組相數M>4時,對於大型生產線應該予以充分考慮。采用硬件環行分配器,雖然硬件結構稍微複雜些,但可以節省占用PLC的I/O口點數,目前市場有多種專用芯片可以選用。步進電機功率驅動器將PLC輸出的控製脈衝放大到幾十~上百伏特、幾安~十幾安的驅動能力。一般PLC的輸出接口具有一定的驅動能力,而通常的晶體管直流輸出接口的負載能力僅為十幾~幾十伏特、幾十~幾百毫安。但對於功率步進電機則要求幾十~上百伏特、幾安~十幾安的驅動能力,因此應該采用驅動器對輸出脈衝進行放大。
5.2 可編程控製器的接口
如伺服機構采用硬件環行分配器,則占用PLC的I/O口點數少於5點,一般僅為3點。其中I口占用一點,作為啟動控製信號;O口占用2點,一點作為PLC的脈衝輸出接口,接至伺服係統硬環的時鍾脈衝輸入端,另一點作為步進電機轉向控製信號,接至硬環的相序分配控製端,如圖3所示;伺服係統采用軟件環行分配器時,其接口如圖4。
6 應用實例與結論
將PLC控製的開環伺服機構用於某大型生產線的數控滑台,每個滑台僅占用4個I/O接口,節省了CNC控製係統,其脈衝當量為0.01~0.05mm,進給速度為Vf=3~15m/min,完全滿足工藝要求和加工精度要求。
免責聲明:本文為轉載文章,轉載此文目的在於傳遞更多信息,版權歸原作者所有。本文所用視頻、圖片、文字如涉及作品版權問題,請聯係小編進行處理。
推薦閱讀:
- 噪聲中提取真值!瑞盟科技推出MSA2240電流檢測芯片賦能多元高端測量場景
- 10MHz高頻運行!氮矽科技發布集成驅動GaN芯片,助力電源能效再攀新高
- 失真度僅0.002%!力芯微推出超低內阻、超低失真4PST模擬開關
- 一“芯”雙電!聖邦微電子發布雙輸出電源芯片,簡化AFE與音頻設計
- 一機適配萬端:金升陽推出1200W可編程電源,賦能高端裝備製造
- 貿澤EIT係列新一期,探索AI如何重塑日常科技與用戶體驗
- 算力爆發遇上電源革新,大聯大世平集團攜手晶豐明源線上研討會解鎖應用落地
- 創新不止,創芯不已:第六屆ICDIA創芯展8月南京盛大啟幕!
- AI時代,為什麼存儲基礎設施的可靠性決定數據中心的經濟效益
- 築基AI4S:摩爾線程全功能GPU加速中國生命科學自主生態
- 車規與基於V2X的車輛協同主動避撞技術展望
- 數字隔離助力新能源汽車安全隔離的新挑戰
- 汽車模塊拋負載的解決方案
- 車用連接器的安全創新應用
- Melexis Actuators Business Unit
- Position / Current Sensors - Triaxis Hall



