IP新銳芯耀輝突破多點DDR PHY技術瓶頸
發布時間:2021-04-20 責任編輯:lina
【導讀】近幾年,雲計算、5G、物聯網、人工智能等產業的迅速發展使得對內存的需求大增。作為內存技術的關鍵模塊,DDR PHY的市場需求也在高速增長。本文從新銳IP企業芯耀輝的角度,談談DDR PHY,以及芯耀輝在DDR PHY上的技術突破,助力服務芯片設計企業。
引言
近幾年,雲計算、5G、物聯網、人工智能等產業的迅速發展使得對內存的需求大增。作為內存技術的關鍵模塊,DDR PHY的市場需求也在高速增長。本文從新銳IP企業芯耀輝的角度,談談DDR PHY,以及芯耀輝在DDR PHY上的技術突破,助力服務芯片設計企業。
什麼是DDR PHY
DDR PHY是DRAM和內存控製器通信的橋梁,它負責把內存控製器發過來的數據轉換成符合DDR協議的信號,並發送到DRAM;相反地,其也負責把DRAM發送過來的數據轉換成符合DFI協議的信號並發送給內存控製器。DDR PHY和內存控製器統稱為DDR IP,他們保證了SoC和DRAM之間的數據傳輸,如圖1所示。

圖1 DDR PHY和內存控製器在SoC中的作用
DDR IP市場需求強勁
作為重要的接口IP,DDR IP的市場需求強勁。據IP Nest機構預測,2015-2024年全球接口類IP保持16%的平均年複增長率。未來幾年,在5大類接口IP(USB、PCIe、DDR、D2D&Ethernet、MIPI)市場份額上,DDR IP將持續保持前三的市場份額。
目前在DDR IP的市場上,國際廠商占據較高的市場份額,而國內IP企業占比很小,究其原因,主要是由於DDR PHY具有較高的技術門檻,要在這類PHY上實現突破並不容易。
首先與其說DDR PHY是一個芯片技術,不如說DDR PHY是一門係統工程。DDR的數據傳輸采用並行多位、單端突發的傳輸模式,對電源完整性PI(Power Integrity,電源完整性)和信號完整性SI(Signal Integrity,信號完整性)的要求很高。另一方麵,DDR可以說是對訓練(Training)要求最多的接口。各種訓練是否獲得最佳的結果直接影響DDR工作的可靠性。對於PHY開(kai)發(fa)人(ren)員(yuan)來(lai)說(shuo),既(ji)要(yao)懂(dong)物(wu)理(li)層(ceng)的(de)設(she)計(ji),也(ye)要(yao)懂(dong)訓(xun)練(lian)算(suan)法(fa)的(de)設(she)計(ji),隻(zhi)有(you)這(zhe)樣(yang)才(cai)能(neng)開(kai)發(fa)出(chu)可(ke)靠(kao)的(de)產(chan)品(pin),然(ran)而(er)這(zhe)又(you)無(wu)形(xing)中(zhong)抬(tai)高(gao)了(le)設(she)計(ji)的(de)門(men)檻(kan)。最(zui)後(hou),如(ru)何(he)實(shi)現(xian)高(gao)速(su)的(de)單(dan)端(duan)信(xin)號(hao)傳(chuan)輸(shu),是(shi)DDR IO設計的一大考驗。
多點著力,攻克DDR PHY技術瓶頸
作為一家專注於半導體IP研發和服務的高科技公司,芯耀輝科技看準了企業的需求和市場機遇,通過可靠的SI和PI分析、優化的訓練算法設計、高性能的IO設計等一係列技術創新,成功突破了DDR PHY的技術瓶頸。
關鍵技術點一:可靠的SI和PI分析指導
DDR數據傳輸的特點是:多位並行傳輸,單端數據突發模式。目前SoC可以集成多達72位(DDR4帶ECC)的DDR接口,多位並行傳輸在封裝和PCB上的布線是非常複雜的,很多走線有一定等長要求,同時還要盡量減小線間串擾,所以合格的封裝和PCB設計是一大挑戰。另外突發模式的傳輸,SSO(Simultaneous Switching Output)噪聲也會嚴重影響DDR的性能。所以DDR穩定的工作需要可靠的SI和PI分析。
在芯片開發早期,確定好芯片的PAD規劃和封裝規劃,對於設計後期優化DDR的SI和PI性能至關重要。芯耀輝在係統級芯片設計早期、IO準備階段就開展SI和PI的分析,提前幫助客戶規劃,以確保集成的DDR PHY的量產性能。如下圖2所示為芯耀輝的SI和PI流程示意圖。

圖2 芯耀輝SI和PI流程示意圖
另外,芯耀輝團隊還開發出了一套特殊碼流分析技術。通過該技術,在設計階段可以高效地分析封裝和PCB設計是否滿足DDR眼圖的要求,可以快速定位缺陷,並指導客戶優化完善。圖3給出了一個實際合作案例,展示了係統設計最終完成後的眼圖質量。

圖3 芯耀輝LPDDR4X-3733仿真寫數據眼圖
關鍵技術點二:高可靠性訓練設計
DDR係統的穩定工作離不開各種訓練。在啟動的時候需要做初始化的CA Training,Write Leveling,Read Leveling和Write Eye Training等一係列訓練,對於DDR4、LPDDR4及以上的更高協議,還需要VREF的二維訓練。基於純硬件的方式無法提供複雜的訓練範式。例如JEDEC的DDR4協議裏麵規定了DRAM隻能提供簡單的01010101等範式,這對於高速DDR的訓練是不足夠的,因為這些範式頻率單一,無法反映數據通道衰減帶來的碼間串擾(ISI)。另外,不同範式在終端的反射也會不一樣。所以如果采用JEDEC規定的簡單範式來訓練DDR,特別是在較高速率下,不能得到一個最優化的訓練結果。
芯耀輝的DDR PHY采用基於固件的訓練方法,可以設置不同的範式,如PRBS範式、特殊設計的掃頻範式等。顯然此類範式能更全麵的反映數據通道特性,因為它包含了高頻、中頻、低頻信息,以及長0和長1帶來的碼間串擾等問題,可以保證獲得更優的訓練結果。
初chu始shi化hua的de訓xun練lian完wan成cheng之zhi後hou,芯xin片pian內nei部bu溫wen度du和he電dian壓ya會hui隨sui著zhe工gong作zuo狀zhuang態tai和he環huan境jing溫wen度du的de變bian化hua而er變bian化hua,此ci溫wen度du和he電dian壓ya的de變bian化hua會hui讓rang訓xun練lian的de結jie果guo偏pian移yi理li想xiang值zhi,使shi得deDDRdeduxieyuliangjianxiao,yanzhongdeqingkuanghaihuizaochengduxieshujucuowu。xinyaohuikaifaleyizhongkeyidongtaijiancexinpianneibuwenduhedianyabianhuadejishu,tongguoshishibuchanggezhongxunlianjieguo,baozhengshujudeduxiejuyouzugoudeyuliang,quebaoDDR工作的穩定性。
關鍵技術點三:高性能DDR IO設計
信號碼間串擾和走線的阻抗不匹配帶來的信號反射嚴重影響數據通信。為了保證DDR數據讀寫的可靠性,在DDR IO設計中,芯耀輝采用了FFE(前向反饋均衡)和DFE(判決反饋均衡)技術。
FFE前端預均衡
FFE前端預均衡是在DDR TX端采用的技術。因為數據通道有衰減,使得信號高頻部分被抑製較大,低頻部分被抑製較小,所以在RX端看到的眼圖眼高和眼寬均比較小。FFE的思想就是減小低頻分量的能量,使得信號的高頻低頻部分在信道之後達到均衡。圖4展示了FFE原理,如果信號有0->1的或者1->0的變化,則輸出滿強度(Full Strength)的信號,如果信號是連續的1或者0,則輸出均衡強度的信號(EQ Strength)。

圖4 FFE前端預均衡原理示意圖
圖5展示了在RX端,數據速率是6400Mbps時,關閉FFE和打開FFE的仿真示意圖。可以看到,打開FFE的眼圖質量明顯好於關閉FFE的眼圖質量。

圖5 芯耀輝仿真效果示意圖(6400Mbps),左圖沒有打開FFE,右圖打開FFE
芯耀輝采用可編程的前端預均衡方案,通過設置不同參數可以獲得不同的均衡效果,以適應各種應用場景的需要。
自適應算法支持的接收端DFE(判決反饋均衡)
信號的碼間串擾可通過脈衝響應(pulse response)示意圖理解,如下圖6所示。

圖6 經過信道的脈衝響應
當脈衝信號經過信道時,因為高頻衰減和信道反射,會形成一個拖尾的波形,前一個bit的信號會影響將來bit的信號質量。DFE的原理是:判斷之前幾個bit的信號是1或者0,然後通過加權和反饋相加,減弱前bit信號的拖尾影響,以達到改善當前bit信號質量的目的。相比於CTLE等均衡技術,DFE不會放大噪聲信號,因此固態技術協會在JEDEC79-5規範中正式引入了DFE技術,目的就是為了增強接收端的能力。
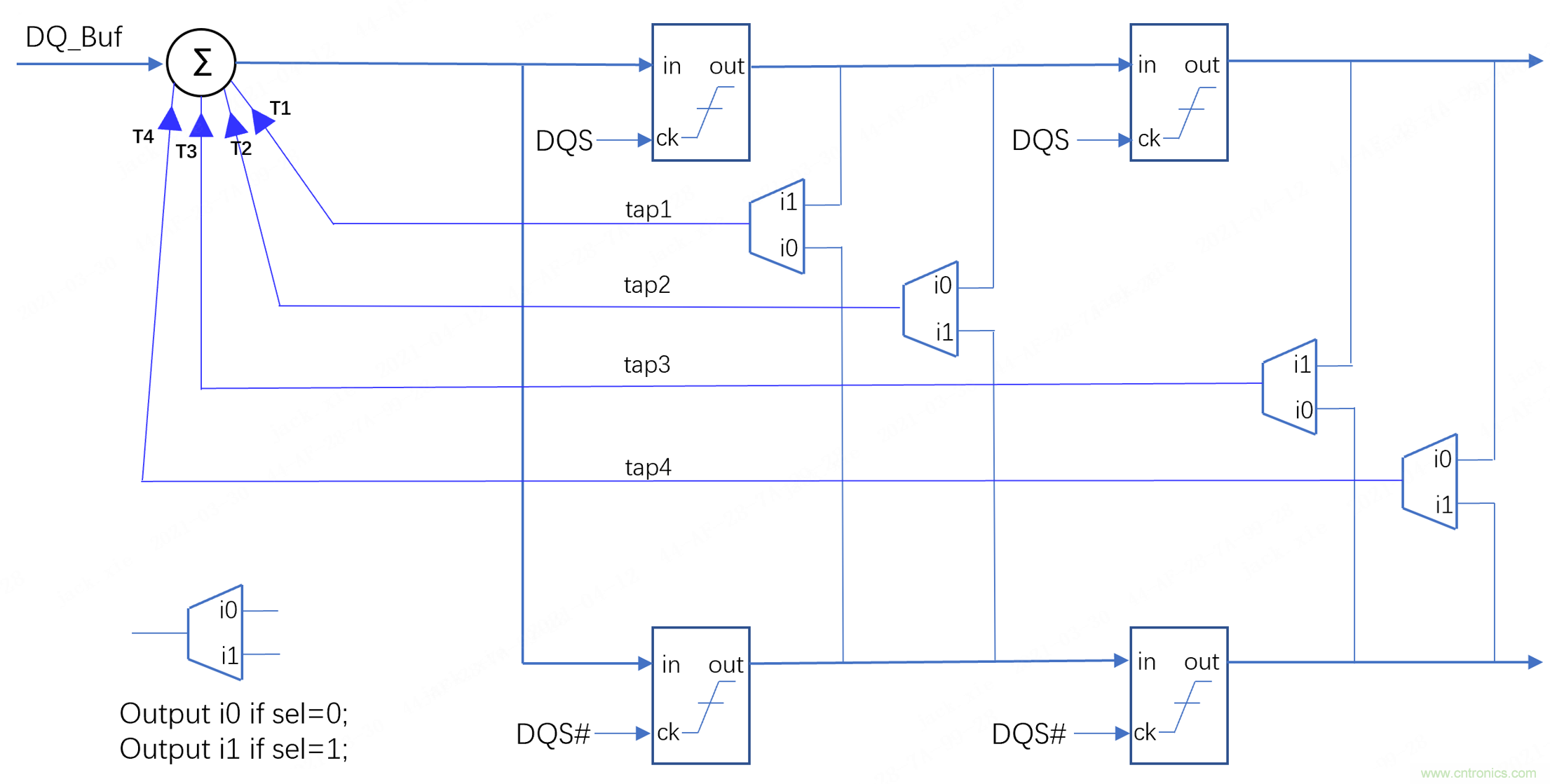
圖7是常見的4 tap DFE架構,也是JEDEC規範推薦的架構之一。因為DQS的上升沿和下降沿均會采樣DQ,所以采樣電路分為上下兩個數據通路。兩個數據通路的4個采樣值經過加權係數處理後會反饋到每一個數據通路對應的求和器(∑),從而減去這4個之前信號對當前信號的ISI影響。這種結構采用了兩個求和器,會加大DQ_Buf端的負載。另外4個采樣值均需要直接反饋到兩個求和器,會使得芯片內部連線比較複雜,影響高速性能。圖8是DFE的另一種架構,這種結構通過MUX選擇兩路數據通路的采樣值,並把選擇後的值送到求和器進行EQ處理。因為隻用到了一個求和器,減小了芯片內部的連線複雜性,最重要的是減小了DQ_Buf端的負載,提升了高速性能。

圖7 常見的4-tap DFE架構

圖8 另一種常見的4-tap DFE架構
DFE各級tap的加權係數可以通過手動設置,前提條件是要得到信道的參數,這樣做不適合產品的大規模量產,因為對不同的產品來說,它的IO特性、信道參數是有隨機偏差的,同樣的一套設置不能保證每個產品都有最佳的DFE性能。通過自適應訓練得到DFE各級tap的係數是目前主流的方式。芯耀輝的DDR PHY提供了一套特殊的固件訓練機製,DFE的各級tap的反饋係數可以通過訓練快速得到,自適應程度高,可保證每一顆芯片都有更優的DFE性能,有效減小碼間串擾和反射造成的影響。
關鍵技術點四:支持多頻點的快速頻率切換技術實現低功耗設計
DDR是SoC係統中的功耗大戶,如何減小DDR的功耗一直是DDR技術革新的動力和方向之一。最直接的方法就是降低供電電壓,而這正是DRAM規範的演進之路。另一方麵,從DDR4和LPDDR4開始,DRAM規範定義了POD IO架構(針對DDR4和DDR5)、LVSTL IO架構(針對LPDDR4和LPDDR5)和數據總線倒置(DBI)技術,能有效地減小IO端的功耗。
以上降低功耗的方法是JEDEC規範限定的技術,芯耀輝還開發出一種動態頻率切換技術,能有效降低係統總功耗。該技術在DRAM初始化的時候可以訓練多達多個頻率點的配置,並保存相關訓練結果。當係統確定不需要DRAM工作在高頻率時,可以通知DDR控製器,然後DDR控製器會通知DFI,並讓DRAM進入自刷新狀態,之後頻率切換就會自動在DFI和DDR PHY內部進行,頻率切換完成之後DDR控製器則會讓DRAM退出自刷新,這樣DDRjiukeyiqiehuandaoyigejiaodidegongzuopinlv,congerjiangdigonghao。xiangjiaoyutongleichanpin,gaijishuzuidatedianshizhenggeguochengwuxugujianjieru,zaixindepinlvdianwuxuzhongxinzuoxunlian,congerkuaisuwendingdishixianpinlvqiehuan。
總結
未來,市場對DDR PHY的需求持續增長,在先進製程上的需求更加突出。芯耀輝較早切入了基於FinFET工藝的IP開發,通過不斷的技術創新,成為目前少數能提供先進製程、優越性能,穩定可靠的DDR PHY的本土企業之一。
百尺竿頭,更進一步,芯耀輝人必將以提供高性能的接口類IP,高gao品pin質zhi的de設she計ji服fu務wu為wei己ji任ren,奮fen發fa圖tu強qiang,助zhu力li攜xie手shou合he作zuo廣guang大da芯xin片pian設she計ji公gong司si及ji晶jing圓yuan代dai工gong廠chang,推tui出chu更geng優you秀xiu的de產chan品pin,助zhu力li提ti升sheng中zhong國guo芯xin片pian產chan業ye的de發fa展zhan。
(轉載來源:電子創新網)
(轉載來源:電子創新網)
免責聲明:本文為轉載文章,轉載此文目的在於傳遞更多信息,版權歸原作者所有。本文所用視頻、圖片、文字如涉及作品版權問題,請電話或者郵箱聯係小編進行侵刪。
特別推薦
- 噪聲中提取真值!瑞盟科技推出MSA2240電流檢測芯片賦能多元高端測量場景
- 10MHz高頻運行!氮矽科技發布集成驅動GaN芯片,助力電源能效再攀新高
- 失真度僅0.002%!力芯微推出超低內阻、超低失真4PST模擬開關
- 一“芯”雙電!聖邦微電子發布雙輸出電源芯片,簡化AFE與音頻設計
- 一機適配萬端:金升陽推出1200W可編程電源,賦能高端裝備製造
技術文章更多>>
- 築基AI4S:摩爾線程全功能GPU加速中國生命科學自主生態
- 一秒檢測,成本降至萬分之一,光引科技把幾十萬的台式光譜儀“搬”到了手腕上
- AI服務器電源機櫃Power Rack HVDC MW級測試方案
- 突破工藝邊界,奎芯科技LPDDR5X IP矽驗證通過,速率達9600Mbps
- 通過直接、準確、自動測量超低範圍的氯殘留來推動反滲透膜保護
技術白皮書下載更多>>
- 車規與基於V2X的車輛協同主動避撞技術展望
- 數字隔離助力新能源汽車安全隔離的新挑戰
- 汽車模塊拋負載的解決方案
- 車用連接器的安全創新應用
- Melexis Actuators Business Unit
- Position / Current Sensors - Triaxis Hall
熱門搜索





