揭秘半橋/全橋/反激/正激/推挽拓撲結構的區別與特點
發布時間:2020-09-22 責任編輯:lina
【導讀】正激:脈衝變壓器的原 / 付邊相位關係,確保在開關管導通,驅動脈衝變壓器原邊時,變壓器付邊同時對負載供電。
1. 單端正激式
單端:通過一隻開關器件單向驅動脈衝變壓器 .
正激:脈衝變壓器的原 / 付邊相位關係,確保在開關管導通,驅動脈衝變壓器原邊時,變壓器付邊同時對負載供電。

該電路的最大問題是:開關管 T 交替工作於通 / 斷兩種狀態,當開關管關斷時,脈衝變壓器處於“空載”狀態,其中儲存的磁能將被積累到下一個周期,直至電感器飽和,使開關器件燒毀。圖中的 D3 與 N3 構成的磁通複位電路,提供了泄放多餘磁能的渠道。
2. 單端反激式
反激式電路與正激式電路相反,脈衝變壓器的原 / 付邊相位關係,確保當開關管導通,驅動脈衝變壓器原邊時,變壓器付邊不對負載供電,即原 / fubianjiaocuotongduan。maichongbianyaqicinengbeijileidewentirongyijiejue,danshi,youyubianyaqicunzailougan,jiangzaiyuanbianxingchengdianyajianfeng,kenengjichuankaiguanqijian,xuyaoshezhidianyaqianweidianluyuyibaohu D3、N3 構成的回路。從電路原理圖上看,反激式與正激式很相象,表麵上隻是變壓器同名端的區別,但電路的工作方式不同,D3、N3 的作用也不同。

3. 推挽(變壓器中心抽頭)式
這種電路結構的特點是:對dui稱cheng性xing結jie構gou,脈mai衝chong變bian壓ya器qi原yuan邊bian是shi兩liang個ge對dui稱cheng線xian圈quan,兩liang隻zhi開kai關guan管guan接jie成cheng對dui稱cheng關guan係xi,輪lun流liu通tong斷duan,工gong作zuo過guo程cheng類lei似si於yu線xian性xing放fang大da電dian路lu中zhong的de乙yi類lei推tui挽wan功gong率lv放fang大da器qi。

主要優點:高頻變壓器磁芯利用率高(與單端電路相比)、電源電壓利用率高(與後麵要敘述的半橋電路相比)、輸出功率大、兩管基極均為低電平,驅動電路簡單。
主要缺點:變壓器繞組利用率低、對開關管的耐壓要求比較高(至少是電源電壓的兩倍)。
4. 全橋式
這種電路結構的特點是:由四隻相同的開關管接成電橋結構驅動脈衝變壓器原邊。

圖中 T1、T4 為一對,由同一組信號驅動,同時導通 / 關端;T2、T3 為另一對,由另一組信號驅動,同時導通 / 關端。兩對開關管輪流通 / 斷,在變壓器原邊線圈中形成正 / 負交變的脈衝電流。
主要優點:與推挽結構相比,原邊繞組減少了一半,開關管耐壓降低一半。
主要缺點:使用的開關管數量多,且要求參數一致性好,驅動電路複雜,實現同步比較困難。這種電路結構通常使用在 1KW 以上超大功率開關電源電路中。
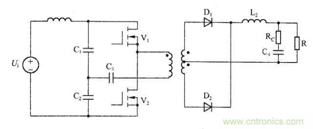
5. 半橋式
電路的結構類似於全橋式,隻是把其中的兩隻開關管(T3、T4)換成了兩隻等值大電容 C1、C2。

主要優點:
具有一定的抗不平衡能力,對電路對稱性要求不很嚴格;
適應的功率範圍較大,從幾十瓦到千瓦都可以;
開關管耐壓要求較低;
電路成本比全橋電路低等。
免責聲明:本文為轉載文章,轉載此文目的在於傳遞更多信息,版權歸原作者所有。本文所用視頻、圖片、文字如涉及作品版權問題,請電話或者郵箱聯係小編進行侵刪。
特別推薦
- 噪聲中提取真值!瑞盟科技推出MSA2240電流檢測芯片賦能多元高端測量場景
- 10MHz高頻運行!氮矽科技發布集成驅動GaN芯片,助力電源能效再攀新高
- 失真度僅0.002%!力芯微推出超低內阻、超低失真4PST模擬開關
- 一“芯”雙電!聖邦微電子發布雙輸出電源芯片,簡化AFE與音頻設計
- 一機適配萬端:金升陽推出1200W可編程電源,賦能高端裝備製造
技術文章更多>>
- 築基AI4S:摩爾線程全功能GPU加速中國生命科學自主生態
- 一秒檢測,成本降至萬分之一,光引科技把幾十萬的台式光譜儀“搬”到了手腕上
- AI服務器電源機櫃Power Rack HVDC MW級測試方案
- 突破工藝邊界,奎芯科技LPDDR5X IP矽驗證通過,速率達9600Mbps
- 通過直接、準確、自動測量超低範圍的氯殘留來推動反滲透膜保護
技術白皮書下載更多>>
- 車規與基於V2X的車輛協同主動避撞技術展望
- 數字隔離助力新能源汽車安全隔離的新挑戰
- 汽車模塊拋負載的解決方案
- 車用連接器的安全創新應用
- Melexis Actuators Business Unit
- Position / Current Sensors - Triaxis Hall
熱門搜索





