利用熱敏電阻設計溫控式風扇
發布時間:2012-11-09 責任編輯:rexliu
【導讀】溫wen控kong式shi風feng扇shan是shi通tong過guo智zhi能neng溫wen度du控kong製zhi,使shi風feng扇shan可ke以yi感gan知zhi環huan境jing的de溫wen度du,以yi調tiao節jie風feng扇shan的de轉zhuan速su,達da到dao更geng好hao的de工gong作zuo效xiao果guo。其qi中zhong有you個ge比bi較jiao重zhong要yao的de元yuan器qi件jian就jiu是shi熱re敏min電dian阻zu,它ta屬shu於yu負fu溫wen度du係xi數shu熱re敏min電dian阻zu,溫wen度du升sheng高gao,阻zu值zhi變bian小xiao,給gei風feng扇shan提ti供gong了le比bi較jiao合he適shi的de工gong作zuo電dian壓ya。
remindianzuwendukongzhifengshan,yibanjianchengwenkongshifengshan,bujinshiyongfangbian,erqiejieneng,shidianfengshandeyizhongweilaifazhanfangxiang。qiyuanyinshitongguozhinengwendukongzhi,shifengshankeyiganzhihuanjingdewendu,yitiaojiefengshandezhuansu,dadaogenghaodegongzuoxiaoguo。qizhongyougebijiaozhongyaodeyuanqijianjiushiremindianzu,tashuyufuwenduxishuremindianzu,wendushenggao,zuzhibianxiao,geifengshantigonglebijiaoheshidegongzuodianya。
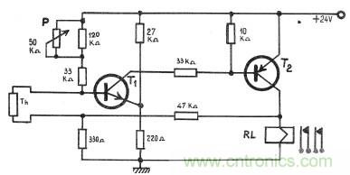
這裏介紹的這種電子電路,可用於溫控式風扇或其他設備使用,可以構建一個非常簡單的電子溫控電路 。撕開或關閉受控的溫度設置使用50kohms電位。當溫度超過預設溫度低,T2晶體管進行激活繼電器熱元件(熱敏電阻),或者如果在繼電器端子連接風扇,電路將關閉風扇。

T1的晶體管必須是NPN型BCY58類型(或類似)和T2的晶體管必須是 PNP型BCY78(或類似)。熱敏電阻器必須安裝在那個地方,需要一個恒定的溫度(溫度控製)。這種電子溫控電路需要使用一個24伏直流電源供電,所以你需要使用一個24伏繼電器。在這個項目中所用的熱敏電阻值5K歐姆。

圖:f8 tc 熱敏電阻溫控機箱風扇
特別推薦
- 噪聲中提取真值!瑞盟科技推出MSA2240電流檢測芯片賦能多元高端測量場景
- 10MHz高頻運行!氮矽科技發布集成驅動GaN芯片,助力電源能效再攀新高
- 失真度僅0.002%!力芯微推出超低內阻、超低失真4PST模擬開關
- 一“芯”雙電!聖邦微電子發布雙輸出電源芯片,簡化AFE與音頻設計
- 一機適配萬端:金升陽推出1200W可編程電源,賦能高端裝備製造
技術文章更多>>
- 築基AI4S:摩爾線程全功能GPU加速中國生命科學自主生態
- 一秒檢測,成本降至萬分之一,光引科技把幾十萬的台式光譜儀“搬”到了手腕上
- AI服務器電源機櫃Power Rack HVDC MW級測試方案
- 突破工藝邊界,奎芯科技LPDDR5X IP矽驗證通過,速率達9600Mbps
- 通過直接、準確、自動測量超低範圍的氯殘留來推動反滲透膜保護
技術白皮書下載更多>>
- 車規與基於V2X的車輛協同主動避撞技術展望
- 數字隔離助力新能源汽車安全隔離的新挑戰
- 汽車模塊拋負載的解決方案
- 車用連接器的安全創新應用
- Melexis Actuators Business Unit
- Position / Current Sensors - Triaxis Hall
熱門搜索
微波功率管
微波開關
微波連接器
微波器件
微波三極管
微波振蕩器
微電機
微調電容
微動開關
微蜂窩
位置傳感器
溫度保險絲
溫度傳感器
溫控開關
溫控可控矽
聞泰
穩壓電源
穩壓二極管
穩壓管
無焊端子
無線充電
無線監控
無源濾波器
五金工具
物聯網
顯示模塊
顯微鏡結構
線圈
線繞電位器
線繞電阻



