無線傳感器網絡節點的設計與實現
發布時間:2012-03-01
中心議題:
- 無線傳感器網絡節點係統概述
- 無線傳感器網絡節點硬件設計
- 無線傳感器網絡節點設計認證
本文設計了一種具有質量輕、體積小、低成本、低能耗的無線傳感器網絡節點。該節點由MSP430單片機、CC2420射頻收發器、FT232BM轉換芯片、SHT11溫度濕度傳感器、外圍芯片、電源電路以及JTAG調試接口組成。通過JTAG調試,以及安裝TinyOS操作係統,節點較好地實現了數據采集、無線傳輸以及無線網絡功能。
無線傳感器網絡是信息技術發展到一定階段後出現的一種聚合傳感器、嵌入式、現代網絡以及無線通信、分布式信息處理等多種綜合性的技術。傳感器網絡能夠廣泛用於軍事、環境監測和預報、健康護理、智能家居、建築物狀態監控、複雜機械控製、城市交通、空間探索、大型車間和倉庫管理,以及機場、大型工業園區的安全監測等領域。文中設計了一種無線傳感器節點,硬件設計基於Moteiv方案,采用超低功耗單片機MSP430F1611作為數據處理芯片,以CC2420無線射頻芯片作為收發芯片,並擁有JTAG以及其他擴展接口。通過硬件測試以及軟件調試該節點符合設計指標。
1 係統概述
wuxianchuanganqiwangluoyoudaliangwuxianchuanganqijiedianzucheng,meigejiedianyouchuanganqicaijishuju,shujuchulixinpianfuzejieshouhechulichuanganqicaijidaodeshuju,tongguowuxianshepinxinpianjinxingshujudewuxianchuanshuyujieshouyijiwuxianzuwanggongneng。USB接口可以作為電源以及編程接口,一線矽序列號可作為節點的唯一標識,Fla sh芯片用於存儲數據,JTAG口用於調試與編程。

圖1 係統框圖
2 硬件設計
節點主要由6部分組成:電源單元、無線射頻模塊、傳感器模塊、USB通信模塊和微處理器。
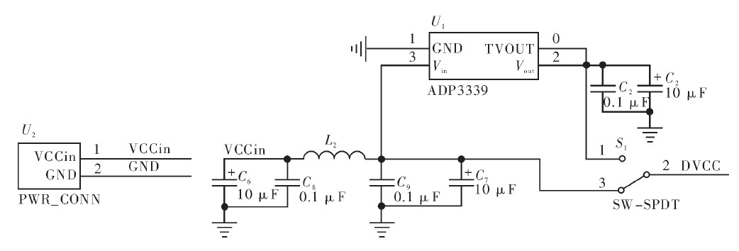
2.1 電源單元
傳chuan感gan器qi節jie點dian體ti積ji微wei小xiao,通tong常chang攜xie帶dai能neng量liang有you限xian的de電dian池chi。能neng量liang供gong應ying模mo塊kuai在zai無wu線xian傳chuan感gan器qi節jie點dian中zhong至zhi關guan重zhong要yao,為wei傳chuan感gan器qi節jie點dian各ge部bu分fen提ti供gong能neng量liang。需xu要yao長chang時shi間jian數shu據ju采cai集ji的de傳chuan感gan器qi有you的de需xu要yao太tai陽yang能neng等deng方fang式shi來lai維wei持chi節jie點dian的de正zheng常chang運yun轉zhuan。節jie點dian的de各ge部bu分fen也ye需xu要yao精jing心xin設she計ji。節jie點dian微wei處chu理li器qi的de工gong作zuo電dian壓ya為wei1.8~3.6 V,無線射頻芯片工作電壓為2.1~3.6 V,Flash供電電壓為2.7~3.6 V,USB轉換芯片由USB供電。因此電源可以選用3 V紐扣電池供電,有效減少了節點的大小。另外USB也可以作為供電源,同時作為編程電源,電源單元如圖2所示。LC濾波單元對交流電具有較好的濾波效果,同時又不會降低直流輸出電壓。低壓差的穩壓器ADP3339保證了電源較好的穩壓性。

圖2 電源單元
[page]
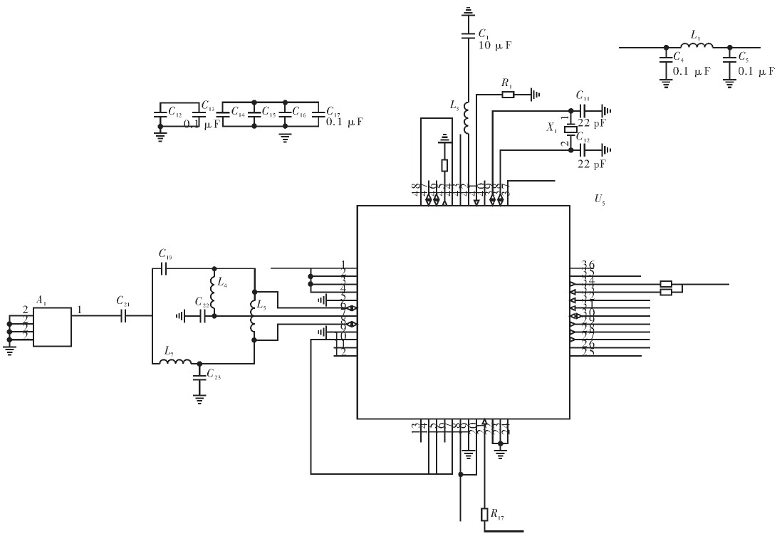
2.2 無線射頻模塊
節點中的無線收發機,采用Chipcon公司推出的一款兼容2.4GHz IEEE 802.15.4的無線收發芯片CC2420.它基於Chipeon公司的Smart RF03技術,使用0.18μm CMOS工藝生產,具有較高的集成度。該芯片體積小、功耗低,具有完全集成的壓控振蕩器,隻需天線、16 MHz晶體等少量外圍電路就能在2.4GHz頻段上工作。CC2420采用O-QPSK調製方式;超低電流消耗,接收靈敏度可達到-94dBm,抗鄰道幹擾能力強,其選擇性和敏感性指數超過了IEEE 802.15.4標準的要求,可確保短距離通信的有效性和可靠性。利用此芯片開發的無線通信設備支持數據傳輸速率高達250 kbit·s-1,可實現多點對多點的快速組網。

圖3 無線射頻模塊
圖3中無線射頻模塊的外圍電路采用CC2420手(shou)冊(ce)提(ti)供(gong)的(de)典(dian)型(xing)應(ying)用(yong)電(dian)路(lu)的(de)器(qi)件(jian)數(shu)值(zhi),這(zhe)樣(yang)保(bao)證(zheng)了(le)芯(xin)片(pian)能(neng)工(gong)作(zuo)在(zai)正(zheng)常(chang)狀(zhuang)態(tai)。另(ling)外(wai)為(wei)達(da)到(dao)最(zui)優(you)性(xing)能(neng),必(bi)須(xu)使(shi)用(yong)電(dian)源(yuan)去(qu)耦(ou),去(qu)耦(ou)電(dian)容(rong)和(he)電(dian)源(yuan)過(guo)濾(lv)的(de)設(she)置(zhi)和(he)大(da)小(xiao)對(dui)於(yu)在(zai)應(ying)用(yong)中(zhong)獲(huo)得(de)最(zui)優(you)性(xing)能(neng)起(qi)著(zhe)關(guan)鍵(jian)作(zuo)用(yong),TI提供一個緊湊的參考設計,必須嚴格按照該設計進行。同時增加數字、模擬電源采用電容濾波。CC2420需要一個16 MHz的參考時鍾用於傳輸速率為250 kbit·s-1的de數shu據ju收shou發fa,參can考kao時shi鍾zhong可ke以yi來lai自zi外wai部bu時shi鍾zhong源yuan,也ye可ke以yi由you內nei部bu晶jing體ti振zhen蕩dang器qi產chan生sheng,這zhe裏li采cai用yong內nei部bu晶jing體ti振zhen蕩dang器qi產chan生sheng的de方fang式shi。天tian線xian阻zu抗kang匹pi配pei至zhi關guan重zhong要yao,為wei獲huo得de較jiao好hao的de發fa射she功gong率lv,在zai原yuan有you基ji礎chu上shang對dui部bu分fen電dian容rong、電感進行了適當的調整。CC2420與微控製器的通信通過4線SPI總線實現(SI、SO、SCLK、CSn),通過控製FIFO和FIFOP管腳接口狀態可以使芯片工作在發射或接收模式,另外CCA用於空閑信道評估,SFD用於控製時鍾或定時信息的輸入。
2.3 傳感器模塊
傳感器是無線傳感器節點的數據采集單元,可以根據實際需要選用不同的傳感器,節點采用溫度、濕度傳感器SHT11.SHT11是一款將溫度、濕度傳感器、信號放大調理器、A/D轉換器和總線接口集成於一個芯片上的單片全校準數據輸出傳感器,它可以直接提供溫度在-40~120℃範圍內且分辨率為14 bit的數字輸出和濕度在0~100%RH範圍內且分辨率為12 bit的數字輸出。傳感器及外圍模塊如圖4所示。

圖4 傳感器模塊
SHT11電源供電要求為2.4~5.5V,電源和時鍾信號均由微處理器提供,數據線管腳三態輸出,因此需要外界一個上拉電阻將信號拉高。
[page]
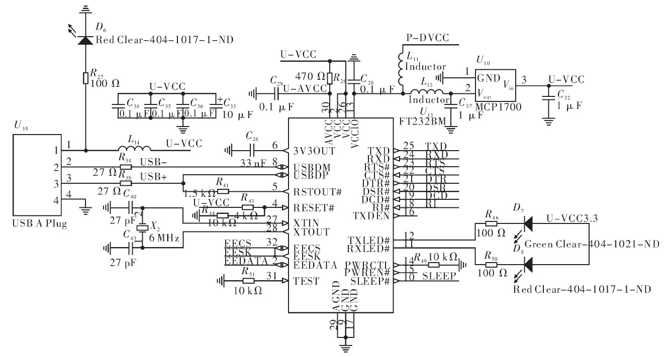
2.4 USB通信模塊
無線傳感器網絡由大量節點組成,這些節點按一定協議將采集的數據進行融合、傳輸,最終將數據傳送到個人電腦上進行處理和觀察,同時節點工作需要將特定的程序寫入Flash中。目前個人電腦最常用的接口為USB,而微處理器使用USART接口,為實現兩種接口之間轉換,節點使用FT232BM芯片作為轉換芯片。FT232BM是一種單片USB到異步串口轉換芯片,支持全握手和調製解調接口信號,在TTL級數據傳輸速度範圍為300 bit·s-1~3 Mbit·s-1.芯片通過USB總線供電,工作電壓為4.35~5.25 V,采用外部6 MHz時鍾。USB PID、序列號和產品信息可以保存在外部EEPROM中。USB通信模塊接口如圖5所示。

圖5 USB通信模塊
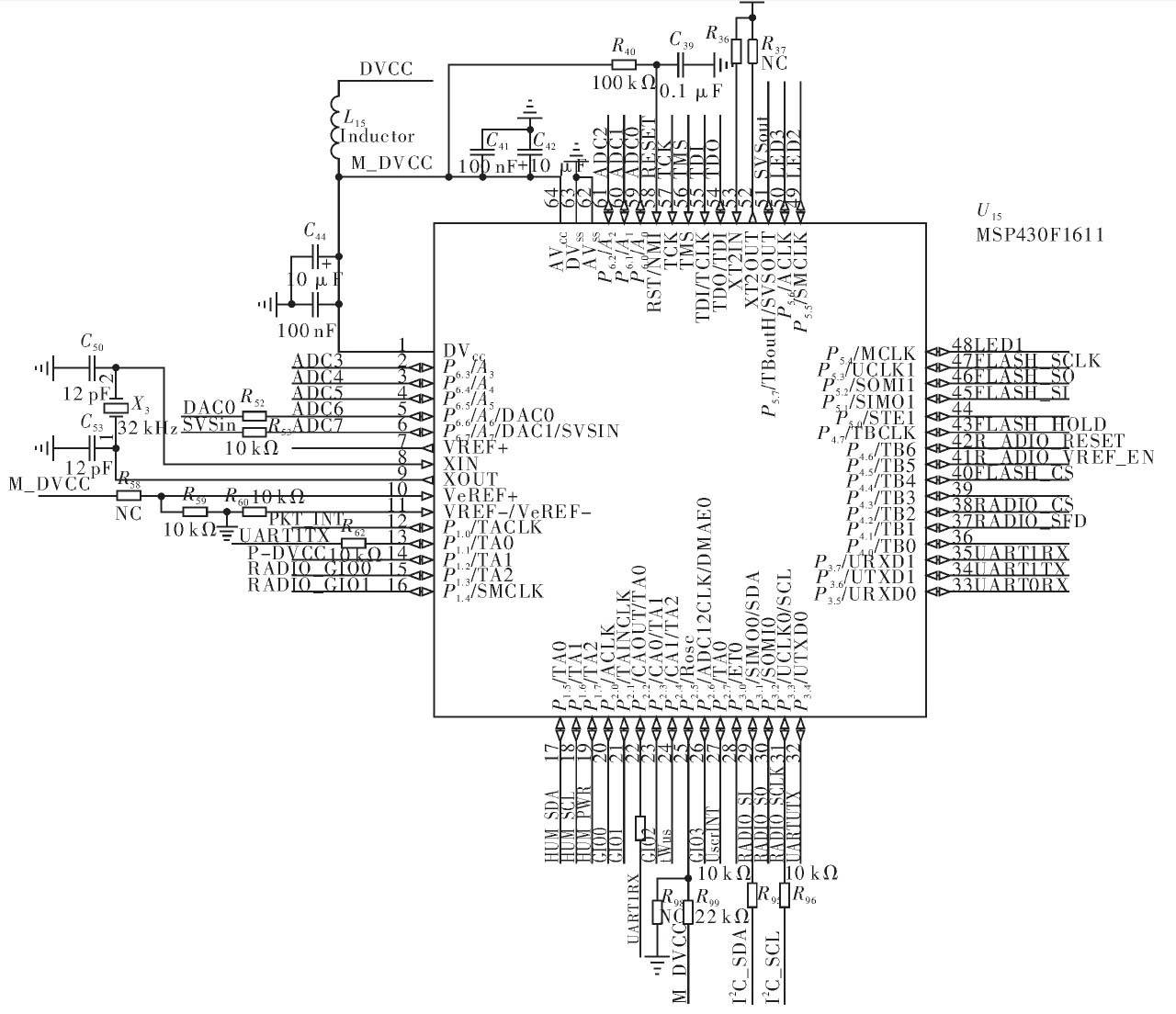
2.5 微處理器模塊
微處理器是無線傳感器節點的核心,傳感器數據的數據處理,串行口以及無線模塊的傳輸與控製均需要微處理器的參與。節點微處理器TI公司的16為超低功耗MSP430F1611.該微處理器工作電壓為1.8~3.6 V,在RAM數據保持方式下耗電僅為0.2μA,在激活工作1 MHz的情況下為330μA,可以工作在5中低功耗模式,喚醒時間<6μm.Flash大小為48 kB,RAM大小為10 kB.芯片內部有16位定時器Timer_A和Timer_B具有捕獲/比較功能;大量的捕獲/比較寄存器可用於事件計數、時序發生等;多功能串口(USART)可以實現異步、同步和I2C串行通信,可以方便地實現多級通信的應用;具有較多的I/O端口,最多達6×8條I/O口線,P1、P2口還可以接收外部上升或下降沿的中斷輸入;12位A/D轉換器有較高的轉換速率,最高可達200 kbit·s-1,能滿足大多數數據采集的應用。微處理器模塊如圖6所示。溫度濕度傳感器連接P1口5、6、7管腳,無線模塊SPI接在P3口1、2、3和P4.4管腳,USB通信模塊數據線連接到P3口6、7管腳。其他管腳分別用於控製和擴展接口。外部晶振大小為32MHz。

圖6 微處理器模塊
[page]
2.6 電路板設計
電dian路lu板ban根gen據ju不bu同tong的de標biao準zhun有you不bu同tong的de分fen類lei,在zai設she計ji中zhong大da多duo數shu根gen據ju板ban的de數shu目mu分fen類lei,在zai電dian氣qi連lian接jie關guan係xi複fu雜za的de電dian路lu板ban設she計ji中zhong,雙shuang麵mian板ban難nan以yi滿man足zu電dian路lu布bu線xian的de要yao求qiu,這zhe時shi就jiu必bi須xu考kao慮lv使shi用yong多duo層ceng板ban。本ben節jie點dian采cai用yong4層板,頂層主要是USB模塊和無線模塊,底層為微處理器模塊,內部層為電源層和地層。設計結果如圖7所示。

圖7 節點PCB布局
節點實物如圖8所示。

圖8 節點實物圖
[page]
3 設計驗證
3.1 無線模塊驗證
為對設計的節點功能進行驗證,首先使用IAR集成開發環境編寫CC2420的測試程序,通過JTAG將程序燒入Flash,經過檢測,射頻部分較好地滿足了預期。芯片工作頻帶範圍為2.4~2.48 GHz,發射功率為0 dBm.經過頻譜儀和頻率計驗證設計符合要求,驗證結果如圖9所示。

圖9 射頻模塊驗證
3.2 傳感器和USB轉換模塊驗證
TinyOS是UC Berkeley開(kai)發(fa)的(de)開(kai)放(fang)源(yuan)代(dai)碼(ma)操(cao)作(zuo)係(xi)統(tong),專(zhuan)為(wei)嵌(qian)入(ru)式(shi)無(wu)線(xian)傳(chuan)感(gan)器(qi)設(she)計(ji),操(cao)作(zuo)係(xi)統(tong)基(ji)於(yu)構(gou)件(jian)的(de)架(jia)構(gou)使(shi)得(de)快(kuai)速(su)更(geng)新(xin)成(cheng)為(wei)可(ke)能(neng),而(er)這(zhe)又(you)減(jian)小(xiao)了(le)受(shou)傳(chuan)感(gan)器(qi)網(wang)絡(luo)存(cun)儲(chu)器(qi)限(xian)製(zhi)的(de)代(dai)碼(ma)長(chang)度(du)。TinyOS的構件包括網絡協議、分布式服務器、傳chuan感gan器qi驅qu動dong及ji數shu據ju識shi別bie工gong具ju。其qi良liang好hao的de電dian源yuan管guan理li源yuan於yu事shi件jian驅qu動dong執zhi行xing模mo型xing,該gai模mo型xing也ye允yun許xu時shi序xu安an排pai具ju有you靈ling活huo性xing。因yin此ci對dui於yu整zheng個ge無wu線xian傳chuan感gan器qi網wang絡luo的de驗yan證zheng采cai用yongTinyOS操作係統,設計為兩個節點,節點A負責采集溫度濕度數據,然後將采集到的數據發送到另一個節點B,節點B接收到數據後,通過USB將數據傳輸到個人電腦,並將該數據通過圖表顯示,如圖10所示。

圖10 傳感器數據
4 結束語
文中所設計的一種無線傳感器節點,硬件設計基於Moteiv方案,采用超低功耗單片機MSP430F1611作為數據處理芯片,以CC2420無線射頻芯片為收發芯片,並擁有JTAG以及其他擴展接回,通過硬件測式以及軟件調成該節點符合設計指標。
- 噪聲中提取真值!瑞盟科技推出MSA2240電流檢測芯片賦能多元高端測量場景
- 10MHz高頻運行!氮矽科技發布集成驅動GaN芯片,助力電源能效再攀新高
- 失真度僅0.002%!力芯微推出超低內阻、超低失真4PST模擬開關
- 一“芯”雙電!聖邦微電子發布雙輸出電源芯片,簡化AFE與音頻設計
- 一機適配萬端:金升陽推出1200W可編程電源,賦能高端裝備製造
- 築基AI4S:摩爾線程全功能GPU加速中國生命科學自主生態
- 一秒檢測,成本降至萬分之一,光引科技把幾十萬的台式光譜儀“搬”到了手腕上
- AI服務器電源機櫃Power Rack HVDC MW級測試方案
- 突破工藝邊界,奎芯科技LPDDR5X IP矽驗證通過,速率達9600Mbps
- 通過直接、準確、自動測量超低範圍的氯殘留來推動反滲透膜保護
- 車規與基於V2X的車輛協同主動避撞技術展望
- 數字隔離助力新能源汽車安全隔離的新挑戰
- 汽車模塊拋負載的解決方案
- 車用連接器的安全創新應用
- Melexis Actuators Business Unit
- Position / Current Sensors - Triaxis Hall



