通信電源用超小型光電耦合器件
發布時間:2008-11-04
中心議題:
- 介紹光耦合器件的特點和內部結構
- 分析光耦合器件封裝可靠性及其應用
解決方案:
- 光電耦合器件是板上電源原邊和副邊的隔離器件,同時肩負反饋和過壓/過流保護作用
- 為適應光電管的大電流需求,把光電管部分製作為複合晶體管
近年來,通信電子設備由於Internet普及應用獲得了長足發展。這些通信電子設備在實現高功能化的同時,自身不斷小型化,而其中內置的板上電源部件(On-board Power Supply Block),zhengzhujianchengweiqixiaoxinghuadezhangai。zaibanshangdianyuanbujianli,guangdianouheqijianshizhanjukongjianjiaodadeqijianzhiyi,yinerchengweibanshangdianyuanbujianjinyibuxiaoxinghuadeguanjian。
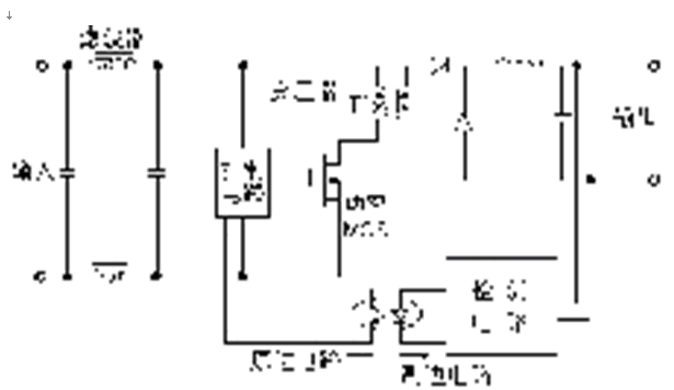
圖1是當今流行的板上電源的示意圖。從圖中可以看出,光電耦合器件(photo coupler)是板上電源原邊和副邊的隔離器件,同時肩負反饋和過壓/過流保護作用。也就是說,它在以板上電源為首的開關電源裏,可把副邊輸出反饋到原邊,以便於調整電源輸出。此外,因為過壓/過(guo)電(dian)流(liu)需(xu)要(yao)實(shi)現(xian)保(bao)護(hu),往(wang)往(wang)需(xu)要(yao)幾(ji)個(ge)光(guang)電(dian)耦(ou)合(he)器(qi)件(jian)。一(yi)旦(dan)大(da)量(liang)使(shi)用(yong)光(guang)電(dian)耦(ou)合(he)器(qi)件(jian),它(ta)所(suo)占(zhan)居(ju)的(de)板(ban)上(shang)電(dian)源(yuan)組(zu)裝(zhuang)麵(mian)積(ji)就(jiu)相(xiang)當(dang)可(ke)觀(guan)的(de)。為(wei)此(ci),強(qiang)烈(lie)要(yao)求(qiu)研(yan)究(jiu)與(yu)開(kai)發(fa)超(chao)小(xiao)型(xing)光(guang)電(dian)耦(ou)合(he)器(qi)件(jian)。本(ben)文(wen)選(xuan)取(qu)PS29xx係列為例,介紹通用超小型光耦合器件的特點,內部結構,可靠性和符合各種安全規格的應用情況。

光耦合器件的特點和內部結構
光電耦合器件PS29xx係列具有以下特點:①削減組裝麵積——以往的PS28xx係列的組裝麵積較大(7.0×2.7mm2),新產品PS29xx係列的組裝麵積僅為2.5×5.0mm2,節約麵積30%以上。②高絕緣耐壓——輸入和輸出之間的絕緣耐壓可保證2500Vr.m.s,完全符合板上電源和通信設備市場需求。③適應安全規格——由於保證絕緣距離為0.4 mm,可適應以UL等各種安全規格,諸如BSI(附加絕緣),北歐4規格(附加絕緣)、VDE、CSA等。④低封裝高度——由於采用扁平封裝,已將封裝高度控製在2.0mm以下,故可用於調製解調器卡。⑤豐富的產品係列——按照用途設計受光晶體管,已開發出豐富多彩的係列產品供用戶選購。 電子電路圖
因為光耦合器是絕緣安全器件,因此,它與其他半導體器件的封裝結構不同,而是有特殊結構要求。它的主要結 構參數如下:① 空間距離(Air Distance)——是指輸入側和輸出側的外部引線距離;②沿麵距離(Creepage Distance)——是指沿輸入側引線和輸出側引線之間模製(Mold)樹脂的最短距離,若比最短距離還要短,則便有漏電的危險;③絕緣厚度(Insulation thickness)——是指輸入側和受光側的導體之間的最小距離。

在一般的板上電源和通信設備市場上對光電耦合器件的要求如下:空間距離≥4.0mm,沿麵距離≥4.0mm,絕緣距離≥0.4mm,必須滿足這些要求,否則無法應用。以上所述的要求,正是光電耦合器件實用化的結構製約因素。PS289xx係列封裝結構便是在上述的前提下,盡量削減組裝麵積而設計的:它的空間距離和沿麵距離相等,確保為4.0mm;引線寬為0.4±0.1mm,引線的中心間距為1.27mm,其內部結構如圖2所示。這種結構具備如下優點:①引線長度很短,接地麵積的離散很小;②引線水平方向機械強度高。在內部結構裏,充分考慮絕緣距離:① LED側和受光器件側的引線框之間距離最短;②LED側的金屬線和受光器件之間距離最短;③LED側的金屬線受光器件側的金屬線間距離最短。 電子技術書籍網
封裝可靠性
盡管PS29xx封裝十分小巧,但是其封裝的可靠性和以往的大型封裝並無差異,同樣可靠。它的引線腳是嵌條狀結構(參閱圖2),非常適合於高密度表麵貼裝焊接。PS29xx封裝的可靠性實驗結果,詳見表1所示。為了使PS29xx係列光電耦合器具備很高的可靠性采用了雙重模塑包封;第一層樹脂和引線框之間的距離通過優化,使封裝結構具備很高的可靠性。
電子電路圖
應用舉例
PS29xx係列光電耦合器是通用電子器件,在民用和工業用電子設備中具有廣泛應用。該係列裏各型號光電耦合器各有各自的應用領域,例如,PS2911型光電耦合器的特點是超小型、低輸入驅動和高絕緣耐壓(當結溫Ta=25℃、RH=60%、施加AC電壓1分鍾時,可耐壓2.5kV),它適用於板上電源的反饋和過壓保護、輸入/輸出接口和混合IC電路;PS2915型光電耦合器,在輸入端(1、2)上並聯有正、負極相反的兩個LED,它除了具備超小型、低輸入驅動和耐2.5kV高壓之外,還允許輸入AC信號,因此它的應用領域更為廣泛,它還可以用於調製解調器、電話撥號脈衝發生器、線路監視部分環路檢測等。
在PS2932和PS2933型光電耦合器裏,適應光電管的大電流需求,專門把光電管部分製作為複合晶體管(戴林頓晶體管),在其輸出端(3、4)可產生60mA的Ic電流。這樣的光電耦合器件用於控製/切斷開關電源主變壓器的勵磁電流,對於發展間歇式開關電源發揮出重要作用。
此外,PS29xx係列光電耦合器件是UL安全規格的認定產品,也有附加絕緣,符合BSI、CSA、VDE和北歐的安全規格,能在世界範圍內廣泛應用。
此外,應該看到光電耦合器件是通用電子器件,它自身的改進也將促進其應用的發展。例如,光電耦合器件中的LED和(he)受(shou)光(guang)部(bu)分(fen)光(guang)電(dian)三(san)極(ji)管(guan),若(ruo)能(neng)提(ti)高(gao)自(zi)身(shen)的(de)發(fa)光(guang)效(xiao)率(lv)和(he)光(guang)電(dian)轉(zhuan)換(huan)效(xiao)率(lv),則(ze)將(jiang)能(neng)開(kai)拓(tuo)出(chu)許(xu)多(duo)新(xin)的(de)應(ying)用(yong)領(ling)域(yu),其(qi)中(zhong),重(zhong)要(yao)的(de)應(ying)用(yong)領(ling)域(yu)是(shi)拓(tuo)展(zhan)板(ban)上(shang)電(dian)源(yuan)的(de)應(ying)用(yong)。如(ru)今(jin)利(li)用(yong)遙(yao)控(kong)器(qi)啟(qi)動(dong)的(de)形(xing)形(xing)色(se)色(se)的(de)板(ban)上(shang)電(dian)源(yuan)很(hen)多(duo),例(li)如(ru)現(xian)代(dai)家(jia)庭(ting)中(zhong)應(ying)用(yong)的(de)低(di)電(dian)壓(ya)電(dian)源(yuan),其(qi)效(xiao)率(lv)極(ji)低(di),電(dian)能(neng)浪(lang)費(fei)很(hen)大(da)。今(jin)後(hou)隨(sui)著(zhe)低(di)耗(hao)能(neng)光(guang)電(dian)耦(ou)合(he)器(qi)件(jian)的(de)出(chu)現(xian),交(jiao)流(liu)間(jian)歇(xie)型(xing)的(de)開(kai)關(guan)電(dian)源(yuan)(或串行調解電源)將會普及,對環境保護將會做出重要貢獻。
- 噪聲中提取真值!瑞盟科技推出MSA2240電流檢測芯片賦能多元高端測量場景
- 10MHz高頻運行!氮矽科技發布集成驅動GaN芯片,助力電源能效再攀新高
- 失真度僅0.002%!力芯微推出超低內阻、超低失真4PST模擬開關
- 一“芯”雙電!聖邦微電子發布雙輸出電源芯片,簡化AFE與音頻設計
- 一機適配萬端:金升陽推出1200W可編程電源,賦能高端裝備製造
- 築基AI4S:摩爾線程全功能GPU加速中國生命科學自主生態
- 一秒檢測,成本降至萬分之一,光引科技把幾十萬的台式光譜儀“搬”到了手腕上
- AI服務器電源機櫃Power Rack HVDC MW級測試方案
- 突破工藝邊界,奎芯科技LPDDR5X IP矽驗證通過,速率達9600Mbps
- 通過直接、準確、自動測量超低範圍的氯殘留來推動反滲透膜保護
- 車規與基於V2X的車輛協同主動避撞技術展望
- 數字隔離助力新能源汽車安全隔離的新挑戰
- 汽車模塊拋負載的解決方案
- 車用連接器的安全創新應用
- Melexis Actuators Business Unit
- Position / Current Sensors - Triaxis Hall



