基於2SK241的導航150kHz信號的高頻放大檢波
發布時間:2021-07-12 來源:卓晴 責任編輯:wenwei
【導讀】在 選頻放大電路對於150kHz導航信號進行放大檢波[1] 中一係列的設計中,如果直接將基於工字型的電感接入放大器的輸入端,則會引起電路的自激振蕩。其中的原因很可能是 高頻管的Cbc的存在形成的Hartley振蕩器[2] 。但是使用繞製副繞組將天線接入放大電路,不僅會使天線製作變得麻煩,也會降低了係統的增益。下麵則測試使用2SK241高頻管組成的前級LNA對來自於天線信號直接進行放大。
1.放大電路設計目標
在 選頻放大電路對於150kHz導航信號進行放大檢波[1] 中一係列的設計中,如果直接將基於工字型的電感接入放大器的輸入端,則會引起電路的自激振蕩。其中的原因很可能是 高頻管的Cbc的存在形成的Hartley振蕩器[2] 。但是使用繞製副繞組將天線接入放大電路,不僅會使天線製作變得麻煩,也會降低了係統的增益。下麵則測試使用2SK241高頻管組成的前級LNA對來自於天線信號直接進行放大。
2.晶體管2SK241
2SK241[3] 是由東芝生產的FET低噪聲高頻信號放大器。它的主要信號如下圖所示:

▲ 2SK241的基本參數

▲ 2SK241測試參考電路
之所以選擇這個三極管,還是由於之前在遵照由柃木憲次所著的《高頻電路設計與製作》,對於其中的內容進行實踐中購買了2SK241晶體管,所以手邊有2SK241晶體管。下麵基於它進行測試。

▲ 高頻電路設計與製作
02 基本測試
1.靜態測試
測試電路如圖所示:

▲ 靜態測試電路
(1)工作電流
在工作電壓為+12V的時候,工作電流為 Id=4.2mA 。T1漏極工作點為4.86V。
通過 DH1766可編程直流電源[4] 改變輸出2SK241的工作電源,同時讀出輸出電流。可以得到上述電流的工作電流與電壓之間的關係。

▲ 工作電壓與工作電流
可以看到在 工作電壓
的時候,輸出與Vcc之間基本上呈現線性關係。
時,對應的
,對應的電阻:

(2)輸入阻抗
使用 NanoVNA矢量網絡分析儀[5] 測量2SK241的輸入阻抗。
◎ 150kHz輸入阻抗:
電阻(kΩ):555.04
並聯電容(pF):9.4

▲ NanoVNA矢量網絡分析結果
由於測量的輸入阻抗還包括有偏置電阻360k歐姆,所示實際上2SK241在150kHz的輸入阻抗為:1.024MΩ。
2.放大接收天線
使用上述電路對於自行繞製的工字型電感組成的150kHz的諧振電路信號進行放大。

▲ 自行繞製的工字型電感
(1)工字型電感參數
◎ 工字型電感參數(150kHz):
電感(uH):1064.5
電阻(Ω):6.69
品質因子(Q):149.9

▲ 使用NanoVNA測量工字型電感參數
(2)諧振電容
在工作頻率
下對應的諧振電容為:1.06nF
選擇一個標稱為102的陶瓷電容,使用NanoVNA測量在150kHz下的參數:
◎ 在150kHz電容參數:
電容(pF):985.8
串聯電阻(Ω):22.75
品質因子(Q):47.31

▲ 並聯諧振電容測量結果
根據上述測量的LC,可以計算出對應的諧振頻率:

(3)測量LC並聯諧振阻抗
利用NanoVNA測量LC並聯阻抗。
◎ LC並聯諧振參數:
諧振頻率(kHz):156
電阻(kΩ):46.476
品質因子(Q):46.325

▲ LC並聯諧振阻抗測量
可以看到由於所選用的電容(0.9858nF)所需要的電容(1.06nF),所以還需要並聯電容進行補償。補償電容為:
。
重新選擇兩個電容,分別是 51pf,22pf進行並聯,將諧振頻率調整到150kHz。如下是NanoVNA測量諧振對應的阻抗。

▲ 測量諧振LC的阻抗
根據前麵測量2SK241對應的輸入端口還有 9.4pF的並聯電容,因此,將上述諧振回路連入2SK241放大電路的時候,需要減少10pF左右。為此,需要使用20pF可調電容來調整諧振頻率。
下圖中綠色便是一個最大為55pF可調電容器。

▲ 匹配有可調電容的諧振回路
03 放大導航信號
1.接收電路
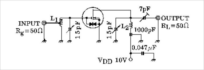
下圖給出了接收電路的基本形式。
根據【2-2-3】測量接收天線諧振阻抗,它的並聯阻抗為46.47kΩ,【2-1-2】測量2SK241放大電路在150kHz下輸入阻抗為超過1MΩ。
為了達到阻抗匹配,可以使用1:4的升壓變壓器,將諧振電路接入T1柵極。為了簡單起見,下麵直接將諧振回路接入T1的柵極。雖然此時,輸入阻抗不匹配,但可以達到放大器的SNR最大化。

▲ 接收電路
2.接收波形
將信號燈無線發送線圈放置在距離測試電路板3米的距離,打開發送狀態,測量到此時T1的漏極輸出電壓波形如下圖所示。
◎ T1漏極信號測量值:
交流信號有效值(V):0.669
直流信號(V):4.97

▲ 測量2SK241的漏極輸出波形
3.接入倍壓整流電路
將T1的漏極的輸出電路連接倍壓整流電路。整流采用BAT54對肖特基二極管完成。負載R2取10k歐姆。根據 整流電路對應的阻抗是多少?[6] 實驗可以知道,此時倍壓整流電路對外阻抗大約是R2的一半,也就5k歐姆,小於T1的輸出阻抗(R1)。

▲ 加入倍壓整流電路
(1)T1漏極波形
如下為倍壓整流時對應T1漏極信號波形:

▲ 倍壓整流時對應T1漏極信號波形
(2)輸出直流電壓
無線線圈信號源距離測試電路2.5米左右,對應的輸出倍壓整流直流電壓:672mV。將信號源搬移到5米距離,倍壓整流輸出為65.9mV。如果將信號源靠近測試電路,輸出倍壓整流電壓會超過5V。
※ 測試總結
1.基本結論
本文設計了基於高頻信號放大FET 2SK241 150kHz高頻放大電路。相比之前基於 基於超聲波升壓中周構建的150kHz的單管選頻放大電路[7] 具有更高的增益。對比在 選頻放大電路對於150kHz導航信號進行放大檢波[1] 測量得到的檢波結果,在遠距離(大於3米)的情況下,輸出倍壓檢波幅值大了近10倍左右。
基於FET2SK241隻需要借助於接收諧振回路便可以的完成對接收信號的放大,可以避免在使用LC選頻放大帶來的調節麻煩。同時也可以避免電路出現自激振蕩的情況。
2.設計參考
參考電路在【3-3】中給出了。其中具體參數:
(1)繞製接收線圈
在 討論工字型接收線圈天線不同匝數對於低頻定位信號檢測影響:150kHz導航信號[8] 接收線圈製作的參數。繞製所需要的一個大型的工字型磁骨架。它的外形和參數如下:

▲ 工字型磁芯
◎ 工字型磁芯:
直徑:14mm
高:19.mm
頂、底厚度:3mm

▲ 使用Litz線繞製120匝之後的電感
◎ 測量實際電感參數:
NanoVNA測量結果:
SmartTweezer測量結果:
(2)電路其它參數
FET晶體管:2SK241,靜態電流4mA
可調電容:51pF
倍壓整流肖特基管:BAT54
參考資料
[1]選頻放大電路對於150kHz導航信號進行放大檢波:https://zhuoqing.blog.csdn.net/article/details/116274717
[2]高頻管的Cbc的存在形成的Hartley振蕩器:https://zhuoqing.blog.csdn.net/article/details/116372637
[3]2SK241:https://html.alldatasheet.com/html-pdf/30633/TOSHIBA/2SK241/245/1/2SK241.html
[4]DH1766可編程直流電源:https://zhuoqing.blog.csdn.net/article/details/110821452
[5]NanoVNA矢量網絡分析儀:https://zhuoqing.blog.csdn.net/article/details/116295857
[6]整流電路對應的阻抗是多少?:https://zhuoqing.blog.csdn.net/article/details/113618551
[7]基於超聲波升壓中周構建的150kHz的單管選頻放大電路:https://zhuoqing.blog.csdn.net/article/details/116196406
[8]討論工字型接收線圈天線不同匝數對於低頻定位信號檢測影響:150kHz導航信號:https://zhuoqing.blog.csdn.net/article/details/116304763
免責聲明:本文為轉載文章,轉載此文目的在於傳遞更多信息,版權歸原作者所有。本文所用視頻、圖片、文字如涉及作品版權問題,請聯係小編進行處理。
推薦閱讀:
特別推薦
- 噪聲中提取真值!瑞盟科技推出MSA2240電流檢測芯片賦能多元高端測量場景
- 10MHz高頻運行!氮矽科技發布集成驅動GaN芯片,助力電源能效再攀新高
- 失真度僅0.002%!力芯微推出超低內阻、超低失真4PST模擬開關
- 一“芯”雙電!聖邦微電子發布雙輸出電源芯片,簡化AFE與音頻設計
- 一機適配萬端:金升陽推出1200W可編程電源,賦能高端裝備製造
技術文章更多>>
- 築基AI4S:摩爾線程全功能GPU加速中國生命科學自主生態
- 一秒檢測,成本降至萬分之一,光引科技把幾十萬的台式光譜儀“搬”到了手腕上
- AI服務器電源機櫃Power Rack HVDC MW級測試方案
- 突破工藝邊界,奎芯科技LPDDR5X IP矽驗證通過,速率達9600Mbps
- 通過直接、準確、自動測量超低範圍的氯殘留來推動反滲透膜保護
技術白皮書下載更多>>
- 車規與基於V2X的車輛協同主動避撞技術展望
- 數字隔離助力新能源汽車安全隔離的新挑戰
- 汽車模塊拋負載的解決方案
- 車用連接器的安全創新應用
- Melexis Actuators Business Unit
- Position / Current Sensors - Triaxis Hall
熱門搜索
微波功率管
微波開關
微波連接器
微波器件
微波三極管
微波振蕩器
微電機
微調電容
微動開關
微蜂窩
位置傳感器
溫度保險絲
溫度傳感器
溫控開關
溫控可控矽
聞泰
穩壓電源
穩壓二極管
穩壓管
無焊端子
無線充電
無線監控
無源濾波器
五金工具
物聯網
顯示模塊
顯微鏡結構
線圈
線繞電位器
線繞電阻




