醫療智能穿戴設備硬件方案
發布時間:2021-07-07 來源:世健 責任編輯:wenwei
【導讀】隨著互聯健康概念的興起,醫療智能穿戴設備市場逐漸擴大,根據市場研究公司Counterpoint Research調查指出,疫情促使消費者健康意識提高,這更使得醫療智能穿戴設備受到市場青睞,增長幅度不斷攀高。
本次我們通過技術型分銷商Exclpointshijianyaoqinglelaizizhuanyeyiliaozhinengchuandaishebeilingyuqiyedegongchengshifenggonggendajiafenxiangshizhananli。gaigongsishishijianduoniandekehu,zhuyaocongshiyixuezhenduanchanpinyanfa、生產、銷售及服務。而馮工有著深厚的學術和實戰經驗。
項目需求
● 可穿戴產品尺寸小,要求器件選型封裝小、集成度高;
● 超低功耗,可充電電池供電;
● 有連續監測心率功能;
● 有連續監測血氧飽和度功能;
● 計步功能,能存一個月以上的數據量,掉電不丟失。
● 心率監測方案
心(xin)率(lv)監(jian)測(ce)可(ke)基(ji)於(yu)心(xin)電(dian)信(xin)號(hao)檢(jian)測(ce),人(ren)體(ti)心(xin)髒(zang)的(de)周(zhou)期(qi)性(xing)跳(tiao)動(dong)是(shi)有(you)生(sheng)物(wu)電(dian)信(xin)號(hao)精(jing)密(mi)控(kong)製(zhi)的(de),隻(zhi)要(yao)能(neng)夠(gou)捕(bu)捉(zhuo)到(dao)心(xin)電(dian)信(xin)號(hao),就(jiu)能(neng)計(ji)算(suan)心(xin)率(lv),但(dan)是(shi)心(xin)電(dian)檢(jian)測(ce)需(xu)要(yao)獲(huo)取(qu)人(ren)體(ti)多(duo)處(chu)電(dian)位(wei),硬(ying)件(jian)實(shi)現(xian)複(fu)雜(za)、方案成本高。有一種方案是諧振式檢測方案,傳感器感(gan)應(ying)動(dong)脈(mai)搏(bo)動(dong)的(de)壓(ya)力(li)變(bian)化(hua),從(cong)而(er)統(tong)計(ji)出(chu)心(xin)率(lv)。但(dan)該(gai)方(fang)案(an)的(de)實(shi)現(xian)需(xu)要(yao)將(jiang)設(she)備(bei)放(fang)置(zhi)於(yu)人(ren)體(ti)脈(mai)搏(bo)明(ming)顯(xian)的(de)部(bu)位(wei),對(dui)於(yu)可(ke)穿(chuan)戴(dai)設(she)備(bei)佩(pei)戴(dai)方(fang)式(shi)將(jiang)是(shi)一(yi)種(zhong)挑(tiao)戰(zhan)。還(hai)有(you)一(yi)種(zhong)方(fang)案(an)是(shi)光(guang)電(dian)式(shi)檢(jian)測(ce),基(ji)本(ben)原(yuan)理(li)是(shi)血(xue)液(ye)會(hui)反(fan)射(she)紅(hong)光(guang)而(er)吸(xi)收(shou)綠(lv)光(guang)。心(xin)髒(zang)跳(tiao)動(dong)時(shi),流(liu)經(jing)皮(pi)膚(fu)的(de)血(xue)液(ye)會(hui)增(zeng)加(jia),吸(xi)收(shou)的(de)綠(lv)光(guang)也(ye)會(hui)增(zeng)加(jia);心跳間隔期,血液在血管中流量減少隨之吸收綠光減少。當設備使用綠色LED,配pei合he對dui光guang敏min感gan的de光guang電dian傳chuan感gan器qi,就jiu可ke以yi檢jian測ce任ren意yi時shi間jian點dian流liu經jing人ren體ti皮pi膚fu各ge處chu的de血xue液ye流liu量liang,通tong過guo統tong計ji數shu據ju,以yi每mei次ci血xue流liu量liang的de最zui高gao點dian作zuo為wei一yi次ci周zhou期qi,這zhe樣yang就jiu可ke以yi計ji算suan心xin率lv。並bing且qie可ke以yi將jiang設she備bei設she計ji成cheng手shou表biao形xing態tai,方fang便bian的de戴dai於yu手shou腕wan處chu。
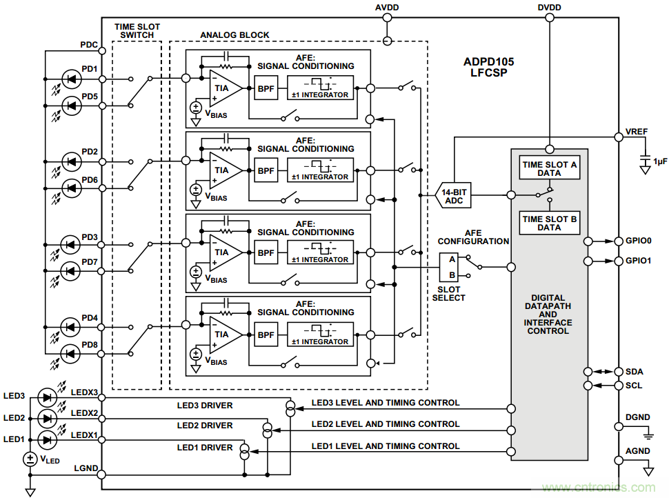
基於光電式的心率監測方案(也稱光電容積脈搏波描記法PPG),硬件上需要有光源驅動、光電轉換、模數轉換數據處理等模塊。一般光源驅動我們選擇恒流源(需要可以微調電流和一定的頻率開關);光電轉換選擇光電二極管然後用運放進行流壓轉換和信號調理;最後用A/D芯片實現模擬量的數字轉換並送至MCU進行處理。硬件方案如果采用分立器件,那麼芯片數量較多,並且空間受限,所以最好還是采用集成器件。ADI公司擁有多功能光電式測量前端芯片(型號:ADPD105),完全集成式AFE、ADC、LED 驅動器和時序內核, 提供一流的環境光抑製性能,無需光電二極管濾光器;靈活的數字接口SPI、I2C 可供選擇;功耗低,1.8 V模擬/數字超低工作電源,待機模式僅0.3μA電流,適合電池供電的設備;靈活的采樣頻率範圍:0.122 Hz ~3820 Hz;多達3個LED恒流源,每通道峰值電流達370mA;擁有WLCSP芯片級封裝,極致的小體積適合空間受限應用。其內部功能框圖如圖1。

圖1
血氧飽和度監測方案
光電容積脈搏波描記法(PPG)不僅可以用於心率檢測,通過一定算法處理也可測量血氧,為無創式血氧監測提供了很好的方案。
原理:由於氧合血紅蛋白(HbO2)和血紅蛋白(Hb)這兩種物質對波長600 ~ 1000nm的光具有一定的吸收特性。Hb對600 ~ 800nm之間的光吸收係數更高,HbO2對800~1000之間光的吸收係數更高。所以可以利用紅光(600 ~ 800nm)和接近紅外(IR)(800 ~ 1000nm)的光分別檢測HbO2和Hb的PPG信號,再通過程序處理算出相應的比值,這樣就得到了血氧值。
利用ADPD105其中兩通道LED恒流源分別驅動紅光LED和近紅外LED,另外一通道恒流源驅動綠光LEDyongyuxinlvjiance,duiyuguangjieshouqikeyishiyongtongyige,fenshifuyong,fenbiequcaijixinlvxinhaohexueyangxinhao,zaizuishaodeqijianxiagaoxiaowanchengshujucaiji,zonghechengbenzuidi。lingwaijinqiguanzhudeADI新產品ADPD410X,是ADPD係列比較新的產品,它同時擁有8路LED驅動光路和8路的數據采集通道,更高的集成度和采樣精度,同時支持PPG,ECG和EDA的測量。它能作為本案的功能拓展方案。
計步功能方案
計ji步bu方fang案an使shi用yong最zui多duo的de就jiu是shi三san軸zhou加jia速su度du傳chuan感gan器qi,通tong過guo算suan法fa識shi別bie行xing走zou時shi的de三san軸zhou動dong態tai數shu據ju,即ji可ke實shi現xian計ji步bu功gong能neng。本ben方fang案an是shi基ji於yu可ke穿chuan戴dai設she備bei,因yin此ci芯xin片pian的de功gong耗hao、體積成為重要考慮因素。ADXL363是一款超低功耗的3個傳感器組合產品,由3軸MEMS加速度計、溫度傳感器和用於同步轉換外部信號的ADC輸入端組成。整個係統輸出數據速率為100 Hz時功耗低於2µA,在運動觸發喚醒模式下功耗為270 nA;1.6~3.5V工作電源範圍,便捷的兼容其他器件的電源;ADXL363還提供針對內部ADC的訪問,可同步轉換外部的模擬輸入。緊湊型的LGA封裝非常符合可穿戴式設備應用。其內部功能框圖如圖2。

圖2
MCU選型
本方案MCU選型需要兼顧高性能和低功耗。ADI公司的ADuCM3029擁有超低功耗特性:活動模式(完全開啟模式):< 30μA/MHz(典型值),休眠模式(帶SRAM保留):<750nA(典型值),關斷模式(可選RTC活動):<60nA(典型值);集成MPU的ARM® Cortex®-M3處理器,高性能內核處理算法遊刃有餘;集成ECC的256 KB嵌入式閃存,方便存儲離線數據;較低的電壓供電(1.74V至3.6V)可以允許使用紐扣電池;片內外設SPI、UART、IIC、Timer、DAC、DMA、Watchdog應有盡有,方便使用;內置32kHz振蕩器和26MHz高頻振蕩器,也支持外部時鍾源;擁有兩種緊湊型WLCSP/LFCSP可供選擇,適用於體積空間受限的應用。
另外可利用高性能的ADuCM4050作為高端升級版本的選擇,它擁有更好的性能和更低功耗在休眠和關斷模式下,在:活動模式(完全開啟模式):< 41μA/MHz(典型值),休眠模式(帶SRAM保留):<650nA(典型值),關斷模式(可選RTC活動):<50nA(典型值);ARM Cortex-M4F處理器,52 MHz,並帶FPU, MPU, ITM, SWD接口,兼容性更強,EEC的升級至512KB,方便存儲更多的離線數據;
電源方案
可穿戴式設備需要可充電電源,一般選用鋰電池,因此需要鋰電池管理芯片。LTC4065L是一款用於單節鋰電池的完整恒流/恒壓線性充電器,由於外形尺寸小(DFN封裝2mm*2mm),能夠準確地調節低充電電流,因而非常適用於低容量鋰電池;而且可以通過USB標準取電工作;還有強大的充電異常保護功能:自動再充電、低電池電量充電調節(涓流充電)、軟器動功能(用於限值湧入電流)。
方案中MCU、加速度傳感器、模擬前端芯片都可以工作在1.8V範圍,對於鋰電池的3.7V還需要LDO用於降壓。由於有模擬電路,故需選擇盡量低噪聲的LDO。LT 3042擁有超低噪聲0.8µVRMS(10 Hz~100 kHz),超高電源抑製比(最低79 dB @1MHz);超低的工作壓降(350mV);輸出可調(0~15V);緊湊型DFN封裝(3mm*3mm)。
免責聲明:本文為轉載文章,轉載此文目的在於傳遞更多信息,版權歸原作者所有。本文所用視頻、圖片、文字如涉及作品版權問題,請聯係小編進行處理。
推薦閱讀:
特別推薦
- 噪聲中提取真值!瑞盟科技推出MSA2240電流檢測芯片賦能多元高端測量場景
- 10MHz高頻運行!氮矽科技發布集成驅動GaN芯片,助力電源能效再攀新高
- 失真度僅0.002%!力芯微推出超低內阻、超低失真4PST模擬開關
- 一“芯”雙電!聖邦微電子發布雙輸出電源芯片,簡化AFE與音頻設計
- 一機適配萬端:金升陽推出1200W可編程電源,賦能高端裝備製造
技術文章更多>>
- 築基AI4S:摩爾線程全功能GPU加速中國生命科學自主生態
- 一秒檢測,成本降至萬分之一,光引科技把幾十萬的台式光譜儀“搬”到了手腕上
- AI服務器電源機櫃Power Rack HVDC MW級測試方案
- 突破工藝邊界,奎芯科技LPDDR5X IP矽驗證通過,速率達9600Mbps
- 通過直接、準確、自動測量超低範圍的氯殘留來推動反滲透膜保護
技術白皮書下載更多>>
- 車規與基於V2X的車輛協同主動避撞技術展望
- 數字隔離助力新能源汽車安全隔離的新挑戰
- 汽車模塊拋負載的解決方案
- 車用連接器的安全創新應用
- Melexis Actuators Business Unit
- Position / Current Sensors - Triaxis Hall
熱門搜索




