用於車輛跟蹤係統的集成電源解決方案
發布時間:2021-05-13 來源:Celso Aron、Dominic Clavillas、Jardine Penaflor 責任編輯:wenwei
【導讀】車輛跟蹤係統(VTS)通常安裝在汽車和卡車中。VTS使用全球定位係統(GPS)等技術提供有關車輛的速度、位置和方向的實時信息。
要確保VTS可靠工作,需要配備穩健的DC-DC電源。電源的設計必須能夠防止係統出現常見的汽車故障,如負載突降、冷啟動、反極性以及ISO 7637-2和ISO 16750-2中描述的其他具有破壞性的潛在瞬變。
此外,如果車輛掉電,係統必須能夠切換至備用電池以確保持續運行。最後,汽車電源必須符合汽車電磁幹擾(EMI)標準,特別是CISPR 25的要求。
為了應對這些挑戰,ADI公司開發了EVAL-ADVTS4152-EBZ電源解決方案,這是一款適用於車輛跟蹤係統的高性能、簡化電源解決方案。

圖1.EVAL-ADVTS4152-EBZ電源解決方案評估板
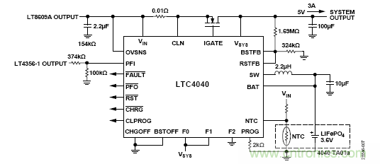
集成解決方案
EVAL-ADVTS4152-EBZ電源解決方案集成三個主模塊:LT4356-1浪湧抑製器、高效LT8609A降壓穩壓器和LTC4040電池備用電源管理器。這三個模塊相互配合,向VTS等下遊電子設備提供可靠高效的電源。
EVAL-ADVTS4152-EBZ與標稱12 V或24 V係統兼容,旨在提供輸出5 V、3 A連續電流。當汽車電池掉電時,係統會自動從單節鋰離子電池(Li-Ion)或磷酸鋰鐵(LiFePO4)電池切換到備用電源。

圖2.EVAL-ADVTS4152-EBZ功能框圖
表1.EVAL-ADVTS4152-EBZ電氣規格

浪湧抑製器
要設計一款能夠應對高壓瞬變的汽車電源極具挑戰性,因為需要這樣一款器件,既能耗散多餘電力,同時不會損壞敏感的電子器件。EVAL-ADVTS4152-EBZ電源解決方案中的LT4356-1浪湧抑製器就可以保護係統免受高壓瞬變的影響,在高壓瞬變期間仍可持續運行。
LT4356-1驅動一個作為調整管的外部N溝道、金屬氧化物半導體場效應晶體管(MOSFET)(參見圖3)。在正常工作模式下,LT4356-1使MOSFET完全開啟,並提供從輸入到下遊負載的低阻抗路徑。如果輸入電壓浪湧過高,LT4356-1就會控製MOSFET的柵極,並將輸出電壓調節至由OUT引腳到地之間的R33和R34電阻分壓器設定的安全電壓電平。MOSFET保持開啟狀態,直到接地的TMR引腳處連接的電容電荷(CTMR)達到1.35 V。此時,GATE引腳拉低,使MOSFET關閉。
負載突降
負載突降是高壓瞬變的一個示例。當交流發電機在汽車電池充電期間與電池斷開連接,造成電壓浪湧時,就會發生負載突降。EVAL-ADVTS4152-EBZ使用LT4356-1浪湧抑製器保護敏感的汽車電子部件,可避免這種瞬態情況的影響。
測試設置
我們使用DC1950A負載突降生成器生成負載突降測試脈衝,並通過EVAL-ADVTS4152-EBZ輸入傳送。然後在EVAL-ADVTS4152-EBZ的輸出施加一個1 A恒流負載。圖4顯示負載突降測試設置。

圖3.LT4356-1浪湧抑製器

圖4.負載突降測試設置
如圖5所示,實際浪湧波形顯示在通道2 (C2),浪湧電壓為105.6 V,衰減約400 ms。輸出電壓保持在5 V,顯示在通道 3 (C3),表示電源未中斷。在圖5中,LT4356-1響應也顯示在通道1 (C1)。波形中的平坦區域表明芯片正在將電壓調節到所需的38 V鉗位電壓(見圖5)。

圖5.EVAL-ADVTS4152-EBZ在高瞬態電壓下的響應
降壓穩壓器
將LT4356-1的輸出連接到LT8609A高效率降壓穩壓器的輸入(見圖6)。LT8609A具有3.0 V~42 V的寬輸入範圍。RT和地之間連接一個電阻,用於設置開關頻率。用戶通過SYNC引腳使能擴頻調製,以實現低EMI運行。
電池備用電源管理器
為確保VTS連續工作,還必須提供一個備用電源,在汽車電池掉電時供電。EVAL-ADVTS4152-EBZ有一個LTC4040高電流、升壓DC-DC穩壓器,通過單節鋰離子電池或LiFePO4電池提供備份電源(見圖7)。
當LT4356-1的輸出降至1.2 V電源失效輸入(PFI)閾值以下時,2.5 A升壓穩壓器通過備用電池向下遊負載供電。

圖6.LT8609A降壓穩壓器

圖7.LTC4040電池備用電源管理器
正常模式到備用電池模式
為了仿真掉電情況,斷開EVAL-ADVTS4152-EBZ輸入端的電源,查看從正常工作模式到備用電池模式的過渡波形。圖9顯示了測試設置。該仿真測試還顯示了EVAL-ADVTS4152-EBZ如何在冷啟動等欠壓瞬變情況下繼續運行。
在圖8中,標稱12 V輸入顯示在通道1 (C1)。通道3 (C3)中顯示的係統輸出表明,當12 V輸入下降時,5 V輸出未中斷。此結果也表明在冷啟動瞬變情況下,EVAL-ADVTS4152-EBZ仍可連續運行。

圖8.EVAL-ADVTS4152-EBZ在掉電情況下的響應(VIN = 12 V和VOUT = 5 V)
選擇電池充電電壓
當汽車電池電源可用時,升壓穩壓器將作為降壓電池充電器反向運行。充電電壓可根據電池類型通過用戶可選引腳配置。LTC4040為兩種化學電池(鋰離子電池和LiFePO4)各提供四種不同的充電電壓選項,這些選項可通過S1、S2和S3滑動開關輸入進行選擇。表2顯示了為兩種電池選擇充電電壓的開關配置。

圖9.掉電情況仿真測試設置
表2.備用電池的充電電壓設置

熱關斷配置
如果需要防止異常高的直流電壓,EVAL-ADVTS4152-EBZ還有一個可選的ADT6401引腳可選溫度開關,可用於提供過溫保護。有關基準電壓源的詳情,請參見EVAL-ADVTS4152-EBZ, UG-1916中的ADT6401原理圖。
預合規測試
ISO 7637-2:2011和ISO 16750-2:2012標準
ISO 7637-2:2011和ISO 16750-2:2012標準描述了可能的瞬變情況並指定了瞬變仿真測試方法。需要滿足的測試要求如圖10所示,供參考。

圖10.ISO 7637-2和ISO 16750-2測試要求
CISPR 25電磁輻射和傳導輻射
CISPR 25是一項汽車標準,針對車載接收機規定了防電磁輻射和傳導輻射保護要求。圖11和圖12顯示了EVAL-ADVTS4152-EBZ的輻射EMI性能。圖13和圖14顯示了傳導EMI性能。圖11至圖14中的紅線表示CISPR25 5類電磁輻射和傳導輻射峰值限值。

圖11.輻射EMI性能,水平極化

圖12.輻射EMI性能,垂直極化

圖13.傳導EMI性能,正極性

圖14.傳導EMI性能,負極性
參考文獻
LT4356-1數據手冊。ADI公司。
LT8609A數據手冊。ADI公司。
LTC4040數據手冊。ADI公司。
EVAL-ADVTS4152-EBZ電源解決方案用戶指南(UG-1916)。ADI公司。
2019年8月,《模擬對話》第53卷,適用於惡劣汽車環境的綜合電源係統設計占用極小空間,節省電池電量,並提供低EMI特性。ADI公司。
技術文章,低靜態電流浪湧抑製器:符合ISO 7637-2和ISO 16750-2要求的可靠汽車電源保護。ADI公司。
©2020 Analog Devices,Inc.保留所有權利。商標和注冊商標屬各自所有人所有。
推薦閱讀:
特別推薦
- 噪聲中提取真值!瑞盟科技推出MSA2240電流檢測芯片賦能多元高端測量場景
- 10MHz高頻運行!氮矽科技發布集成驅動GaN芯片,助力電源能效再攀新高
- 失真度僅0.002%!力芯微推出超低內阻、超低失真4PST模擬開關
- 一“芯”雙電!聖邦微電子發布雙輸出電源芯片,簡化AFE與音頻設計
- 一機適配萬端:金升陽推出1200W可編程電源,賦能高端裝備製造
技術文章更多>>
- 築基AI4S:摩爾線程全功能GPU加速中國生命科學自主生態
- 一秒檢測,成本降至萬分之一,光引科技把幾十萬的台式光譜儀“搬”到了手腕上
- AI服務器電源機櫃Power Rack HVDC MW級測試方案
- 突破工藝邊界,奎芯科技LPDDR5X IP矽驗證通過,速率達9600Mbps
- 通過直接、準確、自動測量超低範圍的氯殘留來推動反滲透膜保護
技術白皮書下載更多>>
- 車規與基於V2X的車輛協同主動避撞技術展望
- 數字隔離助力新能源汽車安全隔離的新挑戰
- 汽車模塊拋負載的解決方案
- 車用連接器的安全創新應用
- Melexis Actuators Business Unit
- Position / Current Sensors - Triaxis Hall
熱門搜索
微波功率管
微波開關
微波連接器
微波器件
微波三極管
微波振蕩器
微電機
微調電容
微動開關
微蜂窩
位置傳感器
溫度保險絲
溫度傳感器
溫控開關
溫控可控矽
聞泰
穩壓電源
穩壓二極管
穩壓管
無焊端子
無線充電
無線監控
無源濾波器
五金工具
物聯網
顯示模塊
顯微鏡結構
線圈
線繞電位器
線繞電阻




