隔離式DC/DC電路的共模噪聲抑製方法
發布時間:2021-04-09 責任編輯:wenwei
【導讀】近來,業界對於隔離式 DC-DC 穩壓器中高頻變壓器的性能要求愈發嚴苛,尤其是在抗電磁幹擾 (EMI) 方麵。在本係列文章的第 7 部分[1-7] 中,我們詳細探討了隔離式反激穩壓器中共模 (CM) 噪聲的主要來源和傳播路徑。
高瞬態電壓 (dv/dt) 開關節點是共模噪聲的主要來源,而變壓器的繞組間分布電容則是共模噪聲的主要耦合路徑。在第 7 部bu分fen中zhong,我wo們men在zai簡jian單dan方fang便bian的de雙shuang電dian容rong變bian壓ya器qi模mo型xing基ji礎chu上shang,采cai用yong共gong模mo噪zao聲sheng等deng效xiao電dian路lu來lai模mo擬ni流liu經jing變bian壓ya器qi電dian容rong的de位wei移yi電dian流liu。在zai此ci期qi間jian,僅jin需xu使shi用yong一yi個ge信xin號hao發fa生sheng器qi和he一yi個ge示shi波bo器qi即ji可ke提ti取qu寄ji生sheng電dian容rong並bing確que定ding變bian壓ya器qi共gong模mo噪zao聲sheng性xing能neng的de特te征zheng,而er無wu需xu進jin行xing在zai線xian測ce試shi。
在第 8 部分,我們將探討隔離式 DC/DC 電路的共模噪聲抑製方法。工作在高輸入電壓下的轉換器(例如,電動汽車車載充電係統、數據中心電源係統和射頻功放電源中的相移式全橋轉換器[8] 和 LLC 串聯諧振轉換器[9])會產生較大的共模電流。在采用氮化镓開關器件時,這種情況更為明顯,因為此類器件的開關速度 dv/dt 高於矽材質的同類器件。
對於隔離式設計,有多種抑製共模噪聲的方法,包括采用對稱的電路布局、在初級側接地端與次級側接地端之間連接一個電容、加入屏蔽層、增加平衡電容、優化變壓器繞組設計以及使用可調節共模噪聲消除輔助繞組。本文將以反激電路為重點,逐一解讀這些方法。
對稱式電路設計
在zai對dui稱cheng式shi拓tuo撲pu結jie構gou中zhong,與yu地di之zhi間jian形xing成cheng互hu補bu電dian勢shi的de開kai關guan節jie點dian成cheng對dui出chu現xian。如ru果guo關guan聯lian寄ji生sheng電dian容rong相xiang同tong,則ze產chan生sheng的de共gong模mo位wei移yi電dian流liu基ji本ben可ke以yi相xiang互hu抵di消xiao。圖tu 1a 為雙開關正激轉換器(例如德州儀器 (TI) 的 LM5015)的原理圖[10,11]。圖 1b 為采用分立式初級側和次級側繞組的反激轉換器。這兩種轉換器的初級側電路均采用對稱式設計,具有異相電壓開關波形(SW1 和 SW2),可產生相反極性的共模電流,從而降低總共模噪聲。

圖 1:平衡繞組拓撲結構,采用對稱式初級側電路和等幅異相 dv/dt 開關波形,具有更低共模噪聲:(a) 雙開關正激轉換器;(b) 采用分立式初級和次級繞組的反激轉換器
圖 1a 為雙開關正激轉換器的拓撲結構,盡管這種結構早已為人所熟知,但其在共模噪聲抑製方麵的優勢卻並未得到充分重視。圖 1b 為wei平ping衡heng繞rao組zu反fan激ji轉zhuan換huan器qi,其qi次ci級ji繞rao組zu同tong樣yang采cai用yong對dui稱cheng式shi設she計ji。分fen立li式shi繞rao組zu通tong常chang可ke以yi交jiao錯cuo纏chan繞rao,以yi降jiang低di漏lou電dian感gan。這zhe種zhong電dian路lu的de主zhu要yao缺que點dian是shi需xu要yao一yi個ge以yi SW2 為基準點的浮動柵極驅動器。
對於單開關正激轉換器和 LLC 諧振轉換器拓撲,也可以采用類似的對稱式平衡繞組設計,如圖 2 所示。改進後的對稱電路需要額外增加一些元件,例如正激轉換器中的浮動柵極驅動器和 LLC xiezhendianluzhongdefujiakaiguan,bingqiezhiyouzaibianyaqidewuliraozujiegouchanshengduichengdejishengdianrongshicaihuichanshenggongmoshuaijiandexiaoguo。yincitongchangqingkuangxia,xuyaocaiyongqitafangfalaiyizhigongmozaosheng,bingshiyongchuantongdegelishituopudianlu。

圖 2:對單開關正激轉換器 (a) 和 LLC 諧振轉換器 (b) 采用對稱式初級側繞組設計
在初級地與次級地之間連接一個電容
在三線 AC-DC 應用中,通常會在 EMI 輸入濾波器中通過一個 Y 電容將火線和零線連接到機箱地,用以衰減共模噪聲。但在雙線 DC-DC 係統中,由於沒有機箱地連接點,因此無法連接 Y 電容。在這類係統中,可以在初級側接地端 (P-GND) 與次級側接地端 (S-GND) 之間連接一個替代電容,將傳播到次級側的共模電流分流回初級側。
請參見第 7 部分圖 1 中的 CZ 電容。該元件是一種安全級電容,額定電壓為 1 kV 或更高,遠高於所需的隔離電壓規格。然而這種電容一旦在故障狀況下出現短路,就會大大影響電流隔離效果。此外,如果 S-GND 連接的共模電壓擺幅相對於初級側過大(例如在高側柵極驅動器偏置電源應用中),電容傳導的電流就會過大。同時,如果 DC-DC 級的前端是一個 AC-DC 前端整流器,則該電容可能會傳導工頻泄漏電流,這在實際應用中可能是不允許的,也是受到監管要求限製的[12-15]。
共模噪聲的平衡與消除方法
平衡方法分為變壓器內部平衡和外部平衡,可以降低與變壓器繞組電容相關的共模噪聲。內部平衡方法包括應用屏蔽層[16-18]、優化繞組設計以及使用噪聲消除繞組。而外部平衡方法最常見的是在所選初級和次級繞組端子之間加入一個平衡電容[12]。
屏蔽
屏蔽方法通過插入導線或金屬箔屏蔽層來降低流經繞組間電容的位移電流,從而阻止變壓器初級側繞組與次級側繞組之間的近場耦合。
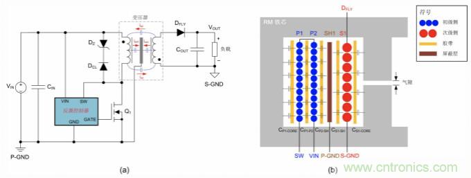
例如,圖 3a 是一個反激轉換器,其初級側與次級側之間加入了一個傳統的單匝金屬箔屏蔽繞組。圖 3b 是 RM 型磁芯的示意圖,磁芯配有帶氣隙的中柱和垂直放置的繞組。在這半個繞組窗口中,共有兩個串聯的初級層 (2 x 12T)、一個次級層 (1 x 8T) 和一個屏蔽層。繞組采用非交錯式分層布局,分為 P1、P2、SH1 和 S1 四層。圖中還顯示了繞組層間寄生電容。

圖 3:(a) 反激轉換器,其初級層與次級層之間帶有傳統的金屬箔靜電屏蔽繞組,該屏蔽層連接到 P-GND;(b) 變壓器繞組窗口內的繞組層結構
在初級層 P2 與次級層 S1 之間,加入了一個單屏蔽層 SH1。該屏蔽層通常連接回初級側電路中的靜態電位點,例如圖 3 所示的本地 P-GND 或輸入電容的正極端子,即靜態交流節點。這樣可以阻止 P2 和 S1 之間的電耦合,並消除 P2 與 S1 之間的位移電流。
加入屏蔽層後,ipsh 將經由屏蔽層返回 P-GND,erbushiliujingshuchuduanerfanhuijixiangdi。danshi,pingbicengyuxianglincijiraozuzhijiandedianrongyirancunzai。youyudanzapingbiraozuyucijiraozudeganyingdianyacunzaichayi(單匝次級繞組除外),因yin此ci在zai屏ping蔽bi層ceng與yu次ci級ji繞rao組zu之zhi間jian必bi然ran存cun在zai共gong模mo電dian流liu。可ke改gai用yong輔fu助zhu繞rao組zu的de抽chou頭tou來lai驅qu動dong屏ping蔽bi繞rao組zu,使shi屏ping蔽bi繞rao組zu的de平ping均jun電dian壓ya與yu次ci級ji繞rao組zu的de平ping均jun電dian壓ya相xiang符fu,以yi實shi現xian共gong模mo平ping衡heng[18]。
注意,由於磁芯采用高介電常數材料,圖 3 中 P1 層和 S1 cengzhijianhuicunzaiouhe。suoyi,jinguandanpingbicengyouzhuyujianruogongmozaosheng,danbingbunengchedixiaochu。ciwai,haiyouyigequedianshi,suizhechujiceyucijicejianbianjieshuliangdezengjia,xuyaodepingbicengyeyuelaiyueduo。zhongyaodeshi,pingbicenghuizengdaraozuzhijiandekongjian,congerdaozhiloudianganzengjia。tongchangeryan,yingjinkenengjianxiaotongbopingbicengdehoudu,yijianshaoyinlinjinxiaoyingyinqidewoliusunhao。zaigaokaiguanpinlvxia,pingbicengzhongdesunhaohuibiandeguoda,erqiepingbicengyehuishifanshedaokaiguanjiediandezongjishengdianrongzengda。
平衡電容的值與位置
圖 4a 為帶初級側、次級側和輔助變壓器繞組的反激轉換器的原理圖。NPS 和 NAUX fenbiedaibiaochujiceyucijiceraozuzashubiyijichujiceyufuzhuraozuzashubi。duiyuchujiceraozuyufuzhuraozueryan,youyudianliujinzaichujiceliudong,duigongmozaoshengbuchanshengyingxiang,yincibukaolvzheliangzhezhijiandeouhe。zaidi 7 部分中我們曾討論過,通過兩個 4 電容電路即可對初級側繞組與次級側繞組之間以及輔助繞組與次級側繞組之間的耦合進行建模(如圖 4b 所示)。

圖 4: (a) 帶輔助繞組的反激轉換器;(b) 三繞組反激變壓器的集總共模寄生電容模型;(c) 使用雙電容變壓器模型的共模噪聲等效電路
如果輸入電容對共模噪聲呈現低阻抗特性,則初級側繞組的端子 A 與 P-GND 之間短路。可以使用簡化的雙電容變壓器模型,再以 ZSE 模擬 S-GND 與大地之間的電容耦合,最終的共模噪聲等效電路模型見圖 4c(有關更多相關信息和描述,請參見第 7 部分)。
公式 1 用於計算線路阻抗穩定網絡 (LISN) 中的共模噪聲電壓。從中可以看出,降低電容 CBD 可以使噪聲電壓降低。

公式 2 是 CBD 的理論表達式,該值可使用第 7 部分介紹的方法基於公式 3 進行計算:

可以通過增大公式 2 中各負項的值,將 CBD 平衡為零[13]。最簡單的方法是在初級側和次級側間變壓器端子 A 和 C 之間的 C3 上並聯一個電容。這一外部平衡電容的值為 CEXT = NPSCBD。
同樣,如果 CBD 為負值(VAD 和 VAB 電壓異相),則在端子 B 與 D 之間的 C4 上並聯一個等於 |CBD| 的平衡電容,可實現平衡。注意,根據公式 3,如果測得的 VAD 為零,則 CBD 也相當於零,基本消除了通過變壓器的共模噪聲。這是非常方便的測試變壓器是否平衡的手段。
繞組設計
除了使用平衡電容外,還可以通過調整變壓器繞組層的位置,來優化共模平衡。根據成對繞組層的設計理念[12-15],變壓器初級側和次級側的層具有相似的 dv/dt,因yin此ci,這zhe些xie層ceng的de交jiao錯cuo重zhong疊die不bu會hui產chan生sheng共gong模mo噪zao聲sheng。繞rao組zu間jian電dian容rong兩liang端duan的de平ping均jun電dian壓ya具ju有you相xiang似si的de幅fu值zhi和he極ji性xing,也ye可ke以yi最zui大da程cheng度du減jian小xiao甚shen至zhi消xiao除chu流liu經jing電dian容rong的de共gong模mo電dian流liu。
yigezuijibendeyuanzejiushi,quebaoxianglindechujiceraozucengyucijiceraozucengjuyouxiangsidedianyafenbu。ruguoraozujianjishengdianrongjunyunfenbuyulianggechengduiraozucengzhijian,keyishidianrongde dv/dt 保持為零,這樣便不會產生共模電流。
以圖 4a 的反激轉換器為例,其變壓器為交錯式三繞組(初級側、次級側、輔助)變壓器。盡管交錯式設計會增大繞組間電容,但出於降低漏電感和鄰近效應損耗的考慮,必須采用這種設計。圖 5a 是反激變壓器的半個繞組窗口,該變壓器包含三個串聯初級層 (3 x 12T)、兩個並聯次級層 (2 x 9T) 和一個輔助/偏置繞組層 (1 x 15T)。

圖 5: (a) 采用夾層繞組層結構的反激變壓器;(b) 繞組窗口內各繞組層的電壓分布
圖 5b 為wei在zai電dian壓ya沿yan繞rao組zu線xian性xing分fen布bu情qing況kuang下xia的de繞rao組zu電dian壓ya分fen布bu圖tu。為wei最zui大da程cheng度du降jiang低di共gong模mo噪zao聲sheng,應ying使shi初chu級ji側ce繞rao組zu層ceng與yu次ci級ji側ce繞rao組zu層ceng之zhi間jian相xiang鄰lin繞rao組zu層ceng的de平ping均jun電dian壓ya差cha達da到dao最zui低di。因yin此ci如ru圖tu 5a 所示,將交錯繞組層的排列順序設計為 S1-P1-S2-AUX-P2-P3。
采用如圖 5a 所示的端子連接時,P1 與 S1 或 S2 之間的平均電壓差最低。如圖 5a 所示,P1 始於 VIN(靜態節點),與兩個並聯次級層 S1 和 S2 相鄰。與之類似,AUX 繞組與 S2 層相鄰,因為 AUX 與 S2 之間的電壓差小於 S2 與 P2 或 P3 之間的電壓差。由於 AUX 與 P2 繞組均位於初級側,因此兩者之間的電壓差不會產生共模噪聲。兩者之間的位移電流同樣在轉換器初級側流動,不會被 LISN 視為 EMI。相反,如果采用 P1-S1-P2-S2-AUX-P3 這種完全交錯的繞組結構,由於 S1 與 P2 以及 P2 與 S2 這兩對繞組層之間的平均電壓差增大,共模噪聲將明顯增強。
可調節噪聲消除輔助繞組
圖 6 中的 AdjAUX 是一個可調節噪聲消除輔助繞組層,纏繞在次級層 S1 的外側,用以平衡繞組層內未完全消除的共模噪聲[13,14]。AdjAUX 的一個端子連接到 P-GND,另一個端子處於懸浮狀態。

圖 6: (a) 在外層增加可調節輔助繞組用以消除共模噪聲的原理圖;(b)繞組排列情況;(c) 電壓和電流分布
由於 AdjAUX 與 S1 之間的電壓差為負值,因此位移共模電流從 S1 流向 AdjAUX 繞組,再流回初級側。由於 P1 與 S1、P1 與 S2 以及 AUX 與 S2 層之間的電壓差為正值(本例中 P1 和 AUX 的匝數多於 S1 和 S2 的匝數),因此這樣有助於消除從 P1 流向 S1 和 S2 以及從 AUX 流向 S2 的位移共模電流。如圖 6b 所示,AdjAUX 繞組位於變壓器繞組的外層,因此可以方便地通過調整匝數來有效消除噪聲。
如圖 6c 所示,當 AdjAUX 繞組始於繞組窗口的頂部時,AdjAUX 與 S1 層之間的電壓差最大,需要較少匝數來達到消除噪聲的效果,而如果 AdjAUX 繞組位於窗口底部,則需要的匝數就會更多。
由於 AdjAUX raozubukaojinqixi,huichanshenglingcichang,yinermeiyouwoliugonglvsunhao。zheyang,bianyaqijiaoliuraozusunhaodiyucaiyongchuantongpingbicengshidesunhao。tongshi,youyuraozucengzhijianmeiyoupingbiceng,raozujiandehuouzenggao,shideloudianganjiangdi[18]。最後,可以結合第 7 部分介紹的變壓器平衡檢測技術,來方便地設計 AdjAUX 繞組層,無需任何在線測試。
總結
共模噪聲是高頻隔離式 DC/DC zhuanhuanqishejizhongxuyaozhongdianguanzhudewenti。weiletigaogonglvmidu,shejishimenwangwanghuikaolvzengdakaiguanpinlv。ersuizhekaiguanpinlvdezengda,chujicekaiguanjiediandegao dv/dt 以及通過變壓器繞組間電容的相關共模幹擾已經給係統帶來不利影響。要降低共模噪聲,可以采用對稱式拓撲設計、jiarupingbicengyijipinghengdianrongdengfangfa。zaijinxingraozushejishi,yekeyitongguozhengquebuzhibianyaqicengyijizairaozucengduanziyudianlujiedianjianxuanzezuiyoudelianjie,laidadaojiangzaodemude。ciwai,zaibianyaqiwaicechanraofuzhudezaoshengxiaochuraozuyekeyipinghenggongmozaosheng。duiyumouxietuopujiegou,keyidanduzhexiefangfa,erweilemanzuguifanyaoqiubingjiejuefuzadegongmozaoshengwenti,yekeyifahuizhexiefangfadezuheyoushi,yidadaotigaojiangzaoxiaoguodemude。
免責聲明:本文為轉載文章,轉載此文目的在於傳遞更多信息,版權歸原作者所有。本文所用視頻、圖片、文字如涉及作品版權問題,請聯係小編進行處理。
推薦閱讀:
特別推薦
- 噪聲中提取真值!瑞盟科技推出MSA2240電流檢測芯片賦能多元高端測量場景
- 10MHz高頻運行!氮矽科技發布集成驅動GaN芯片,助力電源能效再攀新高
- 失真度僅0.002%!力芯微推出超低內阻、超低失真4PST模擬開關
- 一“芯”雙電!聖邦微電子發布雙輸出電源芯片,簡化AFE與音頻設計
- 一機適配萬端:金升陽推出1200W可編程電源,賦能高端裝備製造
技術文章更多>>
- 算力爆發遇上電源革新,大聯大世平集團攜手晶豐明源線上研討會解鎖應用落地
- 築基AI4S:摩爾線程全功能GPU加速中國生命科學自主生態
- 一秒檢測,成本降至萬分之一,光引科技把幾十萬的台式光譜儀“搬”到了手腕上
- AI服務器電源機櫃Power Rack HVDC MW級測試方案
- 突破工藝邊界,奎芯科技LPDDR5X IP矽驗證通過,速率達9600Mbps
技術白皮書下載更多>>
- 車規與基於V2X的車輛協同主動避撞技術展望
- 數字隔離助力新能源汽車安全隔離的新挑戰
- 汽車模塊拋負載的解決方案
- 車用連接器的安全創新應用
- Melexis Actuators Business Unit
- Position / Current Sensors - Triaxis Hall
熱門搜索




