鋰電池保護電流
發布時間:2021-01-04 來源:卓晴 責任編輯:wenwei
【導讀】鋰電池保護板是對串聯鋰電池組的充放電保護;在充滿電時能保證各單體電池之間的電壓差異小於設定值(一般±20mV),實現電池組各單體電池的均充,有效地改善了串聯充電方式下的充電效果;同時檢測電池組中各個單體電池的過壓、欠壓、過流、短路、過溫狀態,保護並延長電池使用壽命;欠壓保護使每一單節電池在放電使用時避免電池因過放電而損壞。
前言
有人將電池的充放電就像孩子喝母乳一樣,十分形象:
1,如果一直讓孩子喝,家長不加以控製,那麼這個奶可能會被喝光,類似電池過放;
2,如果家長一直不給孩子喝奶,這個奶就會積攢越來越多,類似電池過充;
3,如果孩子喝奶喝的急,容易嗆奶,類似電池的過電流保護;
對於鋰電池,如果不能夠科學喂奶、喝奶,除了可能降低電池使用壽命,有時可能會造成電池爆燃、爆炸等危險場景。那麼如何控製這種情況發生呢?
通常情況下,在鋰電池內部都會有一個專用的保護PCB板,與電池單元封裝在一起。在它的保護下,可以控製鋰電池的輸出電壓在一個安全電壓區間,即電池的充放電終止電壓和截止電壓。
如果電池的工作電壓超出安全範圍,就有可能在電池內部發生不可逆轉的傷害,導致電池衰減,體現在電池的內阻增加,容量下降。

帶有電池保護板的鋰電池
鋰電池保護板
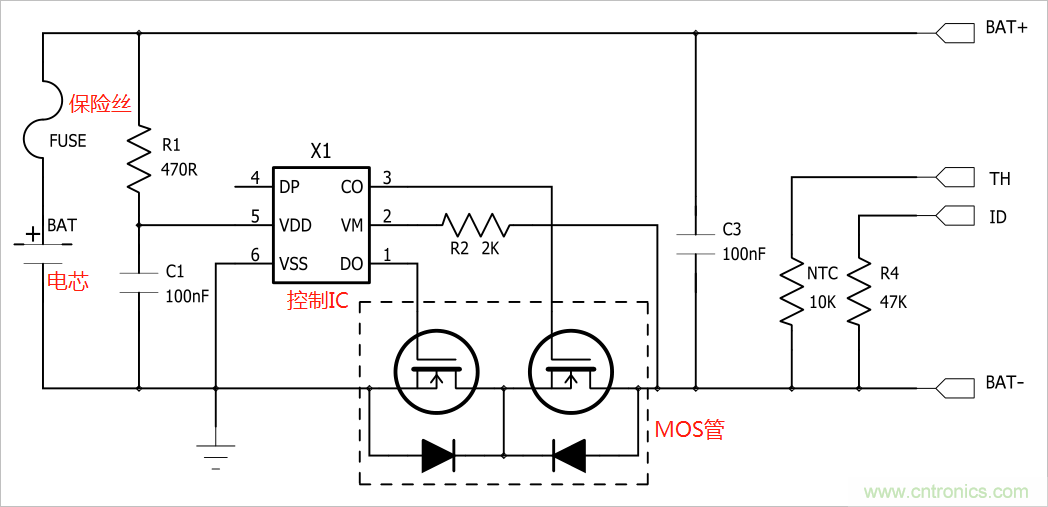
在鋰電池保護板上通常集成有控製IC、MOS管、電阻電容、保險絲FUSE等組成,如下圖所示。

常見到的鋰電池保護板電路圖
圖中的兩個N溝道MOS管分別控製充電和放電的通斷。並聯的二極管是MOS管的寄生二極管。
在對外界口中,TH為溫度檢測,內部是一個10K NTC接到電池負極;ID是電池在位檢測,一般是47K/10K電阻接到電阻負極,有的是0R電阻;TH和ID均是選配,並不是所有鋰電池都有的。
過充保護
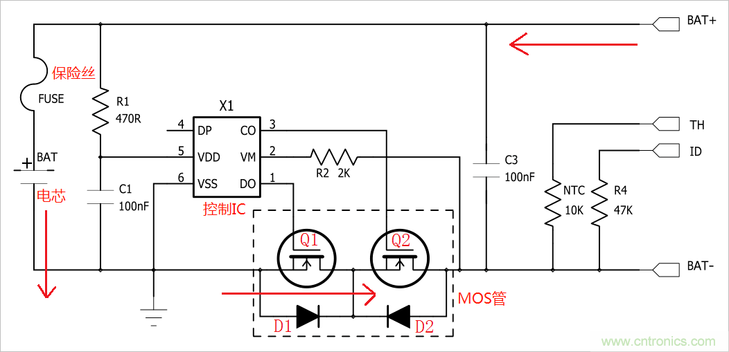
當電池充電時,電流從電池包的正極流入,經過FUSE後從負極流出,最下方的兩個MOS管均是導通狀態。如下圖紅色箭頭所示方向:

電池充電時電流方向如箭頭所示
充電時,控製IC X1會時刻監測第5腳VDD和第6腳VSS之間的電壓,當這個電壓大於等於過充截止電壓且滿足過充電壓的延時時間時,X1會通過控製第3腳來關閉MOS管Q2,Q2被關閉之後,充電回路被切斷(Q2的體二極管D2也是反向截止的),這個時候,電池隻能放電。
當下麵兩個條件滿足其一時,便可以解除充電保護::1,電芯兩端的電壓下降到保護IC的過充恢複電壓。2,在電池包得輸出端加負載放電,放電到電壓小於過充保護電壓。
過放保護
電池兩端向負載輸出電流時,電流按照下圖的紅色箭頭流動。

電池放電時電流方向如箭頭所示
放電池,控製芯片IC X1將會通過第5管腳檢測C1上的電壓。當這個電壓小於放電截止電壓後並持續一段時間,控製IC將會通過DO管腳控製Q1截止,此時放電回路被切斷。
當下麵條件滿足時,IC X1接觸過放保護:拿掉負載,給電池包充電,當VM-VDD之間的電壓達到過放恢複電壓值時,控製IC X1會重新打開MOS管Q1。
過流/短路保護
過流保護則是通過IC X1第2管腳(VM)檢測流經控製MOS管電壓。如果該電壓過大並持續一定時間,控製IC將會關閉Q1,斷開放電回路。將輸出端負載拿掉,控製IC會自動將Q1重新打開。

保護電流為21A鋰電池保護板
過流保護電壓VM常常在0.1 ~ 0.2V,這個數值與IC的型號有關。
過流保護數值除了與VM有關之外,也和Q1,Q2兩個MOS管的導通電阻有關係。如果MOS管的導通內阻越大,保護電流值就越小。
如:內阻為20mΩ的MOS管,選用的過電流值為0.15V的控製IC,那過流保護的電流應為:0.15V/(0.02*2)=3.75A。
控製IC失效時FUSE保護
有的保護板裏麵會加上保險絲,在控製IC失效之後,起到一個二級保護作用,避免更壞的結果,當然也會增加成本。

保護電流為100A鋰電池保護板
免責聲明:本文為轉載文章,轉載此文目的在於傳遞更多信息,版權歸原作者所有。本文所用視頻、圖片、文字如涉及作品版權問題,請聯係小編進行處理。
推薦閱讀:
特別推薦
- 噪聲中提取真值!瑞盟科技推出MSA2240電流檢測芯片賦能多元高端測量場景
- 10MHz高頻運行!氮矽科技發布集成驅動GaN芯片,助力電源能效再攀新高
- 失真度僅0.002%!力芯微推出超低內阻、超低失真4PST模擬開關
- 一“芯”雙電!聖邦微電子發布雙輸出電源芯片,簡化AFE與音頻設計
- 一機適配萬端:金升陽推出1200W可編程電源,賦能高端裝備製造
技術文章更多>>
- 築基AI4S:摩爾線程全功能GPU加速中國生命科學自主生態
- 一秒檢測,成本降至萬分之一,光引科技把幾十萬的台式光譜儀“搬”到了手腕上
- AI服務器電源機櫃Power Rack HVDC MW級測試方案
- 突破工藝邊界,奎芯科技LPDDR5X IP矽驗證通過,速率達9600Mbps
- 通過直接、準確、自動測量超低範圍的氯殘留來推動反滲透膜保護
技術白皮書下載更多>>
- 車規與基於V2X的車輛協同主動避撞技術展望
- 數字隔離助力新能源汽車安全隔離的新挑戰
- 汽車模塊拋負載的解決方案
- 車用連接器的安全創新應用
- Melexis Actuators Business Unit
- Position / Current Sensors - Triaxis Hall
熱門搜索
微波功率管
微波開關
微波連接器
微波器件
微波三極管
微波振蕩器
微電機
微調電容
微動開關
微蜂窩
位置傳感器
溫度保險絲
溫度傳感器
溫控開關
溫控可控矽
聞泰
穩壓電源
穩壓二極管
穩壓管
無焊端子
無線充電
無線監控
無源濾波器
五金工具
物聯網
顯示模塊
顯微鏡結構
線圈
線繞電位器
線繞電阻




