電池測試設備 (Battery Tester) --- 功率變換篇
發布時間:2020-10-01 來源:Stanley Ho 責任編輯:wenwei
【導讀】隨著鋰電池行業的興起,電池測試設備的市場也變得龐大,其主要應用於3C電池與動力電池的化成分容。3Cdianchidechuanshushao,shijishiyongduimeichuandianchiyaoqiudeyizhixingbugao,erdonglidianchiyouyuchuanshugaodashubaichuan,bingqieshiyonghuanjingxiangduijiduan,weibaozhengjiaochangdeshiyongshouming,xiangbi3C電池在一致性上要求高的多,因此電池在分容中要求的電流精度較高,目前按照市場要求,保持0.02%的要求是電池測試設備生產商麵臨的設計挑戰,為了爭取更高的市場份額,對精度以及效率,功率密度等其他性能的追求也從未停歇。
需要知道的是在電池設備中,主要分為三大部分,分別為雙向AC-DC電能變換,數據處理單元,以及電池測試單元。本文主要剖析實現電池化成分容技術要點緊密相關的電池測試單元的功率變換部分。
功率變換
電池測試單元的功率部分主要包括模擬控製器,半橋驅動,MOSFET,輸入輸出保護器。電能變換拓撲最常用的就是半橋整流的Buck/Boost變換電路,主要是因為電路結構簡單,控製也不複雜,同時能滿足目前市麵上低至0.5A或者更小以及高至上百安培的輸出電流的應用場合,不同的是在大電流應用場合,為了保證良好的散熱性能並減小體積,多采用多相Buck/Boost並聯的方式,無論單相還是兩相甚至多相,不變的是控製方案。
TL594分立方案
目前比較成熟的方案是TL594的模擬分立方案,德州儀器在之前推出過TL594方案的TI Design,如圖1所示,該方案成熟穩定,且有性價比優勢。

圖1 TI Design框圖
半橋驅動器
當測試單元的輸出電流在10A左右或以內時,驅動能力要求不大的條件下一般1A左右即可滿足要求,使用較為常見的有LM5109B和LM5106,表1。
當輸出電流在幾十上百安時,考慮MOSFET的快速切換所需要的驅動電流,UCC27282目前驅動電流2.5A source/3.5A sink電流,且HS能承受的負壓較大,可靠性較高,因為其具有的interlock的功能,所以不會變換器半橋節點的di/dt的幹擾而出現半橋直通的情況。
表1:驅動器

LM5060與LM5069實現功率接口的保護器
當dang電dian池chi充chong電dian時shi,係xi統tong如ru果guo沒mei有you電dian流liu防fang倒dao灌guan保bao護hu,被bei測ce試shi電dian池chi將jiang放fang電dian,會hui產chan生sheng不bu可ke靠kao的de的de係xi統tong啟qi動dong動dong作zuo,同tong時shi在zai係xi統tong過guo壓ya過guo流liu欠qian壓ya保bao護hu時shi,如ru果guo隻zhi有you主zhu電dian路luMOSFET關閉,電池仍然有電流倒灌的路徑,因此附加輸入輸出接口保護器尤為重要。LM5060與LM5069適用於輸入輸出的接口的欠壓,過壓,浪湧電流等保護,參數如表2所示。
表2:負載開關參數表

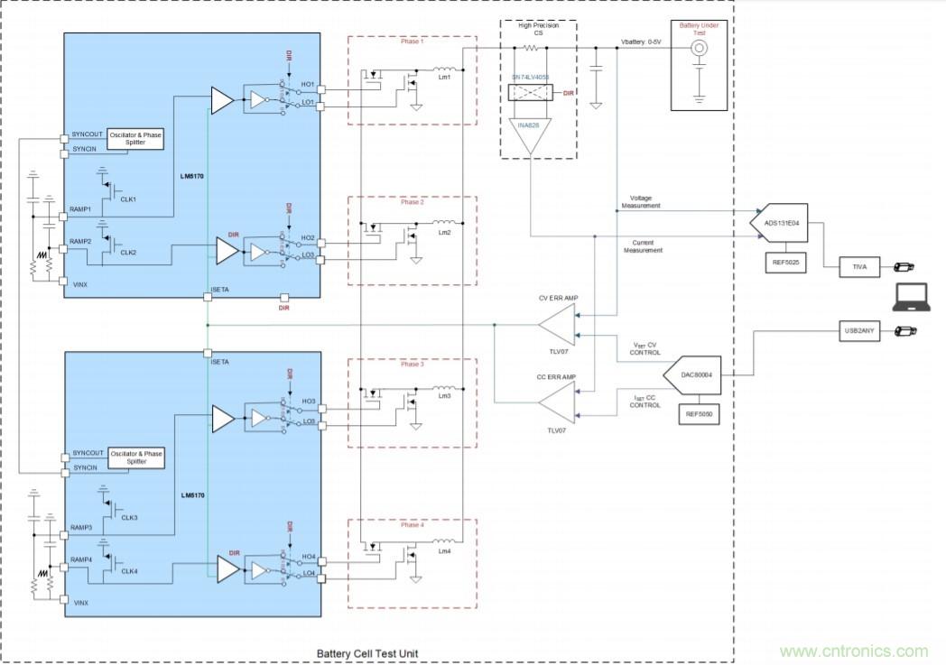
LM5170-Q1集成方案
當電流較大,需要使用多相交錯並聯,而一顆TL594隻能控製一相功率變換電流,同時需要外部給定給TL594同步信號,多相並聯增加了TL594分立元件方案複雜度。LM5170-Q1defanganneibuhanyoulianglukongzhihuanlu,jikeduligongzuoyekeyijiaocuobinglian,qiejichengguoyaguoliuqianyadengbaohu,zhichierjiguanfangzhenmoshi,tongshiyeyoufangdianliudaoguandebaohudianlu。tu2為兩路並聯的典型應用方案TI Design: TIDA-01041,輸出電流最大100A,且具有0.02%的電流精度與0.1%的電壓精度。

圖2: TIDA-01041
LM5170-Q1方案的優勢在於不僅為信號鏈的設計留出了可自由拓展的空間,且集成度較高,為功率變換MOSFET的散熱提供了較大的空間。ti.com提供幾種不同電流大小的參考設計TID-A01041,TIDA-01042。
參考文獻:
● PMP40182: 雙向電池初始化係統電源板參考設計
● TIDA-01041: 用於多相高精度 0.5 至 100A 電池化成的電池測試儀參考設計
● TIDA-01042: 適用於 50A、100A 和 200A 應用的模塊化電池測試儀參考設計
● 電池測試設備-參考設計及 產品
推薦閱讀:
特別推薦
- 噪聲中提取真值!瑞盟科技推出MSA2240電流檢測芯片賦能多元高端測量場景
- 10MHz高頻運行!氮矽科技發布集成驅動GaN芯片,助力電源能效再攀新高
- 失真度僅0.002%!力芯微推出超低內阻、超低失真4PST模擬開關
- 一“芯”雙電!聖邦微電子發布雙輸出電源芯片,簡化AFE與音頻設計
- 一機適配萬端:金升陽推出1200W可編程電源,賦能高端裝備製造
技術文章更多>>
- 築基AI4S:摩爾線程全功能GPU加速中國生命科學自主生態
- 一秒檢測,成本降至萬分之一,光引科技把幾十萬的台式光譜儀“搬”到了手腕上
- AI服務器電源機櫃Power Rack HVDC MW級測試方案
- 突破工藝邊界,奎芯科技LPDDR5X IP矽驗證通過,速率達9600Mbps
- 通過直接、準確、自動測量超低範圍的氯殘留來推動反滲透膜保護
技術白皮書下載更多>>
- 車規與基於V2X的車輛協同主動避撞技術展望
- 數字隔離助力新能源汽車安全隔離的新挑戰
- 汽車模塊拋負載的解決方案
- 車用連接器的安全創新應用
- Melexis Actuators Business Unit
- Position / Current Sensors - Triaxis Hall
熱門搜索
微波功率管
微波開關
微波連接器
微波器件
微波三極管
微波振蕩器
微電機
微調電容
微動開關
微蜂窩
位置傳感器
溫度保險絲
溫度傳感器
溫控開關
溫控可控矽
聞泰
穩壓電源
穩壓二極管
穩壓管
無焊端子
無線充電
無線監控
無源濾波器
五金工具
物聯網
顯示模塊
顯微鏡結構
線圈
線繞電位器
線繞電阻





