優化隔離傳感器接口的功率轉換
發布時間:2020-09-01 來源:Mark Cantrell 責任編輯:wenwei
【導讀】在工業控製世界,有幾點是確定無疑的:下一款產品將具有更小的尺寸、更(geng)多(duo)通(tong)道(dao)數(shu),每(mei)通(tong)道(dao)的(de)目(mu)標(biao)成(cheng)本(ben)更(geng)低(di)。人(ren)們(men)期(qi)望(wang),技(ji)術(shu)在(zai)上(shang)一(yi)個(ge)設(she)計(ji)產(chan)品(pin)之(zhi)後(hou)已(yi)有(you)所(suo)改(gai)進(jin),所(suo)有(you)這(zhe)些(xie)都(dou)是(shi)可(ke)能(neng)的(de)。在(zai)很(hen)大(da)程(cheng)度(du)上(shang),過(guo)去(qu)就(jiu)是(shi)這(zhe)樣(yang)發(fa)展(zhan)的(de),而(er)未(wei)來(lai)很(hen)可(ke)能(neng)仍(reng)然(ran)如(ru)此(ci)。
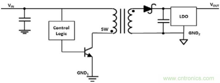
從光耦合器時代到最新的高速、低功耗、高集成度數字隔 離器,數據接口一直在穩步發展。本文將討論隔離傳感器 接口的一個本應得到更多關注的方麵。如何在縮小接口尺 寸並提高性能的同時,將隔離電源提供給ADC和調理電 路?過去,模擬接口板的通道數不多,因此板上有足夠的 空間可用來設計適當的DC-DC轉換器,以便為傳感器接口 提供電源。一個模塊隻有一兩個接口,因此功耗不是什麼 大問題。而目前,模擬PLC模塊(如圖1所示)能夠提供4 個、8個甚至16個獨立的隔離通道。多個大小適中的 DC-DC轉換器會占據很多空間,並產生很多熱量。

圖1. 典型多通道傳感器接口
圖1所示通用模擬接口為電源討論提供了一個很好的起點。 有源電路包括信號調理單元(例如運算放大器或儀表放大 器),以及集成了串行接口的ADC,可通過數字隔離器通道 實現與FPGA的接口。通常該電路所需功率遠低於150 mW。
為傳感器接口提供電源的基本挑戰是優化電源,使其在所 需功率範圍內正常工作。0 mW至150 mW工作範圍意味著 構成電源的控製器和反饋元件的固定靜態功耗會占所用總 功耗的較大部分,因此效率較低。表1中不同電源配置的 靜態電流值顯示了這一點。另外,許多簡單電源設計需要 一個最小負載才能正常工作,為使電源正常發揮作用,必 須將功率浪費在持續阻性負載上。雖然在電路板上放置一 個555定時器和晶體管來獲得一定的功率很容易,但製作 一個高效、可靠、低功耗的電源則很困難。
在此功率範圍內,有三種基本的DC-DC轉換器類型:
1. 非穩壓開關電源或模塊
2. 穩壓開關電源或模塊
3. 芯片級功率轉換器
采用這些電源結構都會增加控製電路的複雜性,而前兩種 類型還需增加元器件數目和解決方案的尺寸。
非穩壓電源
最簡單的解決方案是圖2所示的非穩壓DC-DC轉換器。

圖2. 非穩壓DC-DC模塊
該設計利用固定頻率、固定占空比輸入切換來產生副邊電 源,然後進行整流和濾波。所選變壓器的額定隔離電壓必 須達到應用要求。隔離要求越高,則變壓器越大(即PCB麵 積越大、高度越高)。該解決方案的成本以變壓器為主,數 量合適的話,分立解決方案的成本低於1.00美元。
雖然成本很低,但負載和溫度範圍內的輸出電壓變化可能 很大,模擬接口的模擬器件選擇將更加困難。模擬接口的 所有模擬器件都必須具有出色的電源抑製性能,負載不能 快速變化,否則就會引起電源大幅度改變。因此,器件成 本會提高,或者至少要花費更多的設計時間,以評估解決 方案在極端情況下的表現。非穩壓電源的效率可能相當 高,但電源質量很低。
穩壓電源和模塊
穩壓電源提供更好的輸出特性。圖3顯示一個1 W功率範圍 內的典型DC-DC模塊。

圖3. 穩壓DC-DC模塊
與上述非穩壓電源示例類似,控製器將功率切換到變壓器 中。選擇適當的變壓器功率水平和匝數比,以便在最大負 載下提供充足的電壓,使得LDO能夠將輸出電壓調節到穩 定的水平。該方案的電源效率在高負載下非常好,在低負 載下則很差,而後者正是模擬接口應用的運行情況。
有許多有源穩壓方案可以提高全負載範圍內的效率,但需 要複雜得多的控製電路,而且大部分方案需要在隔離柵上 建立一個反饋通道。這會大幅增加設計的成本和尺寸,一 般不適合此功率範圍內的模塊。
由於難以將變壓器整合到組件中,因此這些電源的集成並 未超出密封模塊或PCB子卡。製造商在縮小這些器件的尺 寸方麵取得的成功非常有限。
芯片級轉換器
芯片級變壓器技術是ADI公司針對iCoupler®數字隔離器產 品而開發的,基於該技術已產生一類新型DC-DC轉換器。 該技術非常適合低功耗高性能電源設計。變壓器為“空 芯”,也就是說變壓器中不存在磁性材料。這意味著,這 些微型變壓器在大約125 MHz時具有最高的Q。開關頻率 如此之高,因而無法通過改變開關信號的占空比來控製功 率。相反,控製電路通過選通和開關整個振蕩器來調節副 邊電壓。
變壓器非常小,足以集成到采用內分引腳架構的標準IC封 裝中。在隔離柵兩側,正向電源和輸出反饋所需的全部器 件都可以集成到一對芯片中,無需外部分立器件,並且可 以實現多種高級特性。芯片級功率轉換器能夠集成完全穩 壓DC-DC電源的全部功能,在低負載情況下具有緊湊型的 穩壓特性和良好的效率。

圖4.ADuM5010芯片級轉換器
比較
下麵通過一些實際例子來說明上述設計的區別。表1顯示 兩個電源模塊和一個芯片級轉換器的特性對比。所選TI模 塊為最常見的模塊,功率範圍為傳感器接口要求中規定的 0 mW至150 mW。
表1. 技術對比

大部分設計師需要實現高電源效率的設計。表1中,非穩 壓解決方案的效率最高,但選擇該方案也有弊端。此模塊 的額定功率為1 W,但其數據手冊連100 mW以下的性能都 未給出。事實很可能是這樣:輸出電壓顯著高於額定值, 效率迅速降低。
效率第二的是穩壓模塊。它設計用於輕負載,具有良好的 特性。然而,仔細對比芯片級轉換器,分析穩壓模塊的效 率,由圖5可見,由於芯片級轉換器集成有源反饋調節, 其效率能夠更快地上升至最終值,因此在0 mA和15 mA的 負載範圍內,芯片級解決方案事實上更有效。這基本上就 是最初模擬接口定義中的目標範圍了。因此,盡管芯片級 解決方案的最大效率最低,它依然是一個較好的選擇。

圖5. DC-DC穩壓模塊與芯片級轉換器的效率對比
解決方案尺寸是下一個比較點。模塊解決方案在PCB上的 麵積均為180 mm2,非穩壓模塊的高度是10 mm,因此它不 僅要占用電路板空間,而且很可能是板上最高的部分,決 定模塊的理論外殼尺寸。明智的選擇同樣是采用薄型 SSOP20 JEDEC標準封裝、尺寸為55 mm2,並且添加一些旁 路電容和兩個電阻的芯片級模塊。
穩壓方案相對於非穩壓方案的優勢與模擬前端的ADC和放 大器的電源抑製性能有關。穩壓能力越強,則選擇測量器 件的靈活性越大,而不是局限於那些具有最佳電源抑製性 能的器件。
模塊式/分立解決方案與芯片級解決方案的最後一個區別因 素是工作頻率。開關電流會給電源帶來噪聲和紋波。很多 情況下,模塊的工作頻率範圍是200 kHz到1 MHz,與許多 傳感器應用的采樣速率相當。必須對數據進行適當的濾波 或消除混疊,防止其受到電源噪聲影響。芯片級解決方案 的原邊功率振蕩器的工作頻率在125 MHz,遠高於多數工業 傳感器ADC的采樣頻率。雖然功率振蕩器的PWM控製仍 會引起紋波,但最大噪聲源高於ADC的帶寬,可將其輕鬆 濾除。
芯片級轉換器的額外優勢
僅就尺寸效率而言,芯片級轉換器非常適合該應用。但該 技術還有許多其他優點。下麵將詳細介紹新型隔離功率轉 換器ADuM5010。此器件能在模擬接口要求的低功耗範圍 內提供電信用DC-DC轉換器的性能。
1. 無限可調的輸出電壓。ADuM5010通過副邊的分壓器設 置輸出電壓。其範圍為3.15 V至5.5 V。許多模擬ADC和 運算放大器采用非標準電源軌供電,因此可以調整電壓 以獲得最佳電源條件。
2. 熱關斷功能可在短路過載情況下保護電源,尤其是在芯 片溫度可能超過最高限值的高環境溫度下。熱關斷跳變 點為154°C,芯片必須比它低10°C以上,器件才能自動 重啟。電源重啟不需要任何外部處理器幹預。
3. 施加電源時,通過在原邊控製PWM實現軟啟動。這 樣,器件啟動時的浪湧電流可忽略不計。多個器件同時 啟動時,浪湧電流可能會壓倒較弱直流輸入電源軌,導 致無法預測的行為。
4. 利用原邊電源禁用功能,可以將轉換器關斷到功耗極低 的待機狀態。此特性結合軟啟動可實現省電方案,在測 量間歇關閉傳感器的電源。
5. 原邊輸入電源具有欠壓閉鎖(UVLO)功能。此特性可防 止轉換器以低輸入電源軌啟動。這樣, 在下遊 ADuM5010嚐試取電之前,輸入電源可以有效充電。
6. 全麵隔離認證。模塊的類型測試要求可以降低,並且可 以消除生產期間的在線測試。
結論
針對大多數PLC應用設計的模擬傳感器接口,應用時需要 對數字通信和電源進行隔離。其功率水平非常低,低於大 部分DC-DC轉換器以高效率和可預測方式正常工作的範 圍。不過,經過精密調節並表現良好的電源對接口非常有 益。隔離式芯片級轉換器ADuM5010非常適合隔離模擬輸 入的要求,功耗150 mW,並提供一般隻有高功率DC-DC轉 換器才具備的特性組合。在功率與隔離數據通道相結合的 係列器件中,此器件是僅提供功率的型號。ADuM521x雙 數據通道器件支持數據接口集成,從而節省更多空間。該 係列還將繼續推出更高通道數器件,以便工程師隻需進行 極少的設計工作就能安全且輕鬆地應用電源。
推薦閱讀:
特別推薦
- 噪聲中提取真值!瑞盟科技推出MSA2240電流檢測芯片賦能多元高端測量場景
- 10MHz高頻運行!氮矽科技發布集成驅動GaN芯片,助力電源能效再攀新高
- 失真度僅0.002%!力芯微推出超低內阻、超低失真4PST模擬開關
- 一“芯”雙電!聖邦微電子發布雙輸出電源芯片,簡化AFE與音頻設計
- 一機適配萬端:金升陽推出1200W可編程電源,賦能高端裝備製造
技術文章更多>>
- 算力爆發遇上電源革新,大聯大世平集團攜手晶豐明源線上研討會解鎖應用落地
- 築基AI4S:摩爾線程全功能GPU加速中國生命科學自主生態
- 一秒檢測,成本降至萬分之一,光引科技把幾十萬的台式光譜儀“搬”到了手腕上
- AI服務器電源機櫃Power Rack HVDC MW級測試方案
- 突破工藝邊界,奎芯科技LPDDR5X IP矽驗證通過,速率達9600Mbps
技術白皮書下載更多>>
- 車規與基於V2X的車輛協同主動避撞技術展望
- 數字隔離助力新能源汽車安全隔離的新挑戰
- 汽車模塊拋負載的解決方案
- 車用連接器的安全創新應用
- Melexis Actuators Business Unit
- Position / Current Sensors - Triaxis Hall
熱門搜索




