“零漂移”霍爾效應電流傳感器
發布時間:2020-08-05 責任編輯:wenwei
【導讀】在電動汽車和工業自動化的蓬勃發展的推動下,我們已經看到 用於監視係統性能的高壓和交流連接電子設備的數量有所增加。通常可以使用電流傳感器來滿足該需求,該電流傳感器用於測量係統以及隨後控製係統。

電流傳感器用於控製外部電路的示例。圖片由德州儀器(TI)提供
但是,現代電流傳感器仍然在成本,精度和隔離度之間表現出一定的權衡—在為他們的設計選擇最實用的設備時,工程師會做出一係列艱難的決定。
01 電流傳感器類型:開環和閉環
電流傳感器有許多不同的配置,但它們都可以歸結為兩種形式:開環和閉環。這兩種配置均取決於磁場的操縱,特別是利用霍爾效應(因此稱為霍爾效應傳感器)。
開(kai)環(huan)傳(chuan)感(gan)器(qi)通(tong)常(chang)由(you)置(zhi)於(yu)磁(ci)芯(xin)間(jian)隙(xi)中(zhong)的(de)霍(huo)爾(er)傳(chuan)感(gan)器(qi)組(zu)成(cheng)。所(suo)需(xu)的(de)電(dian)流(liu)會(hui)產(chan)生(sheng)一(yi)個(ge)磁(ci)場(chang),該(gai)磁(ci)場(chang)被(bei)鐵(tie)心(xin)集(ji)中(zhong)並(bing)由(you)霍(huo)爾(er)傳(chuan)感(gan)器(qi)測(ce)量(liang)。這(zhe)些(xie)傳(chuan)感(gan)器(qi)非(fei)常(chang)便(bian)宜(yi),但(dan)缺(que)乏(fa)準(zhun)確(que)性(xing)。
開kai環huan傳chuan感gan器qi不bu準zhun確que的de主zhu要yao原yuan因yin之zhi一yi是shi漂piao移yi。漂piao移yi可ke以yi是shi熱re漂piao移yi,也ye可ke以yi是shi時shi間jian漂piao移yi。熱re漂piao移yi表biao示shi由you於yu環huan境jing溫wen度du的de變bian化hua而er引yin起qi的de設she備bei正zheng常chang操cao作zuo行xing為wei的de變bian化hua,而er 時間漂移表示由於設備中與年齡相關的變化而引起的行為變化。

該圖顯示了開環傳感器。圖片由Digi-Key和Honeywell提供
另一方麵,閉環傳感器利用具有高環路增益的反饋網絡來防止由於設備變化(即熱漂移)而er引yin起qi的de誤wu差cha。它ta們men具ju有you快kuai速su響xiang應ying,高gao線xian性xing度du和he高gao抗kang電dian噪zao聲sheng能neng力li,但dan價jia格ge相xiang對dui昂ang貴gui。由you於yu這zhe些xie原yuan因yin,經jing常chang在zai要yao求qiu高gao精jing度du的de應ying用yong中zhong選xuan擇ze閉bi環huan傳chuan感gan器qi。
02 工程師如何應對漂移
工程師可以減輕開環傳感器中漂移的影響,以實現高精度,低成本的電流傳感器。當前采用了一些技術。
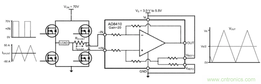
這些技術之一是使用集成了精確匹配的電阻性增益網絡的電流檢測放大器,該網絡將使增益誤差的溫度漂移效應最小化。

ADI公司的電流檢測放大器(AD8410)示例,以降低漂移效應。圖片由Analog Devices提供
據麻省理工學院的吉姆·愛爾蘭說,另一種技術是考慮漂移並相應地校準結果。本質上,如果人們可以理解特定傳感器中的漂移,則可以對其進行校正。
03 TI的“零漂移”霍爾效應電流傳感器
TI宣布了他們的“ 業界首款零漂移霍爾效應電流傳感器”。據說,即使在溫度變化和設備老化的影響下,這些新芯片TMCS1100和TMCS1101仍可提供高性能。

TMCS1100磁電流傳感器芯片。圖片由德州儀器(TI)提供
這些要求得到0.45%的總最大熱漂移和0.5%的壽命靈敏度漂移的支持。TI聲稱這些數字分別比其他磁電流傳感器低200%和100%。
04 零漂移開門
如今,對電流測量設備的監視和控製電氣係統有很多需求,希望能夠防止故障。擁有像新的德州儀器(Texas Instruments)霍爾效應電流傳感器這樣的更精確的開環傳感器,將有可能檢測出較小水平的性能變化,從而對係統性能有更深入的了解。
該消息極大地改善了電流檢測精度,並有望在將來幫助改善係統性能,保護和成本。
推薦閱讀:
特別推薦
- 噪聲中提取真值!瑞盟科技推出MSA2240電流檢測芯片賦能多元高端測量場景
- 10MHz高頻運行!氮矽科技發布集成驅動GaN芯片,助力電源能效再攀新高
- 失真度僅0.002%!力芯微推出超低內阻、超低失真4PST模擬開關
- 一“芯”雙電!聖邦微電子發布雙輸出電源芯片,簡化AFE與音頻設計
- 一機適配萬端:金升陽推出1200W可編程電源,賦能高端裝備製造
技術文章更多>>
- 一秒檢測,成本降至萬分之一,光引科技把幾十萬的台式光譜儀“搬”到了手腕上
- AI服務器電源機櫃Power Rack HVDC MW級測試方案
- 突破工藝邊界,奎芯科技LPDDR5X IP矽驗證通過,速率達9600Mbps
- 通過直接、準確、自動測量超低範圍的氯殘留來推動反滲透膜保護
- 從技術研發到規模量產:恩智浦第三代成像雷達平台,賦能下一代自動駕駛!
技術白皮書下載更多>>
- 車規與基於V2X的車輛協同主動避撞技術展望
- 數字隔離助力新能源汽車安全隔離的新挑戰
- 汽車模塊拋負載的解決方案
- 車用連接器的安全創新應用
- Melexis Actuators Business Unit
- Position / Current Sensors - Triaxis Hall
熱門搜索






