如何避免EPOS處理器在9V USB充電條件下發生短路
發布時間:2020-08-01 來源:Matthew Xiong 責任編輯:wenwei
【導讀】便攜式電子銷售點終端(EPOS)設備在全球範圍內越來越受歡迎。不同於傳統的台式設備,便攜式EPOS設備的電池續航時間有限且需要經常通過USD接口或其他連接裝置進行充電。
由於快速充電技術在便攜電子產品市場正日益壯大,便攜式EPOS設she備bei很hen可ke能neng也ye將jiang采cai用yong該gai功gong能neng。由you於yu便bian攜xie設she備bei開kai始shi采cai用yong更geng大da的de電dian池chi,實shi現xian快kuai速su充chong電dian就jiu需xu要yao能neng夠gou提ti供gong更geng多duo電dian能neng的de充chong電dian適shi配pei器qi。不bu同tong的de製zhi造zao商shang都dou提ti出chu了le一yi些xie方fang法fa,但dan每mei一yi種zhong方fang法fa都dou要yao求qiu電dian源yuan接jie頭tou采cai用yong更geng高gao的de輸shu入ru電dian壓ya。更geng高gao的de輸shu入ru電dian壓ya可ke以yi讓rang更geng多duo的de電dian能neng進jin入ru係xi統tong,實shi現xian快kuai速su充chong電dian,同tong時shi又you不bu會hui使shi電dian流liu超chao過guo接jie頭tou的de載zai流liu容rong量liang限xian製zhi。適shi配pei器qi電dian壓ya默mo認ren設she置zhi為wei通tong常chang的de5V(USB VBUS)級別,但外部適配器和移動設備間D+/D-數據線上的信號傳遞可以根據需要協議使適配器輸出更高的電壓。根據適配器容量的不同,典型值包括5、9、12或20V輸出級。係統中的充電集成電路(IC)或應用處理器控製該信號傳遞,使適配器輸出合適的電壓級別。
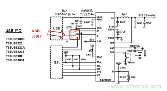
通常,當插入USB連接器時,您需要使用一個模擬開關在微控製器[MCU])和電池充電器間傳輸電能,如圖1所示配備MaxCharge™技術的bq25890快速充電器。首次連接時,MCU便對D+/D-進行控製。其將檢測對象是轉接頭還是USB連接裝置。

圖1:使用USB和充電器應用的典型應用圖
根據所連接設備的不同,通過USB連接器的信號可能被發送到不同的目的地。這就需要USB開關正確地發送信號。這種情況下,可使用任何匹配該設計帶寬、配置和電壓範圍的USB開關。TI提供多種USB開關,其在配置、電壓範圍、導通電阻(RON)和帶寬方麵有著廣泛的選擇範圍。
應用處理器無法容許高電壓。由於快速充電通常在9V電壓下操作,而MCU無法容許9V電壓,因此,必須始終避免讓MCU接觸該電壓。
USB連接器插座有四個引腳,如圖2所示從右到左分別為VBUS、D-、D+和GND。協議快速充電狀態後,VBUS的電壓將為9V。

圖2:USB開關和引腳描述
當VBUS電壓達到9V時,若USB插頭未插好或以一定角度拔出可能導致連接器的VBUS引腳與D-引腳發生短路。這便會導致連接D-引腳的MCU暴露於VBUS,從而損壞MCU,如圖3所示。

圖3:9V電壓條件下未使用TS3USB3000發生短路的後果。
TS3USB3000 USB開關可以在9V電壓條件下保護MCU,同時實現MCU與充電器/通用異步接收器/發送器(UART)之間的切換,如圖4所示。將充電器連接至USB端口後,MCU將檢測所連接的充電器並將輸出使能(OE)引腳拉高至禁用開關的高度。MCU將與充電器進行通信,表示其可以與VBUS協議在9V電壓下采用更快的充電模式,亦如圖4所示。TS3USB3000現處於低功率狀態,開關已禁用並可以對MCU進行保護。

圖4:TS3USB3000可以在發生短路時,保護9V電壓條件下的MCU
TS3USB3000開關有兩項用途:在主機和充電器間進行切換以及在5V到9V電壓條件下為MCU提供保護。針對第一項用途,您可以使用任何USB開關,視設計所要求的帶寬和RON類型而定。但針對第二項用途,則需要諸如TS3USB3000這樣專門的USB開關為MCU提供短路保護。
TS3USB3000可以為需要在9V電壓下操作的設計實現這兩項用途。該設備可以輕鬆實現主機和MCU間的切換,並且,若在插拔USB連接器時在VBUS和D-引腳間發生短路,它可以保護MCU。
推薦閱讀:
特別推薦
- 噪聲中提取真值!瑞盟科技推出MSA2240電流檢測芯片賦能多元高端測量場景
- 10MHz高頻運行!氮矽科技發布集成驅動GaN芯片,助力電源能效再攀新高
- 失真度僅0.002%!力芯微推出超低內阻、超低失真4PST模擬開關
- 一“芯”雙電!聖邦微電子發布雙輸出電源芯片,簡化AFE與音頻設計
- 一機適配萬端:金升陽推出1200W可編程電源,賦能高端裝備製造
技術文章更多>>
- 築基AI4S:摩爾線程全功能GPU加速中國生命科學自主生態
- 一秒檢測,成本降至萬分之一,光引科技把幾十萬的台式光譜儀“搬”到了手腕上
- AI服務器電源機櫃Power Rack HVDC MW級測試方案
- 突破工藝邊界,奎芯科技LPDDR5X IP矽驗證通過,速率達9600Mbps
- 通過直接、準確、自動測量超低範圍的氯殘留來推動反滲透膜保護
技術白皮書下載更多>>
- 車規與基於V2X的車輛協同主動避撞技術展望
- 數字隔離助力新能源汽車安全隔離的新挑戰
- 汽車模塊拋負載的解決方案
- 車用連接器的安全創新應用
- Melexis Actuators Business Unit
- Position / Current Sensors - Triaxis Hall
熱門搜索
微波功率管
微波開關
微波連接器
微波器件
微波三極管
微波振蕩器
微電機
微調電容
微動開關
微蜂窩
位置傳感器
溫度保險絲
溫度傳感器
溫控開關
溫控可控矽
聞泰
穩壓電源
穩壓二極管
穩壓管
無焊端子
無線充電
無線監控
無源濾波器
五金工具
物聯網
顯示模塊
顯微鏡結構
線圈
線繞電位器
線繞電阻


