兩款新器件重塑信號發生器
發布時間:2020-05-19 來源:David Hunter 責任編輯:wenwei
【導讀】過去,任意波形發生器最棘手的部分是輸出級的設計。典型信號發生器的輸出範圍在25 mV 到5 V 之間。為了驅動一個50 Ω 的負載,傳統設計采用高性能分立式器件,並聯大量集成器件,或者成本昂貴的ASIC,而er要yao構gou造zao出chu穩wen定ding且qie可ke編bian程cheng範fan圍wei較jiao寬kuan的de高gao性xing能neng輸shu出chu級ji,設she計ji師shi往wang往wang要yao投tou入ru無wu數shu小xiao時shi的de時shi間jian。現xian在zai,技ji術shu進jin步bu帶dai來lai的de放fang大da器qi可ke以yi驅qu動dong這zhe些xie負fu載zai,降jiang低di輸shu出chu級ji的de複fu雜za性xing,同tong時shi還hai能neng減jian少shao成cheng本ben、縮短上市時間。

圖1. 典型信號發生器模型
在zai使shi用yong通tong用yong信xin號hao發fa生sheng器qi時shi,先xian輸shu入ru一yi個ge頻pin率lv,然ran後hou按an下xia一yi個ge按an鈕niu,最zui後hou儀yi器qi產chan生sheng一yi個ge新xin的de頻pin率lv。接jie下xia來lai,輸shu入ru所suo需xu輸shu出chu功gong率lv,再zai按an下xia另ling一yi個ge按an鈕niu。在zai切qie換huan內nei部bu網wang絡luo、tiaozhengshuchudianpingshi,jidianqifachukadasheng。zhezhongfeilianxuyunxingmoshishibuchangkuankebianchengfanweiqueshiwentidebiyaotiaojian。benwentichuyizhongxindejiagou,takeyijiejueshuchujishejizhongdeyibanwenti。
克服這個前端設計挑戰的兩個關鍵組件是:提供高速、高電壓和高輸出電流的高性能輸出級;以及帶連續線性dB 調諧的可變增益放大器(VGA)。這種設計以20MHz 的性能為目標,幅度為22.4 V(+39 dBm),負載為50 Ω。

圖2. 更小、更簡單的信號發生器輸出級
新型緊湊式輸出級
初始信號可能來自數模轉換器(DAC)以產生複雜波形,也可能來自直接數字頻率合成(DDS)器件以產生正弦波。任一情況下,其規格和功率調整能力都可能達不到理想狀態。第一個要求是用VGA提供衰減或增益。但許多VGA 提供的增益是有限的,往往不足以在本應用中發揮作用。
如果VGA 的輸出可以設為目標電平,則無論輸入為何,都可以強製輸出已知幅度。例如,如果所需輸出幅度為2 V,且功率輸出級的增益為10,則VGA 的輸出幅度應調節至0.2 V。當輸出級設計正確時,輸出幅度最終由VGA 輸出設定。不幸的是,多數VGA因可編程範圍有限而成了瓶頸問題。
AD8330是實現50 dB 範圍的首款VGA,但AD8338則樹立了新的標杆,這款新型低功耗VGA 擁有高達80 dB 的可編程範圍。典型的高品質信號發生器的輸出幅度範圍為25 mV 至5 V。高達46 dB的可調範圍超過了市麵上多數現有VGA 的能力範圍。理想條件下,經典信號發生器的輸出幅度可能為0.5 mV 至5 V,無wu需xu使shi用yong繼ji電dian器qi或huo開kai關guan網wang絡luo。滿man量liang程cheng連lian續xu可ke調tiao,不bu存cun在zai開kai關guan和he繼ji電dian器qi的de非fei連lian續xu性xing問wen題ti。另ling外wai,不bu用yong繼ji電dian器qi還hai可ke以yi延yan長chang儀yi器qi壽shou命ming,提ti高gao係xi統tong可ke靠kao性xing。
現代DAC 和DDS 器件一般搭載差分輸出,要求設計師使用一個變壓器,用單端連接損失一半信號,或者添加一個差分轉單端轉換器。AD8338 具有天然的適用性,提供全差分接口,如圖3 所示。對於正弦波應用,用DDS 取代DAC。

圖3. 把DAC 連接至AD8338 的網絡示例
AD8338 的一個主要特點是靈活的輸入級。作為一款輸入VGA,它通過ADI 研究員Barrie Gilbert 發明的"H-amp"拓撲結構來控製輸入電流。該設計用反饋來平衡輸入電流,同時使內部節點電壓維持於1.5 V。正常條件下,使用500 Ω 輸入電阻,最大1.5 V輸入信號會產生3 mA 的電流。如果輸入幅度較大,比如15 V,則將一個較大的電阻連接至"直接"輸入引腳。該電阻的大小必須合適,以得到相同的3 mA 電流:
單端15 V 信號將以差分方式輸出1.141 V。此時,最小增益條件下,AD8338 提供28.4 dB 衰減,因此,最大可能增益為+51.6 dB。作為一種低功耗器件,在1 kΩ 負載條件下,典型輸出擺幅為1.5 V。
輸入VGA 的功率必須滿足以下條件:其總增益範圍在不同設定點周圍。首先,確定信號發生器產生最大輸出需要的輸出電平。許多商用發生器為50 Ω 負載(正弦波)隻提供250 mW rms (+24 dBm)的最大輸出功率。這無法滿足需要更多輸出功率的應用需求,比如測試高輸出高頻放大器、超聲脈衝發生等。
電流反饋放大器(CFA)技術的進步意味著,這不再是個問題。ADA4870CFA 可以用±20 V 電源驅動1 A(17 V)。對於正弦波,可以在滿負載條件下輸出最高23 MHz 的頻率,使其成為新一代通用任意波形/信號發生器的理想前端驅動器。
對於反射敏感型50 Ω 係統來說,ADA4870 要求一些無源器件使源阻抗與50 Ω 負載相匹配:一個阻性焊盤和一個1.5:1 RF 自動變壓器。在1 V 裕量條件下,當放大器有效負載為16 Ω 時,可取得8 W 峰值功率。另外,如果反射不構成問題,則可移除阻性焊盤,並用匝數比為0.77:1 的變壓器代替自動變壓器。無阻性焊盤地,輸出功率增至16 W峰值(28.3 V 幅度)。

圖4. ADA4870 驅動16 Ω(增益= 10)時的基本連接
為優化輸出信號擺幅,我們將ADA4870 的增益倍數配置為10,因此,所需輸入幅度為1.6 V。ADA4870 有一個單端輸入,AD8338有一個差分輸出,因此,AD8130 差分接收放大器及其270 MHz增益帶寬積和1090 V/μs 壓擺率可同時提供差分至單端轉換和所需增益。AD8338 的輸出限製為±1.0 V,因此,AD8130 必須提供1.6 V/V 的中間增益。組合起來時,三個器件形成一個完整的信號發生器輸出級。

圖5. 信號發生器輸出級
完成整個設計還需要最後兩個步驟:配置輸入網絡以實現最大輸入信號和抗混疊,設計輸出網絡以實現阻抗轉換。
AD8338 輸入網絡
對於該設計,差分輸出幅度為±1.0 V。在工廠默認設置、內部500 Ω電阻和最大增益條件下,輸入幅度一定是100 μV。通過向直接輸入引腳增加電阻,設計師可以調節該要求。由輸入電阻決定的增益範圍為:
(2)在各輸入端使用40.2 kΩ 的電阻,可以在噪聲功率與輸入衰減之間 實現良好平衡。當VGAIN = 1.1 V(最大增益)時,增益為:
(3)此時,差分輸入隻需為21 mV。
當VGAIN = 0.1 V 時,增益為:
對於相同的21 mV 輸入,輸出約為100 μV。
考慮AD8130和ADA4870 的總增益,約為24.1 dB,ADA4870 的輸出幅度範圍為1.6 mV 至16 V。在阻性焊盤和自動變壓器之後,輸出端的電壓將在2 mV 到20 V 之間。
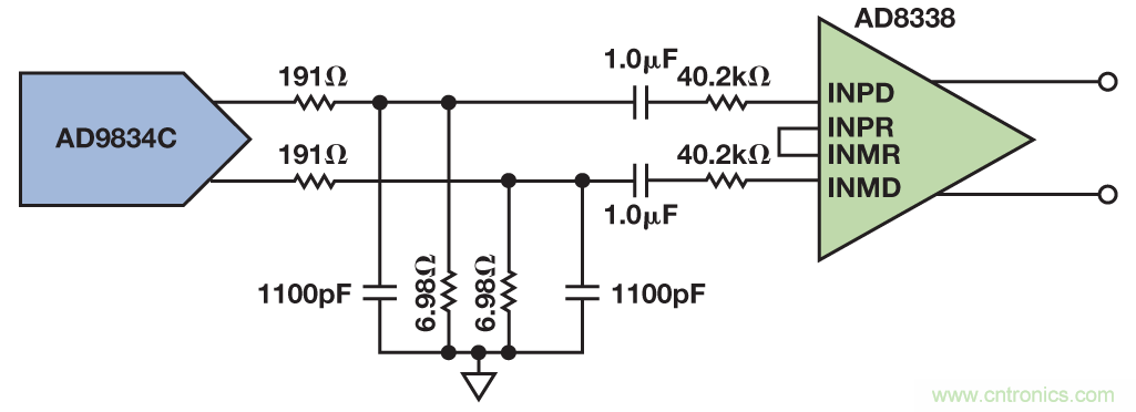
把AD8338 連接至DDS 等器件,要求考慮抗混疊和輸入衰減。例如,差分輸出AD9834CDDS 要求200 Ω 電阻接地,以實現正確的擺幅。每個輸出隻會產生一半的正弦波信號,如圖6 所示。
每個輸出峰值為0.6 V,使得有效輸入為±0.6 V,所需衰減為26 dB。在使用200 Ω 電阻時,通過構建簡單的電阻分壓器,可以輕鬆實現衰減。由於信號擺幅並不統一,因此,信號峰值應該會達到預期衰減值。

圖6. 9834C IIOUT 和IIOUT的輸出擺幅。未顯示混疊偽像
(5)使用標準的6.98 Ω 和191 Ω 電阻值,結果會產生0.7%的誤差。
最後,需要一定的抗混疊處理。在75-MSPS 采樣速率下,奈奎斯特速率輸出為37.5 MHz,超過了該設計的20 MHz 帶寬。將抗混疊極點設為20 MHz,則所需電容為:
(6)這是一個標準值,因此,完整的輸入網絡如圖7 所示:

圖7. DDS + 衰減和濾波器網絡 + AD8338
構建該級並進行測量。總體變化在±0.6 dB 之內,如圖8 所示。

圖8. AD8338 配置的計算所得增益和實測增益
ADA4870 輸出級
在單端輸出由AD8130 提供的情況下,ADA4870 將執行最終10beizengyi。shezhigaizengyixuyaolianggedianzu,wuwaibubuchangqingkuangxia,gaijihenwending。weiwanchengdeweiyigongzuoshitiaozhengshuchuwangluo,yimanzuyingyongxuqiu。yousanzhongtongyongshixianfangan:
1. 從放大器直接輸出至50 Ω
2. 填充自動變壓器輸出至50 Ω
3. 未填充自動變壓器輸出至50 Ω
對於直接輸出,放大器輸出直接連接輸出連接器,無需用任何網絡來轉換源,如圖9 所示。這種方法是真直流連接源的完美選擇,雖然不能發揮出器件的全部潛力,但仍然比典型信號發生器的10 V輸出幅度要好得多。在這種情況下,最大峰值功率為5.12 W。

圖9. 直接輸出驅動連接
對於焊盤式設計,16 Ω 負載在一個8 Ω 的串聯焊盤與經濾波處理的1.5:1 自動變壓器之間分配,如圖10 所示。在該模式下,由於設計具有低阻抗特性,因此,設計師使用的電感值可以比用於50 Ω設計的電感小6.25 倍。低通濾波器和自動變壓器把8 Ω 有效源阻抗轉換成匹配良好的50 Ω 負載。這種設計方法的總峰值輸出功率為8 W,最適合需要50 Ω 匹配源的應用,在這類應用中,反射可能成為一個問題,比如,傳輸線路較長時。

圖10.焊盤式輸出設計的ADA4870 連接
在目標頻段內,對於任何反射, 輸入阻抗均表現為50 Ω
最後一個選項,也可能是信號發生器最有用的選項,不使用8 Ω焊盤,而且輸出功率提高了一倍。我們仍然建議使用LC 階梯式濾波器,如圖11 所示,但階梯值比用於50 Ω 係統(設計的標稱阻抗為16 Ω)的值小3.125 倍。在這種情況下,自動變壓器使用的匝數比為0.77:1。該模式下,峰值正弦波輸出幅度為28.3 V,ADA4870 將驅動約16 W 至50 Ω 負載(8 W rms 或39 dBm)。

圖11. 用於驅動50 Ω 負載的最佳功率輸出連接
整體解決方案
在現實世界中,如果與真實世界不相符,仿真和等式毫無意義。因此,有必要構建一個完整的係統,基於預期值測量其性能。圖12 所示為一種實際焊盤式輸出設計的原理圖。

圖12. 完整的簡化原理圖
圖13 所示為無濾波器條件下的實測結果。係統增益一致性誤差為±1 dB,最差條件下輸出功率高達2.75 W rms(5.5 W 峰值)(P1dB壓縮點,34 dBm)。值得注意的是,總增益範圍超過62 dB,範圍比許多標準發生器多16 dB。

圖13. 焊盤式、未濾波輸出功率結果。無濾波器時,係統在36 dBm時出 現一個P1dB 點。FTEST = 14.0956 MHz
增益範圍可通過改善DDS 輸出端濾波機製以及降低係統噪聲的方式提高。圖14 所示為采用濾波器時的相同測量值。濾波輸出不存在同樣的P1dB 問題,結果將滿量程+36 dBm 輸出轉換成50 Ω負載。總增益線性度更佳(≤0.65 dB),誤差僅出現在中間電平周圍。

圖14. 5 階低通濾波器的實測輸出(fc = 20 MHz)。FTEST = 14.0956 MHz
如(ru)果(guo)具(ju)體(ti)運(yun)行(xing)模(mo)式(shi)需(xu)要(yao)甚(shen)至(zhi)更(geng)高(gao)的(de)輸(shu)出(chu)功(gong)率(lv),則(ze)針(zhen)對(dui)給(gei)定(ding)應(ying)用(yong),可(ke)以(yi)將(jiang)多(duo)個(ge)輸(shu)出(chu)放(fang)大(da)用(yong)於(yu)驅(qu)動(dong)專(zhuan)業(ye)變(bian)壓(ya)器(qi)。或(huo)者(zhe),可(ke)以(yi)將(jiang)這(zhe)裏(li)描(miao)述(shu)的(de)設(she)計(ji)方(fang)法(fa)用(yong)於(yu)電(dian)源(yuan)較(jiao)低(di)的(de)係(xi)統(tong),但(dan)這(zhe)些(xie)方(fang)法(fa)必(bi)須(xu)符(fu)合(he)替(ti)代(dai)設(she)計(ji)的(de)限(xian)製(zhi)要(yao)求(qiu)。
注意,受累積輸入衰減和增益誤差影響,測量上限止於VGAIN =0.9375 V。通過調整初始衰減網絡,充分考慮總係統誤差,可以解決這個問題。校正後,總係統增益範圍將增至74 dB。
結論
配合高性能VGA 使用高性能、高輸出CFA,可以為新一代信號發生器構建出一種簡單前端。這些器件的高度集成可以降低PCB電路板的總麵積和成本。
要獲得更多功能,可以在閉環反饋係統中使用AD8310等對數放大器。增加對數放大器後,配合AD9834C 等DDS,設計師可以集成各種形式的包絡調製,如頻移鍵控(FSK)、開關鍵控(OOK)和相移鍵控(PSK),將其作為一項內在功能;通過創造性地使用兩個基本模塊,實現不盡其數的選項。
參考電路
電流反饋放大器。
對數放大器/檢測器。
Signal Synthesis.
可變增益放大器(VGA)。
MT-034 指南,電流反饋(CFB)運算放大器。
MT-057 指南,高速電流反饋運算放大器。
MT-060 指南,在電壓反饋和電流反饋運算放大器之間選擇。
MT-072 指南,精密可變增益放大器。
MT-073 指南,高速可變增益放大器。
推薦閱讀:
特別推薦
- 噪聲中提取真值!瑞盟科技推出MSA2240電流檢測芯片賦能多元高端測量場景
- 10MHz高頻運行!氮矽科技發布集成驅動GaN芯片,助力電源能效再攀新高
- 失真度僅0.002%!力芯微推出超低內阻、超低失真4PST模擬開關
- 一“芯”雙電!聖邦微電子發布雙輸出電源芯片,簡化AFE與音頻設計
- 一機適配萬端:金升陽推出1200W可編程電源,賦能高端裝備製造
技術文章更多>>
- 貿澤EIT係列新一期,探索AI如何重塑日常科技與用戶體驗
- 算力爆發遇上電源革新,大聯大世平集團攜手晶豐明源線上研討會解鎖應用落地
- 創新不止,創芯不已:第六屆ICDIA創芯展8月南京盛大啟幕!
- AI時代,為什麼存儲基礎設施的可靠性決定數據中心的經濟效益
- 矽典微ONELAB開發係列:為毫米波算法開發者打造的全棧工具鏈
技術白皮書下載更多>>
- 車規與基於V2X的車輛協同主動避撞技術展望
- 數字隔離助力新能源汽車安全隔離的新挑戰
- 汽車模塊拋負載的解決方案
- 車用連接器的安全創新應用
- Melexis Actuators Business Unit
- Position / Current Sensors - Triaxis Hall
熱門搜索




