為AC-DC轉換器選擇模塊化EMI濾波器
發布時間:2020-02-18 來源:作者Gary Bocock,XP Power技術總監 責任編輯:wenwei
【導讀】模塊化電磁兼容濾波器通tong常chang添tian加jia在zai交jiao流liu入ru口kou到dao終zhong端duan設she備bei。電dian流liu和he衰shuai減jian額e定ding值zhi有you很hen多duo種zhong,包bao括kuo有you或huo沒mei有you保bao險xian絲si和he開kai關guan的de版ban本ben。低di泄xie漏lou零ling件jian也ye可ke用yong於yu醫yi療liao應ying用yong。本ben文wen介jie紹shao了le濾lv波bo器qi的de功gong能neng以yi及ji如ru何he將jiang其qi與yu預yu期qi的de應ying用yong匹pi配pei以yi獲huo得de最zui佳jia效xiao果guo。
條款
對於交流電源供電的設備,通常使用模塊化AC線路濾波器,安裝在連接器上或作為機板安裝部件,特別適用於在工業、醫療和通訊等專業環境中。該設備通常包括嵌入式AC-DC轉換器或電源,也可以是機板安裝式,有時是機架安裝式或板上PCB安裝式。在每種情況下,電源將始終滿足作為獨立部件的排放的法定要求,通常為傳導和輻射幹擾的EN55011/EN55032標準。
有人可能會問,為什麼可能需要額外的過濾模塊,但經驗豐富的設備設計師早就知道,僅僅使用兼容組件並不能保證最終產品的EMC合規性“通過”。原因是多種多樣的:例如,對設備AC-DC轉換器的符合性測試是在假定的交流線路阻抗、輸出負載、電纜長度和布線以及部件相對於地麵的位置等非常特殊的條件下進行的。當最終產品在內部安裝的AC-DC轉換器上進行測試時,所有這些條件都會發生變化,從而導致不同且通常更糟糕的傳導EMI信號。來自其他組件的輻射EMI也可以通過電力電纜接收,從而增加傳導水平。
模塊化濾波器可使係統符合電磁幹擾
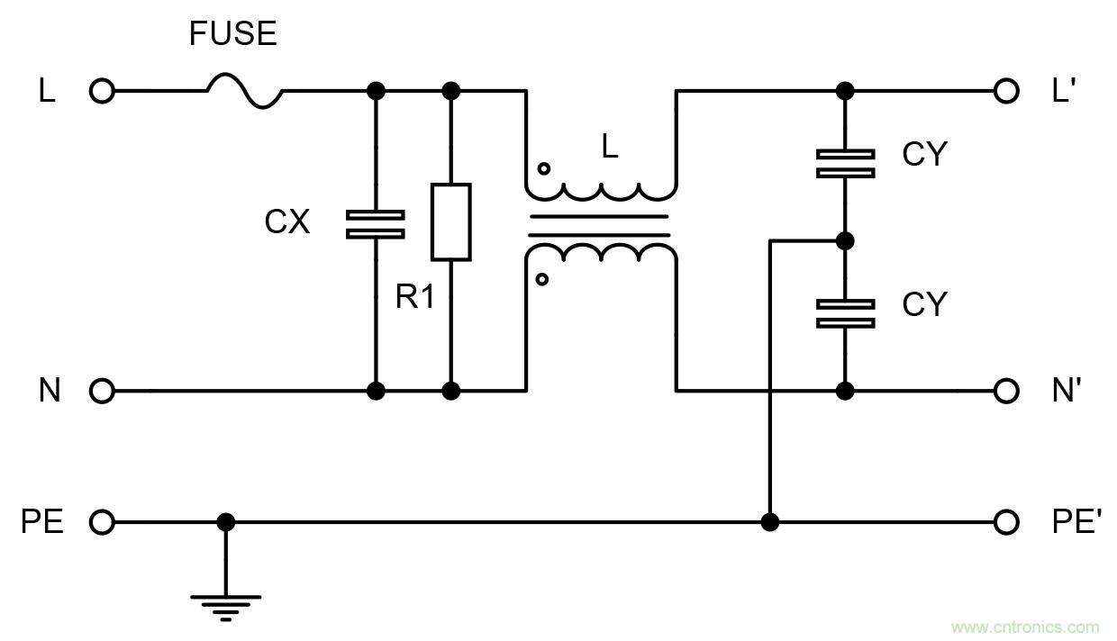
yigewaibumokuaihualvboqikeyishijiejuefangan,danshi,youshubaigekegongxuanze,nayigeshizuijiade?rangwomenshouxiankanyigedianxingdeshangyelvboqideneibudianlu,bingkaolvmeigezujianshiruhegongxiande(圖1)。

圖1:典型的模塊化EMI濾波器示意圖
電容器CX衰減差模噪聲、信號和由轉換器內電流快速變化產生的從線到中性點出現的尖峰,其額定值為X1、X2或X3,以承受交流線上的電壓瞬變。L是shi共gong模mo或huo電dian流liu補bu償chang扼e流liu圈quan,有you兩liang個ge相xiang位wei繞rao組zu,如ru圖tu所suo示shi。共gong模mo噪zao聲sheng,由you轉zhuan換huan器qi內nei部bu電dian壓ya的de快kuai速su變bian化hua產chan生sheng,從cong線xian路lu和he中zhong性xing點dian到dao接jie地di,將jiang扼e流liu圈quan視shi為wei高gao阻zu抗kang,每mei個geCY電dian容rong器qi將jiang噪zao聲sheng電dian流liu轉zhuan移yi到dao接jie地di。通tong過guo扼e流liu圈quan上shang兩liang個ge繞rao組zu的de正zheng常chang運yun行xing電dian流liu會hui導dao致zhi磁ci芯xin中zhong的de磁ci場chang抵di消xiao,因yin此ci可ke以yi使shi用yong高gao電dian感gan值zhi而er無wu需xu擔dan心xin磁ci飽bao和he。通tong常chang,L繞在繞組之間的耦合不夠完美,因此會產生一些漏感,表現為一個單獨的串聯電感,這會增加差模衰減。
雖然CX可以是實際限製範圍內的任何電容值,但這兩個CY值受接地漏電電流要求的限製,並且有Y1、Y2、Y3和Y4類型,額定工作電壓和瞬態電壓降低。通過Y電容器的漏電流是一個潛在的問題,因為它們跨越了一個安全屏障-線路和中性點接地。如果與設備金屬件的保護接地連接出現故障,則外殼通過Y電容器“浮動”至線路電壓,並可能導致電擊。因此,根據應用環境所用的標準,Y電容器的值被限製為允許不超過規定的電流流動。限製範圍從工業領域的幾十毫安到心髒漂浮醫療應用領域的小於10微安不等。
R1是一個高值電阻,如果突然斷開交流電源,並且不能依靠負載來耗盡電荷,則通常為1兆歐以放電CX,從而在交流連接器引腳上留下潛在的危險電壓。IEC 62368-1等標準規定,對於CX>300nF,R1應在2秒後將電容器放電至60V以下,對於CX<300nF,允許更高的電壓。對於隻有經過培訓的人員才能接觸到的設備,允許的電壓限值也更高。其他標準則有所不同,例如,醫療設備的IEC 60601-1要求在1秒後放電小於60V,但如果CX小於100nF則沒有要求。IEC 62368-1等標準也對電阻器提出了要求,如果電阻器安裝在保險絲之前,則電阻偏差不超過10%的情況下,電阻器能夠承受瞬態電壓。因此,R1將是高規格零件。在某些應用中,R1在正常條件下的功耗是符合美國能源部(DoE)和歐洲ErP指令等機構規定的待機或空載損耗限製的限製。
圖1所示的保險絲可以包括在模塊化濾波器中,特別是麵板安裝類型,如流行的IEC320-C14類型(圖2)。

圖2:典型的保險絲麵板安裝EMI濾波器
在商業應用中,線路中的單個保險絲是正常的。如果熔絲元件符合標準,則簡化所述下遊組件(如R1)的規格。一些應用,如醫療設備和Class II通(tong)訊(xun)類(lei),要(yao)求(qiu)線(xian)路(lu)和(he)中(zhong)性(xing)點(dian)都(dou)要(yao)熔(rong)斷(duan),以(yi)覆(fu)蓋(gai)連(lian)接(jie)意(yi)外(wai)反(fan)轉(zhuan)的(de)可(ke)能(neng)性(xing),在(zai)單(dan)一(yi)熔(rong)斷(duan)器(qi)情(qing)況(kuang)下(xia),這(zhe)將(jiang)使(shi)帶(dai)電(dian)線(xian)路(lu)未(wei)熔(rong)斷(duan),並(bing)依(yi)賴(lai)於(yu)電(dian)源(yuan)開(kai)口(kou)中(zhong)的(de)上(shang)遊(you)熔(rong)斷(duan)器(qi)或(huo)斷(duan)路(lu)器(qi),從(cong)帶(dai)電(dian)到(dao)保(bao)護(hu)接(jie)地(di)短(duan)路(lu)。這(zhe)些(xie)上(shang)遊(you)設(she)備(bei)的(de)額(e)定(ding)電(dian)流(liu)值(zhi)可(ke)能(neng)很(hen)高(gao),以(yi)保(bao)護(hu)多(duo)個(ge)負(fu)載(zai)的(de)布(bu)線(xian),並(bing)且(qie)不(bu)能(neng)保(bao)證(zheng)在(zai)設(she)備(bei)故(gu)障(zhang)時(shi)快(kuai)速(su)打(da)開(kai),從(cong)而(er)可(ke)能(neng)導(dao)致(zhi)火(huo)災(zai)。雙(shuang)熔(rong)斷(duan)確(que)實(shi)有(you)缺(que)點(dian),但(dan)是(shi),線(xian)對(dui)中(zhong)性(xing)點(dian)的(de)過(guo)電(dian)流(liu)可(ke)能(neng)隻(zhi)會(hui)打(da)開(kai)中(zhong)性(xing)點(dian)熔(rong)斷(duan)器(qi),使(shi)設(she)備(bei)表(biao)麵(mian)上(shang)死(si)掉(diao),但(dan)內(nei)部(bu)仍(reng)然(ran)有(you)帶(dai)電(dian)連(lian)接(jie)。
選擇濾波器
濾波器的機構圖是一個自然的起點;根據應用要求,可采用帶螺釘或卡入式安裝的IEC輸入插座,帶有開關選項和無保險絲、一個或兩個保險絲。對於C14,IEC入口類型的額定值為10A,對於C20,額定值為16A,機板安裝部件的額定值為20A及更高。機板安裝式濾波器,通常具有6麵屏蔽,以及直接固定到導電接地金屬製品,提供非常有效的EMI衰減。
對於所有類型產品而言,醫療版本都可以省略Y電容器,以將漏電流降低到最大5μA。這必然意味著共模衰減減小,並且可能需要在其他地方進行補償,例如通過級聯濾波器。
額定電流可以很容易地從給定的最低輸入電壓和負載功率因數的負載功率要求計算出來。例如,在90VAC下,濾波器上的負載為200W,功率因數為0.9,將產生200W/(0.9 x 90VAC)=2.47A的電流,在這種情況下,可選擇3A額定濾波器。
conglvboqizhongxuanzesuoxudeshuaijianzuihaoshizaibuanzhuanglvboqideqingkuangxiaceliangxingneng,ranhoujisuancongwaibulvboqizhongxuyaodeewaizhi。lvboqishujubiaozhongdeshuaijianquxiangeichulexingnengzhishi,danyaojizhu,shujubiaodexingnengshizaiguidingdeceshitiaojianxia,tongchangshi50歐姆源和負載阻抗。盡管AC-DC電源可以通過使用線路阻抗穩定器網絡(LISN)shixianbiaozhunhua,danyingyongfuzaikenenghuiyouhendadebutong。zaijiaozhiliudianyuanzhong,yuneibulvboqijiliandelvboqimokuaiyekenengdaozhiyiwaidejieguo,chanshengqianzaidegongzhen,shenzhikenengdaozhizailinjiepinlvxiadedianciganraofangda。liru,EMI圖取自XP Power的典型AC-DC轉換器,部件PBR500PS12B在230VAC和180W下運行,如圖3所示。該圖顯示符合EN 55032曲線B準峰值檢測排放限值線。然後將濾波器插入XP Power FCSS06SFR型交流線路,其衰減特性如圖4所示。虛線為差模和實線共模衰減。結果的總體結果如圖5所示。

圖3:AC-DC電源,僅限內部濾波器

圖4:XP FCSS06SFR型模塊化濾波器

圖5:添加外部濾波器的AC-DC電源
可以看出,高達約1MHz時,濾波器衰減使發射降低了預期量,但在10MHz及以上時,改善並不一致,這意味著模塊化濾波器在這些頻率下沒有“看到”50歐姆作為終端,並且給出的衰減比預期的要低。這證實了進行實際測量以確認合規性的必要性。
谘詢專家
要避免在最終產品測試中出現代價高昂的失敗,在最早階段就讓EMC法(fa)規(gui)遵(zun)從(cong)性(xing)得(de)到(dao)正(zheng)確(que)的(de)執(zhi)行(xing)是(shi)至(zhi)關(guan)重(zhong)要(yao)的(de)。解(jie)決(jue)方(fang)案(an)不(bu)僅(jin)僅(jin)是(shi)在(zai)交(jiao)流(liu)入(ru)口(kou)安(an)裝(zhuang)一(yi)個(ge)超(chao)大(da)的(de)模(mo)塊(kuai)化(hua)濾(lv)波(bo)器(qi),這(zhe)會(hui)增(zeng)加(jia)不(bu)必(bi)要(yao)的(de)成(cheng)本(ben),甚(shen)至(zhi)會(hui)適(shi)得(de)其(qi)反(fan),產(chan)生(sheng)意(yi)想(xiang)不(bu)到(dao)的(de)衰(shuai)減(jian)效(xiao)果(guo)。作(zuo)為(wei)電(dian)源(yuan)製(zhi)造(zao)商(shang)的(de)XP Power,我們可以幫助客戶選擇AC-DC電源產品係列,采用模塊化濾波器,其電流額定值為1至20A,采用機板安裝式和IEC輸入格式。我們的產品可用於通訊、工業和低泄漏醫療應用,更多的應用還包括用於大電流三相應用的濾波器。如果需要,單級和雙級部件可用於增強衰減和定製版本。
XP Power還為客戶提供全麵的應用支持,幫助他們在全球多個地方設計和免費使用其內部的EMC預合規性測試設施。
推薦閱讀:
特別推薦
- 噪聲中提取真值!瑞盟科技推出MSA2240電流檢測芯片賦能多元高端測量場景
- 10MHz高頻運行!氮矽科技發布集成驅動GaN芯片,助力電源能效再攀新高
- 失真度僅0.002%!力芯微推出超低內阻、超低失真4PST模擬開關
- 一“芯”雙電!聖邦微電子發布雙輸出電源芯片,簡化AFE與音頻設計
- 一機適配萬端:金升陽推出1200W可編程電源,賦能高端裝備製造
技術文章更多>>
- 算力爆發遇上電源革新,大聯大世平集團攜手晶豐明源線上研討會解鎖應用落地
- 築基AI4S:摩爾線程全功能GPU加速中國生命科學自主生態
- 一秒檢測,成本降至萬分之一,光引科技把幾十萬的台式光譜儀“搬”到了手腕上
- AI服務器電源機櫃Power Rack HVDC MW級測試方案
- 突破工藝邊界,奎芯科技LPDDR5X IP矽驗證通過,速率達9600Mbps
技術白皮書下載更多>>
- 車規與基於V2X的車輛協同主動避撞技術展望
- 數字隔離助力新能源汽車安全隔離的新挑戰
- 汽車模塊拋負載的解決方案
- 車用連接器的安全創新應用
- Melexis Actuators Business Unit
- Position / Current Sensors - Triaxis Hall
熱門搜索
微波功率管
微波開關
微波連接器
微波器件
微波三極管
微波振蕩器
微電機
微調電容
微動開關
微蜂窩
位置傳感器
溫度保險絲
溫度傳感器
溫控開關
溫控可控矽
聞泰
穩壓電源
穩壓二極管
穩壓管
無焊端子
無線充電
無線監控
無源濾波器
五金工具
物聯網
顯示模塊
顯微鏡結構
線圈
線繞電位器
線繞電阻



