智能電池電量計如何有效改進動態血糖監視儀的電池使用壽命
發布時間:2019-12-23 責任編輯:wenwei
【導讀】人體血糖值的偏高或偏低都有可能導致嚴重的健康威脅,因此監測血糖水平是重中之重。目前全球已有1.5億人口罹患糖尿病,所以個人便攜型血糖監測儀(BGM)的需求巨大。
圖1所示的動態血糖監測儀(CGM),可幫助糖尿病患者實時檢查血糖讀數,也可在超長時間段內監測血糖值。CGM能夠持續監測血糖水平,然後在用戶血糖值達到危險值時提示用戶。這款監測儀通常包含圖2所示的傳感器單元和圖3所示的聚合器單元。

圖1:動態血糖監測儀(CGM)
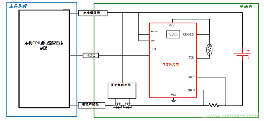
此傳感器單元使用紐扣電池或硬幣電池,在一定時間段內與人體連接(例如,8到10天)。聚合器單元是由電池供電的手持單元,可以利用如近場通信等無線射頻(RF)技術來讀取血糖數據。聚合器單元的電池管理子係統由電池充電器、電池電量計和保護器構成。3.7 V鋰離子單電池就可運行一般的聚合器單元。其可通過電源適配器的USB或DC輸入進行充電。

圖 2:CGM傳感器單元

圖 3:CGM聚合器單元的示意框圖
電池電量計可以預測並估算電池在不同負載狀態下的剩餘容量、充電狀態、電量耗盡時間和運行狀況,從而幫助解決電池管理中的難題。利用智能電池電量計,用戶可以延長運行時間(如圖4所示)和電池循環壽命。德州儀器(TI)的Impedance Track™測量算法實現了準確度高於99%的電池容量預測,使其具有卓越的模擬測量性能和電池特征建模功能。

圖4:采用TI電量計實現超長運行時間
這款血糖監測儀提供多種單節電池測量選項,不僅外形小巧,經濟高效,而且功耗超低。電量計可以搭載在電池組內或係統PCB上,後者更多見於便攜型醫療應用。
圖5和圖6分別展示了典型的係統側和組側電量計配置。係統PCB上的電量計,如BQ27426,隻需要最低的用戶配置,並且在正常工作時電流消耗也很小。對於更高級別的集成,某些電量計具有集成式檢測電阻,如BQ27421-G1。
另一方麵,如果電量計搭載在電池組內,則可以通過基於閃存的固件和256位集成式安全哈希算法(如BQ27Z561-R1)提供具有高準確性的解決方案。BQ2970等保護集成電路可提供電壓、電流和反向充電器保護。

圖 5:典型的主機/係統側電量計配置

圖 6:典型的電池組側電量計配置
電池電量計提高了電源管理的先進性和智能水平。不具有準確電量計的係統隻能在固定電壓下關閉。許多設備關閉時係統電壓為3.5 V,以便保護用於最壞情況的備用容量(保留電能用於關機),但如圖4所suo示shi,隻zhi通tong過guo微wei控kong製zhi器qi和he模mo數shu轉zhuan換huan器qi測ce量liang電dian池chi電dian壓ya,進jin而er生sheng成cheng低di電dian池chi電dian量liang警jing告gao並bing不bu是shi測ce量liang剩sheng餘yu電dian量liang的de可ke靠kao方fang法fa。這zhe是shi由you於yu大da多duo數shu應ying用yong都dou具ju有you可ke變bian負fu載zai。電dian池chi電dian量liang計ji將jiang計ji算suan剩sheng餘yu電dian量liang並bing改gai變bian關guan機ji電dian壓ya,以yi滿man足zu任ren何he條tiao件jian下xia所suo需xu的de備bei用yong容rong量liang要yao求qiu,從cong而er增zeng加jia運yun行xing時shi長chang。
除保有備用容量的優勢外,由於應用產生的高瞬態脈衝負載,一些電池電量計還能夠不報告0%的(de)電(dian)荷(he)狀(zhuang)態(tai),從(cong)而(er)使(shi)電(dian)池(chi)電(dian)壓(ya)降(jiang)至(zhi)終(zhong)端(duan)電(dian)壓(ya)以(yi)下(xia)。當(dang)電(dian)池(chi)仍(reng)然(ran)具(ju)有(you)高(gao)電(dian)量(liang)時(shi),這(zhe)個(ge)特(te)性(xing)很(hen)有(you)優(you)勢(shi),但(dan)是(shi)高(gao)瞬(shun)態(tai)負(fu)載(zai)會(hui)造(zao)成(cheng)提(ti)前(qian)達(da)到(dao)終(zhong)止(zhi)電(dian)壓(ya)。
電池是複雜的電化學係統,受電池老化、溫度和阻抗的影響。算法、緊jin湊cou設she備bei和he高gao級ji設she備bei集ji成cheng都dou是shi改gai進jin係xi統tong性xing能neng的de關guan鍵jian特te性xing。您nin在zai動dong態tai血xue糖tang監jian測ce儀yi等deng醫yi用yong電dian池chi供gong電dian應ying用yong方fang麵mian麵mian臨lin的de最zui大da挑tiao戰zhan是shi什shen麼me?請qing在zai文wen末mo告gao訴su我wo們men您nin的de觀guan點dian。
推薦閱讀:
特別推薦
- 噪聲中提取真值!瑞盟科技推出MSA2240電流檢測芯片賦能多元高端測量場景
- 10MHz高頻運行!氮矽科技發布集成驅動GaN芯片,助力電源能效再攀新高
- 失真度僅0.002%!力芯微推出超低內阻、超低失真4PST模擬開關
- 一“芯”雙電!聖邦微電子發布雙輸出電源芯片,簡化AFE與音頻設計
- 一機適配萬端:金升陽推出1200W可編程電源,賦能高端裝備製造
技術文章更多>>
- 貿澤EIT係列新一期,探索AI如何重塑日常科技與用戶體驗
- 算力爆發遇上電源革新,大聯大世平集團攜手晶豐明源線上研討會解鎖應用落地
- 創新不止,創芯不已:第六屆ICDIA創芯展8月南京盛大啟幕!
- AI時代,為什麼存儲基礎設施的可靠性決定數據中心的經濟效益
- 築基AI4S:摩爾線程全功能GPU加速中國生命科學自主生態
技術白皮書下載更多>>
- 車規與基於V2X的車輛協同主動避撞技術展望
- 數字隔離助力新能源汽車安全隔離的新挑戰
- 汽車模塊拋負載的解決方案
- 車用連接器的安全創新應用
- Melexis Actuators Business Unit
- Position / Current Sensors - Triaxis Hall
熱門搜索




