降低EMI?這個方法你得試試~
發布時間:2019-12-18 責任編輯:wenwei
【導讀】電磁輻射 (EMR)、電磁幹擾 (EMI) 和電磁兼容性 (EMC)是(shi)涉(she)及(ji)來(lai)自(zi)帶(dai)電(dian)粒(li)子(zi)的(de)能(neng)量(liang)以(yi)及(ji)可(ke)能(neng)幹(gan)擾(rao)電(dian)路(lu)性(xing)能(neng)和(he)信(xin)號(hao)傳(chuan)輸(shu)的(de)相(xiang)關(guan)磁(ci)場(chang)的(de)術(shu)語(yu)。隨(sui)著(zhe)無(wu)線(xian)通(tong)信(xin)的(de)激(ji)增(zeng),通(tong)信(xin)裝(zhuang)置(zhi)不(bu)計(ji)其(qi)數(shu),再(zai)加(jia)上(shang)越(yue)來(lai)越(yue)多(duo)的(de)通(tong)信(xin)方(fang)法(fa) (包括蜂窩、Wi-Fi、衛星、GPS 等) 使用的頻譜越來越多(有些頻帶相互重疊),電磁幹擾成了客觀存在的事實。
為了減輕此影響,許多政府機構和監管組織對通信裝置、設備和儀器可發射的輻射量設定了限製。這類規範的示例之一是 CISPR 16-1-3,它涉及無線電幹擾和抗擾度測量設備和測量方法。
根據其特征,電磁幹擾可分為傳導幹擾(通過電源傳輸)或輻射幹擾(通過空氣傳輸)。開關電源會產生兩種類型的幹擾。ADI為減少傳導幹擾和輻射幹擾實施的一項技術是擴頻頻率調製(SSFM)。
該技術用於我們一些基於電感和電容的開關電源、矽振蕩器和 LED 驅動器,將噪聲擴展到更寬的頻帶上,從而降低特定頻率下的峰值噪聲和平均值噪聲。
SSFM 不允許發射能量在任何接收器的頻帶中停留過長時間,從而改善了EMI。有效SSFM的關鍵決定因素是頻率擴展量和調製速率。對於開關穩壓器應用來說,典型擴展量為 ±10%,最佳調製速率取決於調製方式。SSFM 可采用各種頻率擴展方法,例如使用正弦波或三角波調製時鍾頻率。
調製方法
大多數開關穩壓器都會呈現與頻率相關的紋波:開(kai)關(guan)頻(pin)率(lv)越(yue)低(di)則(ze)紋(wen)波(bo)越(yue)多(duo),開(kai)關(guan)頻(pin)率(lv)越(yue)高(gao)則(ze)紋(wen)波(bo)越(yue)少(shao)。因(yin)此(ci),如(ru)果(guo)對(dui)開(kai)關(guan)時(shi)鍾(zhong)進(jin)行(xing)頻(pin)率(lv)調(tiao)製(zhi),則(ze)開(kai)關(guan)穩(wen)壓(ya)器(qi)的(de)紋(wen)波(bo)將(jiang)呈(cheng)現(xian)幅(fu)度(du)調(tiao)製(zhi)。如(ru)果(guo)時(shi)鍾(zhong)的(de)調(tiao)製(zhi)信(xin)號(hao)是(shi)周(zhou)期(qi)性(xing)的(de) (例如正弦波或三角波),則將呈現周期性的紋波調製,而且在調製頻率上存在一個明顯的頻譜分量 (圖 1)。

圖 1. 由時鍾的正弦波頻率調製引起的開關穩壓器紋波圖解
由you於yu調tiao製zhi頻pin率lv遠yuan低di於yu開kai關guan穩wen壓ya器qi的de時shi鍾zhong頻pin率lv,因yin此ci可ke能neng難nan以yi濾lv除chu。由you於yu下xia遊you電dian路lu中zhong的de電dian源yuan噪zao聲sheng耦ou合he或huo有you限xian的de電dian源yuan抑yi製zhi,這zhe可ke能neng導dao致zhi可ke聽ting音yin或huo明ming顯xian的de偽wei像xiang等deng問wen題ti。偽wei隨sui機ji頻pin率lv調tiao製zhi能neng夠gou消xiao除chu這zhe種zhong周zhou期qi性xing紋wen波bo。采cai用yong偽wei隨sui機ji頻pin率lv調tiao製zhi時shi,時shi鍾zhong以yi偽wei隨sui機ji方fang式shi從cong一yi個ge頻pin率lv轉zhuan換huan到dao另ling一yi個ge頻pin率lv。由you於yu開kai關guan穩wen壓ya器qi的de輸shu出chu紋wen波bo由you類lei噪zao聲sheng信xin號hao進jin行xing幅fu度du調tiao製zhi,因yin此ci輸shu出chu看kan似si沒mei有you進jin行xing調tiao製zhi,而er且qie下xia遊you係xi統tong的de影ying響xiang可ke以yi忽hu略lve不bu計ji。
調製量
隨著 SSFM 頻率範圍的增加,帶內時間的百分比減少。從下方圖 2 中可以看到,與單個未調製的窄帶信號相比,調製頻率呈現為寬帶信號而且峰值降低 20 dB。如果發射信號不常進入接收器的頻帶而且停留的時間很短 (相對於其響應時間),則可以顯著降低 EMI。例如,在降低 EMI 方麵,±10% 的頻率調製比±2% 的頻率調製有效得多。不過,開關穩壓器所能容許的頻率範圍是有限的。一般來說,大多數開關穩壓器都能輕鬆容忍±10% 的頻率變化。

圖 2. 擴頻調製在更寬的時鍾頻帶內產生更低的峰值能量
調製速率
與調製量類似,對於某個給定的接收器,隨著頻率調製速率的增加 (跳頻速率),給定接收器的 EMI 處於帶內的時間將減少,因此 EMI將降低。然而,開關穩壓器所能跟蹤的頻率變化速率(dF/dt) 具有一個限值。其解決方案則是找出那個不影響開關穩壓器輸出調節性能的最高調製速率。
測量 EMI
測量 EMI 的典型方法為峰值檢測、準峰值檢測或平均值檢測。對於這些測試而言,適當地設置測試設備的帶寬,以反映實際目標帶寬並確定 SSFM 的(de)有(you)效(xiao)性(xing)。在(zai)進(jin)行(xing)頻(pin)率(lv)調(tiao)製(zhi)時(shi),檢(jian)測(ce)器(qi)會(hui)隨(sui)著(zhe)發(fa)射(she)掃(sao)描(miao)整(zheng)個(ge)檢(jian)測(ce)器(qi)的(de)頻(pin)帶(dai)而(er)進(jin)行(xing)響(xiang)應(ying)。當(dang)檢(jian)測(ce)器(qi)的(de)帶(dai)寬(kuan)相(xiang)較(jiao)於(yu)調(tiao)製(zhi)速(su)率(lv)較(jiao)小(xiao)時(shi),檢(jian)測(ce)器(qi)的(de)有(you)限(xian)響(xiang)應(ying)時(shi)間(jian)會(hui)導(dao)致(zhi) EMI 測量值衰減。
相反,檢測器的響應時間不會影響固定頻率發射,從而不會觀測到 EMI 衰減。峰值檢測測試顯示通過SSFM得到的改善直接對應於衰減量。準峰值檢測測試還可以顯示進一步的 EMI 改善,因為它包括了占空比的影響。具體而言,固定頻率發射產生 100% 的占空比,而來自 SSFM 的占空比隨發射在檢測器頻帶內所占的時間量而減少。
最後,平均值檢測測試能夠顯示最明顯的 EMI 改善,因為它使用低通過濾峰值檢測信號,從而生成平均帶內能量。在固定頻率發射時,平均值和峰值能量相等,SSFM 則(ze)不(bu)同(tong),它(ta)對(dui)峰(feng)值(zhi)檢(jian)測(ce)能(neng)量(liang)和(he)帶(dai)內(nei)時(shi)間(jian)量(liang)均(jun)進(jin)行(xing)衰(shuai)減(jian),從(cong)而(er)產(chan)生(sheng)更(geng)低(di)的(de)平(ping)均(jun)值(zhi)檢(jian)測(ce)結(jie)果(guo)。許(xu)多(duo)監(jian)管(guan)測(ce)試(shi)要(yao)求(qiu)係(xi)統(tong)通(tong)過(guo)準(zhun)峰(feng)值(zhi)和(he)平(ping)均(jun)值(zhi)兩(liang)種(zhong)檢(jian)測(ce)測(ce)試(shi)。
SSFM 和接收器帶寬
無論是否啟用 SSFM,在任何時刻,開關穩壓器的峰值發射可能看起來都是相同的。這怎麼可能?SSFMdeyouxiaoxingbufenqujueyujieshouqidedaikuan。yaojieshoushunshidefashekuaizhao,xuyaowuxiandaikuan。meigeshijixitongdedaikuandoushiyouxiande。ruguoshizhongpinlvdebianhuakuaiyujieshouqidedaikuan,jiangxianzhujiangdijieshouganrao。

圖 3. 使用啟用 SSFM 和未啟用 SSFM 的 LTC6908 開關穩壓器的輸出頻譜 (9 kHz 分辨率帶寬)
矽振蕩器中的 SSFM
LTC6909, LTC6902 和 LTC6908是具有擴頻調製的八相、四相和雙相輸出的多相矽振蕩器。這些器件通常用於為開關電源提供時鍾。多相操作有效地增加了係統的開關頻率 (因為相位表現 為開關頻率的增加),並且擴頻調製使每個器件在一定頻率範圍內開關,從而在更寬的頻帶上擴展傳導 EMI。LTC6908 具有 5 kHz至 10 MHz 的頻率範圍,提供兩個輸出,並具有兩種可選版本:
LTC6908-1 提供具有 180° 相移的兩個輸出,而 LTC6908-2 提供具有 90° 相移的兩個輸出。前者非常適合同步兩個單開關穩壓器,後者則非常適合同步兩個雙相雙開關穩壓器。
四通道LTC6902 具有 5 kHz 至 20 MHz 的頻率範圍,可編程用作等間距的雙相、三相或四相輸出。LTC6909 具有 12 kHz 至 6.67 MHz 的頻率範圍,最多可編程提供八相輸出。
為(wei)了(le)解(jie)決(jue)上(shang)述(shu)周(zhou)期(qi)性(xing)紋(wen)波(bo)問(wen)題(ti),這(zhe)些(xie)矽(gui)振(zhen)蕩(dang)器(qi)使(shi)用(yong)偽(wei)隨(sui)機(ji)頻(pin)率(lv)調(tiao)製(zhi)。利(li)用(yong)該(gai)技(ji)術(shu),開(kai)關(guan)穩(wen)壓(ya)器(qi)時(shi)鍾(zhong)以(yi)偽(wei)隨(sui)機(ji)方(fang)式(shi)從(cong)一(yi)個(ge)頻(pin)率(lv)轉(zhuan)換(huan)到(dao)另(ling)一(yi)個(ge)頻(pin)率(lv)。頻(pin)率(lv)偏(pian)移(yi)率(lv)或(huo)跳(tiao)頻(pin)速(su)率(lv)越(yue)高(gao),開(kai)關(guan)穩(wen)壓(ya)器(qi)在(zai)給(gei)定(ding)頻(pin)率(lv)下(xia)的(de)工(gong)作(zuo)時(shi)間(jian)越(yue)短(duan),並(bing)且(qie)對(dui)於(yu)給(gei)定(ding)的(de)接(jie)收(shou)器(qi)間(jian)隔(ge),EMI 在帶內的時間將越短。
但dan是shi,跳tiao頻pin速su率lv有you一yi個ge限xian製zhi。如ru果guo頻pin率lv以yi超chao出chu開kai關guan穩wen壓ya器qi帶dai寬kuan的de速su率lv跳tiao變bian,則ze可ke能neng會hui在zai時shi鍾zhong頻pin率lv轉zhuan換huan邊bian沿yan發fa生sheng輸shu出chu尖jian峰feng。較jiao小xiao的de開kai關guan穩wen壓ya器qi帶dai寬kuan會hui導dao致zhi更geng明ming顯xian的de尖jian峰feng。因yin此ci,LTC6908 和LTC6909 包含一個專有的跟蹤濾波器,可以實現從一個頻率到下一個頻率的平滑轉換 (LTC6902 采用一個 25 kHz的內部低通濾波器)。內部濾波器跟蹤跳頻速率,為所有頻率和調製速率提供最佳平滑性能。

圖 4. 偽隨機調製說明了 LTC6908/LTC6909 內部跟蹤濾波器的影響
對dui於yu許xu多duo邏luo輯ji係xi統tong來lai說shuo,這zhe種zhong濾lv波bo調tiao製zhi信xin號hao可ke能neng是shi可ke接jie受shou的de,但dan必bi須xu仔zai細xi考kao慮lv逐zhu周zhou期qi的de抖dou動dong問wen題ti。即ji便bian使shi用yong了le跟gen蹤zong濾lv波bo器qi,給gei定ding穩wen壓ya器qi的de帶dai寬kuan仍reng有you可ke能neng不bu足zu以yi滿man足zu高gao速su率lv頻pin率lv調tiao製zhi的de要yao求qiu。為wei應ying對dui帶dai寬kuan限xian製zhi,LTC6908/LTC6909 的跳頻速率可以從默認速率 (即標稱頻率的 1/16) 降低到標稱頻率的 1/32 或 1/64。
電源中的 SSFM
開kai關guan穩wen壓ya器qi基ji於yu逐zhu周zhou期qi運yun行xing,以yi將jiang功gong率lv傳chuan輸shu到dao輸shu出chu。在zai大da多duo數shu情qing況kuang下xia,工gong作zuo頻pin率lv要yao麼me是shi固gu定ding的de,要yao麼me是shi基ji於yu輸shu出chu負fu載zai的de常chang數shu。這zhe種zhong轉zhuan換huan方fang法fa在zai工gong作zuo頻pin率lv (基波) 和工作頻率的倍頻 (諧波)下產生較大的噪聲分量。
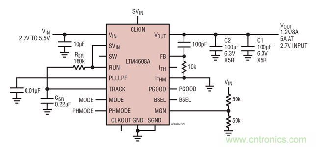
LTM4608A:具有 SSFM 的 8 A、2.7 V 至5.5 IN DC/DC µModule 降壓型穩壓器
為了降低開關噪聲,可以將 LTM4608AA 的 CLKIN 引腳連接到 SVIN (低功耗電路電源電壓引腳)以啟用擴頻功能。在擴頻模式下,LTM4608A的內部振蕩器設計用於產生時鍾脈衝,其周期在逐周期的基礎上是隨機的,但固定在標稱頻率的 70% 到 130% 之間。這有利於在一定頻率範圍內擴展開關噪聲,從而顯著降低峰值噪聲。如果 CLKIN 接地或由外部頻率同步信號驅動,則禁用擴頻操作。圖 5 顯示了啟用擴頻操作的工作電路。必須在PLL LPF 引腳上放置一個 0.01 μF 的接地電容,以控製擴頻頻率變化的壓擺率。元件值由以下公式確定:
RSR ≥ 1 / −(ln(1− 0.592/VIN)*500*CSR)

圖 5. 啟用擴頻的 LTM4608A。
LT8609 具有 SSFM 的 42 V 輸入、2 A 同步降型轉換器
LT8609是一款微功率降壓型轉換器,可在高開關頻率下保持高效率 (2 MHz 時為 93%),從而允許使用更小的外部元件。SSFM模式的操作類似於跳躍脈衝工作模式,其主要區別在於開關頻 率由 3 kHz 三角波上下調製。調製範圍的低端通過開關頻率 (由RT 引腳上的電阻設置) 設置,高端則設置為比 RT 設置的頻率高約 20%。要啟用擴頻模式,須將 SYNC 引腳連接到 INTVCC 或將其驅動到 3.2 V 和 5 V 之間的電壓。
LTC3251 / LTC3252 具有 SSFM 的電荷泵降壓型穩壓器
LTC3251/LTC3252 是 2.7 V 至 5.5 V、單路輸出 500 mA/雙路輸出250 mA 的電荷泵降壓型穩壓器,可生成時鍾脈衝,其周期在逐周期的基礎上是隨機的,但固定在 1 MHz 到 1.6 MHz 之間。圖 6和圖 7 顯示了與傳統降壓型轉換器相比,LTC3251 的擴頻特性顯著降低了峰值諧波噪聲並幾乎消除了諧波。LTC3251 提供可選的擴頻操作,而LTC3252 則始終啟用擴頻。

圖 6. 禁用 SSFM 的 LTC3251

圖 7. 啟用 SSFM 的 LTC3251
LED 驅動器中的 SSFM
LT3795:具有 SSFM 的 110 V 多拓撲 LED 控製器
對於汽車和顯示屏照明應用的 EMI 問題而言,開關穩壓器 LED 驅動器也是個麻煩。為了提高 EMI 性能, LT3795 110 V 多拓撲LED 驅動控製器集成了 SSFM。如果 RAMP 引腳上有一個電容,則會產生一個介於 1 V 和 2 V 之間的三角波。然後將該信號饋入內部振蕩器,在基頻的 70% 和基頻之間對開關頻率進行調製,基頻由時鍾頻率設置電阻 RT 設定。
調製頻率計算公式如下:
12µA/(2 • 1V • CRAMP)
圖 8 和圖 9 顯示了傳統的升壓開關轉換器電路 (將 RAMP 引腳連接到 GND) 和啟用擴頻調製的升壓開關轉換器 (RAMP 引腳上為 6.8nF) 之間的噪聲頻譜比較。圖 8 顯示了平均值傳導 EMI,圖 9 顯示了峰值傳導 EMI。EMI 測量的結果易受使用電容選擇的 RAMP 頻率的影響。1 kHz 是優化峰值測量的良好起點,但為了在特定係統中獲得整體 EMI 的最佳結果,可能需要對該值進行一些微調。

圖 8. LT3795 平均值傳導 EMI

圖 9. LT3795 峰值傳導 EMI
LT3952:具有 SSFM 的多拓撲 42 VIN, 60V/4A LED 驅動器
LT3952是一款 60 V/4 A 電源開關式、恒流、恒壓、多拓撲 LED 驅動器,提供可選的 SSFM。振蕩器頻率以偽隨機方式從標稱頻率(fSW) 變化到高於標稱值的 31%,步長為 1%。這種單向調整使LT3952隻需將標稱頻率編程至其上方一點就可以避免係統中的敏感頻帶 (例如 AM 無線電頻譜)。成比例的步長允許用戶輕鬆確定適用於指定的 EMI 測試倉大小的時鍾頻率值 (RT 引腳),並且偽隨機方法可以從頻率變化本身提供音調抑製。
偽隨機值的更新使用 fSW/32 的速率,與振蕩器頻率成正比。該速率允許整組頻率在標準 EMI 測試停留時間內多次通過。

圖 10. LT3952 平均值傳導 EMI。
ADI 還提供許多其他產品,可以有效地利用設計技術來降低 EMI。如上所述,使用 SSFM 是其中一種技術。其他方法還包括 減緩快速內部時鍾邊沿和內部濾波。采用我們的 Silent Switcher™ 技術實現了另一種創新方法,通過布局有效降低 EMI。
LT8640
● Silent Switcher® 架構:
(1)超低 EMI / EMC 輻射
(2)擴頻調製
● 在高頻下實現高效率
(1)在 1MHz、12VIN 至 5VOUT 轉換時達 96%
(2)在 2MHz、12VIN 至 5VOUT 轉換時達 95%
● 寬輸入電壓範圍:3.4V 至 42V
● 5A 最大連續電流,7A 峰值瞬態輸出
● 超低靜態電流突發模式 (Burst Mode®) 操作:
2.5μA IQ (調節 12VIN 至 3.3VOUT)
(1)輸出紋波 < 10mVP-P
● 快速最小接通時間:30ns
● 在所有條件下均可提供低壓差:100mV (在 1A)
● 強製連續模式 (僅限 LT8640-1)
● 可在過載情況下安全承受電感器飽和
● 可調及可同步頻率範圍:200kHz 至 3MHz
● 峰值電流模式操作
● 輸出軟起動和跟蹤
● 小外形 18 引腳 3mm x 4mm QFN 封裝
LT8640是一款獨特的 42 V 輸入、微功率同步降壓型開關穩壓器,它將 Silent Switcher 技術和 SSFM 相結合以降低 EMI。因此,當您在設計中再次遇到 EMI 問題時,請務必查看我們的低 EMI 產品,以幫助您更輕鬆地符合 EMI 標準。
推薦閱讀:
特別推薦
- 噪聲中提取真值!瑞盟科技推出MSA2240電流檢測芯片賦能多元高端測量場景
- 10MHz高頻運行!氮矽科技發布集成驅動GaN芯片,助力電源能效再攀新高
- 失真度僅0.002%!力芯微推出超低內阻、超低失真4PST模擬開關
- 一“芯”雙電!聖邦微電子發布雙輸出電源芯片,簡化AFE與音頻設計
- 一機適配萬端:金升陽推出1200W可編程電源,賦能高端裝備製造
技術文章更多>>
- 貿澤EIT係列新一期,探索AI如何重塑日常科技與用戶體驗
- 算力爆發遇上電源革新,大聯大世平集團攜手晶豐明源線上研討會解鎖應用落地
- 創新不止,創芯不已:第六屆ICDIA創芯展8月南京盛大啟幕!
- AI時代,為什麼存儲基礎設施的可靠性決定數據中心的經濟效益
- 矽典微ONELAB開發係列:為毫米波算法開發者打造的全棧工具鏈
技術白皮書下載更多>>
- 車規與基於V2X的車輛協同主動避撞技術展望
- 數字隔離助力新能源汽車安全隔離的新挑戰
- 汽車模塊拋負載的解決方案
- 車用連接器的安全創新應用
- Melexis Actuators Business Unit
- Position / Current Sensors - Triaxis Hall
熱門搜索





