淺析開關電源中的頻率抖動
發布時間:2019-11-16 責任編輯:wenwei
【導讀】zaizhanhuishang,yigongchengshijieshaoleyixinpianzhongjichenglezhezhonggongneng,yishizhijiandaobusuantailijiezhexiangjishudeyiyi,ranhouzhaoleyixieziliao,ranhouzhaodaolianggefenxidianlujinxingdazhijieshao。
開關電源中的頻率抖動
zaizhanhuishang,yigongchengshijieshaoleyixinpianzhongjichenglezhezhonggongneng,yishizhijiandaobusuantailijiezhexiangjishudeyiyi,ranhouzhaoleyixieziliao,ranhouzhaodaolianggefenxidianlujinxingdazhijieshao。
我們知道在固定頻率PWM控製器中,窄帶發射通常發生在開關頻率,其連續諧波的能量會越來越低。采用頻率抖動技術(Frequency Jitter)的著眼點在於分散諧波幹擾能量,我們使得開關電源的工作頻率並非固定不變,而是周期性地變化,由於EMI發射分布在較廣的頻率範圍而不是在 窄帶頻率下工作,因此可降低EMI發射的峰值。抖動振蕩器也將降低諧波頻率(即為開關頻率倍數的頻率)的峰值。發射量的減少取決於調製頻率的選擇(抖動 率)、抖動帶寬以及接收器的分辨帶寬。

注意:當然對降低高頻非諧波發射起到的作用微乎其微。這些發射是由於寄生LC電路、二極管反向恢複電流等在交換節點的振鈴導致的。添加緩衝器、柵極驅動電阻器或使用軟恢複二極管是降低這些發射的常見的解決方法。
缺點:抖動振蕩器將給輸出電壓添加少量紋波(紋波的頻率等於抖動頻率),通常遠小於由於電容ESR和電感電流產生的輸出電壓紋波的頻率(開關頻率),抖動產生的輸出紋波的幅度與額定輸出紋波的幅度相比相對較低。
芯片內實現形式:

目前的PWM控製器一般使用外部電阻來設置工作頻率。通常工作頻率隨電阻值的降低而上升,控製器內部的振蕩器編程引腳(RT)被bei調tiao節jie為wei恒heng定ding電dian壓ya。連lian接jie到dao編bian程cheng引yin腳jiao的de編bian程cheng電dian阻zu設she置zhi從cong編bian程cheng引yin腳jiao輸shu出chu的de電dian流liu源yuan。比bi例li電dian流liu還hai被bei饋kui送song到dao內nei部bu的de定ding時shi電dian容rong器qi,而er定ding時shi電dian容rong器qi上shang斜xie坡po電dian壓ya的de周zhou期qi決jue定ding振zhen蕩dang器qi頻pin率lv。

外部電阻來設置工作頻率原理:通常情況下,工作頻率隨電阻值的降低而上升。
控製器內部的振蕩器編程引腳(RT)被(bei)調(tiao)節(jie)為(wei)恒(heng)定(ding)電(dian)壓(ya),連(lian)接(jie)到(dao)編(bian)程(cheng)引(yin)腳(jiao)的(de)編(bian)程(cheng)電(dian)阻(zu)設(she)置(zhi)從(cong)編(bian)程(cheng)引(yin)腳(jiao)輸(shu)出(chu)的(de)電(dian)流(liu)源(yuan)。比(bi)例(li)電(dian)流(liu)還(hai)被(bei)饋(kui)送(song)到(dao)內(nei)部(bu)的(de)定(ding)時(shi)電(dian)容(rong)器(qi),而(er)定(ding)時(shi)電(dian)容(rong)器(qi)上(shang)斜(xie)坡(po)電(dian)壓(ya)的(de)周(zhou)期(qi)決(jue)定(ding)振(zhen)蕩(dang)器(qi)頻(pin)率(lv)。
兩個外部電路:
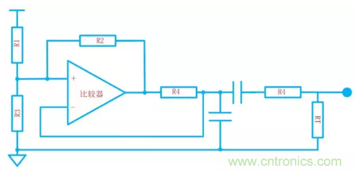
比較器電路

運放電路

兩個電路的工作原理是一樣的,上電後,比較器/運放的輸出為高,兩張圖分別通過R2和R4對電容進行充電。當電壓高於高閾值時,運放/比較器翻轉,輸入閾值切換成低電平,然後電容放電。
下拉電容上的電壓類似於三角波。

三角波調製可控製器RT引腳的電流,實現PWM振蕩器的抖動。串聯的電阻器用於設置調製抖動百分比。低頻三角波通過耦合電容器改變在電阻器電壓。
推薦閱讀:
特別推薦
- 噪聲中提取真值!瑞盟科技推出MSA2240電流檢測芯片賦能多元高端測量場景
- 10MHz高頻運行!氮矽科技發布集成驅動GaN芯片,助力電源能效再攀新高
- 失真度僅0.002%!力芯微推出超低內阻、超低失真4PST模擬開關
- 一“芯”雙電!聖邦微電子發布雙輸出電源芯片,簡化AFE與音頻設計
- 一機適配萬端:金升陽推出1200W可編程電源,賦能高端裝備製造
技術文章更多>>
- 三星上演罕見對峙:工會集會討薪,股東隔街抗議
- 摩爾線程實現DeepSeek-V4“Day-0”支持,國產GPU適配再提速
- 築牢安全防線:智能駕駛邁向規模化應用的關鍵挑戰與破局之道
- GPT-Image 2:99%文字準確率,AI生圖告別“鬼畫符”
- 機器人馬拉鬆的勝負手:藏在主板角落裏的“時鍾戰爭”
技術白皮書下載更多>>
- 車規與基於V2X的車輛協同主動避撞技術展望
- 數字隔離助力新能源汽車安全隔離的新挑戰
- 汽車模塊拋負載的解決方案
- 車用連接器的安全創新應用
- Melexis Actuators Business Unit
- Position / Current Sensors - Triaxis Hall
熱門搜索
NFC
NFC芯片
NOR
ntc熱敏電阻
OGS
OLED
OLED麵板
OmniVision
Omron
OnSemi
PI
PLC
Premier Farnell
Recom
RF
RF/微波IC
RFID
rfid
RF連接器
RF模塊
RS
Rubycon
SATA連接器
SD連接器
SII
SIM卡連接器
SMT設備
SMU
SOC
SPANSION

