三極管和運放構成的幾種恒流源電路分析
發布時間:2019-11-13 責任編輯:wenwei
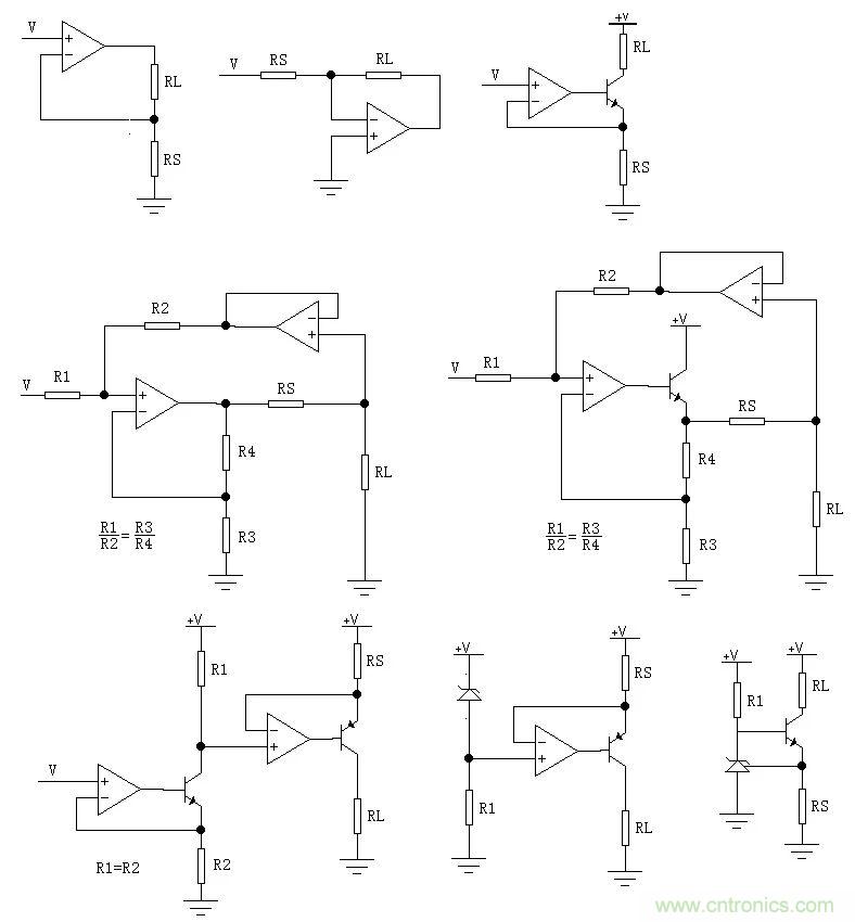
【導讀】對比幾種V/I電路,凡是沒有三極管之類的單向器件,都可以實現交流恒流。加了三極管之後就隻能做單向直流恒流了。

這幾種電路都可以在負載電阻RL上獲得恒流輸出。
第一種由於RL浮地,一般很少用。
第二種RL是虛地,也很少使用。
第三種雖然RL浮地,但是RL一端接正電源端,比較常用。
第四種是正反饋平衡式,是由於負載RL接地而受到人們的喜愛。
第五種和第四種原理相同,隻是擴大了電流的輸出能力。人們在使用中常常把電阻R2取的比負載RL大的多而省略了跟隨器運放。這種電路也是對地負載。
後邊兩種是恒流源電路。
對比幾種V/I電路,凡是沒有三極管之類的單向器件,都可以實現交流恒流。加了三極管之後就隻能做單向直流恒流了。
第(di)四(si)和(he)第(di)五(wu)是(shi)建(jian)立(li)在(zai)正(zheng)負(fu)反(fan)饋(kui)平(ping)衡(heng)的(de)基(ji)礎(chu)上(shang)的(de)。如(ru)果(guo)由(you)於(yu)電(dian)阻(zu)的(de)誤(wu)差(cha)而(er)失(shi)去(qu)平(ping)衡(heng),會(hui)影(ying)響(xiang)恒(heng)流(liu)輸(shu)出(chu)特(te)性(xing),也(ye)就(jiu)是(shi)說(shuo)輸(shu)出(chu)電(dian)流(liu)會(hui)隨(sui)負(fu)載(zai)變(bian)化(hua)。
而其他幾種電阻的誤差隻會影響輸出電流的值,而不會影響輸出特性。
如果輸出電流大或者嫌三極管的集電極電流和發射極電流不相等,可以把三極管換成MOSFET。
推薦閱讀:
特別推薦
- 噪聲中提取真值!瑞盟科技推出MSA2240電流檢測芯片賦能多元高端測量場景
- 10MHz高頻運行!氮矽科技發布集成驅動GaN芯片,助力電源能效再攀新高
- 失真度僅0.002%!力芯微推出超低內阻、超低失真4PST模擬開關
- 一“芯”雙電!聖邦微電子發布雙輸出電源芯片,簡化AFE與音頻設計
- 一機適配萬端:金升陽推出1200W可編程電源,賦能高端裝備製造
技術文章更多>>
- 築基AI4S:摩爾線程全功能GPU加速中國生命科學自主生態
- 一秒檢測,成本降至萬分之一,光引科技把幾十萬的台式光譜儀“搬”到了手腕上
- AI服務器電源機櫃Power Rack HVDC MW級測試方案
- 突破工藝邊界,奎芯科技LPDDR5X IP矽驗證通過,速率達9600Mbps
- 通過直接、準確、自動測量超低範圍的氯殘留來推動反滲透膜保護
技術白皮書下載更多>>
- 車規與基於V2X的車輛協同主動避撞技術展望
- 數字隔離助力新能源汽車安全隔離的新挑戰
- 汽車模塊拋負載的解決方案
- 車用連接器的安全創新應用
- Melexis Actuators Business Unit
- Position / Current Sensors - Triaxis Hall
熱門搜索




