晶體的負載電容
發布時間:2019-11-04 責任編輯:wenwei
【導讀】負載電容(load capacitance)常用的標準值有12.5 pF,16 pF,20 pF,30pF,負載電容與石英諧振器一起決定振蕩器的工作頻率,通過調整負載電容,一般可以將振蕩器的工作頻率調到標稱值。
負載電容和諧振頻率之間的關係不是線性的,負載電容變小時,頻率偏差量變大;負載電容提高時,頻率偏差減小。下圖是一個晶體的負載電容和頻率的誤差的關係圖。

圖1、晶振誤差— 負載電容(22 pF 負載電容)
負載電容的定義
從石英晶體插腳兩端向振蕩電路方向看進去的全部有效電容為該振蕩電路加給石英晶體的負載電容。石英晶體的負載電容的定義如下式:
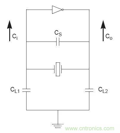
圖1中標示出了CG,CD,CS的的組成部分。

圖1、晶體振蕩電路的概要組成
CG指的是晶體振蕩電路輸入管腳到gnd的總電容(比如 USB PHY的USB_XI信號到地)。容值為以下三個部分的和。
● USB_XI管腳到gnd的寄生電容, Ci
● 晶體-震蕩電路XI的PCB走線到到gnd的寄生電容,CPCBXI
● 電路上另外增加的並聯到gnd“負載電容”, CL1
CD指的是晶體振蕩電路輸入管腳到gnd的總電容(比如 USB PHY的USB_XO信號到地)。容值為以下三個部分的和。
● USB_XO管腳到gnd的寄生電容, Co
● 晶體-震蕩電路XO的PCB走線到到gnd的寄生電容,CPCBXO
● 電路上另外增加的並聯到gnd“負載電容”, CL2
CS指的晶體兩個管腳之間的寄生電容(shunt capacitance),在晶體的規格書上可以找到具體值,一般0.2pF~8pF不等。如圖二是某32.768KHz的電氣參數,其寄生電容典型值是0.85pF(在表格中采用的是Co)。

圖2、某晶體的電氣參數
Ci以及Co的取值,一般可以在芯片手冊上查詢到。比如圖三是某芯片的XI/XO的寄生電容值。

圖3、某芯片的輸入電容
CL1/CL2的計算過程
一般我們會說,計算晶體振蕩電路的負載電容,事實上是根據晶體規格書上標稱的負載電容,計算出實際需要在晶體兩端安裝的電容CL1以及CL2的值。
假設我們需要計算的電路參數如下所述。芯片管腳的輸入電容如圖三CN56XX所示,Ci=4.8pF;所需要采用的晶體規格如圖二所示,負載電容CL=12.5pF,晶體的寄生電容CS=0.85pF。
我們可以得到下式:

為了保持晶體的負載平衡,在實際應用中,一般要求CG=CD,所以進一步可以得到下式:

根據CG的組成部分,可以得到:
CG=Ci+CPCBXI+CL1=23.3pF
晶體布線時都會要求晶體盡量靠近振蕩電路,所以CPCBXI一般比較小,取0.2pF;Ci=4.8pF。所以最終的計算結果如下:(CL2的計算過程類似)
CL1=CL2=18.3pF≈18pF
例外情況
現在有很多芯片內部已經增加了補償電容(internal capacitance),所以在設計的時候,隻需要選按照芯片datasheet推薦的負載電容值的選擇晶體即可,不需要額外再加電容。但是因為實際設計的寄生電路的不確定性,最好還是預留CL1/CL2的位置。
以上的計算都是基於CG=CD的前提,的確有一些意外情況,比如cypress的帶RTC的nvsram的時鍾晶體要求兩邊不對稱,但是幸運的是,cypress給出了詳細的計算過程以及選型參考。
推薦閱讀:
特別推薦
- 噪聲中提取真值!瑞盟科技推出MSA2240電流檢測芯片賦能多元高端測量場景
- 10MHz高頻運行!氮矽科技發布集成驅動GaN芯片,助力電源能效再攀新高
- 失真度僅0.002%!力芯微推出超低內阻、超低失真4PST模擬開關
- 一“芯”雙電!聖邦微電子發布雙輸出電源芯片,簡化AFE與音頻設計
- 一機適配萬端:金升陽推出1200W可編程電源,賦能高端裝備製造
技術文章更多>>
- 算力爆發遇上電源革新,大聯大世平集團攜手晶豐明源線上研討會解鎖應用落地
- 築基AI4S:摩爾線程全功能GPU加速中國生命科學自主生態
- 一秒檢測,成本降至萬分之一,光引科技把幾十萬的台式光譜儀“搬”到了手腕上
- AI服務器電源機櫃Power Rack HVDC MW級測試方案
- 突破工藝邊界,奎芯科技LPDDR5X IP矽驗證通過,速率達9600Mbps
技術白皮書下載更多>>
- 車規與基於V2X的車輛協同主動避撞技術展望
- 數字隔離助力新能源汽車安全隔離的新挑戰
- 汽車模塊拋負載的解決方案
- 車用連接器的安全創新應用
- Melexis Actuators Business Unit
- Position / Current Sensors - Triaxis Hall
熱門搜索
微波功率管
微波開關
微波連接器
微波器件
微波三極管
微波振蕩器
微電機
微調電容
微動開關
微蜂窩
位置傳感器
溫度保險絲
溫度傳感器
溫控開關
溫控可控矽
聞泰
穩壓電源
穩壓二極管
穩壓管
無焊端子
無線充電
無線監控
無源濾波器
五金工具
物聯網
顯示模塊
顯微鏡結構
線圈
線繞電位器
線繞電阻



