由555組成的單穩態觸發器
發布時間:2019-09-08 責任編輯:wenwei
【導讀】單穩態觸發器在數字電路中一般用於定時(產生一定寬度的矩形波),整形(把不規則的波形變為幅度和寬度都相等的脈衝)及延時(將輸入信號延遲一定時間後輸出)等。
1. 555集成定時器
常用的555定時器有TTL定時器5G555和CMOS定時器CC7555等。
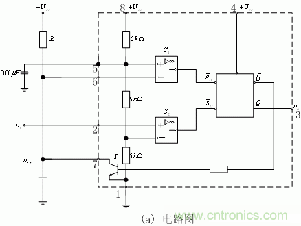
555集成定時器是一種模擬電路和數字電路相結合的中規模集成電路,其電路如下圖所示。

555定時器含有兩個電壓比較器C1和C2,一個由“與非“門組成的基本RS觸發器,一個放電晶體管T以及由三個5KΩ的電阻組成的分壓器。比較器C1的參考電壓為
,加在同相輸入端;C2的參考電壓為
,加在反相輸入端。兩者均由分壓器上取得。
各外引線端的功能是:
1為接地端.
2為低電平出發端,由此輸入觸發脈衝。當2端的輸入電壓高於1/3UCC時,C2的輸出為“1“;當輸入電壓低於1/3UCC時,C2的輸出為”0“,使基本RS觸發器置”1“。
6為高電平觸發端,由此輸入觸發脈衝。當輸入電壓低於2/3UCC時,C1的輸出為“1“;當輸入電壓高於2/3UCC時,C1的輸出為”0“,使觸發器置”0“。
4為複位端,由此輸入負脈衝(或使其電壓低於0.7伏)而使觸發器直接複位(置“0“)。
5為電壓控製端,在此端可外加一電壓以改變比較器的參考電壓。不用時,經0.0.1uF的電容接“地“,以防止幹擾的引入。
7為放電端,當觸發器的Q端為“1“時,放電晶體管T導通,外接電容元件通過T放電。
3為輸出端,輸出電流可達200mA,因此可直接驅動繼電器,發光二極管,揚聲器,指示燈燈。輸出高電壓約低於電源電壓UCC1-3V。
8為電源端,可在5-18V範圍內使用。
2. 由555定時器組成的單穩態觸發器
下圖是由555定時器組成的單穩態觸發器。R和C是外接元件,觸發脈衝由2端輸入。
工作原理:當觸發脈衝尚未輸入時,u1為“1”,其值大於
1/3Ucc,故比較器C2的輸出為“1”。在穩定狀態時觸發器狀態:
若Q=0, Q=1,則晶體管T飽和導通,uc=UCE(sat)其值遠低於2/3Ucc,故比較器C1的輸出也為“1”,觸發器的狀態保持不變。
若Q=1, Q=0,則晶體管截止,Ucc通過R對電容C充電,當uc上升略高於2/3Ucc時,比較器C1的輸出為“0”,將觸發器置“0”,翻轉為Q=0, Q=1。
可見,在穩定狀態時Q=0,即輸出電壓u0為“0”。
在t1時刻,輸入觸發伏脈衝,其幅度低於1/3Ucc,故C2的輸出為“0”,將觸發器置“1”,u0由“0”變為“1”,電路進入暫穩狀態。這時因Q=0,晶體管截止,電源對電容C充電。雖然在t2時刻觸發脈衝已消失,C2的輸出變為“1”,但充電繼續進行,直到uc上升略高於2/3Ucc時(在t3時刻),C1的輸出為“0”,從而使觸發器自動翻轉到Q=0, Q=1的穩定狀態。此後電容C迅速放電。
輸出的是矩形脈衝,其寬度(暫穩狀態持續時間)
tp=RCln3=1.1RC
結論:
1) 改變RC值,可改變脈衝寬度,從而可以進行定時控製。

2) 輸入脈衝的波形往往是不規則的,邊沿不陡,幅度不齊,不能直接輸入到數字裝置,需要單穩態觸發器或另外某種觸發器整形。

推薦閱讀:
特別推薦
- 噪聲中提取真值!瑞盟科技推出MSA2240電流檢測芯片賦能多元高端測量場景
- 10MHz高頻運行!氮矽科技發布集成驅動GaN芯片,助力電源能效再攀新高
- 失真度僅0.002%!力芯微推出超低內阻、超低失真4PST模擬開關
- 一“芯”雙電!聖邦微電子發布雙輸出電源芯片,簡化AFE與音頻設計
- 一機適配萬端:金升陽推出1200W可編程電源,賦能高端裝備製造
技術文章更多>>
- 算力爆發遇上電源革新,大聯大世平集團攜手晶豐明源線上研討會解鎖應用落地
- 築基AI4S:摩爾線程全功能GPU加速中國生命科學自主生態
- 一秒檢測,成本降至萬分之一,光引科技把幾十萬的台式光譜儀“搬”到了手腕上
- AI服務器電源機櫃Power Rack HVDC MW級測試方案
- 突破工藝邊界,奎芯科技LPDDR5X IP矽驗證通過,速率達9600Mbps
技術白皮書下載更多>>
- 車規與基於V2X的車輛協同主動避撞技術展望
- 數字隔離助力新能源汽車安全隔離的新挑戰
- 汽車模塊拋負載的解決方案
- 車用連接器的安全創新應用
- Melexis Actuators Business Unit
- Position / Current Sensors - Triaxis Hall
熱門搜索





