總線浪湧防護方案詳解
發布時間:2019-07-17 責任編輯:wenwei
【導讀】為保證工業總線通訊的穩定性,工程師通常都在設計時考慮防雷、防浪湧和防過電壓等電路方案,今天就為大家介紹一些有效的總線防浪湧保護解決方案。
浪湧對電路的影響
浪湧包括浪湧電流、浪湧電壓,它是指電路中瞬間出現超過正常工作電壓、電流的現象。在工業通訊現場,雷電過電壓、落雷引發出的誘導雷浪湧,還有電源係統(特別是帶很重的感性負載)開(kai)關(guan)切(qie)換(huan)引(yin)起(qi)的(de)浪(lang)湧(yong),這(zhe)些(xie)浪(lang)湧(yong)產(chan)生(sheng)的(de)瞬(shun)態(tai)過(guo)壓(ya)和(he)過(guo)流(liu),會(hui)導(dao)致(zhi)數(shu)據(ju)總(zong)線(xian)通(tong)訊(xun)網(wang)絡(luo)癱(tan)瘓(huan)甚(shen)至(zhi)使(shi)元(yuan)器(qi)件(jian)發(fa)出(chu)錯(cuo)誤(wu)的(de)信(xin)號(hao),會(hui)給(gei)用(yong)戶(hu)帶(dai)來(lai)很(hen)大(da)的(de)損(sun)失(shi)。
表1 幾種瞬態騷擾的比較

先了解幾種典型的瞬態騷擾:從表中可知,浪湧的能量最高,過電流最大,因此危害性也是最大。
浪湧的形成有兩個類型:一個是共模,一個差模。雷電或大電流切換時產生的浪湧一般是共模的;chamoxingshidelangyongwangwangshiyouyushujudianlanfujinyougaoyaxianjingguo,shujuxianlanhegaoyaxianzhijianyinjueyuanbuliangerchanshengde,huizaishujutongxinwangluozhongjiaochangshijianneiwendingcunzai。guangouhuociouqijianbiaochengdenaiyashigongmo,yejiushiqianduandaohouduanzhijiandenaiya。ruguochaoguozhegenaiya,qianduanhouduandouyiqishaohuai;元器件不會標稱差模的耐壓,差模耐壓能力由電路的設計決定,差模電壓超過電路承受範圍,前端燒壞,後端不會燒壞。
目前總線浪湧防護方案有兩種:采用分立元器件搭建或采用集成模塊。
常規浪湧防護方案——分立方案
許多應用要求滿足IEC61000-4-2靜電放電4級,IEC61000-4-5浪湧抗擾4級要求。一般的收發器ESD、浪湧的防護等級均比較低,如CTM1051M隔離CAN收麼器的隔離耐壓為2500VDC,裸機情況下,ESD、浪湧等級均較低,所以有必要增加外圍電路。
防浪湧電路通常分為:隔離法和規避法。
● 隔離法:采用光耦合器或磁耦合器,將輸入和輸出信號隔離分開,這類隔離法隻能抑製共模形式的浪湧,不能抑製差模形式的浪湧。
● 規避法:主設備的地連在一起形成單點接地,一旦有浪湧出現就可安全轉移浪湧能量,此外有必要增加一些抑製浪湧的器件,主要有Tvs管、壓敏電阻、氣體放電管。
如果將隔離法和規避法相結合,就可以更好地保護係統。規避器件一方麵可抑製浪湧保護隔離器件,也可以抑製總線上產生的差模形式浪湧。隔離器件抑製共模形式浪湧,保護主設備。兩者相輔相成,能夠更好地保護總線設備。以CAN總線為例,下圖是分立元器件形成的外圍保護電路。

圖1 CAN總線推薦保護電路
其中GDT置於最前端,提供一級防護,當雷擊、浪湧產生時,GDT瞬間達到低阻狀態,為瞬時大電流提供泄放通道,將CAN_H、CAN_L間電壓鉗製在二十幾伏範圍內。實際取值可根據防護等級及器件成本綜合考慮進行調整,R3與R4建議選用PTC,D1~D6建議選用快恢複二極管。參數表如下。
表2 參數推薦表

高效浪湧防護方案——模塊方案
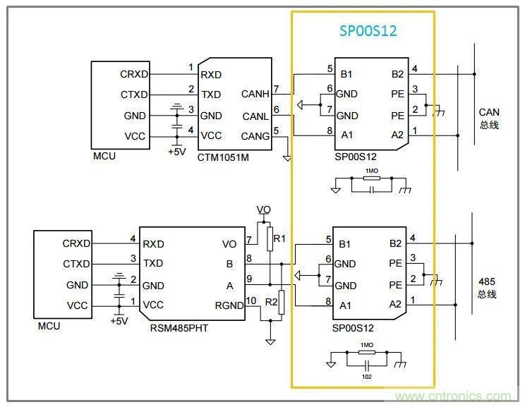
分立元器件方案雖然能夠提供有效的防護,但是需要引入較多的電子器件,這也就意味著接口電路將占用更多的PCB空間,若器件參數選擇不合適易造成EMC問題。有沒有更簡潔的防護設計呢?答案是肯定的。可選擇引入專業的信號浪湧抑製器SP00S12,可用於各種信號傳輸係統,抑製雷擊、浪湧、過壓等有害信號,對設備信號端口進行保護。搭配ZLG的全隔離CTM或SC係列的隔離CAN收發器,如下圖。可極大程度的提升產品的集成度,於此同時極大程度的縮小開發周期。

圖2 模塊方案
方案對比和浪湧抗擾度測試
前麵講到總線浪湧防護方案有兩種,接下來總結一下:
● 分立元器件方案:電子器件多、搭建麻煩、複雜、占用PCB空間、易造成EMC問題;
● 模塊方案:使用方便、節省PCB空間、簡化電路。
接下來做一下浪湧抗擾度測試,檢驗一下浪湧抑製器是否滿足IEC61000-4-5±4KV防護要求,以共模浪湧測試為例,在SP00S12輸入端加載4KV、1.2/50μs浪湧電壓,在輸出端測試壓降已被降低至17.1V,波形圖如下。

圖3 輸入端電壓波形4KV

圖4 輸出端波形電壓17.1V
由此可見,在收發器與CAN總線間添加SP00S12,可使CAN信號端口輕鬆滿足 IEC61000-4-5 ±4KV的浪湧等級要求。
采用一體化的高浪湧防護隔離CAN收發器可以完全代替隔離CAN收發器與浪湧抑製器的組合,如下圖。此方案將最大限度簡化電路設計、節省PCB空間、降低產品成本。它能夠防護4KV浪湧、15KV靜電的同時還具備極佳的EMC特性。

圖5 一體化隔離方案
推薦閱讀:
特別推薦
- 噪聲中提取真值!瑞盟科技推出MSA2240電流檢測芯片賦能多元高端測量場景
- 10MHz高頻運行!氮矽科技發布集成驅動GaN芯片,助力電源能效再攀新高
- 失真度僅0.002%!力芯微推出超低內阻、超低失真4PST模擬開關
- 一“芯”雙電!聖邦微電子發布雙輸出電源芯片,簡化AFE與音頻設計
- 一機適配萬端:金升陽推出1200W可編程電源,賦能高端裝備製造
技術文章更多>>
- 貿澤EIT係列新一期,探索AI如何重塑日常科技與用戶體驗
- 算力爆發遇上電源革新,大聯大世平集團攜手晶豐明源線上研討會解鎖應用落地
- 創新不止,創芯不已:第六屆ICDIA創芯展8月南京盛大啟幕!
- AI時代,為什麼存儲基礎設施的可靠性決定數據中心的經濟效益
- 築基AI4S:摩爾線程全功能GPU加速中國生命科學自主生態
技術白皮書下載更多>>
- 車規與基於V2X的車輛協同主動避撞技術展望
- 數字隔離助力新能源汽車安全隔離的新挑戰
- 汽車模塊拋負載的解決方案
- 車用連接器的安全創新應用
- Melexis Actuators Business Unit
- Position / Current Sensors - Triaxis Hall
熱門搜索
微波功率管
微波開關
微波連接器
微波器件
微波三極管
微波振蕩器
微電機
微調電容
微動開關
微蜂窩
位置傳感器
溫度保險絲
溫度傳感器
溫控開關
溫控可控矽
聞泰
穩壓電源
穩壓二極管
穩壓管
無焊端子
無線充電
無線監控
無源濾波器
五金工具
物聯網
顯示模塊
顯微鏡結構
線圈
線繞電位器
線繞電阻




