OLED驅動電路設計高手進階必看
發布時間:2019-06-25 責任編輯:wenwei
【導讀】隨著科學技術與電子業技術的不斷發展更迭,有機發光二極管如何簡易並且有效的實現顯示均勻、大麵積發光、高亮度高分辨率發光、以及延長有機發光二極管壽命等當前亟需解決的問題,是我們未來要麵對的技術挑戰。今天小編給大家帶來幾個平日裏做有源、無源oled顯示驅動設計的例子,以供大家作為電子設計參考。
一、驅動控製SSD1303實現96x64點陣PM-OLED
本例子使用Solomon公司的OLED顯示驅動電路SSD1303,結合AT89C51單片機實現驅動OLED顯示屏的方法。SSD1303是一款集控製器、行驅動器和列驅動器於一體的專用於OLED顯示控製驅動電路。
實驗中OLED結構陽極材料,采用ITO(銦錫氧化物),陰極則使用Mg與其他穩定金屬合金的辦法Mg:Ag做陰極,以提高器件量子效率和穩定性,並可以在有機膜上形成穩定堅固的金屬薄膜。
PM-OLED使用普通的矩陣交叉屏, OLED位於交叉排列的陽極和陰極中間,通過對陽極和陰極組合的選通,可以控製每一個OLED的點亮。
SSD1303芯片內部電路框圖如下圖1所示:

SSD1303芯片主要由MCU接口、命令譯碼器、振蕩器、顯示時序發生器、電壓控製與電流控製、區顏色譯碼器、和圖形顯示數據存儲器(GDDRAM)、行驅動和列驅動組成。這種IC的專用OLED驅動方案使OLED顯示性能最佳,降低了功耗。該器件采用TCP/TAB封裝。具有驅動最大132×64點陣的圖形顯示、提供的邏輯電源為2.4~3.5V、供給OLED屏的電源為7.0~16V、列輸出的最大電流為 320μA、行輸入的最大電流為45mA、低電流睡眠模式小於5μA、256級對比度控製,可編程幀頻、具有幾個MCU接口,如68/80並行總線和串行的周邊接口、132×65bit顯示緩衝器、可以垂直滾動、支持部分顯示、工作溫度:-40 oC~ 85 oC。
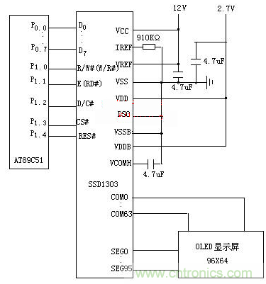
整個係統由單片機、控製驅動電路SSD1303和OLED顯示屏三部分組成.SSD1303與單片機接口的引腳有:DO~D7為與單片機接口的數據總線,R/W(RW#)為讀寫選擇信號,D/C為數據/命令選擇信號,CS#為片選信號,低電平有效,E(RD#)為使能信號,RES#為複位信號。單片機采用ATMEL 公司生產的低功耗、高性能的AT89C51, AT89C51與SSD1303和顯示屏的硬件接線如圖2所示,P1.0、P1.1、P1.2、P1.3、P1.4分別與SSD1303的 R/W(RW#)、D/C、CS#、E(RD#)、RES#相連,P0口與SSD1303的數據總線相連。其它引腳的連線VCC接12V,VDD接 2.7V,VSS接地等。下麵通過程序來控製這些引腳,從而使OLED顯示需要的漢字或圖形。主程序軟件流程圖如圖3所示。

圖2 單片機AT89C51與SSD1303和顯示屏的硬件接線

圖3 主程序軟件流程圖
二、台灣普誠PT6807/PT6808無源矩陣驅動方式
本案例采用ISL97702便攜式產品的DC/DC直流升壓電源電路,輸入電壓2.3~5.5V,輸出電壓根據負載輕重在2~30V範圍內可調;OLED顯示驅動采用PT6807和PT6808構建的無源矩陣驅動方式,適用於單色小尺寸OLED的顯示驅動。
隻所以選擇ISL97702作為電源IC,需要考慮器件運行在最高效率的同時,盡可能的降低功耗並延長電池工作時間。ISL97702具有一種突發模式以及雙輸出電壓選擇功能,用以在輕載電流下保持轉換器的效率和電源的節約。並且ISL97702還具有浪湧電流限製、短路保護和關機期間負載隔離等功能。ISL97702的DC/DC直流升壓電源電路圖,如下圖所示:

基於ISL97702的DC/DC直流升壓電源電路圖
OLED顯示屏像素點,按行、列排成矩陣,顯示圖像時,按行掃描或按列掃描,無源矩陣的基本結構框圖,如下所示:

無源矩陣基本結構框圖
其中“行”是由公共驅動器PT6807依次選通,“列”則是由列選擇器PT6808根據圖形要求來開通。例如,圖中假如第一行隻有第一個OLED導通就隻有大約0.3mA,而假如第二行是所有OLLED都選通,而每一行一共有100個OLED,則其總電流大約為33mA。也就是說,其總電流是由每一行中的OLED數,就是其象素數決定。因為OLED的亮度是由其電流決定的,所以保持電流的穩定是很重要的。列驅動通常采用P溝道器件作為電流源。為保證其工作於飽和區,至少需要有2伏電壓,這樣其輸出電流隨VDS的變化將會小於1%每伏。當某一行有很多OLED導通時,它的總電流就比較大。這時在連接電極上就會有較大壓降,從而使VDS降低。而這種壓降又取決於顯示的圖形,而且是不可避免的。所以必須將電流受VDS的變化而變化的靈敏度降至最低。同時輸出電流的不均勻性也受到驅動器件的不一致性的影響,這種不均勻性可以靠提高VGS工作電壓和版圖匹配技術來減小。
128×128點陣模塊驅動接口,如下圖所示:

128×128點陣模塊驅動接口圖
1. 行驅動電路設計
PT6807是點陣OLED圖形顯示係統64路行驅動器,它利用CMOS技術,提供64個移位寄存器和64路輸出驅動,PT6807自己產生時鍾信號用來控製PT6808列驅動器。
PT6807可以設計為主,從兩種模式,為OLED驅動顯示提供方便;主/從模式選擇由控製腳MS來控製,在主模式下,選擇MS腳為高電平,輸入/輸出腳DIO1,DIO2,CL2隻作為輸出腳來用;在從模式下,MS腳被置為低電平,輸入/輸出腳CL2作為輸入來用,而DIO1,DIO2的狀態由SHL腳來決定。
晶振電路:主模式下,可由R、C、CR端來決定時鍾頻率;在從模式下,晶振電路的R,C端為懸空狀態,CR端接高電平。
顯示占空比選擇:顯示占空比靠輸入腳DS1,DS2的狀態來決定;在主模式下根據DS1,DS2腳的設置來選擇占空比,有四種占空比1/48,1/64,1/96,1/128可供選擇;在從模式下,DS1,DS2腳與電源VDD相連。
移位時鍾和相位選擇:PCLK2用來選擇移位數據是在CL2時鍾信號的上升沿,還是下降沿移出;數據移位方向的選擇由MS,SHL腳來控製。
2. 列驅動電路設計
PT6808是點陣OLED圖形顯示係統64路列驅動器,它也利用CMOS技術,並提供顯示RAM、64位數據鎖存、64位驅動和解碼邏輯,內部顯示RAM用來存儲由八位微處理器傳來的顯示數據,它根據存儲數據產生點陣OLED驅動信號,與PT6807(行驅動器)配合使用。
輸入緩存用來允許和禁止PT6808,當輸入輸出數據和指令被執行時,CS1B和CS3必須處於工作狀態,不論CS1B和CS3處於任何狀態,RSTB和ADC都可以正常操作,並且內部狀態不會改變。
輸入寄存器用來與MPU接口,並臨時存儲要寫入顯示RAM的數據,當CS1B和CS3處於工作狀態時,輸入寄存器通過R/W和RS來選定,數據通過MPU被寫入輸入寄存器,然後寫入顯示RAM中,數據在E信號的下降沿被鎖入,通過內部操作自動寫入顯示RAM中。
輸出寄存器:當CS1B和CS3處於工作狀態,並且R/W和RS為高電平時,輸出寄存器用來臨時存儲顯示數據RAM,也即顯示數據RAM中的存儲數據被鎖存到輸出寄存器。當CS1B和CS3處於工作狀態,R/W為高,RS為低時,狀態數據(忙檢測)可以被讀出。
為了讀出顯示數據RAM中的內容,需要訪問讀指令兩次,在第一次訪問中,顯示數據RAM中的數據被鎖存到輸出寄存器中,在第二次訪問中,MPU讀鎖存數據。這就是說,在讀顯示數據RAM時需要一次假讀,但是,在讀狀態數據時不需要假讀。
為了克服在工作過程中當OLED亮度較高時的自動關屏問題,在寫入數據之前應該查看該項,若關屏,則將其打開,以保證OLED屏的正常工作。其中判斷是否關屏,若關閉則將其自動打開子程序如下:
Rs=0; // rs為數據/指令選擇腳
r_w=1; // r_w為讀/寫輸入腳
e =1; // e為允許信號輸入腳
busy = P3; // P3接數據線端口
e = 0;
if(busy&0x20==0x00) // 若為真,表示已關屏
{com=0x3f; // com為形參
wr_command(com);} // wr_command()是寫命令子程序
三、TFT-OLED模擬像素單元驅動/控製電路
AM-OLED驅動實現方案包括模擬和數字兩種。在數字驅動方案中,每一像素與一開關相連,TFT僅jin作zuo模mo擬ni開kai關guan使shi用yong,灰hui度du級ji產chan生sheng方fang法fa包bao括kuo時shi間jian比bi率lv灰hui度du和he麵mian積ji比bi率lv灰hui度du,或huo者zhe兩liang者zhe的de結jie合he。目mu前qian,模mo擬ni像xiang素su電dian路lu仍reng占zhan主zhu流liu,但dan在zai灰hui度du級ji實shi現xian上shang,模mo擬ni技ji術shu與yu時shi間jian比bi率lv灰hui度du和he麵mian積ji比bi率lv灰hui度du理li論lun相xiang結jie合he將jiang會hui是shi將jiang來lai的de一yi個ge發fa展zhan趨qu勢shi。在zai模mo擬ni方fang案an中zhong,根gen據ju輸shu入ru數shu據ju信xin號hao的de類lei型xing不bu同tong,單dan元yuan像xiang素su電dian路lu可ke分fen為wei電dian壓ya控kong製zhi型xing和he電dian流liu控kong製zhi型xing。
電壓控製型像素電路
1.兩管TFT結構
電壓控製型單元像素電路以數據電壓作為視頻信號。最簡單的電壓控製型兩管TFT單元像素電路如圖1所示。

圖1 兩管TFT驅動電路
其工作原理如下:當掃描線被選中時,開關管T1開啟,數據電壓通過T1管對存儲電容CS充電,CS的電壓控製驅動管T2的漏極電流;當掃描線未被選中時,T1截止,儲存在CS上的電荷繼續維持T2的柵極電壓,T2保持導通狀態,故在整個幀周期中,OLED處於恒流控製。
其中(a),(b)被分別稱為恒流源結構與源極跟隨結構,前者OLED處於驅動管T2的漏端,克服了OLED開啟電壓的變化對T2管電流的影響;後者在工藝上更容易實現。兩管電路結構的不足之處在於驅動管T2閾值電壓的不一致將導致逐個顯示屏的亮度的不均勻,OLED的電流和數據電壓呈非線性關係,不利於灰度的調節。
2.三管TFT結構
基於第二代電流傳輸器原理的電壓控製型像素單元電路如圖2所示,虛線左邊可視為外部驅動電路,右邊為單元像素電路。

圖2 基於第二代電流傳輸器原理的像素電路
在控製模式下,T2和T3開啟,T1和運算放大器構成第二代電流傳輸器,由於運算放大器的放大倍數可以取得很大,T1管的閾值電壓對電流的影響變得不敏感,此時,流經T1的電流:
IT1=Vin/Rin
並且T1管源極電壓應低於OLED的開啟電壓,防止OLED開啟。在保持模式下,T2和T3關斷,存儲電容Cs維持T1管的柵極電壓,電流經T1進入OLED。其中放大器由COMS電路實現,所有同行像素可共用一個運算放大器。
仿真結果表明,盡管T3管存在電荷注入與時鍾饋漏效應,使得OLED電流略小於控製電流;在OLED標稱電流為1μA,閾值電壓漂移超過5V時,控製電流、OLED電流相對誤差分別為-0.18%、5.2%,成功補償了TFT的空間不均性和不穩定性。
雖sui然ran電dian壓ya控kong製zhi型xing電dian路lu具ju有you響xiang應ying速su度du快kuai的de特te點dian,但dan由you於yu不bu能neng準zhun確que地di調tiao節jie顯xian示shi的de灰hui度du,難nan以yi滿man足zu顯xian示shi的de需xu求qiu,於yu是shi人ren們men提ti出chu電dian流liu驅qu動dong方fang案an。電dian流liu控kong製zhi型xing單dan元yuan像xiang素su電dian路lu是shi以yi數shu據ju電dian流liu作zuo為wei視shi頻pin信xin號hao的de。

3管電流控製型TFT像素電路

4-TFT電流控製電流鏡像素電路
目前,全球已經有多家公司在從事OLED驅動IC的研究,到目前為止,還沒有完全商業化的AM-OLED的驅動IC。但NextSierra公司已推出了分別集成的TFT-OLED行列驅動NXS1008、NXS1009和控製芯片NXS1010,張誌偉等人采用該係列芯片,通過MCS-51單片機的控製來驅動240×320×3點陣的TFT-OLED屏,實現了大信息量的動態圖形顯示。
由於液晶顯示器件的配套驅動芯片功能比較完善,且價格低廉,所以將此類芯片移用於有源矩陣顯示屏(AM-OLED)成為了國內外當前的研究焦點。顯示驅動IC是目前TFT-OLED的薄弱環節,開發通用或者專用的驅動IC,並集成控製電路,是提高OLED在平板及顯示領域競爭力的重要動力。
推薦閱讀:
特別推薦
- 噪聲中提取真值!瑞盟科技推出MSA2240電流檢測芯片賦能多元高端測量場景
- 10MHz高頻運行!氮矽科技發布集成驅動GaN芯片,助力電源能效再攀新高
- 失真度僅0.002%!力芯微推出超低內阻、超低失真4PST模擬開關
- 一“芯”雙電!聖邦微電子發布雙輸出電源芯片,簡化AFE與音頻設計
- 一機適配萬端:金升陽推出1200W可編程電源,賦能高端裝備製造
技術文章更多>>
- 築基AI4S:摩爾線程全功能GPU加速中國生命科學自主生態
- 一秒檢測,成本降至萬分之一,光引科技把幾十萬的台式光譜儀“搬”到了手腕上
- AI服務器電源機櫃Power Rack HVDC MW級測試方案
- 突破工藝邊界,奎芯科技LPDDR5X IP矽驗證通過,速率達9600Mbps
- 通過直接、準確、自動測量超低範圍的氯殘留來推動反滲透膜保護
技術白皮書下載更多>>
- 車規與基於V2X的車輛協同主動避撞技術展望
- 數字隔離助力新能源汽車安全隔離的新挑戰
- 汽車模塊拋負載的解決方案
- 車用連接器的安全創新應用
- Melexis Actuators Business Unit
- Position / Current Sensors - Triaxis Hall
熱門搜索




