TVS管性能及選型
發布時間:2019-04-01 責任編輯:wenwei
【導讀】TVS(Transient Voltage Suppressor)瞬態電壓抑製器。當兩極受到反向瞬態高能量衝擊時,能以 10 的負 12 次方秒量級的速度,將兩極間的高阻抗變為低阻抗,使兩極間的電壓箝位於一個預定值,有效地保護電子線路中的精密元器件。
一.TVS 管概述
TVS(Transient Voltage Suppressor)瞬態電壓抑製器。當兩極受到反向瞬態高能量衝擊時,能以 10 的負 12 次ci方fang秒miao量liang級ji的de速su度du,將jiang兩liang極ji間jian的de高gao阻zu抗kang變bian為wei低di阻zu抗kang,使shi兩liang極ji間jian的de電dian壓ya箝qian位wei於yu一yi個ge預yu定ding值zhi,有you效xiao地di保bao護hu電dian子zi線xian路lu中zhong的de精jing密mi元yuan器qi件jian。在zai浪lang湧yong電dian壓ya作zuo用yong下xia,TVS 兩極間的電壓由額定反向關斷電壓 VWM 上升到擊穿電壓 VBR,而被擊穿,隨著擊穿電流的出現,流過 TVS 的電流將達到峰值脈衝電流 IPP,同時在其兩端的電壓被鉗位到預定的最大鉗位電壓 VC 以下,其後,隨著脈衝電流按指數衰減,TVS 兩極間的電壓也不斷下降,最後恢複到初態;TVS 管有單向與雙向之分,單向 TVS 管的特性與穩壓二極管相似,雙向 TVS管的特性相當於兩個穩壓二極管反向串聯。
二.其主要特性參數
1、反向截止電壓 VRWM 與反向漏電流 IR:反向截止電壓 VRWM 表示 TVS 管 不導通的最高電壓,在這個電壓下隻有很小的反向漏電流 IR。 2、擊穿電壓 VBR:TVS 管通過規定的測試電流時的電壓,這是表示 TVS 管導 通的標誌電壓。 3、脈衝峰值電流 IPP:TVS 管允許通過的 10/1000μs 波的最大峰值電流(8/20μs 波的峰值電流約為其 5 倍左右),超過這個電流值就可能造成永久性損壞。在同一個係列中,擊穿電壓越高的管子允許通過的峰值電流越小,一般是幾 A~幾十 A。 4、最大箝位電壓 VC:TVS 管流過脈衝峰值電流 IPP 時兩端所呈現的電壓。 5、脈衝峰值功率 Pm: 脈衝峰值功率 Pm 是指 10/1000μs 波的脈衝峰值電流 IPP 與最大箝位電壓 VC 的乘積,即 Pm=IPP*VC;在給定的最大鉗位電壓下, 功耗 PM 越大,其浪湧電流承受能力越大,在給定的功耗 PM 下,鉗位電壓越 低,其浪湧電流的承受能力越大;另外,峰值脈衝功耗還與脈衝波形,持續時間和環境溫度有關:典型的脈衝波形持續時間為 1ms,當施加到二極管上的脈衝波形持續時間小於 TP,則隨著 TP 的減小脈衝峰值功率增加;TVS 所能承受的瞬態脈衝式不重複的,如果電路內出現重複性脈衝,應考慮脈衝功率的累積可能損壞 TVS。 6、穩態功率 P0:TVS 管也可以作穩壓二極管用,這時要使用穩態功率。 7、極間電容 Cj:與壓敏電阻一樣,TVS 管的極間電容 Cj 也較大,且單向的比 雙向的大,功率越大的電容也越大,極間電容會影響 TVS 的響應時間。 8、峰值電流波形:A、正弦半波 B、矩形波 C 、標準波(指數波形) D、三角 波 TVS 峰值電流的試驗波形采用標準波(指數波形),由 TR/TP 決定。 峰值電流上升時間 TR: 電流從 0.1IPP 開始達到 0.9 IPP 的時間。 半峰值電流時間 TP:電流從零開始通過最大峰值後,下降到 0.5IPP 值的時間。 下麵列出典型試驗波形的 TR/TP 值: EMP 波:10ns /1000ns 閃電波:8μs /20μs 標準波:10μs /1000μs
三.優點及缺點
優點:響應速度快(為 ns 級)、瞬態功率大、漏電流低;其 10/1000μs 波脈衝功率從 400W~30KW,脈衝峰值電流從 0、52A~544A;擊穿電壓有從 6、8V~550V 的係列值,便於各種不同電壓的電路使用。 缺點:耐浪湧衝擊能力較放電管和壓敏電阻差; 穩壓二極管:反應較慢;一般用於電壓精度要求高的地方(一般較小),防浪湧,擊穿電壓精準,各壓值檔都有;齊納擊穿; 壓敏電阻:與穩壓二極管相似,但不可恢複;
四.選型依據及注意事項:
1、 TVS 的最大反向鉗位電壓 VC 應小於被保護電路的損壞電壓; 2、TVS 的額定反向關斷電壓 VWM 要大於或等於被保護電路的最大工作電壓, 若選用的 VWM 太低,器件可能進入雪崩或因反向漏電流太大影響電路的正常 工作; 3、 交流電壓隻能用雙向 TVS; 4、在規定的脈衝持續時間內,TVS 的最大峰值脈衝功率 PM 必須大於被保護電路可能出現的峰值脈衝功率,在確定了最大鉗位電壓後,其峰值脈衝電流應大於瞬態浪湧電流; 5、結電容是影響 TVS 在高速線路中使用的關鍵因素,在這種情況下,一般用一個 TVS 管guan和he一yi個ge快kuai恢hui複fu二er極ji管guan以yi背bei對dui背bei的de方fang式shi連lian接jie,由you於yu快kuai恢hui複fu二er極ji管guan有you較jiao小xiao的de結jie電dian容rong,因yin而er二er者zhe串chuan聯lian的de等deng小xiao電dian容rong也ye較jiao小xiao,可ke以yi滿man足zu高gao頻pin使shi用yong的de要yao求qiu; 6、需要考慮降額使用的應用; 應用場合:功率開關電路;整流二極管(與之同向);電源變壓器;防直流電源反接或電源通斷時產生的瞬時脈衝;抑製電機,斷電器線圈,螺線管等感性負載產生的瞬時脈衝電壓;控製係統的輸入輸出端;
使用注意事項:
1、對瞬變電壓的吸收功率峰值與瞬變電壓脈衝寬度間的關係,手冊給的隻是特 定脈寬下的吸收功率峰值,實際線路中的脈衝寬度則變化莫測,事前要有估計,對寬脈衝應降額使用; 2、對小電流負載的保護,可有意識地在電路中增加限流電阻,隻要限流電阻的 阻值合適,不會影響線路的正常工作,但限流電阻對幹擾所產生的電流卻會大大減小,這就有可能選用峰值功率較小的 TVS 管來對小電流負載電路進行保護; 3、對重複出現的瞬變電壓的抑製,要注意 TVS 管的穩態平均功率是否在安全範圍之內; 4、環境溫度升高時要降額使用,TVS 管的引線長短,它與被保護線路的相對距 離;
五.應用舉例
直流電路中選用舉例: 整機直流工作電壓 12V,最大允許安全電壓 25V(峰值),浪湧源的阻抗 50MΩ,其幹擾波形為方波,TP=1ms,最大峰值電流 50A。 選擇: 1、先從工作電壓 12V 選取最大反向工作電壓 VRWM 為 13V,則擊穿電壓為 V(BR)=VRWM/0.85=15.3V; 2、從擊穿電壓值選取最大箝位電壓 VC(MAX)=1.30×V(BR)=19.89V,取 VC=20V; 3、再從箝位電壓 VC 和最在峰值電流 IP 計算出方波脈衝峰值功率: PPR=VC×IP=20×50=1000W 4、計算折合為 TP=1MS 指數波的峰值功率,折合係數 K1=1.4, PPR=1000W÷1.4=715W 交流電路選用舉例: 直(zhi)流(liu)線(xian)路(lu)采(cai)用(yong)單(dan)向(xiang)瞬(shun)變(bian)電(dian)壓(ya)抑(yi)製(zhi)二(er)極(ji)管(guan),交(jiao)流(liu)則(ze)必(bi)須(xu)采(cai)用(yong)雙(shuang)向(xiang)瞬(shun)變(bian)電(dian)壓(ya)抑(yi)製(zhi)二(er)極(ji)管(guan)。交(jiao)流(liu)是(shi)電(dian)網(wang)電(dian)壓(ya),這(zhe)裏(li)產(chan)生(sheng)的(de)瞬(shun)變(bian)電(dian)壓(ya)是(shi)隨(sui)機(ji)的(de),有(you)時(shi)還(hai)遇(yu)到(dao)雷(lei)擊(ji)(雷電感應產生的瞬變電壓)所以很難定量估算出瞬時脈衝功率 PPR。但是對最大反向工作電壓必須有正確的選取。一般原則是交流電壓乘 1.4 倍來選取 TVS 管的最大反向工作電壓。直流電壓則按 1.1—1.2 倍來選取 TVS 管的最大反向工作電壓VRWM。 TVS 保護直流穩壓電源實例:

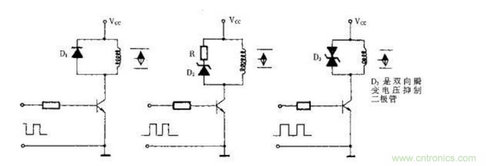
圖tu中zhong是shi一yi個ge直zhi流liu穩wen壓ya電dian源yuan,並bing有you擴kuo大da電dian流liu輸shu出chu的de晶jing體ti管guan,在zai其qi穩wen壓ya輸shu出chu端duan加jia上shang瞬shun變bian電dian壓ya抑yi製zhi二er極ji管guan,可ke以yi保bao護hu使shi用yong該gai電dian源yuan的de儀yi器qi設she備bei,同tong時shi還hai可ke圖tu中zhong是shi一yi個ge直zhi流liu穩wen壓ya電dian源yuan,並bing有you擴kuo大da電dian流liu輸shu出chu的de晶jing體ti管guan,在zai其qi穩wen壓ya輸shu出chu端duan加jia上shang瞬shun
變bian電dian壓ya抑yi製zhi二er極ji管guan,可ke以yi保bao護hu使shi用yong該gai電dian源yuan的de儀yi器qi設she備bei,同tong時shi還hai可ke以yi吸xi收shou電dian路lu中zhong的de集ji電dian極ji到dao發fa射she極ji間jian的de峰feng值zhi電dian壓ya,保bao護hu晶jing體ti管guan,建jian議yi在zai每mei個ge穩wen壓ya電dian源yuan輸shu出chu端duan加jia一yi個geTVS 管,可以大幅度提高整機應用的可靠性;
還有用 TVS 保護晶體管,集成電路,可控矽,功率 MOS 管(在柵源之間加上 瞬變電壓抑製二極管,可防止柵極擊穿),繼電器等; 繼(ji)電(dian)器(qi)的(de)觸(chu)點(dian)往(wang)往(wang)用(yong)大(da)電(dian)流(liu)去(qu)開(kai)關(guan)電(dian)動(dong)機(ji)等(deng)大(da)電(dian)流(liu)電(dian)感(gan)負(fu)載(zai),而(er)電(dian)感(gan)在(zai)開(kai)關(guan)時(shi)有(you)很(hen)高(gao)的(de)反(fan)電(dian)勢(shi),而(er)且(qie)有(you)較(jiao)大(da)的(de)能(neng)量(liang),往(wang)往(wang)把(ba)觸(chu)點(dian)燒(shao)壞(huai)或(huo)擊(ji)穿(chuan)產(chan)生(sheng)電(dian)弧(hu)等(deng),必(bi)須(xu)對(dui)觸(chu)點(dian)采(cai)取(qu)保(bao)護(hu),抑(yi)製(zhi)電(dian)弧(hu)的(de)產(chan)生(sheng),以(yi)保(bao)護(hu)繼(ji)電(dian)器(qi)。但(dan)是(shi)這(zhe)種(zhong)電(dian)弧(hu)產(chan)生(sheng)的(de)浪(lang)湧(yong)電(dian)流(liu)很(hen)大(da),過(guo)去(qu)采(cai)用(yong)電(dian)容(rong)或(huo)者(zhe)用(yong)電(dian)容(rong)串(chuan)聯(lian)電(dian)阻(zu)、二極管、二極管串聯電阻等抑製方案,現在采用瞬變電壓抑製二極管方案效果更好。

推薦閱讀:
特別推薦
- 噪聲中提取真值!瑞盟科技推出MSA2240電流檢測芯片賦能多元高端測量場景
- 10MHz高頻運行!氮矽科技發布集成驅動GaN芯片,助力電源能效再攀新高
- 失真度僅0.002%!力芯微推出超低內阻、超低失真4PST模擬開關
- 一“芯”雙電!聖邦微電子發布雙輸出電源芯片,簡化AFE與音頻設計
- 一機適配萬端:金升陽推出1200W可編程電源,賦能高端裝備製造
技術文章更多>>
- 貿澤EIT係列新一期,探索AI如何重塑日常科技與用戶體驗
- 算力爆發遇上電源革新,大聯大世平集團攜手晶豐明源線上研討會解鎖應用落地
- 創新不止,創芯不已:第六屆ICDIA創芯展8月南京盛大啟幕!
- AI時代,為什麼存儲基礎設施的可靠性決定數據中心的經濟效益
- 矽典微ONELAB開發係列:為毫米波算法開發者打造的全棧工具鏈
技術白皮書下載更多>>
- 車規與基於V2X的車輛協同主動避撞技術展望
- 數字隔離助力新能源汽車安全隔離的新挑戰
- 汽車模塊拋負載的解決方案
- 車用連接器的安全創新應用
- Melexis Actuators Business Unit
- Position / Current Sensors - Triaxis Hall
熱門搜索
微波功率管
微波開關
微波連接器
微波器件
微波三極管
微波振蕩器
微電機
微調電容
微動開關
微蜂窩
位置傳感器
溫度保險絲
溫度傳感器
溫控開關
溫控可控矽
聞泰
穩壓電源
穩壓二極管
穩壓管
無焊端子
無線充電
無線監控
無源濾波器
五金工具
物聯網
顯示模塊
顯微鏡結構
線圈
線繞電位器
線繞電阻



