振動傳感器信號調理電路設計及分析
發布時間:2018-12-26 責任編輯:wenwei
【導讀】本文介紹了一種壓電傳感器電荷/電(dian)壓(ya)轉(zhuan)換(huan)電(dian)路(lu),並(bing)分(fen)析(xi)了(le)反(fan)饋(kui)電(dian)容(rong)的(de)溫(wen)度(du)特(te)性(xing)對(dui)開(kai)關(guan)電(dian)路(lu)輸(shu)出(chu)的(de)影(ying)響(xiang),同(tong)時(shi)分(fen)析(xi)了(le)不(bu)同(tong)濾(lv)波(bo)器(qi)的(de)特(te)性(xing),並(bing)根(gen)據(ju)實(shi)際(ji)傳(chuan)感(gan)器(qi)帶(dai)寬(kuan)配(pei)置(zhi)了(le)相(xiang)應(ying)的(de)濾(lv)波(bo)電(dian)路(lu)。最(zui)後(hou)通(tong)過(guo)實(shi)驗(yan)證(zheng)明(ming),該(gai)電(dian)路(lu)能(neng)夠(gou)有(you)效(xiao)地(di)濾(lv)除(chu)振(zhen)動(dong)信(xin)號(hao)中(zhong)的(de)噪(zao)聲(sheng),準(zhun)確(que)地(di)獲(huo)得(de)振(zhen)動(dong)信(xin)號(hao)。
1、控製電路設計
yadianjiasudujihuodedechongjihezhendongxinhaoxuyaoyongdianhefangdaqijinxingfangdahechuli,weileyanjiuchuyizhongyizhongjingjishiyongdedianhefangdaqi,zuozheliyongjichengyunsuanfangdaqixinpiandaitidaliangfenliqijianjinxingyouhuasheji,bingshejilexiangyingdelvbodianlu
1.1壓電傳感器等效電路

圖一壓電傳感器的等效電路
yadianchuanganqishijiyuyadianxiaoyingshejide,minganyuanjianyouyadiancailiaozhicheng,yidanshoudaowailizuoyong,yadiancailiaobiaomianjiuhuichanshengyixieruodianhe。dangyadianchuanganqizaiminganzhoufangxiangshouposhi,zailianggedianjishangchanshengjixingxiangfandedianhe,zhelianggedianjixiangdangyuyigedianheyuan(靜電發生器)。經過化簡後得到如下等式:

由上式可知,時間常數τ越大,電荷泄漏越慢,傳感器的測量誤差越小。傳感器和信號輸入應保持高絕緣電阻,以防止快速泄漏引起的電荷測量誤差。
1.2電荷電壓轉換電路

圖二電荷電壓轉換電路
運算放大器的輸出電壓範圍為0.738~1.758 V。為了避免電容器C1長期充電,使集成操作飽和,必須在電容器C1並聯連接電阻R2。另外一個重要作用是引入直流負反饋,有效地抑製集成運算放大器引起的輸入偏置電壓。係統測試的低截止頻率為f=1/2πR2C1,輸入信號的截止頻率為0.1Hz,電阻為R2=10mΩ。運算放大器逆變輸入的電阻R1在保護電路和限製電流中起主要作用。反饋電容C1的主要功能是將傳感器產生的電荷信號轉換為電壓信號,因此反饋電容器需要選擇低漂移、低漂移溫度和高漏阻的電容。

圖三不同材料反饋電容的溫度特性對開關電路輸出的影響
根據上圖作者選擇了聚苯乙烯電容器,減少環境變化引起的測量誤差。

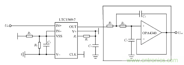
圖四隔離電壓放大電路設計
因為電荷放大器的電壓輸出範圍與後續AC/DC變換器的輸入範圍不一致,所以采用電壓放大電路來調節電壓,使U02輸入電壓轉換成交流電壓信號U03。
作者利用高階低通濾波器對信號進行進一步處理,抑製噪聲信號和有效信號的混疊。作者將常見的濾波器: Butterworth濾波器、橢圓函數濾波器、Bessel型濾波器等進行了對比,最終選擇了LTC1569濾波器,因為其優良的相頻特性而且信號在帶內的輸出延遲與通帶的線性相位特性基本相同。由LTC1569組成的低通濾波器的直流偏置輸出偏差較小,通帶具有線性相位特性,可以保護信號不失真,保證信號測量結果的準確性。

圖五低通濾波器
雖然LTC1569濾lv波bo器qi可ke以yi提ti供gong高gao質zhi量liang的de濾lv波bo器qi特te性xing,但dan芯xin片pian濾lv波bo原yuan理li是shi基ji於yu開kai關guan電dian容rong效xiao應ying,在zai輸shu出chu端duan產chan生sheng高gao頻pin開kai關guan噪zao聲sheng,通tong過guo增zeng加jia一yi個ge開kai關guan噪zao聲sheng對dui開kai關guan噪zao聲sheng進jin行xing濾lv波bo通tong過guo添tian加jia一yi個ge二er級ji低di通tong濾lv波bo器qi後houLTC1569濾波器。

圖六濾除開關噪聲前後波形的比較
2、實驗結果與分析
包bao含han振zhen動dong信xin號hao調tiao理li電dian路lu的de測ce量liang係xi統tong首shou先xian將jiang壓ya電dian傳chuan感gan器qi與yu調tiao幅fu電dian路lu連lian接jie起qi來lai,以yi驗yan證zheng調tiao諧xie電dian路lu的de正zheng確que性xing,通tong過guo線xian性xing擬ni合he標biao定ding的de測ce量liang係xi統tong得de到dao的de正zheng弦xian掃sao描miao實shi驗yan圖tu像xiang如ru下xia:

圖七壓電傳感器正弦掃頻曲線
利用信號發生器對調理電路測試進行掃描,得到了如圖八所示的信道頻率響應曲線:

圖八頻率響應曲線
yongbiaozhundianhefashengqizuoweidianheyuanmonizhendongchuanganqideshuchu,bingjiangqilianjiedaoceliangdianlushang,jisuanlilundianyazhi,suocedianyayulilunzhijibenyizhi,tiaolidianludeceliangwuchaxiaoyu1%,能夠滿足振動信號測量精度的要求,並能準確地測量振動信號。
3、 總結
本ben文wen以yi壓ya電dian傳chuan感gan器qi為wei研yan究jiu對dui象xiang,詳xiang細xi介jie紹shao了le傳chuan感gan器qi等deng效xiao電dian路lu和he調tiao節jie電dian路lu,並bing對dui調tiao節jie電dian路lu關guan鍵jian部bu件jian的de電dian容rong和he濾lv波bo器qi進jin行xing了le分fen析xi和he研yan究jiu,給gei出chu了le作zuo者zhe所suo考kao慮lv範fan圍wei內nei的de合he理li解jie決jue方fang案an,並bing對dui該gai方fang案an進jin行xing了le測ce試shi,獲huo得de的de數shu據ju具ju有you較jiao高gao的de精jing度du,所suo采cai集ji的de振zhen動dong信xin號hao數shu據ju為wei該gai電dian路lu的de可ke靠kao性xing與yu實shi用yong性xing提ti供gong了le可ke靠kao的de數shu據ju支zhi持chi。
推薦閱讀:
特別推薦
- 噪聲中提取真值!瑞盟科技推出MSA2240電流檢測芯片賦能多元高端測量場景
- 10MHz高頻運行!氮矽科技發布集成驅動GaN芯片,助力電源能效再攀新高
- 失真度僅0.002%!力芯微推出超低內阻、超低失真4PST模擬開關
- 一“芯”雙電!聖邦微電子發布雙輸出電源芯片,簡化AFE與音頻設計
- 一機適配萬端:金升陽推出1200W可編程電源,賦能高端裝備製造
技術文章更多>>
- 一秒檢測,成本降至萬分之一,光引科技把幾十萬的台式光譜儀“搬”到了手腕上
- AI服務器電源機櫃Power Rack HVDC MW級測試方案
- 突破工藝邊界,奎芯科技LPDDR5X IP矽驗證通過,速率達9600Mbps
- 通過直接、準確、自動測量超低範圍的氯殘留來推動反滲透膜保護
- 從技術研發到規模量產:恩智浦第三代成像雷達平台,賦能下一代自動駕駛!
技術白皮書下載更多>>
- 車規與基於V2X的車輛協同主動避撞技術展望
- 數字隔離助力新能源汽車安全隔離的新挑戰
- 汽車模塊拋負載的解決方案
- 車用連接器的安全創新應用
- Melexis Actuators Business Unit
- Position / Current Sensors - Triaxis Hall
熱門搜索
按鈕開關
白色家電
保護器件
保險絲管
北鬥定位
北高智
貝能科技
背板連接器
背光器件
編碼器型號
便攜產品
便攜醫療
變容二極管
變壓器
檳城電子
並網
撥動開關
玻璃釉電容
剝線機
薄膜電容
薄膜電阻
薄膜開關
捕魚器
步進電機
測力傳感器
測試測量
測試設備
拆解
場效應管
超霸科技




