一招教你如何製作一個全兼容快充適配器
發布時間:2018-07-19 責任編輯:wenwei
【導讀】目前快充市場可謂“百花齊放”,各種快充協議讓人眼花繚亂。高通QC2.0/3.0、MTKPE 1.0/2.0和USB PD高壓快充占據市場大壁江山;華為Super Charger、OPPO VOOC、努比亞NeoCharger、高通QC 4.0以及MTK PE3.0低壓直充也發展迅速;魅族、小米、OPPO以及錘子等手機品牌也正在研究更大功率的電荷泵高壓直充充電技術。
快(kuai)充(chong)業(ye)界(jie)尚(shang)未(wei)形(xing)成(cheng)統(tong)一(yi)協(xie)議(yi),各(ge)種(zhong)協(xie)議(yi)互(hu)不(bu)兼(jian)容(rong),用(yong)戶(hu)使(shi)用(yong)起(qi)來(lai)諸(zhu)多(duo)不(bu)便(bian)。將(jiang)各(ge)種(zhong)快(kuai)充(chong)協(xie)議(yi)放(fang)到(dao)一(yi)個(ge)芯(xin)片(pian)內(nei)做(zuo)一(yi)個(ge)全(quan)協(xie)議(yi)兼(jian)容(rong)的(de)方(fang)案(an),可(ke)以(yi)一(yi)定(ding)程(cheng)度(du)上(shang)解(jie)決(jue)兼(jian)容(rong)性(xing)難(nan)題(ti)。
易能推出的EDP3032,是為全協議快充適配器設計的一顆 SOC 芯片,內部集成 QC2.0、QC3.0、PE1.0、AFC、FCP、SCP、 VOOC、BC1.2 DCP、APPLE 2.4A 快充協議;支持輸出電壓自適應,還集成了輸出欠壓、過壓、短路保護等多重安全保護功能。
如何利用易能的EDP3032芯片製作一個18W全協議兼容的快充適配器?請看下文。

圖1: 18W全兼容適配器
1.所需要的BOM貼片清單

圖2:BOM貼片清單
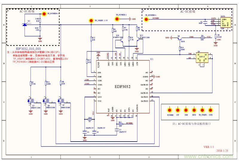
2.電路原理圖

圖3:電路原理圖
3.PCB設計
(1)IC下麵需敷銅散熱,IC襯底要連接到PGND,散熱麵積盡量大,襯底焊盤打通孔到PCB底層,並適當露銅皮增強散熱。
(2)LDO18腳的10uF電容要靠近芯片管腳;AGND用單點接連的方式回到PGND。
(3)采樣電阻CSP,CSN端Layout應遵循如下規則:
① CSP,CSN走線要盡量避開幹擾源器件比如電感、環路MOS、Vout等;
② CSP,CSN走線盡量在同一層,減少打孔的情況;
③ CSP,CSN兩條線都必須靠近采樣電阻,從采樣電阻兩端平行走線接入芯片且盡量靠近芯片,采樣電阻到芯片端之間的連線不得過電流。同理,CSN也不可以直接和PGND相連。

圖4:焊盤

圖5:正確做法

圖6:錯誤做法
④ 大電流通路(升降壓環路部分電路:BAT–電感–MOS--VOUT):盡量走在同一層,而且盡量粗短,同時地的麵積也盡量增大且要完整,從而增加散熱,減小紋波並降低EMC幹擾。
⑤ USB口外殼不可以直接接GND。由於某些USB線負極與外殼相連,而采樣電阻需要接在接口負極與GND中間,若兩者相連會導致采樣電阻短路。
⑥ 為保證散熱,EMC等性能最佳,推薦使用四層板。
推薦閱讀:
特別推薦
- 噪聲中提取真值!瑞盟科技推出MSA2240電流檢測芯片賦能多元高端測量場景
- 10MHz高頻運行!氮矽科技發布集成驅動GaN芯片,助力電源能效再攀新高
- 失真度僅0.002%!力芯微推出超低內阻、超低失真4PST模擬開關
- 一“芯”雙電!聖邦微電子發布雙輸出電源芯片,簡化AFE與音頻設計
- 一機適配萬端:金升陽推出1200W可編程電源,賦能高端裝備製造
技術文章更多>>
- 築基AI4S:摩爾線程全功能GPU加速中國生命科學自主生態
- 一秒檢測,成本降至萬分之一,光引科技把幾十萬的台式光譜儀“搬”到了手腕上
- AI服務器電源機櫃Power Rack HVDC MW級測試方案
- 突破工藝邊界,奎芯科技LPDDR5X IP矽驗證通過,速率達9600Mbps
- 通過直接、準確、自動測量超低範圍的氯殘留來推動反滲透膜保護
技術白皮書下載更多>>
- 車規與基於V2X的車輛協同主動避撞技術展望
- 數字隔離助力新能源汽車安全隔離的新挑戰
- 汽車模塊拋負載的解決方案
- 車用連接器的安全創新應用
- Melexis Actuators Business Unit
- Position / Current Sensors - Triaxis Hall
熱門搜索




