怎樣為FPGA選擇最合適的電源管理方案?
發布時間:2018-05-14 來源:Frederik Dostal 責任編輯:lina
【導讀】為FPGA應(ying)用(yong)設(she)計(ji)優(you)秀(xiu)電(dian)源(yuan)管(guan)理(li)解(jie)決(jue)方(fang)案(an)不(bu)是(shi)一(yi)項(xiang)簡(jian)單(dan)的(de)任(ren)務(wu),相(xiang)關(guan)技(ji)術(shu)討(tao)論(lun)有(you)很(hen)多(duo)。本(ben)文(wen)一(yi)方(fang)麵(mian)旨(zhi)在(zai)找(zhao)到(dao)正(zheng)確(que)解(jie)決(jue)方(fang)案(an)並(bing)選(xuan)擇(ze)最(zui)合(he)適(shi)的(de)電(dian)源(yuan)管(guan)理(li)產(chan)品(pin),另(ling)一(yi)方(fang)麵(mian)則(ze)是(shi)如(ru)何(he)優(you)化(hua)實(shi)際(ji)解(jie)決(jue)方(fang)案(an)以(yi)用(yong)於(yu)FPGA。
找到合適的電源解決方案
尋找為FPGA供電的最佳解決方案並不簡單。許多供應商以適合為FPGA供電的名義推銷某些產品。為FPGA供電的DC-DC轉換器選擇有何特定要求?其實並不多。一般而言,所有電源轉換器都可用來為FPGA供電。推薦某些產品通常是基於以下事實:許多FPGA應用需要多個電壓軌,例如用於FPGA內核和I/O,還可能需要額外的電壓軌來用於DDR存儲器。將多個DC-DC轉換器全部集成到單個穩壓器芯片中的PMIC(電源管理集成電路)常常是首選。
一種為特定FPGA尋找優秀供電解決方案的流行方法是使用許多FPGA供應商都提供的已有電源管理參考設計。這對於優化設計來說是一個很好的入門方式。但此類設計往往需要修改,因為FPGA係統通常需要額外的電壓軌和負載,這些也需要供電。在參考設計上增加一些東西常常也是必要的。還有一件事需要考慮,那就是FPGA的輸入電源不是固定的。輸入電壓在很大程度上取決於實際的邏輯電平以及FPGA所(suo)實(shi)現(xian)的(de)設(she)計(ji)。完(wan)成(cheng)對(dui)電(dian)源(yuan)管(guan)理(li)參(can)考(kao)設(she)計(ji)的(de)修(xiu)改(gai)之(zhi)後(hou),它(ta)看(kan)起(qi)來(lai)將(jiang)與(yu)最(zui)初(chu)的(de)參(can)考(kao)設(she)計(ji)不(bu)同(tong)。可(ke)能(neng)有(you)人(ren)會(hui)辯(bian)稱(cheng),最(zui)好(hao)的(de)解(jie)決(jue)方(fang)案(an)是(shi)根(gen)本(ben)不(bu)用(yong)電(dian)源(yuan)管(guan)理(li)參(can)考(kao)設(she)計(ji),而(er)是(shi)直(zhi)接(jie)將(jiang)所(suo)需(xu)的(de)電(dian)壓(ya)軌(gui)和(he)電(dian)流(liu)輸(shu)入(ru)到(dao)電(dian)源(yuan)管(guan)理(li)選(xuan)型(xing)與(yu)優(you)化(hua)工(gong)具(ju)中(zhong),例(li)如(ru)ADI公司的 LTpowerCAD等。

圖1. 通過LTpowerCAD工具選擇合適的DC-DC轉換器來為FPGA供電。
LTpowerCAD可用來為各個電壓軌提供電源解決方案。它還提供一係列參考設計,以讓設計人員快速入門。LTpowerCAD可以從ADI公司網站免費下載。
一旦選擇了電源架構和各個電壓轉換器,就需要選擇合適的無源元件來設計電源。做這件事時,需要牢記FPGA的特殊負載要求。
它們分別是:
●各項電流需求
●電壓軌時序控製
●電壓軌單調上升
●快速電源瞬變
●電壓精度
各項電流需求
FPGA的實際電流消耗在很大程度上取決於使用情況。不同的時鍾和不同的FPGA內容需要不同的功率。因此,在FPGA係統的設計過程中,典型FPGA設計的最終電源規格必然會發生變化。FPGA製zhi造zao商shang提ti供gong的de功gong率lv估gu算suan工gong具ju有you助zhu於yu計ji算suan解jie決jue方fang案an所suo需xu的de功gong率lv等deng級ji。在zai構gou建jian實shi際ji硬ying件jian之zhi前qian,獲huo得de這zhe些xie信xin息xi會hui非fei常chang有you用yong。但dan是shi,為wei了le利li用yong此ci類lei功gong率lv估gu算suan工gong具ju獲huo得de有you意yi義yi的de結jie果guo,FPGA的設計必須最終確定,或者至少接近最終完成。
通常情況下,工程師設計電源時考慮的是最大FPGA電流。如果最終發現實際FPGA設計需要的功率更少,設計人員就會縮減電源。
電壓軌時序控製
許多FPGA要求不同電源電壓軌以特定順序上電。內核電壓的供應往往需要早於I/O電壓的供應,否則一些FPGA會被損壞。為了避免這種情況,電源需要按正確的順序上電。使用標準DC-DC轉zhuan換huan器qi上shang的de使shi能neng引yin腳jiao,可ke以yi輕qing鬆song實shi現xian簡jian單dan的de上shang電dian時shi序xu控kong製zhi。然ran而er,器qi件jian關guan斷duan通tong常chang也ye需xu要yao時shi序xu控kong製zhi。僅jin執zhi行xing使shi能neng引yin腳jiao時shi序xu控kong製zhi,很hen難nan取qu得de良liang好hao的de結jie果guo。更geng好hao的de解jie決jue辦ban法fa是shi使shi用yong具ju有you高gao級ji集ji成cheng時shi序xu控kong製zhi功gong能neng的dePMIC,例如 ADP5014。圖2中用紅色表示的特殊電路模塊支持調整上電和關斷時序。

圖2. ADP5014 PMIC集成了對靈活控製上電/關斷時序的支持。
圖3顯示了利用此器件實現的時序控製。通過ADP5014上的延遲(DL)引腳可以輕鬆調整上電和關斷時序的時間延遲。
如果使用多個單獨的電源,增加時序控製芯片便可實現所需的上電/關斷順序。一個例子是LTC2924,它既能控製DC-DC轉換器的使能引腳來打開和關閉電源,也能驅動高端N溝道MOSFET來將FPGA與某個電壓軌連接和斷開。

圖3. 多個FPGA電源電壓的啟動和關斷順序。
電壓軌單調上升
除了電壓時序之外,啟動過程中還可能要求電壓單調上升。這意味著電壓僅線性上升,如圖4中的電壓A所示。此圖中的電壓B是(shi)電(dian)壓(ya)非(fei)單(dan)調(tiao)上(shang)升(sheng)的(de)例(li)子(zi)。在(zai)啟(qi)動(dong)過(guo)程(cheng)中(zhong),當(dang)電(dian)壓(ya)上(shang)升(sheng)到(dao)一(yi)定(ding)電(dian)平(ping)時(shi)負(fu)載(zai)開(kai)始(shi)拉(la)大(da)電(dian)流(liu),就(jiu)會(hui)發(fa)生(sheng)這(zhe)種(zhong)情(qing)況(kuang)。防(fang)止(zhi)這(zhe)種(zhong)情(qing)況(kuang)的(de)一(yi)種(zhong)辦(ban)法(fa)是(shi)延(yan)長(chang)電(dian)源(yuan)的(de)軟(ruan)啟(qi)動(dong)時(shi)間(jian),並(bing)選(xuan)擇(ze)能(neng)夠(gou)快(kuai)速(su)提(ti)供(gong)大(da)量(liang)電(dian)流(liu)的(de)電(dian)源(yuan)轉(zhuan)換(huan)器(qi)。

圖4. 電壓A單調上升,電壓B非單調上升。
快速電源瞬變
FPGA的另一個特點是它會非常迅速地開始抽取大量電流。這會在電源上造成很高的負載瞬變。出於這個原因,許多FPGA需要大量的輸入電壓去耦。陶瓷電容非常靠近地用在器件的VCORE和GND引腳之間。高達1 mF的值非常常見。如此高電容有助於降低對電源提供非常高峰值電流的需求。但是,許多開關穩壓器和LDO規定了最大輸出電容。FPGA的輸入電容要求可能超過電源允許的最大輸出電容。
dianyuanbuxihuanfeichangdadeshuchudianrong,yinweizaiqidongqijian,kaiguanwenyaqideshuchudianrongkanlaixiangshiduanlude。duiciwentiyouyigejiejuebanfa。jiaochangderuanqidongshijiankeyirangdadianrongzushangdedianyawendingdishenggao,dianyuanbuhuijinruduanluxianliumoshi。

圖5. 很多FPGA的輸入電容要求。
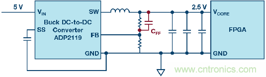
一(yi)些(xie)電(dian)源(yuan)轉(zhuan)換(huan)器(qi)不(bu)喜(xi)歡(huan)過(guo)大(da)輸(shu)出(chu)電(dian)容(rong)的(de)另(ling)一(yi)個(ge)原(yuan)因(yin)是(shi)該(gai)電(dian)容(rong)值(zhi)會(hui)成(cheng)為(wei)調(tiao)節(jie)環(huan)路(lu)的(de)一(yi)部(bu)分(fen)。集(ji)成(cheng)環(huan)路(lu)補(bu)償(chang)的(de)轉(zhuan)換(huan)器(qi)不(bu)允(yun)許(xu)輸(shu)出(chu)電(dian)容(rong)過(guo)大(da),以(yi)防(fang)止(zhi)穩(wen)壓(ya)器(qi)的(de)環(huan)路(lu)不(bu)穩(wen)定(ding)。在(zai)高(gao)端(duan)反(fan)饋(kui)電(dian)阻(zu)上(shang)使(shi)用(yong)前(qian)饋(kui)電(dian)容(rong)常(chang)常(chang)可(ke)以(yi)影(ying)響(xiang)控(kong)製(zhi)環(huan)路(lu),如(ru)圖(tu)6所示。

圖6. 當沒有環路補償引腳可用時,利用前饋電容可以調節控製環路。
針對電源的負載瞬變和啟動行為,開發工具鏈(包括LTpower-CAD,尤其是LTspice)非常有幫助。該工具可以很好的建模和仿真,從而有效實現FPGA的大輸入電容與電源的輸出電容的去耦。圖6展示了這一概念。雖然POL(負載端)電源的位置往往靠近負載,但在電源和FPGA輸入電容之間常常存在一些PCB走線。當電路板上有多個彼此相鄰的FPGA輸shu入ru電dian容rong時shi,離li電dian源yuan最zui遠yuan的de那na些xie電dian容rong對dui電dian源yuan傳chuan遞di函han數shu的de影ying響xiang較jiao小xiao,因yin為wei它ta們men之zhi間jian不bu僅jin存cun在zai一yi些xie電dian阻zu,還hai存cun在zai寄ji生sheng走zou線xian電dian感gan。這zhe些xie寄ji生sheng電dian感gan允yun許xuFPGA的輸入電容大於電源輸出電容的最大限值,即使所有電容都連接到電路板上的同一節點也無妨。在LTspice中,可以將寄生走線電感添加到原理圖中,並且可以模擬這些影響。當電路建模中包含足夠的寄生元件時,仿真結果接近實際結果。

圖7. 電源輸出電容與FPGA輸入電容之間的寄生去耦。
電壓精度
FPGA電源的電壓精度通常要求非常高。3%的變化容差帶是相當常見的。例如,為使0.85 V的Stratix V內核電壓軌保持在3%的電壓精度窗口內,要求全部容差帶僅為25.5 mV。這個小窗口包括負載瞬變後的電壓變化以及直流精度。同樣,對於此類嚴格要求,包括LTpowerCAD和LTspice在內的可用電源工具鏈在電源設計過程中非常重要。
最後一點建議是關於FPGAshurudianrongdexuanze。weilekuaisutigongdadianliu,tongchangxuanzetaocidianrong。cileidianronghenshihezhezhongyongtu,danxuyaoxiaoxinxuanze,shiqizhenshidianrongzhibusuizhiliupianzhidianyaerxiajiang。yixietaocidianrong,youqishiY5U型,當直流偏置電壓接近其最大額定直流電壓時,其真實電容值會降低到隻有標稱值的20%。
推薦閱讀:
推薦閱讀:
特別推薦
- 噪聲中提取真值!瑞盟科技推出MSA2240電流檢測芯片賦能多元高端測量場景
- 10MHz高頻運行!氮矽科技發布集成驅動GaN芯片,助力電源能效再攀新高
- 失真度僅0.002%!力芯微推出超低內阻、超低失真4PST模擬開關
- 一“芯”雙電!聖邦微電子發布雙輸出電源芯片,簡化AFE與音頻設計
- 一機適配萬端:金升陽推出1200W可編程電源,賦能高端裝備製造
技術文章更多>>
- 築基AI4S:摩爾線程全功能GPU加速中國生命科學自主生態
- 一秒檢測,成本降至萬分之一,光引科技把幾十萬的台式光譜儀“搬”到了手腕上
- AI服務器電源機櫃Power Rack HVDC MW級測試方案
- 突破工藝邊界,奎芯科技LPDDR5X IP矽驗證通過,速率達9600Mbps
- 通過直接、準確、自動測量超低範圍的氯殘留來推動反滲透膜保護
技術白皮書下載更多>>
- 車規與基於V2X的車輛協同主動避撞技術展望
- 數字隔離助力新能源汽車安全隔離的新挑戰
- 汽車模塊拋負載的解決方案
- 車用連接器的安全創新應用
- Melexis Actuators Business Unit
- Position / Current Sensors - Triaxis Hall
熱門搜索
微波功率管
微波開關
微波連接器
微波器件
微波三極管
微波振蕩器
微電機
微調電容
微動開關
微蜂窩
位置傳感器
溫度保險絲
溫度傳感器
溫控開關
溫控可控矽
聞泰
穩壓電源
穩壓二極管
穩壓管
無焊端子
無線充電
無線監控
無源濾波器
五金工具
物聯網
顯示模塊
顯微鏡結構
線圈
線繞電位器
線繞電阻




