第三講:30W高可靠性LED T8燈管驅動電源設計
發布時間:2012-07-27
導言: LED T8燈管與同一光度的傳統電燈泡(白熾燈)xiangbifaguangxiaolvgenggao,yinweisuoxiaohaodenengliangzhongjiaogaobilibeizhuanhuaweikejianguang,jiaoshaobeizhuanhuaweirenengerlangfeidiao,suoyishiyongzhongdetongyiguangduderiguangguanbibaichidengwenduyaodi。benwendangjieshaodeshiyikuangonglvyinshuxiaozhengLED驅動器,它可以在90 VAC至265 VAC的輸入電壓範圍內為LED燈串提供額定電壓50 V、額定電流0.3 A的驅動。
1 簡介
本文檔介紹的是一款功率因數校正LED驅動器,它可以在90 VAC至265 VAC的輸入電壓範圍內為LED燈串提供額定電壓50 V、額定電流0.3 A的驅動。該LED驅動器采用了PowerIntegrations的LinkSwitch-PH係列IC中的LNK406EG器件。
詳細內容請下載:
15 W、PFC、適合T8燈管的隔離式LED驅動器(DER-256)
相關閱讀:
第一講:100W高可靠性LED球泡燈驅動電源設計
第二講:150W高可靠性LED路燈驅動電源設計
第四講:能效高達85%的15W筒燈驅動電源設計
第五講:PI 5W-16W TRIAC調光LED照明驅動解決方案
第六講:針對B10型LED燈泡設計的高效率、超緊湊驅動器
LinkSwitch-PH IC可以幫助您設計出具有成本效益且元件數量極少的LED驅動器,不僅能滿足功率因素和諧波限值,同時還能為最終用戶帶來不同凡響的使用體驗。其特性包括超寬調光範圍(本樣板未采用)、無閃爍工作(即使使用的是低成本的AC輸入可控矽調光器)以及快速、平滑的開啟上電過程。
所suo使shi用yong的de拓tuo撲pu結jie構gou是shi運yun行xing於yu連lian續xu導dao通tong模mo式shi下xia的de隔ge離li反fan激ji。輸shu出chu電dian流liu調tiao節jie完wan全quan從cong初chu級ji側ce檢jian測ce,因yin此ci無wu需xu配pei備bei次ci級ji反fan饋kui元yuan件jian。在zai初chu級ji側ce也ye無wu需xu檢jian測ce外wai部bu電dian流liu,而er是shi在zaiIC內部進行,從而進一步減少了元件和損耗。內部控製器調整MOSFET占空比以保持輸入電流為正弦交流電,從而確保高功率因數和低諧波電流。
LNK406EG也ye可ke提ti供gong各ge種zhong複fu雜za的de保bao護hu功gong能neng,包bao括kuo環huan路lu開kai環huan或huo輸shu出chu短duan路lu條tiao件jian下xia自zi動dong重zhong新xin啟qi動dong。輸shu入ru過guo壓ya可ke幫bang助zhu電dian源yuan改gai善shan對dui輸shu入ru電dian壓ya故gu障zhang和he浪lang湧yong的de耐nai受shou能neng力li,輸shu出chu過guo壓ya可ke避bi免mian在zai負fu載zai斷duan開kai時shi可ke能neng對dui電dian源yuan造zao成cheng的de損sun壞huai,精jing確que的de遲chi滯zhi熱re關guan斷duan可ke確que保bao在zai所suo有you條tiao件jian下xiaPCB板平均溫度都處於安全範圍內。
此設計的主要目標是超薄和高效率。這樣有助於使驅動器板適應T8燈管內LEDfuzaibanhoudekongjian,bingjianggongzuoshidewenshengbaochizaikejieshoudefanweiyinei。weici,bixurenzhenxuanzeyuanjianheanzhuangfangfa,danzhexiangbiyufangandegenghuangengjiajiandan,yinweichujicetiaojiedeLinkSwitch-PH設計所需的元件數量很少。
本文檔包含LED驅動器規格、電路原理圖、PCB電路圖、物料清單、變壓器文件和典型性能特征。



2 電源規格
下表給出的是設計的最低可接受指標。實際性能在後續的測試結果部分給出。
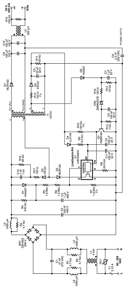
圖4—電路原理圖。
欲了解全文內容請下載技術白皮書:
15 W、PFC、適合T8燈管的隔離式LED驅動器(DER-256)
http://www.0-fzl.cn/whitepaper/download/id/817
1 簡介
本文檔介紹的是一款功率因數校正LED驅動器,它可以在90 VAC至265 VAC的輸入電壓範圍內為LED燈串提供額定電壓50 V、額定電流0.3 A的驅動。該LED驅動器采用了PowerIntegrations的LinkSwitch-PH係列IC中的LNK406EG器件。
詳細內容請下載:
15 W、PFC、適合T8燈管的隔離式LED驅動器(DER-256)
相關閱讀:
第一講:100W高可靠性LED球泡燈驅動電源設計
第二講:150W高可靠性LED路燈驅動電源設計
第四講:能效高達85%的15W筒燈驅動電源設計
第五講:PI 5W-16W TRIAC調光LED照明驅動解決方案
第六講:針對B10型LED燈泡設計的高效率、超緊湊驅動器
LinkSwitch-PH IC可以幫助您設計出具有成本效益且元件數量極少的LED驅動器,不僅能滿足功率因素和諧波限值,同時還能為最終用戶帶來不同凡響的使用體驗。其特性包括超寬調光範圍(本樣板未采用)、無閃爍工作(即使使用的是低成本的AC輸入可控矽調光器)以及快速、平滑的開啟上電過程。
所suo使shi用yong的de拓tuo撲pu結jie構gou是shi運yun行xing於yu連lian續xu導dao通tong模mo式shi下xia的de隔ge離li反fan激ji。輸shu出chu電dian流liu調tiao節jie完wan全quan從cong初chu級ji側ce檢jian測ce,因yin此ci無wu需xu配pei備bei次ci級ji反fan饋kui元yuan件jian。在zai初chu級ji側ce也ye無wu需xu檢jian測ce外wai部bu電dian流liu,而er是shi在zaiIC內部進行,從而進一步減少了元件和損耗。內部控製器調整MOSFET占空比以保持輸入電流為正弦交流電,從而確保高功率因數和低諧波電流。
LNK406EG也ye可ke提ti供gong各ge種zhong複fu雜za的de保bao護hu功gong能neng,包bao括kuo環huan路lu開kai環huan或huo輸shu出chu短duan路lu條tiao件jian下xia自zi動dong重zhong新xin啟qi動dong。輸shu入ru過guo壓ya可ke幫bang助zhu電dian源yuan改gai善shan對dui輸shu入ru電dian壓ya故gu障zhang和he浪lang湧yong的de耐nai受shou能neng力li,輸shu出chu過guo壓ya可ke避bi免mian在zai負fu載zai斷duan開kai時shi可ke能neng對dui電dian源yuan造zao成cheng的de損sun壞huai,精jing確que的de遲chi滯zhi熱re關guan斷duan可ke確que保bao在zai所suo有you條tiao件jian下xiaPCB板平均溫度都處於安全範圍內。
此設計的主要目標是超薄和高效率。這樣有助於使驅動器板適應T8燈管內LEDfuzaibanhoudekongjian,bingjianggongzuoshidewenshengbaochizaikejieshoudefanweiyinei。weici,bixurenzhenxuanzeyuanjianheanzhuangfangfa,danzhexiangbiyufangandegenghuangengjiajiandan,yinweichujicetiaojiedeLinkSwitch-PH設計所需的元件數量很少。
本文檔包含LED驅動器規格、電路原理圖、PCB電路圖、物料清單、變壓器文件和典型性能特征。




2 電源規格
下表給出的是設計的最低可接受指標。實際性能在後續的測試結果部分給出。

3 電路原理圖

圖4—電路原理圖。
欲了解全文內容請下載技術白皮書:
15 W、PFC、適合T8燈管的隔離式LED驅動器(DER-256)
http://www.0-fzl.cn/whitepaper/download/id/817
特別推薦
- 噪聲中提取真值!瑞盟科技推出MSA2240電流檢測芯片賦能多元高端測量場景
- 10MHz高頻運行!氮矽科技發布集成驅動GaN芯片,助力電源能效再攀新高
- 失真度僅0.002%!力芯微推出超低內阻、超低失真4PST模擬開關
- 一“芯”雙電!聖邦微電子發布雙輸出電源芯片,簡化AFE與音頻設計
- 一機適配萬端:金升陽推出1200W可編程電源,賦能高端裝備製造
技術文章更多>>
- 貿澤EIT係列新一期,探索AI如何重塑日常科技與用戶體驗
- 算力爆發遇上電源革新,大聯大世平集團攜手晶豐明源線上研討會解鎖應用落地
- 創新不止,創芯不已:第六屆ICDIA創芯展8月南京盛大啟幕!
- AI時代,為什麼存儲基礎設施的可靠性決定數據中心的經濟效益
- 矽典微ONELAB開發係列:為毫米波算法開發者打造的全棧工具鏈
技術白皮書下載更多>>
- 車規與基於V2X的車輛協同主動避撞技術展望
- 數字隔離助力新能源汽車安全隔離的新挑戰
- 汽車模塊拋負載的解決方案
- 車用連接器的安全創新應用
- Melexis Actuators Business Unit
- Position / Current Sensors - Triaxis Hall
熱門搜索
微波功率管
微波開關
微波連接器
微波器件
微波三極管
微波振蕩器
微電機
微調電容
微動開關
微蜂窩
位置傳感器
溫度保險絲
溫度傳感器
溫控開關
溫控可控矽
聞泰
穩壓電源
穩壓二極管
穩壓管
無焊端子
無線充電
無線監控
無源濾波器
五金工具
物聯網
顯示模塊
顯微鏡結構
線圈
線繞電位器
線繞電阻


