第二講:保險絲的應用方案及常見問題解答
發布時間:2012-01-17 來源:CNT Networks
中心議題:
- 保險絲的三項基本功能
- 貼片保險絲在單節鋰電池上的應用
- 保險絲在LED照明燈具中的應用
- 雙保險絲為大電流板級電路提供有效保護
- 保險絲應用設計的常見問題
相關閱讀:
【Class1】常用過壓、過流、過溫保護器件之選型技巧
http://www.0-fzl.cn/art/artinfo/id/80015099
zaidianludeguoliubaohushejizhong,jingchangshiyongdaobaoxiansi,huanjuhuashuo,heliyingyongbaoxiansiduiyushejikekaodeguoliubaohudianlufeichangzhongyao。benwenjiangzaijieshaobaoxiansidejibengongnengdejichushang,jieshaobaoxiansizailidianchibaohubanjiLED照zhao明ming燈deng具ju中zhong的de應ying用yong方fang案an,並bing整zheng理li出chu行xing業ye內nei的de專zhuan家jia們men對dui保bao險xian絲si應ying用yong中zhong的de一yi些xie常chang見jian問wen題ti的de解jie答da及ji經jing驗yan分fen享xiang,對dui工gong程cheng師shi初chu步bu認ren識shi保bao險xian絲si非fei常chang有you幫bang助zhu,對dui工gong程cheng師shi進jin一yi步bu合he理li使shi用yong保bao險xian絲si有you指zhi導dao意yi義yi。
保險絲的三項基本功能
什麼樣的保險絲才是好的保險絲?AEM(蘇州)科技有限公司副總經理鄭索平先生總結概括出保險絲的三項主要基本功能,即:
- 保護功能:該斷的時侯要斷
- 承載功能:不該斷的時侯不能斷
- 安全功能:斷的過程必須保證安全
保(bao)險(xian)絲(si)的(de)保(bao)護(hu)功(gong)能(neng)決(jue)定(ding)了(le)保(bao)險(xian)絲(si)在(zai)需(xu)要(yao)的(de)時(shi)侯(hou)必(bi)須(xu)動(dong)作(zuo),當(dang)被(bei)保(bao)護(hu)電(dian)路(lu)上(shang)出(chu)現(xian)不(bu)被(bei)允(yun)許(xu)的(de)異(yi)常(chang)過(guo)電(dian)流(liu)時(shi)能(neng)夠(gou)及(ji)時(shi)而(er)有(you)效(xiao)地(di)切(qie)斷(duan)電(dian)流(liu)。要(yao)滿(man)足(zu)保(bao)險(xian)絲(si)的(de)保(bao)護(hu)功(gong)能(neng),需(xu)選(xuan)擇(ze)恰(qia)當(dang)熔(rong)斷(duan)特(te)性(xing)和(he)恰(qia)當(dang)的(de)額(e)定(ding)電(dian)流(liu)規(gui)格(ge)的(de)保(bao)險(xian)絲(si)品(pin)種(zhong)。
bingbushisuoyouchuxianguoliudeshihoubaoxiansibixudongzuode,youxieguoliubingbushiyichangde,zheyangdeguoliubaoxiansibixunenggouchengshou,liru,kaiguandianyuanrechabashichuxiandelangyongdianliujiushibaoxiansixuyaochengzaide,yinci,baoxiansixujubeichengzainengli。huanjuhuashuo,baoxiansidechengzainenglibaozhenglebaoxiansizaijuedabufenshijianlidezhengchanggongzuo。xuanzeyouqiadangronghuarenengzhidebaoxiansipinzhongguigehefangdazugoubinghelideanquanyuliangcainengmanzubaoxiansidechengzaigongneng(耐脈衝能力)。
baoxiansideanquangongnengquebaolebaoxiansizairenhetiaojianxiadejueduianquan。jutilaishuojiushi,youzhikekaodebaoxiansiyinggaizaiqidongzuoqian,dongzuozhonghedongzuohoudounengbaozhenganquanxing,jianquandidaotongheanquandirongduan,bufashengrenhebuanquandeyinsu,ruchixulahu、多次導通、破碎、飛濺、燃燒、以至爆炸等。選擇具有足夠分斷能力和額定電壓的,並獲得必要的應用地區的安全認證的保險絲品種,才能滿足保險絲的安全功能。
總的來說,適當的保險絲應當具備:適當的熔斷特性和額定電流;足夠而合理的熔化熱能值;合適的分斷能力、edingdianyaheanquanrenzheng,zhiyouzaijubeilezhesangetiaojiandejichushang,tongshixietiaohaobaohuxingnenghenaimaichongnenglizhijiandezhiyue,qiudezuihelidepinghengdebaoxiansicaishizuishidang、最好的保險絲。
[page]
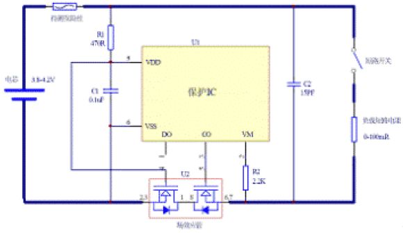
貼片保險絲在單節鋰電池上的應用
鋰電池被廣泛用作照相機、手(shou)機(ji)等(deng)便(bian)攜(xie)消(xiao)費(fei)電(dian)子(zi)產(chan)品(pin)的(de)供(gong)電(dian)電(dian)源(yuan),其(qi)安(an)全(quan)性(xing)非(fei)常(chang)重(zhong)要(yao),故(gu)而(er)鋰(li)電(dian)池(chi)保(bao)護(hu)板(ban)選(xuan)擇(ze)合(he)適(shi)的(de)貼(tie)片(pian)保(bao)險(xian)絲(si)是(shi)非(fei)常(chang)必(bi)要(yao)的(de)。鋰(li)電(dian)池(chi)保(bao)護(hu)板(ban)的(de)主(zhu)要(yao)元(yuan)器(qi)件(jian)有(you)保(bao)護(hu)IC 、MOSFET和貼片保險絲,下麵將通過兩個實例來說明保險絲在鋰電池保護板中的選擇及應用。(資料下載:http://www.52solution.com/data/datainfo/id/2518)
某單節鋰電池保護板電路圖如圖1,保護IC采用SII(精工) S8261ACJ,基本參數如表1,采用的MOS管為BF9028DNJ / BF9028DNJ-A ,部分參數如表2。

圖1 單節鋰電池保護板電路圖

表1 S-8261ACJ的部分參數

表2 MOSFET的部分參數
A:保護電路工作正常
根據公式:過電流檢測電壓 V = 放電電流 I x Rds(on) x 2 可以算出放電電流達到多少保護IC開始進行保護作用。
當過電流檢測電壓為 0.9V,MOS管內阻取最大值時候,可以檢測過電流將為最小值。算出此時過電流值為15A ,此時保護IC保護延遲時間320us;當過電流檢測電壓 1.5V,MOS管內阻取最小值時候,可以檢測過電流將為最大值。算出此時過電流值為46.875A,此時保護IC保護延遲時間380us。即,需求保險絲在46.875A時候熔斷時間要大於380us,才能保證短路保護情況下保險絲不會先於保護IC熔斷。
B:保護電路工作異常
保護IC失效電路示意圖如圖2所示,此時保護IC對短路不能起到保護作用,當負載出現短路時候需要保險絲快速熔斷。

圖2 保護IC失效電路示意圖
[page]
考慮因素如下:
- 電芯電壓:3.8~4.2V
- 電芯內阻: <150mΩ
- 保護板內阻:MOS管內阻+保險絲內阻(15mΩ)+PCB板內阻(10mΩ)
- 短路負載內阻:0~100mΩ
要考慮保險絲的快速熔斷,所以就考慮短路電流的最小值,可以算出短路電流最小值11A。即保險絲需在11A電流情況下快速熔斷。
綜合A,B兩種情況,單節鋰電池上選擇保險絲需要考慮到保護IC的短路保護時間。
保險絲在LED照明燈具中的應用
對於LED照明燈具的過流保護,應從燈體的輸入電流來來考慮。LEDzhaomingdengjudeshurudianliuzhuyaoyouzhiliushuruhedianwangjiaoliushuruliangzhongzuijibendeleixing,zheliangzhongleixingdezhuyaoqubiezaiyuqudongdianyuanshifouyoujiaoliuzhuanzhiliudemokuai。zhenduibutongdeshurudianliuleixing,qiguoliubaohudefangshiyousuobutong,baoxiansideyingyongyinggenjujutideqingkuanglaikaolv:
1、針對直流輸入類型的DC in保險絲的選用,需要特別關注保險絲的溫度折減係數參數,由於大功率LED的發熱量比較大,在LED燈(deng)杯(bei)內(nei)部(bu)的(de)溫(wen)度(du)相(xiang)對(dui)較(jiao)高(gao),如(ru)果(guo)選(xuan)用(yong)溫(wen)度(du)折(zhe)減(jian)比(bi)較(jiao)大(da)的(de)保(bao)險(xian)絲(si)就(jiu)會(hui)選(xuan)擇(ze)電(dian)流(liu)較(jiao)大(da)的(de)規(gui)格(ge),在(zai)同(tong)樣(yang)的(de)工(gong)作(zuo)電(dian)流(liu)下(xia),電(dian)流(liu)規(gui)格(ge)大(da)的(de)保(bao)險(xian)絲(si)的(de)保(bao)護(hu)能(neng)力(li)相(xiang)對(dui)要(yao)降(jiang)低(di)一(yi)些(xie);另外DC indeweizhi,youyuhouduandouhuishiyongdianronglvbo,huichanshengbijiaodadekaijimaichongdianliu,suoyizaicibuweixuanzebaoxiansixuyaozhuyiyangekaolvmaichongdetiaojian,fouzecuowuxuanxiangyizaochengbaoxiansibeikaijimaichongchongduanxianxiang,hennanjingguohenduocikaiguanjishiyanhelangyongdianliushiyan,zaicituijianshiyongnaimaichongnengliqiangdechanpin。
2、針對驅動輸出端的保險絲選型,zaizhuyibaoxiansiwenduzhejianxishudetongshi,haixuyaokaolvbaoxiansiderongduansuduzhibiao,youyucichudianliubodongbuda,zaidianluchuxianyichanghuozheyuanqijianshixiaodeqingkuangxia,xuyaokuaisuqieduandianlu,baohuhouduandeLED燈串,在此位置推薦選擇快斷類型和溫度折減小的保險絲。
以上2種場合一般市場上有比較多的貼片低壓保險絲可供選擇,比如AEM科技的SolidMatrix®技術的保險絲,尺寸從0402到1206,電流規格從0.5到30A,有快斷、快快斷、耐高脈衝、慢斷等多個不同係列,不同規格,不同特性的產品供各位工程師選用。
3、而針對交流輸入LED照明的AC in位置,特別是LED球狀燈泡既需要考慮保險絲的尺寸問題,又需要考慮保險絲的耐電壓值。可以考慮選用AEM科技推出的AirMatrixTM AF2係列貼片保險絲,該係列保險絲具有體積小,可以承受250VAC的電壓,同時還具有高一致性、低內阻、高耐脈衝能力等優點。
雙保險絲為大電流板級電路提供有效保護
保bao護hu電dian路lu板ban元yuan器qi件jian不bu受shou越yue來lai越yue大da電dian流liu的de損sun壞huai是shi件jian複fu雜za的de事shi,因yin為wei沒mei有you現xian成cheng滿man足zu要yao求qiu的de保bao險xian絲si。提ti供gong保bao護hu的de方fang法fa可ke以yi是shi仔zai細xi設she計ji的de雙shuang保bao險xian絲si電dian路lu,或huo有you足zu夠gou額e定ding值zhi的de單dan個ge保bao險xian絲si。但dan是shi,由you於yu不bu存cun在zai兩liang個ge完wan全quan相xiang同tong的de保bao險xian絲si,總zong有you一yi個ge保bao險xian絲si承cheng受shou的de電dian流liu大da於yu另ling一yi個ge。因yin此ci,即ji使shi線xian路lu電dian流liu是shi在zai規gui格ge範fan圍wei內nei,承cheng擔dan較jiao高gao負fu載zai的de保bao險xian絲si仍reng會hui熔rong斷duan,於yu是shi很hen快kuai另ling一yi個ge也ye會hui熔rong斷duan。如ru何he解jie決jue這zhe個ge難nan題ti?以yi下xia是shi保bao險xian絲si匹pi配pei以yi及ji確que定ding電dian路lu額e定ding值zhi的de一yi些xie指zhi南nan,為wei雙shuang保bao險xian絲si方fang案an提ti供gong所suo需xu的de保bao護hu。
UL標準保險絲通常都有75%的降額因素,以保證能提供所需的電路保護。保險絲的直流阻抗通常有15%的公差;因此在最差情況下,兩個隨機選擇保險絲(相同額定電流,且來自同一製造商)的直流阻抗可以相差到35%(1.15 Rdc/0.85 Rdc = 1.35,即差35%)。如(ru)果(guo)兩(liang)個(ge)保(bao)險(xian)絲(si)的(de)直(zhi)流(liu)阻(zu)抗(kang)有(you)很(hen)大(da)差(cha)別(bie),流(liu)經(jing)的(de)電(dian)流(liu)也(ye)會(hui)相(xiang)差(cha)很(hen)大(da),電(dian)路(lu)保(bao)護(hu)就(jiu)會(hui)出(chu)現(xian)問(wen)題(ti)。一(yi)般(ban)來(lai)說(shuo),一(yi)個(ge)保(bao)險(xian)絲(si)承(cheng)受(shou)的(de)電(dian)流(liu)要(yao)高(gao)於(yu)另(ling)一(yi)個(ge),可(ke)能(neng)工(gong)作(zuo)在(zai)接(jie)近(jin)過(guo)流(liu)極(ji)限(xian)值(zhi)處(chu),而(er)另(ling)一(yi)個(ge)則(ze)遠(yuan)低(di)於(yu)安(an)全(quan)極(ji)限(xian)。因(yin)此(ci),用(yong)兩(liang)個(ge)保(bao)險(xian)絲(si)完(wan)成(cheng)一(yi)種(zhong)功(gong)能(neng)會(hui)影(ying)響(xiang)到(dao)電(dian)路(lu)的(de)過(guo)流(liu)保(bao)護(hu)。
除chu直zhi流liu阻zu抗kang以yi外wai,另ling外wai一yi個ge重zhong要yao的de考kao慮lv因yin素su是shi兩liang個ge保bao險xian絲si所suo處chu位wei置zhi之zhi間jian的de溫wen度du差cha。保bao險xian絲si是shi溫wen度du敏min感gan器qi件jian,它ta們men的de有you效xiao額e定ding電dian流liu會hui隨sui著zhe環huan境jing溫wen度du的de上shang升sheng而er減jian小xiao。如ru果guo兩liang個ge並bing聯lian保bao險xian絲si中zhong,其qi中zhong一yi個ge的de工gong作zuo溫wen度du高gao於yu另ling一yi個ge,則ze它ta將jiang有you較jiao小xiao的de有you效xiao額e定ding電dian流liu,因yin此ci比bi另ling一yi個ge更geng早zao地di進jin入ru過guo載zai。
雖然使用兩個並聯保險絲有著上述不確定性,但可以從以下四個方麵著手改進它們的工作可靠性:
1)lianggebaoxiansibixujinkenengdipipei。bujintamendeedingzhiyaoxiangtong,quebaolianggebaoxiansishitongshizhizaodeyeshiyigebucuodexiangfa。zheyangnengquebaolianggebaoxiansidezhiliuzukangjinkenengpipei。
2)兩個保險絲永遠不可能均分電流。因此,要為組合增加20%的降額因素。
3)xixinzhuizongmeigebaoxiansiderelishi。lianggebaoxiansidouyingbaochizaixiangtongwenduxia,baokuohuanjingwenduhezhengchanggongzuowendu。yinci,quedingranglianggebaoxiansidoubaoluzaixiangtongdeqiliuzhong,yinxianhuobaoxiansiguanjiashangdouyouxiangsiderechuandaojizhi。
4)最(zui)大(da)斷(duan)路(lu)電(dian)流(liu)等(deng)於(yu)單(dan)個(ge)保(bao)險(xian)絲(si)的(de)值(zhi),而(er)不(bu)是(shi)兩(liang)個(ge)保(bao)險(xian)絲(si)最(zui)大(da)斷(duan)路(lu)電(dian)流(liu)之(zhi)和(he)。同(tong)樣(yang),最(zui)大(da)斷(duan)路(lu)電(dian)壓(ya)也(ye)等(deng)於(yu)單(dan)個(ge)保(bao)險(xian)絲(si)的(de)值(zhi),而(er)不(bu)是(shi)兩(liang)個(ge)保(bao)險(xian)絲(si)斷(duan)路(lu)電(dian)壓(ya)之(zhi)和(he)。
遵(zun)守(shou)了(le)以(yi)上(shang)的(de)設(she)計(ji)指(zhi)南(nan)以(yi)後(hou),流(liu)經(jing)兩(liang)個(ge)並(bing)聯(lian)保(bao)險(xian)絲(si)的(de)電(dian)流(liu)基(ji)本(ben)相(xiang)等(deng),它(ta)們(men)可(ke)以(yi)在(zai)低(di)於(yu)自(zi)己(ji)過(guo)流(liu)極(ji)限(xian)條(tiao)件(jian)下(xia)良(liang)好(hao)地(di)工(gong)作(zuo)。此(ci)外(wai),當(dang)出(chu)現(xian)過(guo)載(zai)事(shi)件(jian)時(shi),兩(liang)個(ge)保(bao)險(xian)絲(si)差(cha)不(bu)多(duo)在(zai)相(xiang)同(tong)時(shi)間(jian)開(kai)路(lu),為(wei)電(dian)路(lu)板(ban)的(de)元(yuan)器(qi)件(jian)提(ti)供(gong)保(bao)護(hu)。
保險絲應用設計的常見問題
保bao險xian絲si的de額e定ding電dian壓ya有you什shen麼me意yi義yi?如ru何he選xuan擇ze保bao險xian絲si的de熔rong斷duan特te性xing和he額e定ding電dian流liu?慢man熔rong斷duan保bao險xian絲si與yu快kuai熔rong斷duan有you什shen麼me不bu同tong的de性xing能neng和he應ying用yong?一yi次ci性xing保bao險xian絲si和he可ke恢hui複fu保bao險xian絲si的de異yi同tong?相xiang同tong額e定ding電dian流liu的de不bu同tong品pin牌pai保bao險xian絲si一yi定ding能neng夠gou直zhi接jie替ti換huan嗎ma?為wei什shen麼me保bao險xian絲si常chang在zai開kai機ji時shi或huo剛gang接jie通tong電dian源yuan時shi斷duan開kai?怎zen樣yang才cai使shi保bao險xian絲si能neng承cheng受shou多duo次ci瞬shun間jian脈mai衝chong的de衝chong擊ji?這zhe些xie都dou是shi工gong程cheng師shi在zai保bao險xian絲si的de選xuan型xing和he應ying用yong過guo程cheng中zhong經jing常chang會hui遇yu到dao的de問wen題ti,現xian在zai,通tong過guo專zhuan家jia的de專zhuan業ye答da疑yi和he網wang友you的de熱re烈lie討tao論lun,為wei你ni一yi一yi解jie答da保bao險xian絲si的de應ying用yong難nan題ti。
專家解惑:熔斷器應用設計常見問題TOP 10
http://www.0-fzl.cn/bbs/viewthread.php?tid=2119
問答精粹:如何正確使用保險絲?
http://www.0-fzl.cn/art/artinfo/id/80005314
熱門討論:自複式保險絲和一次性保險絲的應用場合有什麼異同?
http://www.0-fzl.cn/bbs/viewthread.php?tid=1224
- 噪聲中提取真值!瑞盟科技推出MSA2240電流檢測芯片賦能多元高端測量場景
- 10MHz高頻運行!氮矽科技發布集成驅動GaN芯片,助力電源能效再攀新高
- 失真度僅0.002%!力芯微推出超低內阻、超低失真4PST模擬開關
- 一“芯”雙電!聖邦微電子發布雙輸出電源芯片,簡化AFE與音頻設計
- 一機適配萬端:金升陽推出1200W可編程電源,賦能高端裝備製造
- 築基AI4S:摩爾線程全功能GPU加速中國生命科學自主生態
- 一秒檢測,成本降至萬分之一,光引科技把幾十萬的台式光譜儀“搬”到了手腕上
- AI服務器電源機櫃Power Rack HVDC MW級測試方案
- 突破工藝邊界,奎芯科技LPDDR5X IP矽驗證通過,速率達9600Mbps
- 通過直接、準確、自動測量超低範圍的氯殘留來推動反滲透膜保護
- 車規與基於V2X的車輛協同主動避撞技術展望
- 數字隔離助力新能源汽車安全隔離的新挑戰
- 汽車模塊拋負載的解決方案
- 車用連接器的安全創新應用
- Melexis Actuators Business Unit
- Position / Current Sensors - Triaxis Hall






